123465 (689485), страница 2
Текст из файла (страница 2)
Проверка:
2175.4-2560+981.5-596.93=0; удовлетворяет
М1=0 Н мм
МА=
М2=
МВ=0 Н мм
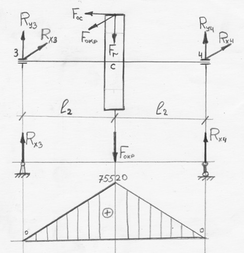
Вертикальная плоскость.
Проверка:
-1100.9+950-194+344.65=0 - удовлетворяет
М1=0 Н мм
МВ=0 Н мм
Суммарные реакции:
Опора 1
Опора 2
Проверку выполняют для первой опоры, как более нагруженной.
Эпюры крутящих моментов.
Намеченные радиальные шариковые подшипники проверяем по нагруженной опоре.
Подшипник 306.
d=30 мм C=21,6 кН
D=72 мм Co=14,8 кН
B=19 мм
Эквивалентная нагрузка
=1,3 - коэффициент безопасности
Fо=497 Н V=1,2
Кт=1-температурный коэффициент
Х-коэффициент радиальной нагрузки
Y-коэффициент осевой нагрузки
Находим отношение
Находим отношение
Сравниваем отношение
с величиной е
> е
0,52>0,23=> Х=0,56
Y=1,95
Расчётная долговечность в миллионах оборотах:
Расчётная долговечность в часах:
n=444 -частота вращения ведущего вала
Мы видим, что долговечность данных подшипников во много раз меньше чем требуется, более того, она меньше даже минимальной допустимой.
Из эскизной компоновки видно, что увеличение внешнего диаметра данного подшипника нежелательно.
Учитывая это и стремясь получить наибольшую долговечность, применим для данного вала шарикоподшипник тяжелой серии.
Подшипник 406.
d=30 мм C=36,5 кН
D=72 мм Co=26,7 кН
B=23 мм
Эквивалентная нагрузка
=1,3 - коэффициент безопасности
Fо=497 Н V=1,2
Кт=1-температурный коэффициент
Х-коэффициент радиальной нагрузки
Y-коэффициент осевой нагрузки
Находим отношение
Находим отношение
Сравниваем отношение
с величиной е
> е
0,52>0,35=> Х=0,56
Y=1,15
Расчётная долговечность в миллионах оборотах:
Расчётная долговечность в часах:
Такая долговечность хоть и меньше желаемой, но она больше минимальной допустимой.
В процессе эксплуатации придется один раз сменить подшипники на ведущем валу
Удовлетворяет условию прочности.
Ведомый вал
Горизонтальная плоскость.
Проверка
1280+2560-1280=0
М1=0 Н мм
Мс=
М2=0 Н мм
Вертикальная плоскость.
Проверка:
896-950+53,8=-1 - удовлетворяет
М1=0 Н мм
М2=0 Н мм
Суммарные реакции.
Опора 1:
Опора 2:
Проверку выполняем для первой опоры, как более нагруженной.
Эпюры крутящих моментов.
Намеченные радиальные шариковые подшипники проверяем по нагруженной опоре.
Подшипник 308
d=40 мм C=31,3 кН
D=90 мм Co=22,3 кН
B=23 мм
Эквивалентная нагрузка
=1,3
Fо=930 Н υ=1
Кт=1
Находим отношение
Находим отношение
Сравниваем отношение
с величиной е
> е
0,52>0,2=> Х=0,56
Y=2,0
Расчётная долговечность в миллионах оборотах:
Расчётная долговечность в часах:
Удовлетворяет условию прочности.
9. Проверка прочности шпоночных соединений
Ведущий вал.
Выбираем призматическую шпонку для соединения вала с ведомым шкивом ременной передачи.
Шпонки призматические с закруглёнными торцами (стр.149, гл.8)
Материал шпонки - сталь 45.
Расчёт ведём по напряжениям сжатия.
Условие прочности:
d-диаметр ведущего вала dв1=30
Шпонку выбирают в зависимости от d вала
Шпонка:
b=10 мм t1=5 мм
h=8 мм t2=3,3 мм
Принимаем:
Диаметрально устанавливаем вторую шпонку:
Удовлетворяет условию прочности.
Ведомый вал
=50 мм
М4=256Н·м=256000 Н мм
Шпонка:
b=16 мм t1=6 мм
h=10 мм t2=4,3 мм
=70 мм
Принимаем:
Удовлетворяет условию прочности.
10. Уточнённый расчёт валов
Принимаем, что нормальные напряжения от изгиба изменяются симметричному циклу, а касательные от кручения по пульсирующему (или отнулевому).
При уточнённом расчёте определяют действительный коэффициент запаса прочности “n” в опасных сечениях и сравнивают с допускаемым, т.е.
-условие прочности.
Ведущий вал.
Материал-сталь 45.
Термообработка-улучшение
Предел выносливости при симметричном цикле изгиба:
Предел выносливости при симметричном цикле касательных напряжений:
Проверяем сечение на ведущем валу под шкивом, где действует только крутящий момент.
Здесь возникают только касательные напряжения.
Среднее напряжение и амплитуда цикла отнулевого цикла.
(2)
(1)
размеры шпонки ведущего вала.
М3-момент на ведущем валу редуктора = 64 •10
Н мм
b=10 мм
h=8 мм
t1=5 мм
Коэффициент запаса прочности:
(с.153. ф.8.9)
=0,78
=6,7 МПа
=1,8
=0,05
=1,5
=6,7 МПа
Удовлетворяет условию прочности.
Ведомый вал
Материал - сталь 45.
Термообработка-нормализация
Предел выносливости:
Рассчитываем сечение под колесом.
М4-момент на ведомом валу. М4=256 Н мм
Из эпюр изгибающих моментов (гл.8):
Суммарный изгибающий момент:
Момент сопротивления кручению (ф.1):
Где:
t1=5 мм
b=12 мм h=8 мм
Момент сопротивления изгибу:
Амплитуда и среднее напряжение цикла:
Амплитуда нормальных напряжений изгиба:
Среднее напряжение
Коэффициент запаса прочности по нормальным напряжениям изгиба (ф.8.8):
=0 т.к.
=0
=0,68
=1,5
=8,4 МПа
Коэффициент запаса прочности по касательным напряжениям (ф.8.9):
=5,5 МПа
=0,68
=0,05
=1,5
=5,5 МПа
Общий коэффициент запаса прочности (ф.8.7):
=(5÷10)
Удовлетворяет условию прочности.
11. Выбор сорта масла
От правильности выбора смазочных материалов, способов смазывания и видов уплотнений в значительной степени зависит работоспособность и долговечность механизмов. В качестве смазочных материалов редукторных передач и подшипников используют жидкие нефтяные и синтетические масла, а также пластичные мази.
Выбор смазочных масел для редукторных и других передач промышленного оборудования производится главным образом по кинематической вязкости, измеряемой в сантистоксах - сСт (1сСт = 1мм²/с).
Для повышения стойкости зубьев против заедания желательно применять масла высокой вязкости. Вязкость масла выбирают в зависимости от окружной скорости, нагрузки и материала зубьев. Чем больше нагрузка и меньше скорость, тем выше должна быть вязкость масла. Ориентировочно необходимая вязкость смазочного материала может быть подобрана по эмпирической формуле:
-рекомендуемая кинематическая вязкость смазки при температуре 50° и заданной средней окружной скорости
-рекомендуемая вязкость при v=1 м/с
=120…130 мм2/с – для передач сталь по чугуну.
Марку масла с необходимой вязкостью в зависимости от окружной скорости зубчатых передач выбирают по табл. 8.32.
По табл. 8.32 кинематическая вязкость масла = 118 мм²/с.
Зная требуемую вязкость, принимают марку масла по табл. 8.34.
По табл. 8.34 выбираем индустриальное масло(по ГОСТ 20799-75)
И-100А.
Для смазки подшипников применяют солидол синтетический общего назначения.
Для слива масла предусматривается сливное отверстие, закрываемое пробкой.
Чтобы избежать повышения внутреннего давления, применяем отдушину верхней точки корпуса.
12. Выбор посадок
В редукторах применяют два вида нагружения колец:
Местное - кольцо не вращается относительно нагрузки. Сопротивление выполняется по переходной посадке детали.
Циркуляционное - кольцо вращается относительно внешней нагрузки. Посадка осуществляется следующим образом: подшипник нагревают в кипящем жидком масле и насаживают на вал. После остывания обеспечивается необходимая посадка.
Выбираем поле допуска вала и отверстия для установки шарикового подшипника № 406. Сначала выбираем поле допуска вала для внутреннего кольца подшипника. внутреннее кольцо подшипника вращается вместе с валом относительно действующей радиальной нагрузки и имеет циркуляционное нагружение. Находим отношение эквивалентной динамической нагрузки к динамической грузоподъёмности:
По таблице выбираем поле допуска вала:
Наружное кольцо подшипника неподвижно относительно радиальной нагрузки и подвергается местному нагружению. По таблице выбираем поле допуска отверстия – Н7.
Выбираем поле допуска вала и отверстия для установки шарикового подшипника № 308. Сначала выбираем поле допуска вала для внутреннего кольца подшипника. внутреннее кольцо подшипника вращается вместе с валом относительно действующей радиальной нагрузки и имеет циркуляционное нагружение. Находим отношение эквивалентной динамической нагрузки к динамической грузоподъёмности:
По таблице выбираем поле допуска вала:
Наружное кольцо подшипника неподвижно относительно радиальной нагрузки и подвергается местному нагружению. По таблице выбираем поле допуска отверстия – Н6
13. Сборка редуктора
Собранные валы укладывают в основание корпуса редуктора и надевают крышку корпуса, покрыв передвижную поверхность стыка крышки и корпуса стыковым маслом.
На ведомый вал надевают распылительное кольцо, в подшипниковые камеры укладывают смазку, ставят крышки подшипников.
В колесе ведущего вала устанавливают шпонку и полумуфту.
Ввёртывают пробку маслоспускного отверстия с прокладкой и жезловый маслоуказатель, залив в корпус масло, устанавливается крышка и закручивается болтами.
Собранный редуктор обкатывают и подвергают испытанию на стенде.
Используемая литература:
1) Чернилевский Д.В. «Курсовое проектирование деталей машин и механизмов».
















