123350 (689439)
Текст из файла
1. ИЗУЧЕНИЕ И АНАЛИЗ СВЕДЕНИЙ О КОНСТРУКЦИЯХ МАШИН ДЛЯ ИЗМЕЛЬЧЕНИЯ И ПРОЦЕССОВ, ПРОИСХОДЯЩИХ В НИХ
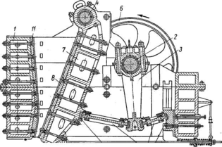
Модернизируемая машина – дробилка однороторная крупного дробления ДРК 0,8*0,63
Классификация данной машины:
1) класс – машины для измельчения;
2) группа – машины для дробления (дробилка);
3) тип – роторные дробилки;
4) типоразмер – ДРК 0,8*0,63.
1.1 Назначение и область применения машин для измельчения
Все применяемые машины для измельчания материалов разделяют на две группы: дробилки и мельницы. Дробилки — это машины, которые применяются для дробления сравнительно крупных кусков материала (начальный размер 100—1200 мм), при этом степень измельчения находится в пределах 3—20.
По конструкции и принципу действия различают следующие типы дробилок:
-
Щековые дробилки применяются для первичного дробления материалов твердых и средней твердости.
-
Конусные дробилки применяют для крупного, среднего и мелкого дробления каменных материалов твердых и средней твердости.
-
Валковые дробилки применяют для тонкого, мелкого, среднего и крупного измельчения горных пород и других материалов различной твердости, брикетирования материалов, удаления из глины каменистых включений.
-
Молотковые дробилки применяют для измельчения материалов средней твердости и мягких, небольшой влажности и вязкости.
-
Бегуны применяют для мелкого и тонкого дробления материалов мягких и средней твердости.
Мельницы предназначаются для получения тонко измельченного порошкообразного материала, при этом размер начальных кусков равен 2—20 мм, а размер частиц конечного продукта составляет от 0,1— 0,3 мм до долей микрометра. Нецелесообразно подавать в помольные агрегаты куски, как это иногда имеет место, размером более 15—20 мм, так как в этом случае в начале процесса измельчения мельница должна работать как дробилка, что снижает эффективность процесса помола. Степень измельчения в мельницах, например при помоле клинкера, составляет при Dcp= 1 см и dcp=0,003 см.
По конструкции и принципу действия различают следующие типы мельниц:
-
Молотковые мельницы применяют для измельчения материалов средней твердости и мягких, небольшой влажности и вязкости.
-
Струйные мельницы для тонкого и сверхтонкого измельчения материалов нашли применение в керамической и огнеупорной промышленности.
-
Шаровые мельницы применяют для грубого и тонкого помола материала.
-
Вибрационные мельницы предназначены для тонкого и сверхтонкого помола обожженного и необожженного глинозема.
Машины для измельчения широко используются в промышленности строительных материалов. В некоторых случаях процесс измельчения является подготовительным, и получаемый продукт отправляется на дальнейшую переработку, как, например, при производстве цемента. В других случаях, как, например, при производстве щебня, в результате измельчения получается конечный продукт, то есть процесс измельчения имеет самостоятельное значение.
1.2 Классификация машин для дробления
По конструкции и принципу работы различают следующие основные типы дробилок:
1) Щековые дробилки (рис 1), в которых раздавливание происходит между неподвижной 1 и подвижной 7 щеками в результате периодического нажатия; в отдельных конструкциях раздавливание сочетается с истиранием. При сложном движении щеки происходит повышенный износ дробящих плит и образование большого количества мелочи, идущей в отход
Рисунок 1.1 Щековая дробилка с простым движением щеки
2) Конусные дробилки (рис 2), в которых раздавливание материала и частичное его истирание происходит между двумя конусами. В конусных дробилках раздавливание кусков материала происходит между внешним конусом 1 и внутренним 2 путем нажатия внутреннего конуса на материал. Конус при этом или совершает качания относительно неподвижной точки (гирации) О (рис. 2, б), или перемещается по круговой траектории, совершая поступательное движение (рис. 2, а). При указанных движениях внутреннего конуса образующие конусов то сближаются, то удаляются друг от друга. При сближении конусов материал дробится, а при удалении — опускается вниз. На рис. 2в представлена конусная дробилка среднего дробления, а на рис. 18 г — дробилка мелкого дробления
Рисунок 1.2 Схемы конусных дробилок
3) Валковые дробилки (Рис.3.) в которых материал раздавливается между двумя валками вращающихся навстречу друг другу. В отдельных конструкциях измельчение материала происходит путем раздавливания и истирания, которое осуществляется вследствие различного числа оборотов валков. В валковых дробилках так называемого камневыделительного, или дезинтеграторного, типа при измельчении вязких и влажных материалов происходит не только дробление, но и отделение посторонних твердых включений.
Рисунок 1.3 Схемы валковых дробилок
4) Дробилки ударного действия применяются для дробления пород мягкой и средней твердости (известняка, мела, гипса, асбестовой руды, угля и т. п.). Необходимо отметить, что в последнее время за рубежом начинают конструировать дробилки с тяжелыми молотками для дробления твердых пород.
Измельчение в дробилке ударного действия происходит вследствие удара быстро вращающихся молотков непосредственно по кускам материала и ударов кусков друг о друга; удара материала о дробящие плиты, на которые он отбрасывается молотками; измельчения материала между молотками и дробящей плитой, а также между молотками и колосниками.
По конструктивным признакам все существующие типы дробилок ударного действия могут быть разделены на следующие типы: молотковые дробилки с шарнирно подвешенными молотками; роторные дробилки с жестко закрепленными билами.
Рисунок 1.4 Схемы дробилок ударного действия( д- роторного типа, г- молоткового типа)
5) Бегуны (Рис. 5.) которые в зависимости от величины зерна в конечном продукте и свойств материала предназначаются для мелкого дробления и помола. Измельчение материала происходит между вращающимися катками 1 и чашей 2 (подвижной или не подвижной) путем раздавливания и истирания. Один из недостатков сравнительная низкая производительность бегунов при помоле зерен до крупности 0,2-0,5 мм ограничивает возможность их широкого применения.
Рисунок 1.5 Схема бегунов
1.3 Сущность и основные закономерности процесса дробления
Под измельчением понимается последовательный ряд операций, имеющих целью уменьшить размеры кусков твердого материала от начальных до конечных, необходимых для промышленного использования продукта измельчения.
Процесс измельчения в зависимости от размеров кусков или частиц конечного продукта подразделяются на дробление и помол (таблица 1.1).
Таблица 1.1
Границы разделения на дробление и помол
Дробление | крупное | среднее | мелкое |
| Размер кусков после дробления, мм | 100-350 | 40-100 | 5-40 |
Помол | грубый | тонкий | сверхтонкий |
| Размер частиц после помола, мм | 5-0,1 | 0,1-0,05 | менее 0,05 |
Методы измельчения материалов разнообразны. Основными из них являются:
1) раздавливание (рисунок 1.2, а). Кусок материала зажимается между двумя поверхностями и раздавливается при сравнительно медленном нарастании давления;
2) удар (рисунок 1.2, б). Материал измельчается путем: удара по кускам материала, лежащего на какой-либо поверхности; удара быстродвижущейся детали (молотка, била) по кускам; удара куска материала движущегося с относительно большой скоростью, о неподвижную плиту; удара кусков материала друг о друга;
3) раскалывание (рисунок 1.2, в). Кусок материала измельчается в результате раскалывающего действия клиновидных тел;
4) излом (рисунок 1.2, г);
5) истирание (рисунок 1.2, д). Материал измельчается путем трения между движущимися поверхностями, а также при трении кусков материала друг о друга.
Рисунок 1.6 Схемы методов измельчения
В большинстве случаев различные нагрузки действуют одновременно, например, раздавливание и истирание, удар и истирание и т. д.
За последние годы были предложены новые способы измельчения: электрогидравлический, ультразвуковой, гравитационный способ применения высоких быстроменяющихся и низких температур и, наконец, измельчение световым лучом, получаемым при помощи квантового генератора.
Необходимость использования различных нагрузок, а также различных по принципу действия и габаритным размерам машин связана с многообразием свойств и размеров измельчаемых материалов, а также с различными требованиями к крупности готового продукта.
Процесс измельчения сочетается с одновременным перемещением материала к выходному отверстию. Материал перемещается под действием сил тяжести. Внешние силы сначала деформируют кусок, а затем, когда превзойден предел прочности, вызывают его разрушение на ряд более мелких кусков. При измельчении кусков последние сначала разрушаются по наиболее слабым сечениям. Полученные мелкие куски содержат значительно меньше слабых сечений, следовательно, при дроблении больших кусков удельный расход энергии должен быть ниже, чем при дроблении мелких кусков.
Закон поверхностей Риттингера. Основан на гипотезе, что работа W, затрачиваемая на измельчение тела, пропорциональна величине вновь полученных - обнаженных поверхностей А (м2) тел, т.е.
(1.1)
где: ∆А - суммарная поверхность материала;
k - коэффициент пропорциональности.
Закон Кирпичева-Кика. Энергия необходимая для измельчения прямо пропорциональна вновь образованному объему.
(1.2)
где: k - коэффициент пропорциональности, равный работе деформирования единицы объема твердого тела;
Характеристики
Тип файла документ
Документы такого типа открываются такими программами, как Microsoft Office Word на компьютерах Windows, Apple Pages на компьютерах Mac, Open Office - бесплатная альтернатива на различных платформах, в том числе Linux. Наиболее простым и современным решением будут Google документы, так как открываются онлайн без скачивания прямо в браузере на любой платформе. Существуют российские качественные аналоги, например от Яндекса.
Будьте внимательны на мобильных устройствах, так как там используются упрощённый функционал даже в официальном приложении от Microsoft, поэтому для просмотра скачивайте PDF-версию. А если нужно редактировать файл, то используйте оригинальный файл.
Файлы такого типа обычно разбиты на страницы, а текст может быть форматированным (жирный, курсив, выбор шрифта, таблицы и т.п.), а также в него можно добавлять изображения. Формат идеально подходит для рефератов, докладов и РПЗ курсовых проектов, которые необходимо распечатать. Кстати перед печатью также сохраняйте файл в PDF, так как принтер может начудить со шрифтами.
















