123266 (689411), страница 2
Текст из файла (страница 2)
Нормальные и касательные напряжения в расчётной точке:
;
Приведённые напряжения (англ. reduced – приведённый):
,
-
Проверки прочности балки по нормальным, касательным и приведённым напряжениям выполняются.
-
Проверка жёсткости балки. Принятая высота балки h больше минимальной hmin, поэтому прогиб балки не будет превышать предельного значения, и выполнять проверку жёсткости нет необходимости.
-
Расчёт и конструирование узлов соединения элементов главной балки
1. Опорный узел главной балки
-
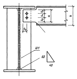
Нагрузка от главной балки передаётся на колонну через опорное ребро, приваренное к торцу балки и выступающее вниз на величину аr = 10…15 мм (рис. 7). Для обеспечения равномерной передачи давления торец ребра необходимо строгать.
-
Рис. 7. Опорное ребро главной балки
торец строгать
tr
V
Ш1
tw
br = b'f
hw
ar
tf
Рис. 6. Изменение сечения балки по длине
верхний пояс
нижний пояс
L/2
-
tf
-
Определение размеров опорного ребра
-
Ширину опорного ребра удобно принять равной ширине пояса балки:
. -
Толщина ребра определяется из условия его работы на смятие:
,
-
где V – опорная реакция главной балки; V = Qmax = 746бб928 кН; Rp – расчётное сопротивление стали смятию торцевой поверхности; равно расчётному сопротивлению стали по временному сопротивлению Ru (прил. 1); для листовой стали толщиной 10…20 мм Rp = Ru = 460 МПа = 46,0 кН/см2.
-
В соответствии с сортаментом принимаем tr = 1,0 cм.
-
Расчёт сварных швов крепления опорного ребра к стенке балки
-
Через сварной шов Ш1 опорная реакция V передаётся с ребра на стенку балки. Сварное соединение осуществляется полуавтоматической сваркой.
-
Расчётное сопротивление металла шва Rwf = 240 МПа (прил. 2); коэффициент проплавления βf = 0,9 (табл. 34* СНиП [2]); Rwf βf = 240 0,9 = 216 МПа.
-
Расчётное сопротивление металла границы сплавления шва Rwz = 0,45 Run = 0,45 470 = 211 МПа, где Run – нормативное сопротивление стали по временному сопротивлению, для листового проката толщиной 10…20 мм Run = 470 МПа (прил. 1); коэффициент проплавления βz = 1,05 (табл. 34* СНиП [2]); Rwz βz = 211 1,05 = 221 МПа.
-
Rwf βf < Rwz βz (216 МПа < 221 МПа), поэтому расчётной является проверка по металлу шва.
-
Необходимая величина катета шва крепления опорного ребра с учётом ограничения по предельной длине шва (lw < 85 f kf):
,
-
где n = 2 (ребро приваривается двусторонними швами).
-
Минимальный катет шва определяем по прил. 3 в зависимости от толщины более толстого из свариваемых элементов: kf,min = 5 мм (соединение тавровое с двусторонними угловыми швами, стенка толщиной tw = 10 мм соединяется с ребром толщиной tr = 12 мм). Принимаем окончательно катет шва kf = 6 мм > kf,min .
-
Расчётная длина шва не должна превышать высоту стенки балки (с учетом 2 см на дефекты по концам шва):
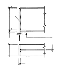
2. Сопряжение главной балки и балки настила
-
Сопряжение балок происходит в одном уровне и выполняется на болтах. Стенка балки настила прикрепляется к поперечному ребру жесткости главной балки, для этой цели предусматривается обрезка полок и части стенки балки (рис. 8).
-
Определение необходимого количества болтов
-
Для соединения используем болты нормальной точности, класса точности С, класса прочности 5.6, диаметром 20 мм (db = 20 мм). Диаметр отверстия назначаем на 2 мм больше диаметра болта: d0 = 22 мм.
-
Расчетное усилие, воспринимаемое одним болтом при его работе на срез:
,
-
где Rbs – расчетное сопротивление болтов срезу; для болтов класса прочности 5.6
-
Rbs = 190 МПа = 19 кН/см2 (табл. 58* СНиП [2]);
-
γb – коэффициент условий работы болтового соединения; при установке нескольких болтов для учёта неравномерности их работы принимается γb = 0,9 (табл. 35* СНиП [2]);
-
Аb – расчётная площадь сечения болта; для болтов диаметром 20 мм Аb = 3,14 см2 (табл. 62* СНиП [2]);
-
ns – число расчётных срезов болта; ns = 1 (односрезное соединение).
-
Расчетное усилие, воспринимаемое одним болтом из условия работы на смятие поверхности отверстия:
-
где tmin – наименьшая суммарная толщина элементов, сминаемых в одном направлении; болты соединяют стенку балки настила толщиной d = 0,65 см (двутавр I30, см. п. 2) с ребром жёсткости толщиной th = 0,8 см (см. п. 3), тогда tmin = d = 0,65 см;
-
Rbp – расчётное сопротивление смятию элементов, соединяемых болтами; определяется по табл. 59* СНиП [2] (см. ниже) в зависимости от сопротивления Run элемента, имеющего tmin: для балки настила Run = 370 МПа (сталь С245), тогда Rbp = 450 МПа = 45 кН/см2.
-
Run, МПа
370
380
390
470
490
510
Rbp, МПа
450
465
485
675
690
735
-
Наименьшее значение расчетного усилия, воспринимаемого одним болтом:
-
Необходимое число болтов в соединении:
-
шт., -
где 1,2 – коэффициент, учитывающий возможное увеличение опорной реакции вследствие частичного защемления балки в закреплении;
-
D = Qmax = 62,24 кН – опорная реакция балки настила (из п. 2).
-
Принимаем n = 2 (крепление на двух болтах).
-
Размещение болтов
-
Назначаем расстояния между центрами болтов и от центров болтов до края элемента (рис. 8).
скос ребра жёсткости 4060 мм для пропуска поясных швов и снижения усадочных напряжений
Рис. 8. Узел сопряжения главной балки и балки настила
скруглять углы для снижения концентрации напряжений
-
Таблица 4.1.
-
Расстояние
-
между центрами болтов
-
от центра болта до края элемента (вдоль усилия)
-
Минимальное
-
s1 2,5 db = 2,520 = 50 мм
-
s2 2 db = 220 = 40 мм
-
Максимальное
-
s1 8 db = 820 = 160 мм
-
s1 12 tmin = 125,4 = 64б8 мм
-
s2 4 db = 420 = 80 мм
-
s2 8 tmin = 85,4= 43,2 мм
-
Принятое
-
s1 = 50 мм
-
s2 = 40 мм
-
-
Высота стенки балки настила на участке размещения болтов (при двух болтах):
аw = s1 + 2s2 = 50 + 240 = 130 мм < h = 300 мм.
-
Проверка опорного сечения балки настила на срез
-
Срез ослабленного (отверстиями и вырезом полок) сечения балки настила не произойдёт, если выполняется условие:
,
-
где Rs – расчетное сопротивление стали балки настила на срез; Rs = 13,92 кН/см2 (из п. 2); d – толщина стенки балки настила; γс – коэффициент условий работы; для учёта упругопластической работы материала соединяемых элементов принимается γс = 1,1 (табл. 6* СНиП [2], поз. 8); ls – расчетная длина среза; при двух болтах (n = 2):
-
, -
тогда
-
Если проверка не выполняется, устанавливают три болта, заново вычисляют аw, ls, :
-
аw = 2s1 + 2s2=180; ls = aw – 3d0=180-3*22=1,14; =12,31
-
При необходимости уменьшают диаметр болта.
3. Соединение поясов балки со стенкой
-
Соединение поясов балки (толщина tf = 20 мм) со стенкой (толщина tw = 10 мм) осуществляется двусторонними (n = 2) поясными сварными швами; швы выполняются в заводских условиях автоматической сваркой.
-
Расчётное сопротивление металла шва Rwf = 240 МПа (прил. 2); коэффициент проплавления βf = 1,1 (табл. 34* СНиП [2]); Rwf βf = 240 1,1 = 264 МПа.
-
Расчётное сопротивление металла границы сплавления шва Rwz = 0,45 Run = 0,45 470 = 211 МПа, где Run – нормативное сопротивление стали по временному сопротивлению, для более толстого элемента – пояса балки (толщ. 10…20 мм) Run = 470 МПа (прил. 1); коэффициент проплавления βz = 1,15 (табл. 34* СНиП [2]); Rwz βz = 211 1,15 = 242 МПа.
-
Rwf βf > Rwz βz (264 МПа > 242 МПа), поэтому расчётной является проверка по металлу границы сплавления металла шва с основным металлом.
-
Сдвигающая сила, приходящаяся на 1 см длины балки (Qmax принимается из п.3):
.
-
Сдвигающая сила стремится срезать поясные швы, поэтому сопротивление швов срезу должно быть не меньше силы Т, тогда необходимый катет шва:
.
-
Минимальная величина катета шва по табл. 38* СНиП [2] kf,min = 6 мм (вид соединения: тавровое с двусторонними угловыми швами; вид сварки: автоматическая; толщина более толстого свариваемого элемента – пояса балки 20 мм).
Принимаем kf = kf,min = 6 мм.
-
Предельная длина сварного шва в данном не ограничивается, так как усилие возникает на всём протяжении шва.
4. Стыки балок
-
Устраивать монтажный стык нет необходимости, т.к. длина балки L = 12 м < 18 м.
-
Заводские стыки располагаются в местах изменения ширины поясов балки. Листы верхнего (сжатого) пояса соединяются прямым стыковым швом, листы нижнего (растянутого) – наклонным с уклоном 1:2 (см. рис. 6).
-
Подбор и проверка сечения колонны
1. Формирование конструктивной и расчётной схемы
-
Колонна состоит из трёх основных частей: оголовка, стержня и базы (рис. 9,а). В расчётной схеме колонна представлена стержнем, шарнирно закреплённым по концам (рис. 9,б). Тип сечения колонны: сквозное из двух швеллеров (рис 9, в).
-
Высота колонны определяется как расстояние от верха фундамента до точки опирания главной балки:
Hk = H – t – h – ar + hf = 8 500 – 10 – 1 940 – 15 + 800 = 8 335 мм,
.
шт.,
,














