123151 (689378)
Текст из файла
Содержание
1 Назначение и техническое описание детали
2 Отработка конструкции детали на технологичность
3 Выбор заготовки и обоснование выбора
4 Назначение допусков, формирование минимальных припусков
5 Выбор технологических маршрутов обработки детали
6 Теоретический анализ технологических вариантов изготовления детали. Назначение операционных размеров и допусков
7 Выбор оптимального технологического маршрута обработки
Список использованной литературы
1. Назначение и техническое описание детали
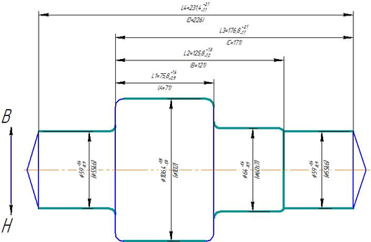
Данная деталь “Вал-шестерня” представляет собой тело вращения и относится к классу валов. Изготовлена из легированной стали 38Х2Н2МА, ГОСТ 4543-71, σв=930МПа и предназначена для передачи крутящих моментов посредством шестерни и зубчатого колеса в редукторе.
Деталь “Вал-шестерня” состоит из: двух подшипниковых шеек
l=55мм и
l=50мм с шероховатостью поверхностей -
, также для установки зубчатого колеса посредствам шпонки предусмотрена поверхность
l=105мм с шероховатостью
и закрытым шпоночным пазом
, глубиной h=8+0.2, шероховатостью торцов
и дна шпоночного паза
. Между подшипниковой шейкой
l=55 мм и поверхностью под установку зубчатого колеса
l=105мм, расположена косозубая шестерня с числом зубьев Z=31, модулем m=3, Ø102,01-0,07мм и длинной L=71мм. С шероховатостью по наружному и среднему диаметру зубьев
, по торцам
и внутреннему диаметру зубьев
.Также у основания шестерни с обеих сторон имеются галтели радиусом R=3мм,2 фаски 2,5х45° и 3 фаски 2х45°.
К детали предъявляют следующие требования:
- допуск радиального биения подшипниковых шеек
l=55мм и
l=50мм , не более 0,02мм, относительно базы Б,Г (оси летали);
- допуск профиля продольного сечения и круглости подшипниковых шеек
l=55мм и
l=50мм , не более 0,01мм;
- допуск радиального биения косозубой шестерни, не более 0,04мм, относительно базы Б,Г (оси детали) и не более 0,016мм, относительно базы Д (оси зубообрабатывающего станка);
- допуск симметричности торцов шпоночного паза
на диаметр, не более 0,16мм, относительно базы В (поверхности
l=105мм);
- допуск параллельности торцов шпоночного паза
, не более 0,04мм, относительно базы В (поверхности
l=105мм);
- Гр.III 248…293 HB ГОСТ 8479-70;
- Азотировать h=0,2…0,6 HRN 15 ≥ B2 (HRCЭ ≥ 45);
- H14,h14, ±IT 14/2;
- Маркировать по РД 24.854.01-89 на бирке.
Основными базовыми поверхностями являются подшипниковые шейки
l=55мм и
l=50мм.
Вспомогательными базовыми поверхностями являются поверхности
l=105мм для посадки зубчатого колеса , поверхности шпоночного паза
и косозубая шестерня Ø102,01-0,07мм и длинной L=71мм.
2. Отработка конструкции детали на технологичность
Данная деталь вал-шестерня, представляет собой деталь типовой конфигурации,
шеек увеличиваются к середине детали. В конструкции детали присутствуют стандартные и унифицированные элементы: галтели, центровочные отверстия, шпоночный паз. Однако имеют место и более сложные в изготовлении поверхности: косозубая шестерня, требующая специального режущего инструмента, но так же стандартизованного. Шпоночный паз закрытого исполнения несколько усложняет обработку и требует применения специализированного инструмента.
Размеры и шероховатости поверхностей соответствуют конструкции и назначению детали. Однако шероховатость торцовых поверхностей косозубой шестерни слишком завышена, можно применить шероховатость Ra6,3мкм, вместо Ra1,25мкм. Возможность одновременной обработки нескольких деталей можно реализовать только на горизонтально расточной операции, поместив на поворотный стол несколько призм с заготовками и производя поочередную обработку торцов, центровочного отверстия и шпоночных пазов, с поворотом стола и без раскрепления деталей. К высокотехнологичному и высокопроизводительному оборудованию, применимому для обработки данной детали относятся: токарно-винторезный станок с ЧПУ 16К20Ф3, фрезерно-центровальный полуавтомат, гидрокопировальный полуавтомат (на черновой обработке), многорезцовый полуавтомат, многошпиндельный обрабатывающий центр. В целом конструкция детали обеспечивается применением типовых технологических процессов и ее можно считать технологичной. Особое внимание необходимо уделить станочным приспособлениям и контрольно-измерительным средствам, которые применяются в условиях серийного производства. В данных условиях наиболее целесообразно применение универсальных и специальных станочных приспособлений. Таких как 3-ёх кулачковый патрон, гидро- и пневмозажимы, опоры, упоры и призмы на расточных и фрезерных операциях и т.п. В качестве контрольно-измерительных средств наиболее широко применяются предельные калибры и контрольно-измерительные приспособления, как более производительные и точные способы контроля, в отличие от контрольно-измерительных инструментов, применяемых в единичном производстве. Также необходимо уделить внимание грамотному базированию, так как это во многом определяет погрешности изготовления размеров. Поэтому необходимо соблюдать правило постоянства и совмещения баз.
3. Выбор заготовки и обоснование выбора
Для данной детали в условиях серийного производства, учитывая специфику курсовой работы и ее учебный характер, в качестве заготовки принимаем штамповку, полученную на молоте. Масса заготовки mзаг≈8,82 кг.
Класс точности поковки – Т4
Группа стали – М2
Степень сложности – С1
Плоскость разъема – Плоская
Исходный индекс – 13
Эскиз заготовки приведен на рисунке 3.1.
Технические требования:
-
Штамповочные уклоны 5˚ и 7˚.
-
Штамповочные радиусы 1.6 мм.
-
Нагрев индукционный.
-
Очистка механическая.
Рисунок 3,1 – Эскиз заготовки
4. Назначение допусков, формирование минимальных припусков
Левый торец Ø102-0,07 l=71мм с Ra1,25мкм
1. Заготовка – штамповка Rz=240, δ=2,5мм,
; Т=250мкм
2. Точение предварительное Rz=50, Н14, δ=0,74мм; Т=50 мкм
3. Точение окончательное Rz=30, Н13, δ=0,46мм; Т=30 мкм
4. Шлифование однократное Rа=1,25, Н12, δ=0,3мм; Т=10 мкм
| Переход | Элементы припуска | Расч. прип. Zmin | |||
| Rz | T | ρ | ε | ||
| Загот | 240 | 250 | 2000,65 | - | - |
| Точ.пр. | 50 | 50 | 120,04 | 100 | 2590,65 |
| Точ.ок. | 30 | 30 | 80,03 | 5 | 225,04 |
| Шлиф.одн. | 10 | 10 | 40,01 | 0 | 140,03 |
общ=
=
=2000,65 мкм
где см =2000 мкм – допустимые погрешности поковок по смещению осей фигур, что штампуються в разных половинах штампов;
кор – общая кривизна заготовки.
кор =Δ к×D=0,5×102=51 мкм
где Δ к=0,5 мкм/мм – суммарное коробление, мкм/мм;
D=102 мм – наибольший размер заготовки, мм;
пр.точ=Ку1×общ=0,06×2000,65=120,039 мкм
ок.точ=Ку2×общ=0,04×2000,65=80,026 мкм
одн.шлиф=Ку3×общ=0,02×2000,65=40,013 мкм
где Ку1 – коэффициент уточнения формы
На операции предварительного точения используют 3-ёх кулачковый самоцентрирующийся патрон упр.точ.=100 мкм.
Для окончательного точения уок.точ.=5 мкм (торцовый патрон с жёсткими центрами).
Для однократного шлифования уодн.шлиф.=0 мкм (поводковый патрон с жёсткими центрами).
Определение минимальной величины операционного припуска:
Zпр.точ. min = Rzі-1 + Т і-1 + i-1 + уі=240+250+2000,65+100=2590,65 мкм
Zок.точ. min =50+50+120,04+5=225,04 мкм
Zодн.шлиф. min =30+30+80,03+0=140,03 мкм
Правый торец Ø102-0,07 l=71мм с Ra1,25мкм
1. Заготовка – штамповка Rz=240, δ=2,5мм,
; Т=250мкм
2. Точение предварительное Rz=50, Н14, δ=0,74мм; Т=50 мкм
3. Точение окончательное Rz=30, Н13, δ=0,46мм; Т=30 мкм
4. Шлифование однократное Rа=1,25, Н12, δ=0,3мм; Т=10 мкм
| Переход | Элементы припуска | Расч. прип. Zmin | |||
| Rz | T | ρ | ε | ||
| Загот | 240 | 250 | 2000,65 | - | - |
| Точ.пр. | 50 | 50 | 120,04 | 100 | 2590,65 |
| Точ.ок. | 30 | 30 | 80,03 | 5 | 225,04 |
| Шлиф.одн | 10 | 10 | 40,01 | 0 | 140,03 |
общ=
=
=2000,65 мкм
где см =2000 мкм
кор =Δ к×D=0,5×102=51 мкм
пр.точ=Ку1×общ=0,06×2000,65=120,039 мкм
Характеристики
Тип файла документ
Документы такого типа открываются такими программами, как Microsoft Office Word на компьютерах Windows, Apple Pages на компьютерах Mac, Open Office - бесплатная альтернатива на различных платформах, в том числе Linux. Наиболее простым и современным решением будут Google документы, так как открываются онлайн без скачивания прямо в браузере на любой платформе. Существуют российские качественные аналоги, например от Яндекса.
Будьте внимательны на мобильных устройствах, так как там используются упрощённый функционал даже в официальном приложении от Microsoft, поэтому для просмотра скачивайте PDF-версию. А если нужно редактировать файл, то используйте оригинальный файл.
Файлы такого типа обычно разбиты на страницы, а текст может быть форматированным (жирный, курсив, выбор шрифта, таблицы и т.п.), а также в него можно добавлять изображения. Формат идеально подходит для рефератов, докладов и РПЗ курсовых проектов, которые необходимо распечатать. Кстати перед печатью также сохраняйте файл в PDF, так как принтер может начудить со шрифтами.















