123006 (689332), страница 2
Текст из файла (страница 2)
(2.12)
|
| где |
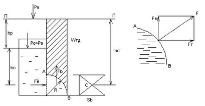
| Рисунок 2.9 – Схема для определения силы давления жидкости |
- гидростатическое давление в центре тяжести поверхности.
Таким образом, полная сила давления на плоскую стенку равна произведению площади этой стенки на величину гидростатичес- кого давления
в ее центре тяжести.
Выражение (2.11) можно представить в виде
(2.13)
где
(2.14)
(2.15)
Сила
представляет собой силу поверхностного давления
. Поскольку давление
распределено равномерно по всей площади смоченной части поверхности, его равнодействующая приложена в центре тяжести этой поверхности.
Сила
обусловлена давлением самой жидкости. Сила
приложена в центре давления Д, координату которого определяют по формуле
, (2.16)
где
- момент инерции плоской фигуры относительно оси ОХ.
Для прямоугольника
(b-ширина, h-высота фигуры), для круга диаметром d
.
2.6 Сила давления жидкости на криволинейные цилиндрические поверхности
Сила давления жидкости на криволинейную цилиндрическую поверхность (рис.2.10) складывается из горизонтальной
и вертикальной
составляющих
. (2.17)
Горизонтальная составляющая
равна силе давления жидкости на вертикальную проекцию данной стенки
(2.18)
где
- расстояние от свободной поверхности жидкости до центра тяжести ее вертикальной проекции;
-площадь вертикальной проекции.
Вертикальная составляющая
равна весу жидкости в объеме тела давления
, т.е.
. (2.19)
Объем тела давления - объем, заключенный между данной стенкой, свободной поверхностью жидкости и вертикальными плоскостями, проходящими по контуру стенки.
3 Основы гидродинамики
3.1 Основные понятия о движении жидкости. Уравнение расхода (неразрывности)
Основной задачей гидродинамики является изучение законов движения жидкости.
Движение жидкости может быть установившимся и неустановившимся.
При установившемся движении жидкости скорость и давление во всех ее точках не изменяется с течением времени . При неустановившемся движении скорость и давление жидкости изменяются во времени.
При движении частиц жидкости различают линию тока, элементарную струйку, живое сечение.
Линией тока называется линия, касательная к каждой точке которой в данный момент времени совпадает с вектором скорости (рис.3.1).
Бесконечно малый объем, ограниченный линиями тока, называется элементарной струйкой. Предполагается, что поток движущейся жидкости состоит из отдельных элементарных струек.
Живое сечение потока - это поверхность в пределах потока жидкости , перпендикулярная в каждой своей точке к вектору соответствующей местной скорости в этой точке.
Расходом называется количество жидкости, протекающее через живое сечение в единицу времени. В гидравлике применяют объемный расход Q,
:
(3.1)
где V-средняя скорость; S- площадь живого сечения.
При установившемся движении расход через все живые сечения потока одинаков:
. (3.2)
Выражение (3.2) называется уравнением расхода или уравнением неразрывности потока.
3.2 Уравнение Бернулли
Уравнение Бернулли является основным уравнением гидродинамики. Для двух сечений потока 1-1 и 2-2 реальной жидкости при установившемся движении уравнение Бернулли имеет вид
, (3.3)
где
и
- геометрический напор(удельная потенциальная энергия положения) в сечениях 1-1 и 2-2,м;
и
- пьезометрический напор (удельная потенциальная энергия давления ) в сечениях, м;
– скоростной напор (удельная кинетическая энергия ) в сечениях, м;
,
- избыточное давление в сечениях, Па;
,
- средние по живому сечению трубы скорости потока в сечениях,
;
- коэффициенты кинетической энергии(коэффициенты Кориолиса) в сечениях;
- плотность жидкости,
;
-потери напора в трубе между сечениями, м.
|
|
| Рисунок 3.3 – Графическая иллюстрация уравнения Бернулли |
Коэффициент кинетической энергии
учитывает неравномерность поля скоростей в рассматриваемом живом сечении. Величина этого коэффициента зависит от режима течения жидкости: для ламинарного течения
=2, для турбулентного
=1,05-1,15(
).
Все члены уравнения Бернулли в формуле (3.3) имеют линейную размерность и в энергетическом смысле представляют удельную энергию жидкости, т.е. энергию, отнесенную к единице веса жидкости.
Сумма всех трех членов
+
=H представляет собой полный напор в сечениях.
Графическая иллюстрация уравнения Бернулли показана на рис.3.3. Линия
показывает изменение полных напоров в сечениях 1-1 и 2-2 и называется напорной линией или линией полного напора, линия
- изменение пьезометрических напоров и называется пьезометрической линией.
3.3 Режимы движения жидкости
Силы вязкости в жидкости существенно влияют на величину и распределение скоростей движения жидкости, т.е. на характер ее движения.
Различают два режима движения: ламинарный и турбулентный. При ламинарном режиме жидкость движется отдельными слоями, пульсаций скоростей и давлений не наблюдается. Турбулентный режим характеризуется неупорядоченным, хаотичным движением частиц и интенсивным перемешиванием жидкости.
Критерием для определения режима движения является безразмерное число Рейнольдса. Для труб круглого сечения число Рейнольдса определяется по формуле
, (3.4)
где V – средняя скорость жидкости;
- диаметр трубы;
- кинематический коэффициент вязкости жидкости.
Экспериментально определено, что режим будет ламинарным, если
.
- критическое число Рейнольдса, при котором происходит переход ламинарного режима в турбулентный. Для круглых труб принимают
. Если число Рейнольдса находится в области
, то режим считается переходным, а при
- турбулентным.
Ламинарный режим возникает в тонких капиллярных трубках, во время движения очень вязких жидкостей, при фильтрации воды в слоях грунта и др. Движение маловязких жидкостей (вода, бензин, спирт) почти всегда происходит в турбулентном режиме.
4 Гидравлические сопротивления
4.1 Общие сведения о гидравлических потерях
Движение вязкой жидкости сопровождается потерями энергии.
Потери удельной энергии (напора), или гидравлические потери, зависят от формы, размеров русла, скорости течения и вязкости жидкости.
В большинстве случаев гидравлические потери
пропорциональны скорости течения жидкости во второй степени или динамическому напору
и определяются из выражения
(4.1)
где
- коэффициент потерь; V-средняя скорость в сечении.
Потери в единицах давления
. (4.2)
Гидравлические потери энергии обычно разделяют на местные потери и потери на трение по длине
. (4.3)
Местные потери энергии обусловлены так называемыми местными гидравлическими сопротивлениями, т.е. местными изменениями формы и размеров русла, вызывающими деформацию потока. При протекании жидкости через местные сопротивления изменяется ее скорость и возникают вихри.
Примером местных сопротивлений может служить задвижка (рис.4.1).
Местные потери напора определяются по формуле Вейсбаха
, (4.4)
где V-средняя скорость в трубе;
-коэффициент местного сопротивления.
Потери на трение по длине
-это потери энергии, которые возникают в прямых трубах постоянного сечения и возрастают прямо пропорционально длине трубы (рис.4.2).
Рассматриваемые потери обусловлены внутренним трением жидкости в трубах. Потери напора при трении определяются по формуле Дарси-Вейсбаха
, (4.5)
где λ – коэффициент гидравлического трения по длине или коэффициент Дарси; l – длина трубопровода; d –его диаметр; V – средняя скорость течения жидкости.
|
|
| Рисунок 4.2 – Потери напора по длине трубы |
Для ламинарного режима движения жидкости в круглой трубе коэффициент
определяется по теоретической формуле
, (4.6)
где
число Рейнольдса.
При турбулентном режиме коэффициент
зависит от числа Рейнольдса Re и относительной шероховатости
(
-эквивалентная шероховатость) и определяется по эмпирическим формулам.
В области гидравлически гладких труб 4000
. (4.7)
В переходной области (
) на коэффициент Дарси влияют шереховатость и число Рейнольдса. В этой области для вычислений используют формулу Альтшуля
. (4.8)
В квадратичной области сопротивления (области гидравлически шероховатых труб) коэффициент
может быть найден по формуле Шифринсона
. (4.9)
4.2 Местные сопротивления
В местных гидравлических сопротивлениях, вследствие изменения конфигурации потока на коротких участках, изменяются скорости движения жидкости по величине и направлению, а также образуются вихри. Это и есть причиной местных потерь напора. Местными сопротивлениями являются расширения и сужения русла, поворот, диафрагма, вентиль, кран и т.п. (рис.4.3).
Потери напора в местных сопротивлениях определяются по формуле (4.4).
При турбулентном режиме коэффициент
зависит в основном от вида местного сопротивления, а при ламинарном- от числа Рейнольдса. Для всех местных сопротивлений этот коэффициент определяется экспериментально .
| Рисунок 4.3 – Местные гидравлические сопротивления: а – задвижка; б – диафрагма; в – поворот; г – вентиль |
Рассмотрим некоторые местные сопротивления.
Внезапное (резкое) расширение трубы (рис.4.4).
|
| При внезапном расширении трубы поток срывается с угла и постепенно расширяется. Между потоком и стенкой трубы образуются вихри, которые и являются причиной потерь энергии. Потери напора в этом случае определяют по теореме Борда |
| Рисунок 4.4 – Внезапное расширение трубы |
(4.10)
где
и
- скорость жидкости впереди и после внезапного сужения.
Формулу (4.9) можно записать в виде:
. (4.11)















