123006 (689332), страница 5
Текст из файла (страница 5)
Если гидроаппарат изменяет параметры потока рабочей жидкости, то он является регулирующим.
Гидроаппараты можно разделить на три основных типа:
а) гидрораспределители; б) гидроклапаны; в) гидродроссели.
Рассмотрим кратко каждый тип гидроаппарата.
1 Гидрораспределители. Гидрораспределитель – это гидроаппарат, предназначенный для изменения направления потока рабочей жидкости в двух или более гидролиниях. В зависимости от числа внешних гидролиний, подводимых к распределителю, гидрораспределители бывают двухлинейные, трехлинейные и т. д.; в зависимости от числа позиций запорно-регулирующего органа - двухпозиционные, трехпозиционные
|
| и т. д. Условное обозначение 4-линейного 3- позиционного распреде-лителя с электрическим управлением показано на рис.7.4. |
| Рисунок 7.4 – Условное обозначение распределителя |
Наиболее распространенным является золотниковый распределитель.
Потери давления рр в гидрораспределителе определяют по формуле
(7.12)
где Qном и рном – номинальная подача и потери напора на номинальной подаче (паспортные данные);
Qф - фактическая подача жидкости в гидроаппарате.
2 Гидроклапаны. Гидроклапаном называется гидроаппарат, в котором степень открытия проходного сечения изменяется под воздействием напора проходящей через него жидкости. Гидроклапаны бывают регулирующие и направляющие. К регулирующим относятся клапаны давления, предназначенные для регулирования давления в потоке рабочей жидкости. Из них наиболее широко применяются напорные и редукционные клапаны.
Напорные гидроклапаны делятся на предохранительные, которые предохраняют систему от давления, превышающего допустимое, и переливные, предназначенные для поддержания заданного уровня давления путём непрерывного слива рабочей жидкости во время работы.
Основные элементы шарикового напорного клапана показаны на рис. 7.5 .
|
| Принцип действия всех напорных клапанов одинаков и основан на уравновешивании силы давления рабочей жидкости, действующей на клапан, усилием пружины (рис. 7.6). |
| Рисунок 7.5 – Схема предохра-нительного клапана |
|
| Сила давления пружины Fпр уравновешивается силой давления жидкости Fдавл, действующей на запорный элемент. При условии Fпр = Fдавл – клапан закрыт. Сила давления Fдавл определяется из условия: |
| Рисунок 7.6 – Принцип действия напорного клапана |
Fдавл = р
, (7.13)
где р- давление жидкости в системе; dy – диаметр седла клапана (условного прохода жидкости).
Когда давление жидкости в системе превысит заданное, то Fпр< Fдавл, запорно-регулирующий орган клапана смещается и открывает проход рабочей жидкости на слив.
Редукционные клапаны предназначены для поддерживания в отводимом потоке стабильного давления р2, более низкого, чем давление р1 в подводимом потоке. Их применяют при питании от одного насоса нескольких потребителей, требующих разных давлений.
Направляющие (обратные) клапаны пропускают жидкость только в одном заданном направлении.
2 Гидравлические дроссели. Гидродроссель – это регулирующий гидроаппарат, представляющий собой специальное местное сопротивление, предназначенное для изменения давления в потоке рабочей жидкости. Основное назначение его – установить связь между пропускаемым расходом и перепадом давления до и после дросселя. Дроссели разделяют на регулируемые и нерегулируемые. Регулируемые дроссели (условное обозначение показано на рис 7.7) широко применяют в гидроприводе для регулирования скорости движения выходного звена гидродвигателя.
|
| |
| Рисунок 7.7 – Условное обозна-чение регулируемого дросселя | Рисунок 7.8 – Схема игольча-того дросселя |
В системах гидроавтоматики распространены игольчатые, щелевые и винтовые дроссели. Схема игольчатого дросселя показана на рис. 7.8. Изменение площади проходного сечения дросселя достигается за счет осевого перемещения иглы.
Расход жидкости через дроссель любой конструкции определяется по формуле
Qдр =
S др
, (7.14)
где
– коэффициент расхода дросселя, для игольчатых дросселей μ = 0,75 – 0,8; S др – площадь проходного сечения дросселя; △р = р1– р2 - перепад давления на дросселе; ρ – плотность жидкости.
8 Принципиальная схема гидропривода. Пневматический привод
8.1 Принципиальная схема гидропривода
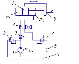
Принципиальная схема гидропривода возвратно-поступательного движения показана на рис. 8.1.
|
| Насос забирает жидкость из бака 9 и через дроссель 3 и распределитель 4 подает ее в рабочую полость гидроцилиндра 5. Под действием давления рр поршень перемещается вправо и преодолевает нагрузку F, сдвигая стол рабочей машины 6. Из гидроцилинд-ра жидкость сливается через другой канал распределителя 4, подпорный клапан 7 и фильтр 8 в бак 9. |
| Рисунок 8.1 – Принципиальная схема гидропривода: 1 – насос; 2 – клапан напорный; 3 – дроссель; 4 – распределитель; 5 – гидроцилиндр; 6 – стол рабочей машины; 7 – клапан подпорный; 8 – фильтр; 9 - бак |
Изменение направления движения поршня гидроцилиндра 5 производится изменением позиции распределителя 4. Дроссель 3- регулируемый и позволяет изменять площадь проходного сечения, тем самым изменяя расход жидкости, поступающей в гидроцилиндр Qц. При этом изменяется скорость Vn передвижения поршня гидроцилиндра и соответственно стола рабочей машины : (
). Клапан подпорный 7 обеспечивает плавность хода поршня гидроцилиндра.
8.2 Общие сведения о пневмоприводе
Пневмоприводом называется совокупность устройств, предназначенных для приведения в действие машин и механизмов посредством сжатого газа. Обычно в пневмоприводах рабочей средой является сжатый воздух.
Пневмопривод используется в станках, тормозных системах, полиграфических машинах, пневмороботах, пневматическом инструменте и др. В сравнении с гидроприводом пневмопривод имеет как преимущества, так и недостатки.
Преимущества пневмопривода следующие: а) небольшие потери давления в пневмолиниях; б) возможность использования в пожароопасных помещениях; в) экологичность.
Недостатками пневмопривода являются большой шум, необходимость устройства смазывающих систем и меньшая мощность в сравнении с гидроприводом.
Функциональная схема пневмопривода (рис. 8.2) аналогична схеме гидропривода, только вместо энергии жидкости используется пневмоэнергия, а вместо гидродвигателя и насоса используются пневмодвигатель и компрессор.
Рисунок 8.2 – Схема пневмопривода:
1 – компрессор; 2- фильтр-влагоотделитель; 3 – редукционный клапан; 4 – манометр; 5 – маслораспылитель; 6 – распределитель; 7 – пневмоцилиндр;8 – выход в атмосферу
Рассмотрим принцип работы пневмопривода.
Сжатый воздух от компрессора 1 подводится на вход пневмораспределителя 6. Поток воздуха перед этим проходит через фильтр – влагоочиститель 2, очищается от механических частиц ( пыли, продуктов износа, корозии) и водяного пара. Далее при помощи редукционного клапана 3 регулируется и поддерживается на установленном уровне давление воздуха, которое контролируется манометром 4.
Маслораспылитель 5 насыщает воздух мелкими капельками масла и обеспечивает смазку двигающихся элементов пневмопривода. Двухпозиционный пневмораспределитель 6 в каждой из позиций устанавливает направление движения поршня пневмоцилиндра 7. Отработанный воздух выходит в атмосферу 8.















