31128 (689245), страница 2
Текст из файла (страница 2)
Диаметр условного прохода Dy, мм 10; 20; 32; 40; 50; 65;
80; 100; 150; 200
Измеряемый массовый расход, т/ч
- наименьший, Qv наим 0,028 – 11,32
- переходной, Qv п1 0,13 – 52,7
- наибольший, Qv наиб 3,4 - 1358
Наибольшая температура измеряемой жидкости, °С 150
Минимальные длины прямолинейных участков 3Dy и 2Dy
Максимальное давление в трубопроводе, МПа 2,5
Питание расходомера
Средний срок службы 12 лет
Межповерочный интервал - 4 года.
Описание стенда
Лаботрный стенд включает в себя:
-
Бак с водой;
-
Насос “Кама”;
-
Напорная ёмкость;
-
Исполнительный механизм (ИМ): электродвигатель 27 В пост. ток;
-
Регулирующий орган: шаровый кран Дy=25 mm;
-
Электромиагнитный преобразователь расхода ВЗЛЕТ 410 ЭР;
-
Измерительная ёмкость с датчиками уровня и электомагнитным клапаном;
-
Секундомер;
-
Блок управления (ключи и кнопки управления + уровнемер);
Рис. 2 Функциональная схема стенда
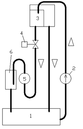
Вода из бака (1) подается в напорную емкость (3), при помощи насоса (2). Напорная емкость служит для стабилизации давления в системе, путем поддержания постоянного столба воды.Вода из напорной емкости через регулирующий клапан (4) и преобразователь расхода Метран 300ПР (5) самотеком поступает в измерительную емкость (6). Регулирующий орган и исполнительный механизм (4) служат для изменения расхода. Процент открытия РО можно задать при помощи кнопок “больше”, “меньше”. При нажатии кнопки “пуск” закрывается клапан и измерительная емкость заполняется водой. По мере заполнения емкости срабатывают датчики уровня и реализуется следующий алгоритм:
-
при нижнем уровне - включается секундомер;
-
при вехнем уровне – останавливается секундомер, автоматически открывается клапан для сброса воды. После сброса изменяется расход (процент открытия РО) при помощи кнопок “больше”, “меньше” - система готова к новому циклу.
Принцип действия Преобразователя расхода Метран-300ПР
Метран-300 ПР - вихреакустический преобразователь объемного расхода с ультразвуковым детектированием вихрей, предназначен для технологического и коммерческого учета расхода и объема воды и водных растворов в составе теплосчетчиков или счетчиков-расходомеров в заполненных трубопроводах систем водо- и теплоснабжения.
Принцип действия преобразователя основан на ультразвуковом детектировании вихрей, образующихся в потоке жидкости при обтекании ею призмы, расположенной поперек потока.
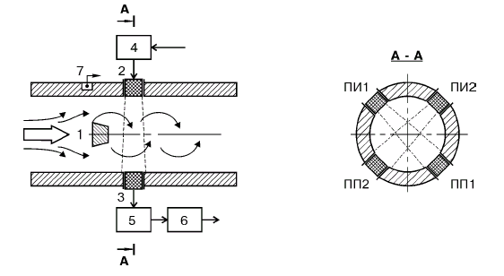
Преобразователь состоит из проточной части и электронного блока (рис. 1). В корпусе проточной части расположены тело обтекания - призма трапецеидальной формы (1), пьезоизлучатели ПИ1, ПИ2 (2), пьезоприемники ПП1, ПП2 (3) и термодатчик (7).
Электронный блок включает в себя генератор (4), фазовый детектор (5), микропроцессорный адаптивный фильтр с блоком формирования выходных сигналов (6), собранные на двух печатных платах: приемника и цифровой обработки.
На плате цифровой обработки расположены два светодиода - зеленый и красный, выполняющие функцию индикаторов состояния преобразователя. Зеленый светодиод сигнализирует о нормальной работе преобразователя, а красный загорается при расходе меньшем, чем Q min, либо хаотичном характере процесса вихреобразования.
Тело обтекания расположено на входе жидкости в проточную часть. При обтекании этого тела потоком жидкости за ним образуется вихревая дорожка, частота следования вихрей в которой с высокой точностью пропорциональна расходу.
За телом обтекания в корпусе проточной части расположены диаметрально противоположно друг другу две пары стаканчиков, в которых собраны ультразвуковые пьезоизлучатели ПИ1, ПИ2 и пьезоприемники ПП1, ПП2. На ПИ1, ПИ2 от генератора подается переменное напряжение, которое преобразуется в ультразвуковые колебания. Пройдя через поток, эти колебания в результате взаимодействия с вихрями оказываются модулированными по фазе. На ПП1, ПП2 ультразвуковые колебания преобразуются в электрические и подаются на фазовый детектор.
Две пары пьезоэлементов "излучатель-приемник" обеспечивают компенсацию влияния паразитных факторов (вибрация трубопровода, пульсация давления), возникающих в проточной части.
Для увеличения динамического диапазона преобразователя за счет измерения малых расходов, где характеристика преобразователя нелинейная и зависит от температуры теплоносителя, в проточную часть установлен термодатчик. Сигнал от него автоматически вводится в программу вычисления расхода в области малых его значений.
На фазовом детекторе определяется разность фаз между сигналами с приемников первой и второй пары. На выходе фазового детектора образуется напряжение, которое по частоте и амплитуде соответствует интенсивности и частоте следования вихрей, которая в силу пропорциональности скорости потока является мерой расхода.
Для фильтрации случайных составляющих сигнал с фазового детектора подается на микропроцессорный адаптивный фильтр и затем в блок формирования выходных сигналов. Для повышения достоверности показаний при обработке сигнала вычисляется дисперсия периода колебаний вихрей.
Таким образом, в результате преобразований и программной обработки модуль формирует импульсный выходной сигнал.
Проточная часть преобразователя расхода представляет собой полый цилиндр специальной конструкции, в котором установлены тело обтекания, термодатчик и вварены стаканчики с пъезоэлементами. Установка преобразователя на трубопроводе про из водится с помощью патрубков и фланцев. Геометрическая форма патрубков на входе и выходе про точной части обеспечивает сохранение метрологических характеристик и снижает требования к длине прямых участков трубопроводов до и после места установки преобразователя.
Для увеличения срока службы преобразователя его проточная часть изготовлена из нержавеющей стали.
Технические характеристики:
Выходной сигнал преобразователя:
-
токоимпульсный (ТИ)
Параметры выходных сигналов:
-
ток нагрузки токоимпульсного выходного от 7 до 10 мА
-
сопротивление нагрузки токоимпульсного выходного сигнала от 0 до 1,8 кОм (при напряжении питания 36В), нагрузка должна быть связана с землей.
Питание: 18-36 В постоянного тока.
Таблица 1.
Основные технические параметры.
| Наименование преобразователя | Dy, мм | Пределы измерения | ||
|
| м3/ч | |||
|
| Q max | Q ном | Q min | |
| Метран-300ПР-25 | 25 | 9 | 7,5 | 0,18 |
Основные достоинства преобразователя:
- межповерочный интервал - 3 года;
- высокая надежность, стабильность в течение длительного времени;
- отсутствие в проточной части подвижных элементов;
- надежная работа при наличии вибрации трубопровода, изменений температуры и давления рабочей среды;
- малые длины прямых участков трубопроводов в месте установки преобразователя;
-
самодиагностика.
Поверка преобразователя
Поверка производится проливным или имитационным методом, согласно методике, утвержденной госстандартом РФ, а также в соответствии с требованиями РД 50-660.
Для поверки преобразователя расхода Метран-300ПР имитационным методом применяют имитатор расхода "Метран-550ИР". "Метран-550ИР" предназначен для формирования и выдачи сигнала, имитирующего вихреобразование в проточной части преобразователя расхода при соответствующем значении расхода жидкости, а также для измерения периода выходных сигналов вихревых преобразователей расхода. Имитатор может применяться не только для поверки преобразователей, но и для их настройки и проверки работоспособности в процессе эксплуатации непосредственно на объекте без демонтажа с трубопровода.
Разработанная методика беспроливной и бездемонтажной поверки вихреакустических преобразователей расхода серии "Метран" с помощью имитатора "Метран-550ИР" утверждена в Госстандарте РФ.
Преобразователь расхода "Метран-300ПР" применяется как основной элемент счетчиков тепла. Но в ряде случаев на объектах промышленного и жилищно-коммунального хозяйства необходимо учитывать расход и объем энергоносителей и отображать эти значения. Поэтому был разработан и серийно выпускается счетчик-расходомер "Метран-З10Р". Его основу составляет преобразователь расхода "Метран-300ПР". Счетчик является составным изделием, включающим в себя первичные преобразователи расхода и температуры, а также вычислительное устройство (вычислитель расхода "Метран-310ВР"), что позволяет рассчитывать массовый расход и массу теплоносителя и, при необходимости, отдельно учитывать количество горячей воды с заданной температурой.
Проведение поверки проливным методом производится согласно методики поверки на преобразователь расхода Метран-300ПР и Метран-310ВР. Определение относительной погрешности расходомера производится по показаниям измеренных значений расходов полученных на трех поверочных расходах. Эталоном на данной поверочной установке является мерная емкость с калиброванным объемом 8 литров, эталоном времени секундомер, встроенный в стенд (или таймер контроллера).
При проведении поверки в ручном режиме работы стенда, вихреакустический расходомер Метран-300ПР работает в комплекте с вычислителем расхода Метран-310ВР. Показания мгновенного расхода, используемые для расчета погрешностей отображаются на ЖКИ Метран-310ВР.
















