122800 (689235), страница 4
Текст из файла (страница 4)
U6р=10В;
базисный ток системы регулирования:
Iбр=0,5 мА.
Рассчитаем производные базисные величины:
базисное сопротивление для силовых цепей:
R б =Uб/Iб=192,76/42=4,59 Ом
базисное сопротивление для системы регулирования:
R бр =Uбр/Iбр=10/0,5*10-3=20000 Ом
Механическая постоянная времени электропривода зависит от суммарного момента инерции и принятых базисных значений скорости и момента:
Расчёт параметров силовой части электропривода в относительных единицах.
На рис. 8. показана структурная схема модели силовой части электропривода как объекта управления. Переменные модели выражены в относительных единицах. В модель входят следующие звенья:
- тиристорный преобразователь (ТП) - пропорциональное звено с коэффициентом передачи kП;
- главная цепь (ГЦ) - апериодическое звено с электромагнитной постоянной времени Т3 и коэффициентом передачи, равным
, т.е. эквивалентной проводимости главной цепи в относительных единицах;
- механическая часть (МЧ) - интегрирующее звено с механической постоянной времени Tj;
- звенья умножения на магнитный поток
(поток рассматривается в модели как постоянный параметр).
Входные величины модели представляют собой управляющее воздействие UУ (сигнал управления на входе преобразователя) и возмущающее воздействие mC (момент статического сопротивления на валу двигателя).
Переменными модели являются:
- ЭДС преобразователя ed;
- ЭДС якоря двигателя ея;
- ток якоря двигателя iя;
- электромагнитный момент двигателя m;
- угловая скорость двигателя
.
Рис. 8 Структурная схема объекта управления
Определим параметры электропривода в относительных единицах:
- коэффициент передачи преобразователя:
- эквивалентное сопротивление главной цепи:
- сопротивление цепи якоря двигателя:
- магнитный поток двигателя:
Расчет коэффициентов передачи датчиков
Рассчитаем коэффициенты передачи датчиков в абсолютных единицах так, чтобы при максимальном значении величины, измеряемой датчиком, напряжение на выходе датчика было равно базисному напряжению регулирующей части.
Коэффициент передачи датчика тока:
IЯ(max) - максимальный ток якоря по перегрузочной способности двигате-ля. Максимальный ток определяется по формуле
Коэффициент передачи датчика напряжения:
Коэффициент передачи датчика скорости:
Рассчитаем коэффициенты датчиков в относительных единицах.
Коэффициент передачи датчика тока:
Коэффициент передачи датчика напряжения:
Коэффициент передачи датчика скорости:
Разработка системы управления электроприводом
Выбор типа системы управления электроприводом
В курсовом проекте проектируется аналоговая система управления электроприводом. Система управления строится по принципу подчиненного регулирования координат.
Каждый электропривод снабжается системой автоматического регулирования (САР), предназначенной для изменения по заданному закону основной координаты электропривода, регулирования и ограничения промежуточных координат. В системе регулирования скорости основной координатой является скорость двигателя, а промежуточной — ток якоря. В САР основной координатой является положение исполнительного органа механизма, а скорость и ток — промежуточными.
Система регулирования замкнутая (с обратной связью), т.е. заданное значение координаты сравнивается с фактическим и их разность, усиленная и преобразованная в регуляторе, в конечном счете, воздействует на вход СИФУ тиристорного преобразователя якоря или возбуждения электродвигателя. Системы построены по принципу подчиненного регулирования, в соответствии с которым САР разбивается на несколько контуров, один из этих контуров является внешним, на его входе сравниваются задание и фактическое значение основной координаты. Выход внешнего контура является задающим сигналом для промежуточного контура, на входе которого сравниваются выходной сигнал внешнего контура и фактическое значение промежуточной координаты, и т.д., а выход внутреннего контура воздействует на вход СИФУ.
Выбор структуры системы управления электропривода производится с учетом требований технического задания на электропривод. Основными требованиями к электроприводу являются: поддержание заданной скорости вращения электропривода (с учетом требуемых диапазона регулирования скорости, допустимой статической погрешности поддержания скорости), величина токоограничения при упоре, ускорение электропривода при пуске.
В качестве внутреннего контура принимаем контур регулирования тока якоря. Он применяется, если требуется обеспечить:
-ограничение тока якоря допустимым значением при перегрузках электропривода;
- пуск или торможение электропривода с максимально возможным темпом;
- дополнительную коррекцию во внешнем контуре регулирования скорости.
В качестве внешнего контура принимаем контур регулирования скорости.
Рассмотрим функциональную схему системы управления электроприводом (рис 9). Система управления электроприводом представляет собой двухконтурную систему автоматического регулирования (САР) скорости. Внутренним контуром системы является контур регулирования тока якоря, внешним и главным контуром - контур регулирования скорости.
Для проектируемого электропривода выбираем однократную систему регулирования скорости. Однократная САР скорости по сравнению с двукратной не обладает астатизмом по возмущающему воздействию (моменту сопротивления), однако для проектируемой системы обеспечение такого астатизма не требуется. Однократная САР скорости обладает лучшими динамическими свойствами по сравнению с двукратной САР. Для контуров регулирования тока якоря и скорости применяется настройка на модульный оптимум. Данную настройку обеспечивают пропорционально интегральный регулятор тока (РТ) и пропорциональный регулятор скорости (PC). Плавное ускорение и замедление привода обеспечиваются с помощью задатчика интенсивности (ЗИ). Для разгона или торможения привода задатчик интенсивности формирует линейно изменяющийся во времени сигнал задания на скорость.
Сигналы обратных связей поступают в систему регулирования от датчиков тока якоря (ДТ), напряжения якоря (ДН) и скорости (ДС). Датчики состоят из измерительного элемента и устройства согласования. Измерительным элементом для датчика тока якоря является шунт в цепи якоря Rш, для датчика напряжения - делитель напряжения Rд, для датчика скорости - тахогенератор (ТГ). Устройство согласования обеспечивает необходимый коэффициент передачи датчика и гальваническую развязку силовых цепей от цепей управления. Косвенный датчик ЭДС (ДЭ) вычисляет ЭДС якоря по сигналам датчиков тока и напряжения. Сигнал ЭДС через звено компенсации (ЗК) подается на вход регулятора тока, что требуется для компенсации отрицательного влияния ЭДС якоря на процессы в контуре тока.
Рис. 9 .Функциональная схема системы управления электроприводом.
Некомпенсируемая постоянная времени Тµ закладывается в фильтрах Ф1 и Ф2. Эти фильтры обеспечивают защиту объекта управления от высокочас-тотных помех. Величина Тµ, принятая при проектировании системы, определяет быстродействие контура регулирования тока и всей системы в целом.
Управляющим воздействием на объект управления (силовую часть электропривода) является напряжение управления Uy. Напряжение управления подается на вход системы импульсно-фазового управления тиристорного преобразователя, которая регулирует угол управления, т.е. фазу подачи управляющих импульсов на тиристоры.
Нелинейные элементы НЭ1 и НЭ2 предназначены для ограничения координат системы. Элемент НЭ1 ограничивает выходной сигнал регулятора тока, а следовательно, напряжение управления преобразователя и его выходную ЭДС. Элемент НЭ2 ограничивает выходной сигнал регулятора скорости, тем самым ограничивается сигнал задания тока и сам ток якоря.
Расчет регулирующей части контура тока якоря
Расчет параметров математической модели контура тока якоря
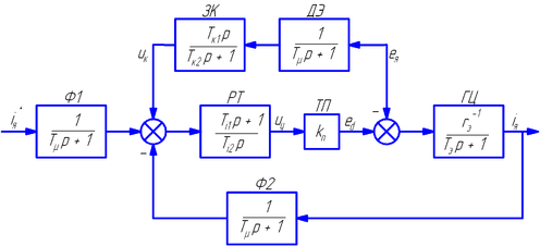
Рассмотрим структуру и выполним расчет параметров модели контура тока, используя систему относительных единиц. Структурная схема контура тока представлена на рис.10. В контуре тока находятся звенья регулятора тока (РТ), фильтра (Ф), тиристорного преобразователя (ТП) и главной цепи (ГЦ). На структурной схеме фильтр показан внутри контура, что эквивалентно наличию фильтра в цепи задания и обратной связи (см. рис.9). Обратная связь по току при рассмотрении относительных величин принимается единичной. На процессы в контуре тока влияет ЭДС якоря двигателя, которую можно считать возмущающим воздействием. При отсутствии ЭДС якоря (якорь неподвижен) в контуре тока можно рассматривать одно звено объекта управления с передаточной функцией:
Некомпенсируемую постоянную времени Тµ рекомендуется принять в пределах 0,004-0,01 с. Тµ=0,007с.
Рис.10 . Структурная схема контура регулирования тока якоря.
При синтезе регулятора тока влияние ЭДС якоря не учитывается. Передаточная функция регулятора тока находится по условию настройки контура на модульный оптимум:
Получаем передаточную функцию ПИ-регулятора. Параметры регулятора тока находятся по следующим формулам:
Контур регулирования тока при настройке на модульный оптимум описывается передаточной функцией фильтра Баттерворта 2-го порядка:
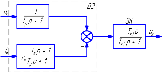
Влияние ЭДС якоря приводит к появлению статической ошибки по току, что ухудшает качество системы. Для компенсации данного влияния вводится положительная обратная связь по ЭДС якоря. Структурная схема контура тока с компенсацией ЭДС представлена на рис. 11. При выносе фильтра из контура он должен оказаться в цепи задания на ток (Ф1), в цепи обратной связи по току (Ф2) и в цепи обратной связи по ЭДС, где его удобно объединить с датчиком ЭДС. Таким образом, датчик ЭДС имеет небольшую инерционность, что является необходимым, т.к. безынерционный датчик ЭДС реализовать невозможно.
Рис.11.Структурная схема контура тока с компенсацией ЭДС.
Компенсирующий сигнал Uк подается на вход регулятора тока, а не не-посредственно в точку действия ЭДС якоря (между звеньями ТП и ГЦ). Поэтому влияние звеньев регулятора тока и преобразователя на прохождение компенсирующего сигнала необходимо устранить. Это достигается за счет включения в цепь обратной связи по ЭДС звена компенсации. Передаточная функция звена компенсации определяется по формуле
Таким образом, звено компенсации является реальным дифференцирующим звеном. Параметры звена компенсации находятся по следующим формулам:
В результате компенсации ЭДС статическая ошибка по току устраняется.
ЭДС якоря двигателя недоступна для прямого измерения. Косвенный датчик ЭДС якоря использует сигналы тока и напряжения якоря. Связь между током, напряжением и ЭДС якоря следует из уравнения электрического равновесия для якорной цепи. В области изображений по Лапласу это уравнение имеет вид:
Реализовать датчик ЭДС в полном соответствии с данным уравнением невозможно, т.к. требуется идеальное форсирующее звено. Поэтому внесем в датчик инерционное звено с постоянной времени Тµ. В результате уравнение датчика ЭДС принимает вид:
Данному уравнению соответствует структурная схема датчика ЭДС структурная схема датчика ЭДС, показанная на рис12. Также показано звено компенсации.














