108884 (689172), страница 2
Текст из файла (страница 2)
х
арактеристик транзистора,
.
(3.3.6)
(3.3.7)
(3.3.8)
Рассчитывая по формулам 3.3.2 и 3.3.5, получаем следующие координаты рабочей точки:
Ом
Ом
мА,
В.
А
Найдём потребляемую мощность и мощность рассеиваемую на коллекторе
Вт.
Вт.
Выбранное сопротивление Rос обеспечивает заданный диапазон частот.
Нагрузочные прямые по переменному и постоянному току для выходного каскада представлены на рисунке 3.2
Ik [A]


7
12

Rп
R~
0.334
0.147
Uk [B]
Рисунок 3.3
2.Расчет рабочей точки при использовании активного сопротивления Rk в цепи коллектора.
Схема каскада приведена на рисунке 3.4.
ЕП
R
ос





RK

C
ос
VT
2
C
р










R
н
C
н



Рисунок 3.4
Выберем Rк=Rн =1000 (Ом).
Координаты рабочей точки можно приближённо рассчитать по следующим формулам [1]:
(3.3.9)
(3.3.10)
(3.3.11)
Рассчитывая по формулам 3.3.20 и 3.3.21, получаем следующие значения:
Ом
Ом
Ом
мА,
В.
В.
Найдём потребляемую мощность и мощность рассеиваемую на коллекторе по формулам (3.3.7) и (3.3.8) соответственно:
Вт.
Вт.
Результаты выбора рабочей точки двумя способами приведены в таблице 3.1.
Таблица 3.1.
Eп, (В) | Iко, (А) | Uко, (В) | Pрасс.,(Вт) | Pпотр.,(Вт) | |
С Rк | 155.7 | 5 | 7 | 22.57 | 22.57 |
С Lк | 7 | 2.75 | 7 | 1.027 | 1.027 |
Из таблицы 3.1 видно, что для данного курсового задания целесообразно использовать дроссель в цепи коллектора.
Нагрузочные прямые по переменному и постоянному току для выходного каскада представлены на рисунке 3.5
Ik [A]


7

Rп
R~
Uk [B]
12
0.284
0.156
0.149
155.7
Рисунок 3.5
3.3.2 Выбор транзистора
Выбор транзистора осуществляется с учётом следующих предельных параметров:
-
граничной частоты усиления транзистора по току в схеме с ОЭ
;
-
предельно допустимого напряжения коллектор-эмиттер
;
-
предельно допустимого тока коллектора
;
-
предельной мощности, рассеиваемой на коллекторе
.
Этим требованиям полностью соответствует транзистор КТ 610 А . Его основные технические характеристики приведены ниже.
Электрические параметры:
-
Граничная частота коэффициента передачи тока в схеме с ОЭ
МГц;
-
Постоянная времени цепи обратной связи
пс;
-
Статический коэффициент передачи тока в схеме с ОЭ
;
-
Ёмкость коллекторного перехода при
В
пФ;
-
Индуктивность вывода базы
нГн;
-
Индуктивность вывода эмиттера
нГн.
Предельные эксплуатационные данные:
-
Постоянное напряжение коллектор-эмиттер
В;
-
Постоянный ток коллектора
мА;
-
Постоянная рассеиваемая мощность коллектора
Вт;
-
Температура перехода
К.
3.3.3 Расчёт эквивалентной схемы транзистора
3.3.3.1 Схема Джиаколетто
М ногочисленные исследования показывают, что даже на умеренно высоких частотах транзистор не является безынерционным прибором. Свойства транзистора при малом сигнале в широком диапазоне частот удобно анализировать при помощи физических эквивалентных схем. Наиболее полные из них строятся на базе длинных линий и включают в себя ряд элементов с сосредоточенными параметрами. Наиболее распространенная эквивалентная схема- схема Джиаколетто, которая представлена на рисунке 3.6. Подробное описание схемы можно найти [3].
Рисунок 3.6 – Схема Джиаколетто
Достоинство этой схемы заключается в следующем: схема Джиаколетто с достаточной для практических расчетов точностью отражает реальные свойства транзисторов на частотах f 0.5fт ; при последовательном применении этой схемы и найденных с ее помощью Y- параметров транзистора достигается наибольшее единство теории ламповых и транзисторных усилителей.
Расчитаем элементы схемы, воспользовавшись справочными данными и приведенными ниже формулами [2].
при В

Cк- емкость коллекторного перехода,
с- постоянная времени обратной связи,
о- статический коэффициент передачи тока в схеме с ОЭ.
Найдем значение емкости коллектора при Uкэ=10В по формуле :
(3.3.12)
г де Uкэо – справочное или паспортное значение напряжения;
Uкэо – требуемое значение напряжения.
Сопротивление базы рассчитаем по формуле:
(3.3.13)
Статический коэффициент передачи тока в схеме с ОБ найдем по формуле:
(3.3.14)
Найдем ток эмиттера по формуле:
(3.3.15)
А
Найдем сопротивление эмиттера по формуле:
(3.3.16)
где Iэо – ток в рабочей точке, занесенный в формулу в мА.
Проводимость база-эмиттер расчитаем по формуле:
(3.3.17)
Определим диффузионную емкость по формуле:
(3.3.18)
Крутизну транзистора определим по формуле:
(
3.3.19)
3.3.3.2 Однонаправленная модель
Поскольку рабочие частоты усилителя заметно больше частоты , то из эквивалентной схемы можно исключить входную ёмкость, так как она не влияет на характер входного сопротивления транзистора. Индуктивность же выводов транзистора напротив оказывает существенное влияние и потому должна быть включена в модель. Эквивалентная высокочастотная модель представлена на рисунке 3.7. Описание такой модели можно найти в [2].
Рисунок 3.7
Параметры эквивалентной схемы рассчитываются по приведённым ниже формулам [2].
Входная индуктивность:
, (3.3.20)
где –индуктивности выводов базы и эмиттера.
Входное сопротивление:
, (3.3.21)
где , причём
,
и
– справочные данные.
Крутизна транзистора:
, (3.3.22)
где ,
,
.
Выходное сопротивление:
. (3.3.23)
Выходная ёмкость:
. (3.3.24)
В соответствие с этими формулами получаем следующие значения элементов эквивалентной схемы:
нГн;
пФ;
Ом
Ом;
А/В;
Ом;
пФ.
3.3.4 Расчет полосы пропускания.
Проверим обеспечит ли выбранное сопротивлении обратной связи Rос, расчитанное в пункте 3.3.1, на нужной полосе частот требуемый коэффициент усиления, для этого воспользуемся следующими формулами[2]:
(3.3.25)
(3.3.26)
Найдем значение емкости коллектора при Uкэ=10В по формуле (3.3.12):
Найдем сопротивление базы по формуле (3.3.13):
Статический коэффициент передачи тока в схеме с ОБ найдем по формуле (3.3.14):
Найдем ток эмиттера по формуле (3.3.15):
А
Найдем сопротивление эмиттера по формуле (3.3.16):
Ом
Определим диффузионную емкость по формуле (3.3.18):
пФ
, (3.3.27)
, (3.3.28)
где Yн – искажения приходящиеся на каждый конденсатор;
дБ,
или
(3.3.29)
Гц
Выбранное сопротивление Rос обеспечивает заданный диапазон частот.
3.3.5 Расчёт цепей термостабилизации
Существует несколько вариантов схем термостабилизации. Их использование зависит от мощности каскада и от того, насколько жёсткие требования к термостабильности. В данной работе рассмотрены три схемы термостабилизации: пассивная коллекторная, активная коллекторная и эмиттерная.
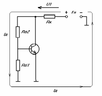
3.3.4.1 Пассивная коллекторная термостабилизация
Данный вид термостабилизации (схема представлена на рисунке 3.8) используется на малых мощностях и менее эффективен, чем две другие, потому что напряжение отрицательной обратной связи, регулирующее ток через транзистор подаётся на базу через базовый делитель.
Рисунок 3.8
Расчёт, подробно описанный в [3], заключается в следующем: выбираем напряжение (в данном случае 7В) и ток делителя
(в данном случае
, где
– ток базы), затем находим элементы схемы по формулам:
; (3.3.30)
, (3.3.31)
где – напряжение на переходе база-эмиттер равное 0.7 В;
. (3.3.32)
Получим следующие значения:
Ом;
Ом;
Ом.
3.3.4.2 Активная коллекторная термостабилизация
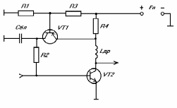
Активная коллекторная термостабилизация используется в мощных каскадах и является очень эффективной, её схема представлена на рисунке 3.9. Её описание и расчёт можно найти в [2].
Рисунок 3.9
В качестве VT1 возьмём КТ361А. Выбираем падение напряжения на резисторе из условия
(пусть
В), затем производим следующий расчёт:
; (3.3.33)
; (3.3.34)
; (3.3.35)
; (3.3.36)
, (3.3.37)
где – статический коэффициент передачи тока в схеме с ОБ транзистора КТ361А;
; (3.3.38)
; (3.3.39)
. (3.3.40)
Получаем следующие значения:
Ом;
мА;
В;
кОм;
А;
А;
кОм;
кОм.
Величина индуктивности дросселя выбирается таким образом, чтобы переменная составляющая тока не заземлялась через источник питания, а величина блокировочной ёмкости – таким образом, чтобы коллектор транзистора VT1 по переменному току был заземлён.
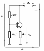
3.3.4.3 Эмиттерная термостабилизация
Для выходного каскада выбрана эмиттерная термостабилизация, схема которой приведена на рисунке 3.10. Метод расчёта и анализа эмиттерной термостабилизации подробно описан в [3].
Рисунок 3.10
Расчёт производится по следующей схеме:
1.Выбираются напряжение эмиттера и ток делителя
(см. рис. 3.4), а также напряжение питания
;
2. Затем рассчитываются .
3. Производится поверка – будет ли схема термостабильна при выбранных значениях и
. Если нет, то вновь осуществляется подбор
и
.
В данной работе схема является термостабильной при В и
мА. Учитывая то, что в коллекторной цепи отсутствует резистор, то напряжение питания рассчитывается по формуле
В. Расчёт величин резисторов производится по следующим формулам:
; (3.3.41)