108884 (689172), страница 3
Текст из файла (страница 3)
; (3.3.42)
. (3.3.43)
Для того, чтобы выяснить будет ли схема термостабильной производится расчёт приведённых ниже величин.
Тепловое сопротивление переход – окружающая среда:
, (3.3.44)
где
,
– справочные данные;
К – нормальная температура.
Температура перехода:
, (3.3.45)
где
К – температура окружающей среды (в данном случае взята максимальная рабочая температура усилителя);
– мощность, рассеиваемая на коллекторе.
Неуправляемый ток коллекторного перехода:
, (3.3.46)
где
– отклонение температуры транзистора от нормальной;
лежит в пределах
А;
– коэффициент, равный 0.063–0.091 для германия и 0.083–0.120 для кремния.
Параметры транзистора с учётом изменения температуры:
, (3.3.47)
где
равно 2.2(мВ/градус Цельсия) для германия и
3(мВ/градус Цельсия) для кремния.
, (3.3.48)
где
(1/ градус Цельсия).
Определим полный постоянный ток коллектора при изменении температуры:
, (3.3.49)
где
. (3.3.50)
Для того чтобы схема была термостабильна необходимо выполнение условия:
,
где
. (3.3.51)
Рассчитывая по приведённым выше формулам, получим следующие значения:
Ом;
Ом;
Ом;
Ом;
К;
К;
А;
Ом;
;
Ом;
А;
А.
Как видно из расчётов условие термостабильности не выполняется.
3.4 Расчёт входного каскада по постоянному току
3.4.1 Выбор рабочей точки
При расчёте требуемого режима транзистора промежуточных и входного каскадов по постоянному току следует ориентироваться на соотношения, приведённые в пункте 3.3.1 с учётом того, что
заменяется на входное сопротивление последующего каскада. Но, при малосигнальном режиме, за основу можно брать типовой режим транзистора (обычно для маломощных ВЧ и СВЧ транзисторов
мА и
В). Поэтому координаты рабочей точки выберем следующие
мА,
В. Мощность, рассеиваемая на коллекторе
мВт.
3.4.2 Выбор транзистора
Выбор транзистора осуществляется в соответствии с требованиями, приведенными в пункте 3.3.2. Этим требованиям отвечает транзистор КТ371А. Его основные технические характеристики приведены ниже.
Электрические параметры:
-
граничная частота коэффициента передачи тока в схеме с ОЭ
ГГц; -
Постоянная времени цепи обратной связи
пс; -
Статический коэффициент передачи тока в схеме с ОЭ
; -
Ёмкость коллекторного перехода при
В
пФ; -
Индуктивность вывода базы
нГн; -
Индуктивность вывода эмиттера
нГн.
Предельные эксплуатационные данные:
-
Постоянное напряжение коллектор-эмиттер
В; -
Постоянный ток коллектора
мА; -
Постоянная рассеиваемая мощность коллектора
Вт; -
Температура перехода
К.
3.4.3 Расчет входного каскада
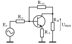
Как уже отмечалсь в качестве входного каскада будем испльзовать каскад с комбинированной отрицательной обратной связью состоящцю из
и
обладающая, как и выходной наибольшей широкополосностью, и одновременно играет роль согласующего устройства между выходным каскадом и генератором, его схема по переменному току изображена на рисунке 3.11.
Рисунок 3.11
Сопротивление обратной связи Rос находим исходя из следующих соотношений [2]:
(3.4.1)
(3.4.2)
Входное сопротивление выходного каскада равно сопротивлению генератора:
Ом.
Выбрали сопротивление в цепи эмиттера такое, чтобы выполнялись выше записанные равенства (3.4.1) и (3.4.2):
Ом.
Тогда исходя из соотношений (3.4.1) и (3.4.2) находим сопротивление обратной связи:
Ом.
3.4.4 Расчёт эквивалентной схемы транзистора
3.4.4.1 Схема Джиаколетто
Эквивалентная схема имеет тот же вид, что и схема представленная на рисунке 3.6. Расчёт её элементов производится по формулам, приведённым в пункте 3.3.3.1.
Расчитаем элементы схемы, воспользовавшись справочными данными и приведенными ниже формулами.
Ом
3.4.4.2 Однонаправленная модель
Эквивалентная схема имеет тот же вид, что и схема представленная на рисунке 3.7. Расчёт её элементов производится по формулам, приведённым в пункте 3.3.3.2
нГн;
пФ;
Ом
Ом;
А/В;
Ом;
пФ.
3.4.5 Расчет полосы пропускания
Проверим добъёмся ли нужной полосы частот при выбранном сопротивлении Rос, для этого воспользуемся следующими формулами [2]:
(3.4.3)
(3.4.4)
(3.4.5)
(3.4.6)
Используя формулы (3.3.18) и (3.3.19) найдем коэффициент N:
Используя формулы (3.3.12), (3.3.13), (3.3.14), (3.3.15), (3.3.16), (3.3.18), и характеристики транзистора приведенной в пункте 3.4.2, убедимся в том, что выбранное сопротивление обратной связи обеспечит на нужной полосе частот требуемый коэффициент усиления:
пФ.
мА.
Ом
пФ
Гц
раз.
Выбранное сопротивление Rос обеспечивает на заданном диапазоне частот коэффициент усиления равный 12дБ.
3.4.6 Расчёт цепи термостабилизации
Для входного каскада также выбрана эмиттерная термостабилизация, схема которой приведена на рисунке 3.10.
Метод расчёта схемы идентичен приведённому в пункте 3.3.4.3. Эта схема термостабильна при
В и
мА. Напряжение питания рассчитывается по формуле
В.
Рассчитывая по формулам 3.3.28–3.3.38 получим:
кОм;
кОм;
кОм;
кОм;
К;
К;
А;
кОм;
;
Ом;
мА;
мА.
Условие термостабильности выполняется, но в этом случае при использовании предложенной схемы каскада с комбинированной обратной связи не выполняются требуемые условия.
3.5 Расчёт разделительных и блокировочных ёмкостей
На рисунке 3.12 приведена принципиальная схема усилителя. Рассчитаем номиналы элементов обозначенных на схеме. Расчёт производится в соответствии с методикой описанной в [1]
Рисунок 3.12
Рассчитаем сопротивление и ёмкость фильтра по формулам:
, (3.5.1)
где
– напряжение питания усилителя равное напряжению питания выходного каскада;
– напряжение питания входного каскада;
– соответственно коллекторный, базовый токи и ток делителя входного каскада;
, (3.5.2)
где
– нижняя граничная частота усилителя.
Ом;
пФ.
, (3.5.3)
пФ.
, (3.5.4)
нФ.
Для расчета емкостей обратной связи Сoc1 и Coc2 воспользуемся следующим соотношением:
, (3.5.5)
пФ.
, (3.5.6)
пФ.
Для расчета емкостей обратной связи Сoc1 и Coc2 воспользуемся следующим соотношением:
, (3.5.7)
пФ.
Дроссель в коллекторной цепи выходного каскада ставится для того, чтобы выход транзистора по переменному току не был заземлен. Его величина выбирается исходя из условия:
. (3.5.8)
мкГн.
мкГн.
Так как ёмкости, стоящие в эмиттерных цепях, а также разделительные ёмкости вносят искажения в области нижних частот, то их расчёт следует производить, руководствуясь допустимым коэффициентом частотных искажений. В данной работе этот коэффициент составляет 3дБ. Всего ёмкостей три, поэтому можно распределить на каждую из них по 1дБ.
Величину разделительного конденсатора найдём по формуле:
, (3.5.9)
где
– допустимые частотные искажения.
R1– сопротивление предыдущего каскада.
R2– сопротивление нагрузки.
пФ.
пФ.
пФ.
4. Заключение
Рассчитанный усилитель имеет следующие технические характеристики:
1. Рабочая полоса частот: 10-100 МГц
2. Линейные искажения
в области нижних частот не более 3 дБ
в области верхних частот не более 3 дБ
3. Коэффициент усиления 30дБ с подъёмом области верхних частот 6 дБ
4. Амплитуда выходного напряжения Uвых=5 В
5. Питание однополярное, Eп=9 В
6. Диапазон рабочих температур: от +10 до +60 градусов Цельсия
Усилитель рассчитан на нагрузку Rн=1000 Ом
Литература
-
Красько А.С., Проектирование усилительных устройств, методические указания – Томск : ТУСУР, 2000 – 29 с.
-
Титов А.А. Расчет корректирующих цепей широкополосных усилительных каскадов на биполярных транзисторах – http://referat.ru/download/ref-2764.zip
-
Болтовский Ю.Г., Расчёт цепей термостабилизации электрического режима транзисторов, методические указания – Томск : ТУСУР, 1981
-
Титов А.А., Григорьев Д.А., Расчёт элементов высокочастотной коррекции усилительных каскадов на полевых транзисторах, учебно-методическое пособие – Томск : ТУСУР, 2000 – 27 с.
5 Полупроводниковые приборы: транзисторы. Справочник / Под ред.
Горюнов Н.Н. – 2-е изд. М.: Энергоатомиздат, 1985-903с.
Приложение А
Принципиальная схема представлена на стр. 32.
Перечень элементов приведен на стр. 33,34.
|
C3 C1 L1 C5 R10 L2 R5 С2 R7 VT1 R4 C6 C7 C8 VТ3 VT2 C9 R9 R8 R2 R1 R3 С4 R11 R6 Корпус Выход Вход +9 В | ||||||||||||||||||||||||
| РТФ КП 468740.001 ПЗ | ||||||||||||||||||||||||
| Лит | Масса | Масштаб | ||||||||||||||||||||||
| Изм | Лист | Nдокум. | Подп. | Дата | УСИЛИТЕЛЬ | | | | | | ||||||||||||||
| Выполнил | Задорин | Модулятора Лазерного | ||||||||||||||||||||||
Проверил | Титов | ИЗЛУЧЕНИЯ | ||||||||||||||||||||||
| Лист | Листов | |||||||||||||||||||||||
ТУСУР РТФ | ||||||||||||||||||||||||
Принципиальная | Кафедра РЗИ | |||||||||||||||||||||||
| Схема | гр. 148-3 | |||||||||||||||||||||||
| Поз. Обозна- Чение | Наименование | Кол. | Примечание | | ||||||||||||||||||||
| | | | | | ||||||||||||||||||||
| Транзисторы | ||||||||||||||||||||||||
| VT1 | КТ371А | 1 | ||||||||||||||||||||||
| VT2 | КТ610A | 1 | ||||||||||||||||||||||
| VT3 | КТ361А | 1 | ||||||||||||||||||||||
| Конденсаторы | ||||||||||||||||||||||||
| С1 | КД-2-0.33нФ 5 ОЖО.460.203 ТУ | 1 | ||||||||||||||||||||||
| С2 | КД-2-620пФ 5 ОЖО.460.203 ТУ | 1 | ||||||||||||||||||||||
| С3 | КД-2-1.8нФ 5 ОЖО.460.203 ТУ | 1 | ||||||||||||||||||||||
| С4 | КД-2-120пФ 5 ОЖО.460.203 ТУ | 1 | ||||||||||||||||||||||
| С5 | КД-2-150пФ 5 ОЖО.460.203 ТУ | 1 | ||||||||||||||||||||||
| С6 | КД-2-130пФ 5 ОЖО.460.203 ТУ | 1 | ||||||||||||||||||||||
| С7 | КД-2-1.2нФ 5 ОЖО.460.203 ТУ | 1 | ||||||||||||||||||||||
| С8 | КД-2-24нФ 5 ОЖО.460.203 ТУ | 1 | ||||||||||||||||||||||
| С9 | КД-2-240пФ 5 ОЖО.460.203 ТУ | 1 | ||||||||||||||||||||||
| Катушки индуктивности | ||||||||||||||||||||||||
| L1 | Индуктивность 7.9мкГн 5 | 1 | ||||||||||||||||||||||
| L2 | Индуктивность 6.8мкГн 5 | 1 | ||||||||||||||||||||||
| РТФ КП 468740.001 ПЗ | ||||||||||||||||||||||||
| Лит | Масса | Масштаб | | |||||||||||||||||||||
Изм | Лист | Nдокум. | Подп. | Дата | УСИЛИТЕЛЬ | | | | | | | |||||||||||||
Выполнил | Задорин | МОДУЛЯТОРА ЛАЗЕРНОГО | МОДУЛЯТОРА ЛАЗЕРНОГО | |||||||||||||||||||||
Провер. | Титов | ИЗЛУЧЕНИЯ | ИЗЛУЧЕНИЯ | |||||||||||||||||||||
| Лист | Листов | |||||||||||||||||||||||
ТУСУР РТФ | | |||||||||||||||||||||||
| | | | | Перечень элементов | Кафедра РЗИ | | ||||||||||||||||||
| | | | | | гр. 148-3 | | ||||||||||||||||||
ГГц;
пс;
;
В
пФ;
нГн;
нГн.
В;
мА;
Вт;
К.
















