29057-1 (689163), страница 3
Текст из файла (страница 3)
Итак, произведём расчёт, используя следующие формулы:
,
,
=
- нормированные значения
,
,
.
Подставим исходные параметры и в результате получим:
Зная это, рассчитаем следующие коэффициенты:
;
; (2.32)
;
получим:
Отсюда найдем нормированные значения
,
, и
:
где
; (2.33)
;
;
.
При расчете получим:
и в результате:
Рассчитаем дополнительные параметры:
(2.34)
(2.35)
где S210- коэффициент передачи оконечного каскада.
Для выравнивания АЧХ в области нижних частот используется резистор
, рассчитываемый по формуле:
(2.36)
Найдем истинные значения остальных элементов по формулам:
,
,
, (2.37)
3.5.3 Расчёт входной КЦ
Схема входной КЦ представлена на рисунке 3.5.14. Её расчёт, а также табличные значения аналогичны описанным в пункте 3.5.1.
Рисунок 3.5.14 входная коректирующая цепь
Расчитаем входную коректирующую цепь:
,
,
=
- нормированные значения
,
,
.
Подставим исходные параметры и в результате получим:
Зная это, рассчитаем следующие коэффициенты:
;
; (2.32)
;
получим:
Отсюда найдем нормированные значения
,
, и
:
где
; (2.33)
;
;
.
При расчете получим:
и в результате:
Рассчитаем дополнительные параметры:
(2.34)
(2.35)
где S210- коэффициент передачи оконечного каскада.
Для выравнивания АЧХ в области нижних частот используется резистор
, рассчитываемый по формуле:
(2.36)
Найдем истинные значения остальных элементов по формулам:
,
,
, (2.37)
На этом расчёт входного каскада закончен.
3.6 Расчёт разделительных и блокировочных ёмкостей
Дроссель в коллекторной цепи каскадов ставится для того, чтобы выход транзистора по переменному току не был заземлен. Его величина выбирается исходя из условия:
. (3.6.3)
мкГн.
Сопротивление и емкость обратной связи, стоящие в цепи базы выходного транзистора расчитаем по формулам:
Подставив значения получим:
Разделительные емкости.
Устройство имеет 4 реактивных элемента, вносящих частотные искажения на низких частотах. Эти элементы – разделительные емкости. Каждая из этих емкостей по техническому заданию должна вносить не более 0.75 дБ частотных искажений. Номинал каждой емкости с учетом заданных искажений и обвязывающих сопротивлений рассчитывается по формуле:
(1.38)
где Yн – заданные искажения; R1 и R2 – обвязывающие сопротивления, Ом; wн – нижняя частота, рад/сек.
Приведем искажения, заданные в децибелах:
, (1.39)
где М – частотные искажения, приходящиеся на каскад, Дб. Тогда
Номинал разделительной емкости оконечного каскада:
Номинал разделительной емкости стоящей в цепи коллектора транзистора с общим эмиттером в каскаде со сложением напряжений:
Номинал разделительной емкости стоящей в цепи коллектора входного транзистора:
Номинал разделительной емкости входного каскада:
Емкость Сбл найдём из условия:
XСбл Rк, где Rк – сопротивление стоящее в цепи коллектора транзистора активной коллекторной термостабилизации представленной на рис.3.3.10.
Хс=1/С=1/С
С=1/Хс
Для расчета Сбл возьмем Хс=0.43 что 500 раз меньше Rк. В итоге получим:
С=1/0.432230106=1.610-9
Сбл=1.6 нФ
4. Заключение
Рассчитанный усилитель имеет следующие технические характеристики:
1. Рабочая полоса частот: 49-230 МГц
2. Линейные искажения
в области нижних частот не более 2 дБ
в области верхних частот не более 2 дБ
3. Коэффициент усиления 30дБ с подъёмом области верхних частот 6 дБ
4. Питание однополярное, Eп=16 В
5. Диапазон рабочих температур: от +10 до +60 градусов Цельсия
Усилитель рассчитан на нагрузку Rн=75 Ом
Усилитель имеет запас по усилению 5дБ, это нужно для того, чтобы в случае ухудшения, в силу каких либо причин, параметров отдельных элементов коэффициент передачи усилителя не опускался ниже заданного уровня, определённого техническим заданием.
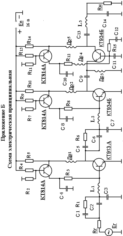
| Поз. Обозна- чение | Наименование | Кол. | Примечание | |||||||||||||
| Транзисторы | ||||||||||||||||
| VT1 | КТ913А | 1 | ||||||||||||||
| VT2 | КТ814А | 1 | ||||||||||||||
| VT3 | КТ934Б | 1 | ||||||||||||||
| VT4 | КТ814А | 1 | ||||||||||||||
| VT5 | КТ934Б | 1 | ||||||||||||||
| VT6 | КТ814А | 1 | ||||||||||||||
| Конденсаторы | ||||||||||||||||
| С1 | КД-2-0.1нФ 5 ОЖО.460.203 ТУ | 1 | ||||||||||||||
| С2 | КД-2-20пФ 5 ОЖО.460.203 ТУ | 1 | ||||||||||||||
| С3 | КД-2-16пФ 5 ОЖО.460.203 ТУ | 1 | ||||||||||||||
| С4, С8, С10,С12 | КМ-6-2.2нФ 5 ОЖО.460.203 ТУ | 4 | ||||||||||||||
| С5 | КД-2-200пФ 5 ОЖО.460.203 ТУ | 1 | ||||||||||||||
| С6 | КД-2-22пФ 5 ОЖО.460.203 ТУ | 1 | ||||||||||||||
| С7 | КД-2-7.6пФ 5 ОЖО.460.203 ТУ | 1 | ||||||||||||||
| С9 | КД-2-110пФ 5 ОЖО.460.203 ТУ | 1 | ||||||||||||||
| С11 | КМ-6-16пФ 5 ОЖО.460.203 ТУ | 1 | ||||||||||||||
| С13 | КД-2-100пФ 5 ОЖО.460.203 ТУ | 1 | ||||||||||||||
| С14 | КМ-6-10пФ 5 ОЖО.460.203 ТУ | 1 | ||||||||||||||
| Катушки индуктивности | ||||||||||||||||
| L1 | Индуктивность 25нГн 5 | 1 | ||||||||||||||
| L2 | Индуктивность 12нГн 5 | 1 | ||||||||||||||
| L3 | Индуктивность 50нГн 5 | 1 | ||||||||||||||
| Др4- Др8 | Индуктивность 25мкГн 5 | 5 | ||||||||||||||
| РТФ КП 468740.001 ПЗ | ||||||||||||||||
| Лит | Масса | Масштаб | ||||||||||||||
| Изм | Лист | Nдокум. | Подп. | Дата | УCИЛИТЕЛЬ МОЩНОСТИ | | | | | | ||||||
| Выполнил | Далматов | ДЛЯ 1-12 КАНАЛОВ | | | | | | |||||||||
Провер. | Титов А.А. | TV | ||||||||||||||
| | Лист | Листов | ||||||||||||||
ТУСУР РТФ | ||||||||||||||||
| Перечень элементов | Кафедра РЗИ | |||||||||||||||
| | гр. 148-3 | |||||||||||||||
| Поз. Обозна- чение | Наименование | Кол. | Примечание | ||||||||||||||
| Резисторы | |||||||||||||||||
| R1 | МЛТ – 0.125 – 1.2 кОм 10ГОСТ7113-77 | 1 | |||||||||||||||
| R2 | МЛТ – 0.125 – 18 кОм 10ГОСТ7113-77 | 1 | |||||||||||||||
| R3 | МЛТ – 0.125 – 220 Ом 10ГОСТ7113-77 | 1 | |||||||||||||||
| R4 | МЛТ – 0.125 – 2.2 кОм 10ГОСТ7113-77 | 1 | |||||||||||||||
| R5 | МЛТ – 1 – 0.25 Ом 10ГОСТ7113-77 | 1 | |||||||||||||||
| R6 | МЛТ – 0.125 – 6 кОм 10ГОСТ7113-77 | 1 | |||||||||||||||
| R7,R11 | МЛТ – 0.125 – 160 Ом 10ГОСТ7113-77 | 2 | |||||||||||||||
| R8,R12 | МЛТ – 0.125 – 820Ом 10ГОСТ7113-77 | 2 | |||||||||||||||
| R9,R13 | МЛТ – 0.125 – 22 Ом 10ГОСТ7113-77 | 2 | |||||||||||||||
| R10,R14 | МЛТ – 1 – 2.5 Ом 10ГОСТ7113-77 | 2 | |||||||||||||||
| РТФ КП 468740.001 ПЗ | |||||||||||||||||
| Лит | Масса | Масштаб | |||||||||||||||
| Изм | Лист | Nдокум. | Подп. | Дата | УCИЛИТЕЛЬ МОЩНОСТИОПОЛОСНЫЙ | | | | | | |||||||
| Выполнил | Далматов | ДЛЯ 1-12 КАНАЛОВ | | | | | | ||||||||||
Провер. | Титов А.А. | TV | |||||||||||||||
| Лист | Листов | ||||||||||||||||
ТУСУР РТФ | |||||||||||||||||
Перечень элементов | Кафедра РЗИ | ||||||||||||||||
| гр. 148-3 | |||||||||||||||||
| РТФ КП 468740.001 Э3 | ||||||||||||
| Лит | Масса | Масштаб | ||||||||||
| Изм | Лист | Nдокум. | Подп. | Дата | УCИЛИТЕЛЬ | | | | | | ||
| Выполнил | Далматов | 1-12 КАНАЛОВ | ||||||||||
Проверил | Титов А.А. | |||||||||||
| Лист | Листов | |||||||||||
ТУСУР РТФ | ||||||||||||
Принципиальная | Кафедра РЗИ | |||||||||||
| схема | гр. 148-3 | |||||||||||
Список использованных источников
1 Справочник полупроводниковые приборы /транзисторы средней и большой мощности. Под ред. А.В.Голомедова. Издание третье. Москва 1995 г.
2 Титов А.А. Расчет корректирующих цепей широкополосных усилительных каскадов на биполярных транзисторах – http://referat.ru/download/ref-2764.zip
3 Широкополосные радиопередающие устройства /Алексеев О.В., Головков А.А., Полевой В.В., Соловьев А.А.; Под ред. О.В. Алексеева.- М.: Связь. 1978 г.
4 Мамонкин И.Г. Усилительные устройства: Учебное пособие для вузов. – М.: Связь, 1977.
5 Титов А.А. Расчет диссипативной межкаскадной корректирующей цепи широкополосного усилителя мощности. //Радиотехника. 1989. № 2
















