29057-1 (689163), страница 2
Текст из файла (страница 2)
Схема Джиаколетто представлена на рисунке 3.3.7.
Рисунок 3.3.7 Схема Джиаколетто.
Найдем при помощи постоянной времени цепи обратной связи сопротивление базового перехода по формуле:
(2.9)
При чём
и
доложны быть измерены при одном напряжении Uкэ. А так как справочные данные приведены при разных напряжниях, необходимо воспользоваться формулой перехода, котоая позволяет вычислить
при любом значении напряжения Uкэ:
(2.10)
в нашем случае:
Подставим полученное значение в формулу :
, тогда
Найдем значения остальных элементов схемы:
, где (2.11)
– сопротивление эмиттеного перехода транзистора
Тогда
Емкость эмиттерного перехода:
Выходное сопртивление транзистора:
(2.12)
(2.13)
Б) Расчёт однонаправленной модели на ВЧ:
Схема однонаправленной модели на ВЧ представлена на рисунке 3.3.8 Описание такой модели можно найти в [3].
Рисунок 3.3.8 однонаправленная модель транзистора
Параметры эквивалентной схемы рассчитываются по приведённым ниже формулам.
Входная индуктивность:
,
где
–индуктивности выводов базы и эмиттера, которые берутся из справочных данных.
Входное сопротивление:
, (3.3.4)
Выходное сопротивление имеет такое же значение, как и в схеме Джиаколетто:
.
Выходная ёмкость- это значение ёмкости
вычисленное в рабочей точке:
.
3.3.4 Расчёт цепей термостабилизации
При расчёте цепей термостабилизации нужно для начала выбрать вариант схемы. Существует несколько вариантов схем термостабилизации: пассивная коллекторная, активная коллекторная и эмиттерная. Их использование зависит от мощности каскада и от того, насколько жёсткие требования к термостабильности. Рассмотрим эти схемы.
3.3.4.1 Эмиттерная термостабилизация
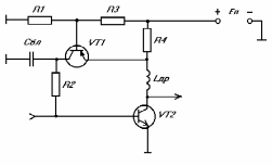
Эмитерная стабилизация применяется в основном в маломощных каскадах и является достачно простой в расчёте и при этом эффективной. Схема эмиттерной термостабилизации приведена на рисунке 3.3.9. Метод расчёта и анализа эмиттерной термостабилизации подробно описан в [4].
Рисунок 3.3.9 эммитерная термостабилизация
Расчёт производится по следующей схеме:
1.Выбираются напряжение эмиттера
и ток делителя
, а также напряжение питания
;
2. Затем рассчитываются
.
Напряжение эмиттера
выбирается равным
. Ток делителя
выбирается равным
, где
- базовый ток транзистора и вычисляется по формуле:
мА.
А
Учитывая то, что в коллекторной цепи отсутствует резистор, то напряжение питания рассчитывается по формуле
В. Расчёт величин резисторов производится по следующим формулам:
Ом;
Ом;
Ом;
3.3.4.2 Активная коллекторная термостабилизация
Активная коллекторная термостабилизация используется в мощных каскадах и является достаточно эффективной, её схема представлена на рисунке 3.3.10. Её описание и расчёт можно найти в [5].
Рисунок 3.3.10 Схема активной коллекторной термостабилизации.
В качестве VT1 возьмём КТ814А. Выбираем падение напряжения на резисторе
из условия
(пусть
В), тогда
. Затем производим следующий расчёт:
; (3.3.11)
; (3.3.12)
; (3.3.13)
; (3.3.14)
, (3.3.15)
где
– статический коэффициент передачи тока в схеме с ОБ транзистора КТ814;
; (3.3.16)
; (3.3.17)
. (3.3.18)
Получаем следующие значения:
Ом;
мА;
В;
А;
А;
Ом;
Ом.
Величина индуктивности дросселя выбирается таким образом, чтобы переменная составляющая тока не заземлялась через источник питания, а величина блокировочной ёмкости – таким образом, чтобы коллектор транзистора VT1 по переменному току был заземлён.
3.3.4.3 Пассивная коллекторная термостабилизация
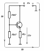
Наиболее экономичной и простейшей из всех схем термостабилизации является коллекторная стабилизация. Стабилизация положения точки покоя осуществляется отрицательной параллельной обратной связью по напряжению, снимаемой с коллектора транзистора. Схема коллекторной стабилизации представлена на рисунке 3.3.11.
Рисунок 3.3.11 Схема пассивной коллекторной термостабилизации
Рассчитаем основные элементы схемы по следующим формулам:
Выберем напряжение URк=5В и рассчитаем значение сопротивления Rк.
З
ная базовый ток рассчитаем сопротивление Rб
Определим рассеиваемую мощность на резисторе Rк
К
ак было сказано выше, эмиттерную термостабилизацию в мощных каскадах применять “невыгодно” так как на резисторе, включённом в цепь эмиттера, расходуется большая мощность. В нашем случае лучше выбрать активную коллекторную стабилизацию.
-
Расчёт входного каскада
3.4.1 Выбор рабочей точки
При расчёте режима предоконечного каскада условимся, что питание всех каскадов осуществляется от одного источника напряжения с номинальным значением Eп. Так как Eп=Uк0, то соответственно Uк0 во всех каскадах берётся одинаковое, то есть Uк0(предоконечного к.)=Uк0(выходного к). Мощность, генерируемая предоконечным каскадом должна быть в коэффициент усиления выходного каскада вместе с МКЦ(S210) раз меньше, следовательно, и Iк0, будет во столько же раз меньше. Исходя из вышесказанного координаты рабочей точки примут следующие значения: Uк0= 15 В; Iко=0.4/2.058= 0.19 А. Мощность, рассеиваемая на коллекторе Pк= Uк0 Iк0=2.85 Вт.
3.4.2 Выбор транзистора
Выбор транзистора был произведён в пункте 3.3.5.2 Выбор входного транзистора осуществляется в соответствии с требованиями, приведенными в пункте 3.3.2. Этим требованиям отвечает транзистор КТ913А. Его основные технические характеристики приведены ниже.[1]
Электрические параметры:
-
граничная частота коэффициента передачи тока в схеме с ОЭ
МГц; -
Постоянная времени цепи обратной связи
пс; -
Статический коэффициент передачи тока в схеме с ОЭ
; -
Ёмкость коллекторного перехода при
В
пФ; -
Индуктивность вывода базы
нГн; -
Индуктивность вывода эмиттера
нГн.
Предельные эксплуатационные данные:
-
Постоянное напряжение коллектор-эмиттер
В; -
Постоянный ток коллектора
А;
3.4.3 Расчёт эквивалентной схемы транзистора
Эквивалентная схема имеет тот же вид, что и схема представленная на рисунке 3.3. Расчёт её элементов производится по формулам, приведённым в пункте 3.3.3.
нГн;
пФ;
Ом
Ом;
Ом;
пФ.
3.4.4 Расчёт цепи термостабилизации
Для входного каскада также выбрана активная коллекторная термостабилизация.
В качестве VT1 возьмём КТ814А. Выбираем падение напряжения на резисторе
из условия
(пусть
В), тогда
. Затем производим следующий расчёт:
; (3.3.11)
; (3.3.12)
; (3.3.13)
; (3.3.14)
, (3.3.15)
где
– статический коэффициент передачи тока в схеме с ОБ транзистора КТ814;
; (3.3.16)
; (3.3.17)
. (3.3.18)
Получаем следующие значения:
Ом;
мА;
В;
А;
А;
Ом;
кОм
3.5 Расчёт корректирующих цепей
3.5.1 Расчёт выходной корректирующей цепи
Расчёт всех КЦ производится в соответствии с методикой описанной в [2]. Схема выходной корректирующей цепи представлена на рисунке 3.12
Рисунок 3.3.12 Схема выходной корректирующей цепи
Выходную корректирующую цепь можно рассчитать с использованием методики Фано, которая подробно описана в методическом пособии [2]. Зная Свых и fв можно рассчитать элементы L1 и C1 .
Найдём
– выходное сопротивление транзистора нормированное относительно
и
.
(3.5.1)
.
Теперь по таблице приведённой в [2] найдём ближайшее к рассчитанному значение
и выберем соответствующие ему нормированные величины элементов КЦ
и
.
Найдём истинные значения элементов по формулам:
; (3.5.2)
; (3.5.3)
.
Гн; (3.5.4)
Ф;
3.5.2 Расчёт межкаскадной КЦ
В данном усилителе имеются две МКЦ: между входным каскадом и каскадом со сложением напряжений и на входе усилителя. Это корректирующие цепи третьеого порядка. Цепь такого вида обеспечивает реализацию усилительного каскада с наклоном АЧХ, лежащим в пределах необходимых отклонений (повышение или понижение) с заданными частотными искажениями [2].
Расчёт межкаскадной корректирующей цепи, находящейся между входным каскадом и каскадом со сложением напряжений:
Принципиальная схема МКЦ представлена на рисунке 3.3.13
Рисунок 3.3.13. Межкаскадная корректирующая цепь третьего порядка
При расчёте используются однонаправленные модели на ВЧ входного и предоконечного транзисторов. В схеме со сложением напряжений оба транзистора выбираются одинаковыми. Возникает задача: выбор предоконечного транзистора. Обычно его выбирают ориентировочно, и если полученные результаты будут удовлетворять его оставляют.
Для нашего случая возьмём транзистор КТ913А (VT1), который имеет следующие эквивалентные параметры:
Свых=5.5 пФ
Rвых=55 Ом
И транзистор КТ 934Б (VT2), имеющий следующие эквивалентные параметры:
Lвх=3.8 нГн
Rвх=0.366 Ом
П
ри расчёте будут использоваться коэффициенты:
,
,
, значения которых берутся исходя из заданной неравномерности АЧХ. Таблица коэффициентов приведена в методическом пособии [2] В нашем случае они соответственно равны: 2.31, 1.88, 1.67. Расчет заключается в нахождении нормированных значений:
и подставлении их в соответствующие формулы, из которых находятся нормированные значения элементов и преобразуются в действительные значения.
МГц;
пс;
;
В
пФ;
нГн;
нГн.
В;
А;















