26137-1 (689140), страница 2
Текст из файла (страница 2)
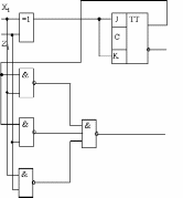
рисунок 3.5
3.2.6. Микрооперация арифметического вычитания.
В данном дискретном устройстве разработана арифметическая операция сложения.-Анализируя исходное состояние триггера, перенос, в соответствии со словарем переходов JK-триггеров составляем таблицу.
| X | Zi | Qt | Qt+1 | Zi+1 | J | K | Х | J | |||||||||||||
| 0 | 0 | 0 | 0 | 0 | 0 | * | Zi | 0 | * | * | 1 | ||||||||||
| 0 | 0 | 1 | 1 | 0 | * | 0 | 1 | * | * | 0 | |||||||||||
| 0 | 1 | 0 | 1 | 1 | 1 | * | Qt | ||||||||||||||
| 0 | 1 | 1 | 0 | 0 | * | 1 | Х | K | |||||||||||||
| 1 | 0 | 0 | 1 | 1 | 1 | * | Zi | * | 0 | 1 | * | ||||||||||
| 1 | 0 | 1 | 0 | 0 | * | 1 | * | 1 | 0 | * | |||||||||||
| 1 | 1 | 0 | 0 | 1 | 0 | * | Qt | ||||||||||||||
| 1 | 1 | 1 | 1 | 1 | * | 0 | Х | Zi+1 | |||||||||||||
| Zi | 1 | 1 | 0 | 1 | |||||||||||||||||
| 1 | 0 | 0 | 0 | ||||||||||||||||||
| Qt | |||||||||||||||||||||
Функции возбуждения триггера для данной операции имеют следующий вид:
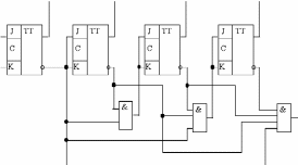
Схема цепи, реализующей данную операцию, изображена на рис. 3.6
рисунок 3.6
Данная операция реализуется по следующим формулам.
| C> | C= | X | Qt | C’> | C’= | C’> | ||||||||||||||||||||||||||||
| 0 | 0 | 0 | 0 | 0 | 0 | C= | С> | С= | ||||||||||||||||||||||||||
| 0 | 0 | 0 | 1 | 0 | 0 | 1 | < | 0 | 0 | |||||||||||||||||||||||||
| 0 | 0 | 1 | 0 | 0 | 0 | 1 | * | * | 1 | = | 0 | 1 | ||||||||||||||||||||||
| 0 | 0 | 1 | 1 | 0 | 0 | C> | 1 | * | * | 1 | Qt | > | 1 | 0 | ||||||||||||||||||||
| 0 | 1 | 0 | 0 | 0 | 1 | x | 1 | 1 | ||||||||||||||||||||||||||
| 0 | 1 | 0 | 1 | 0 | 0 | X | ||||||||||||||||||||||||||||
| 0 | 1 | 1 | 0 | 1 | 0 | C’= | ||||||||||||||||||||||||||||
| 0 | 1 | 1 | 1 | 0 | 1 | C= | ||||||||||||||||||||||||||||
| 1 | 0 | 0 | 0 | 1 | 0 | 1 | ||||||||||||||||||||||||||||
| 1 | 0 | 0 | 1 | 1 | 0 | * | * | |||||||||||||||||||||||||||
| 1 | 0 | 1 | 0 | 1 | 0 | C> | * | * | Qt | |||||||||||||||||||||||||
| 1 | 0 | 1 | 1 | 1 | 0 | 1 | ||||||||||||||||||||||||||||
| 1 | 1 | 0 | 0 | * | * | X | ||||||||||||||||||||||||||||
| 1 | 1 | 0 | 1 | * | * | |||||||||||||||||||||||||||||
| 1 | 1 | 1 | 0 | * | * | |||||||||||||||||||||||||||||
| 1 | 1 | 1 | 1 | * | * | |||||||||||||||||||||||||||||
Функции переносов для данной операции имеют следующий вид:
рисунок 3.7.
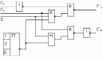
3.2.8. Микрооперация преобразования в дополнительный код.
Преобразование в дополнительный код произведем согласно таблице.
| t | t+1 | JK3 | JK2 | JK1 | JK0 | ||||||||||||||||
| Q3 | Q2 | Q1 | Q0 | Q3 | Q2 | Q1 | Q0 | J3 | K3 | J2 | K2 | J1 | K1 | J0 | K0 | ||||||
| 0 | 0 | 0 | 0 | 0 | 0 | 0 | 0 | 0 | * | 0 | * | 0 | * | 0 | * | ||||||
| 0 | 0 | 0 | 1 | 1 | 1 | 1 | 1 | 1 | * | 1 | * | 1 | * | * | 0 | ||||||
| 0 | 0 | 1 | 0 | 1 | 1 | 1 | 0 | 1 | * | 1 | * | * | 0 | 0 | * | ||||||
| 0 | 0 | 1 | 1 | 1 | 1 | 0 | 1 | 1 | * | 1 | * | * | 1 | * | 0 | ||||||
| 0 | 1 | 0 | 0 | 1 | 1 | 0 | 0 | 1 | * | * | 0 | 0 | * | 0 | * | ||||||
| 0 | 1 | 0 | 1 | 1 | 0 | 1 | 1 | 1 | * | * | 1 | 1 | * | * | 0 | ||||||
| 0 | 1 | 1 | 0 | 1 | 0 | 1 | 0 | 1 | * | * | 1 | * | 0 | 0 | * | ||||||
| 0 | 1 | 1 | 1 | 1 | 0 | 0 | 1 | 1 | * | * | 1 | * | 1 | * | 0 | ||||||
| 1 | 0 | 0 | 0 | 1 | 0 | 0 | 0 | * | 0 | 0 | * | 0 | * | 0 | * | ||||||
| 1 | 0 | 0 | 1 | 0 | 1 | 1 | 1 | * | 1 | 1 | * | 1 | * | * | 0 | ||||||
| 1 | 0 | 1 | 0 | 0 | 1 | 1 | 0 | * | 1 | 1 | * | * | 0 | 0 | * | ||||||
| 1 | 0 | 1 | 1 | 0 | 1 | 0 | 1 | * | 1 | 1 | * | * | 1 | * | 0 | ||||||
| 1 | 1 | 0 | 0 | 0 | 1 | 0 | 0 | * | 1 | * | 0 | 0 | * | 0 | * | ||||||
| 1 | 1 | 0 | 1 | 0 | 0 | 1 | 1 | * | 1 | * | 1 | 1 | * | * | 0 | ||||||
| 1 | 1 | 1 | 0 | 0 | 0 | 1 | 0 | * | 1 | * | 1 | * | 0 | 0 | * | ||||||
| 1 | 1 | 1 | 1 | 0 | 0 | 0 | 1 | * | 1 | * | 1 | * | 1 | * | 0 | ||||||
















