26137-1 (689140), страница 3
Текст из файла (страница 3)
| Q0 | J3 | Q0 | K3 | ||||||||||||
| 0 | 1 | 1 | 1 | * | * | * | * | ||||||||
| 1 | 1 | 1 | 1 | * | * | * | * | ||||||||
| * | * | * | * | 1 | 1 | 1 | 1 | ||||||||
| * | * | * | * | 0 | 1 | 1 | 1 | ||||||||
| Q1 | Q1 | ||||||||||||||
J3=Q2 Q1 Q0
K3=Q2 Q1 Q0
Если ввести понятие переноса, то микрооперация преобразования в дополнительный код реализуется по следующим формулам .
| Pi | Qt | Qt+1 | J | K | Pi+1 | Qt | J | Qt | Pi+1 | ||||||||||||||||||||
| 0 | 0 | 1 | 1 | * | 0 | Pi | 1 | * | Pi | 0 | 1 | ||||||||||||||||||
| 0 | 1 | 0 | * | 1 | 0 | 0 | * | 0 | 0 | ||||||||||||||||||||
| 1 | 0 | 0 | 0 | * | 1 | ||||||||||||||||||||||||
| 1 | 1 | 1 | * | 0 | 0 | Qt | K | ||||||||||||||||||||||
| Pi | * | 1 | |||||||||||||||||||||||||||
| * | 0 | ||||||||||||||||||||||||||||
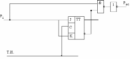
Функции возбуждения триггера для данной операции имеют следующий вид:
Схема цепи, реализующей данную операцию, изображена на рис. 3.8.
рисунок 3.8
3.2.9. Микрооперация свертки по модулю 2 (послед.).
Свертка по модулю 2 применяется для контроля кода.
Схема цепи, реализующей данную операцию, изображена на рис. 3.9.
рисунок 3.9
3.3. Построение объединенных функций возбуждения.
Построение объединенных функций возбуждения триггеров реализуется следующим образом :
- построение объединенной таблицы функционирования для каждой микрооперации и каждого установочного входа триггера ;
запись и минимизация функций возбуждения .
Таблица 3.1 является объединенной таблицей функционирования ДУ. В ней строки соответствуют микрооперациям ,а столбцы установочным входам триггеров и переносам. Для каждого установочного входа записывается функция возбуждения
На основании оставленной таблицы синтезируем функции возбуждения триггеров
| Q3 | Q2 | Q1 | Q0 | |||||
| J3 | K3 | J2 | K2 | J1 | K1 | J0 | K0 | |
| Запись 0 | 0 | 1 | 0 | 1 | 0 | 1 | 0 | 1 |
| Запись слова | x3 |
| x2 |
| x1 |
| x0 |
|
| Сдвиг вправо | P3 |
| P2 |
| P1 |
| P0 |
|
| Логическая операция | 0 |
| 0 |
| 0 |
| 0 |
|
| Вычитание |
|
|
|
|
|
|
|
|
| -1 (пар.) | Z`3 | Z`3 | Z`2 | Z`2 | Z`1 | Z`1 | Z`0 | Z`0 |
| дополнитель-ный код | P3` | P3` | P2` | P2` | P1` | P1` | P0` | P0` |
Преобразуем выражения к требуемому базису:
3.4. Расчет быстродействия ДУ.
Быстродействие дискретного устройства следует оценивать по максимальной частоте тактовых импульсов, поступающих на синхронизирующий вход. Максимальная частота тактовых импульсов – это максимально допустимая частота подаваемых в дискретное устройство импульсов, не приводящих к нарушению его работы. В общем случае для расчета максимальной тактовой частоты необходимо определить минимальные длительности тактового импульса и паузы между тактовыми импульсами. Тогда частоту fmax можно определить по формуле :
Длительность такта для синхронных схем дискретного устройства определяется исходя из быстродействия используемого триггера. Длительность паузы между тактовыми импульсами определяется временем переходного процесса в дискретном устройстве и оценивается максимальной длиной функциональной цепи :
,
где
– максимальная задержка сигнала на одном элементе;
n – число уровней функциональной цепи (глубина КСх);
Вычисляем максимальную тактовую частоту дискретного устройства :
4. Проектирование ДУ на БИС.
4.1. Проектирование схемы ДУ.
4.2. Карта программирования ПЗУ.
















