15268 (686513), страница 2
Текст из файла (страница 2)
Из структурной теории релейных устройств известна следующая структурная формула для определения первоначальной структуры элемента Х:
,
где fср(х) − логическое произведение контактов элементов в такте отпускания, обеспечивающих замкнутую цепь элемента, для которого определяется структурная формула(контакт элемента в fср не входит).
fотп(х) − логическое произведение контактов элементов в такте отпускания, обеспечивающих замкнутую цепь элемента, для которого определяется структурная формула (контакт элемента в fотп не входит).
.
Используя закон де Моргана преобразуем полученное выражение.
.
Для упрощения первоначальных структурных формул элемента можно воспользоваться таблицей покрытий. Она позволяет исключить из первоначальной структурной формулы лишние слагаемые, которые либо не реализуют какие-либо такты или реализуют их с помощью дополнительных слагаемых структурной формулы.
Таблица 5.2 – Таблица покрытий ИЭ Х1
| № | Цепь | Такты | ||||||
| 4 | 5 | 6 | 7 | 8 | 9 | |||
| 1 | | X | X | – | – | – | – | |
| 2 | | – | X | – | – | – | – | |
| 3 | | – | X | X | X | – | – | |
| 4 | | – | X | X | X | – | – | |
| 5 | | – | X | X | X | X | – | |
| 6 | | – | X | X | X | X | X | |
.
Рисунок 5.1 – Структурная схема управления ИЭ Х1
Проводим аналогичные операции и расчеты для остальных элементов. Структурные формулы и схемы включения для этих элементов сведем в таблицу 5.3.
Таблица 5.3 - Структурные формулы и схемы включения
| Элемент | Структурная формула | Схема включения |
| X2 | | |
| X3 | | |
| X4 | | |
| X5 | | |
| X6 | | |
| X7 | | |
| X8 | | |
| Z2 | | |
| Z3 | | |
На основании полученных частных структурных схем всех элементов составим полную структурную схему управления технологическим процессом. При ее составлении произведем минимизацию схемы управления.
Рисунок 5.2 – Полная структурная схема управления технологическим процессом
Так как управление технологической линией осуществляется контроллером, произведем разработку программы управления.
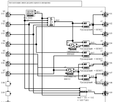
Приведем пример представления принципиальной схемы ИЭ, выраженной во включении X1, X2, X3.
Составим таблицу входов выходов для программы управления элементами X1, X2, X3.:
Таблица 5.4 – Таблица входов выходов для программы управления элементом X1, X2, X3.
| вход | сигнал | выход | сигнал |
| I 01 | Датчик уровня b3 | O 01 | K1(привод питателя картофеля) |
| I 02 | Датчик уровня b1 | O 02 | K2(привод питателя концкормов) |
| I 03 | Датчик уровня b2 | O 03 | K3(привод насоса обрата) |
| I 04 | Датчик уровня b4 |
Рисунок 5.4 – Пример программы реализуемой на контроллере
Описание структурных блоков программы:
Линия запускается по сигналу от элемента TIMESW. В случае срабатывания датчиков (b1, b2, b3) на выходе логического элемента AND формируется логическая единица, которая поступает на вход SET элемента SET/RESET. В результате на выходах O 01…O 03 формируется логическая единица. Как только заполниться смеситель срабатывает датчик b5 и логическая единица со входа O 04 поступает на вход RESET элемента SET/RESET. В результате на выходах O 01…O 03 формируется логический ноль.
Аналогичным образом переводим остальные структурные формулы. Полученную программу приводим на рисунке 5.4
Рисунок 5.4 - Структурная схема САУ разработанная на базе α-2 контроллера
6. Разработка полной принципиальной электрической схемы
Принципиальная электрическая схема управления должна обеспечить:
- безопасность людей;
- надежную работу технологической линии;
- удобство в эксплуатации;
- быть экономически целесообразной.
При проектировании электрической принципиальной схемы руководствуемся действующим стандартом на условные обозначения элементов на принципиальных электрических схемах, правилами устройства электроустановок. Принимаем следующие буквенно-цифровые обозначения аппаратов:
X1 – привод питателя картофеля (KM1);
X2 – привод питателя концкормов (KM2);
Х3 – привод насоса обрата (KM3);
X4 – привод мешалки раздатчика (KM4);
X5 – привод кормораздатчика (раздача) (KM5);
X6 – привод кормораздатчика (обратный ход) (KM6);
X7 – привод выгрузного устройства 1 (KM7);
X8 – привод выгрузного устройства 2 (KM8);
b1 – датчик уровня питателя комбикорма (SL1);
b2 – датчик уровня питателя концкормов (SL2);
b3 – датчик уровня емкости для обрата (SL3);
b4 – датчик уровня смесителя (SL4);
b5 – концевик, срабатывающий при положении кормораздатчика под питателем (SQ1);
b6 – концевик (начало кормушек) (SQ2);
b7 – концевик (конец кормушек) (SQ3);
Для проведения пуско-наладочных работ предусматриваем в схеме возможность независимого включения электродвигателей, для этой цели устанавливаем пакетный переключатель SA1, а для включения электродвигателей (магнитных пускателей) устанавливаем кнопки управления SB1 – SB8.
Также в схеме предусмотрена защита от перегрузки тепловыми реле КК1 – КК7, и световая сигнализация, посредствам сигнальных ламп HL1 –HL10.
В полном объеме электрическую принципиальную схему вычерчиваем на листе 2 графической части.
7. Выбор средств автоматизации
7.1 Расчет параметров потребителей
Для выбора средств автоматизации необходимо рассчитать рабочие параметры потребителей, в частности в нашем случае электродвигателей.
Номинальный ток электродвигателя:
(7.1)
где Рн - Номинальная мощность электродвигателя, кВт;
cosφ – коэффициент мощности ЭД, о.е.;
Uн – номинальное напряжение, кВ.
Для привода питателя картофеля:
Технические данные потребителей сводим в таблицу 7.1.
Таблица 7.1 ─ Технические данные электродвигателей [5, приложение 10]
| Обозначение | Наименование рабочей машины | Тип | Рн | Iн | η | nн | cos φ | Ki |
| кВт | А | % | мин-1 | о.е. | о.е | |||
| М1 | Питатель картофеля | АИР90L4 | 2,2 | 6,02 | 81 | 1500 | 0,83 | 6,5 |
| М2 | дозатор – питатель кормнцкормов | АИР71В4 | 0,75 | 2,05 | 73 | 1500 | 0,76 | 5 |
| M3 | насос обрата | АИР71В4 | 0,75 | 2,05 | 73 | 1500 | 0,76 | 5 |
| M4 | мешалка | АИР100S4 | 3,0 | 6,1 | 84,5 | 1500 | 0,88 | 7 |
| М5 | корморазадтчик | АИР80А4 | 1,1 | 2,75 | 75 | 1500 | 0,81 | 5,5 |
| М6 | выгрузное устройство 1 | АИР80А4 | 1,1 | 2,75 | 75 | 1500 | 0,81 | 5,5 |
| М7 | выгрузное устройство 2 | АИР80А4 | 1,1 | 2,75 | 75 | 1500 | 0,81 | 5,5 |
7.2 Выбор автоматических выключателей















