2_1 (682940), страница 4
Текст из файла (страница 4)
Выбор направления заполнения ящика смесью зависит, прежде всего, от метода изготовления стержня, а также от установки каркасов и холодильников.
В серийном производстве применяют металлические стержневые ящики. Их делают чаще разъемными с горизонтальным и вертикальным разъемом.
Для изготовления стержней данной отливки применяем пескодувный способ. Для пескодувных машин применяют разъемные стержневые ящики. При заполнении смесью они испытывают избыточное давление воздуха, абразивное действие песчано-воздушной струи, а также усилие поджима ящика к надувному соплу машины, поэтому они должны обладать повышенной жесткостью, прочностью, быть герметичными по плоскости разъема и наддува.
Для производства данной отливки в условиях серийного производства и импульсной формовки применим опоки для автоматических линий. Такие опоки имеют усиленные стенки без вентиляционных отверстий. Особенностью опок для формовки на автоматических линиях является их не взаимозаменяемость, т.е. опоки для низа и верха разные. Опока для низа не имеют втулок для скрепляющих штырей. Вместо втулок опока низа имеет коническое отверстие, в котором закрепляется штырь.
Опока верха имеет центрирующую (0290-1053 ГОСТ 15019-69) и направляющую (0290-1253 ГОСТ 15019-69) втулки.
Для сушки стержней применяем сушильные плиты с ровной опорной поверхностью. Основное требование к ним максимальная жесткость конструкции при минимальной массе. Для выхода газа из стержней в плитах предусмотрена система отверстий.
Для выполнения в стержне вентиляционных каналов применяют вентиляционные плиты. Вентиляционные каналы в стержне всегда должны быть расположены вполне определенно, особенно, если они являются частью общей вентиляционной системы.
Шаблоны предназначены для контроля размеров стержней и форм, предварительной сборки нескольких стержней в один общий узел, проверки установки стержней в форме и так далее.
-
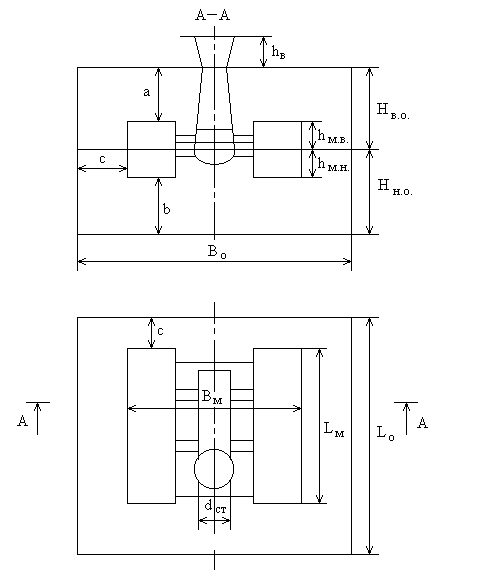
Расчет размеров опок, массы груза
Рис.3. Расстояние между отливкой и отдельными элементами формы
Длина опоки:
Lо = Lм + 2*c + dст , (35)
где Lм – длина модели, Lм = 836мм;
с – расстояние между моделью и стенкой опоки, с = 50мм 10, с.44, табл.5.2;
dст – диаметр стояка, мм.
Lo = 836 + 2*50 + 53 = 989мм
По ГОСТ 2133-75 длина опоки Lo = 1000мм 9, с.4-5, табл.3.
Ширина опоки:
Bo = Bм + 2*c, (37)
где Bм – ширина модели, Bм = 752мм;
с – расстояние между моделью и стенкой опоки, с = 50мм 10, с.44, табл.5.2;
Bo = 752 + 2*50 = 852мм.
По ГОСТ 2133-75 при длине опоки Lo = 1000мм Bo = 800мм 9, с.4-5, табл.3.
Высота нижней опоки:
Hн.о. = hм.н. + b , (38)
где hм.н. – высота модели низа, hм.н.= 190мм;
b – расстояние между низом модели и низом формы, b = 70мм 10, с.44, табл.5.2.
Hн.о. = 190 + 70 = 260мм.
По ГОСТ 2133-75 высота нижней опоки Нн.о. = 250мм 9, с.6, табл.4.
Высота верхней опоки:
Hв.о. = hм.в. + a, (39)
где hм.в. – высота модели верха, hм.в.= 262мм;
b – расстояние между верхом модели и верхом формы, b = 70мм 10, с.44, табл.5.2.
Hв.о. = 262 + 70 = 332мм.
По ГОСТ 2133-75 высота верхней опоки Hв.о. = 300мм 9, с.6, табл.4.
Подъемная сила, действующая на верхнюю полуформу:
Pф = (Fi*Hi)*м + Pст. (40)
где Рст – подъемная сила, действующая на стержень, Рст = 208303.576г.
Fi – горизонтальная проекция поверхности элемента литейной формы, находящегося под давлением столба металла высотой Нi;
Нi – высота столба металла, измеряемая от поверхности Fi, до уровня металла в литниковой воронке;
м – удельный вес жидкого металла, для стали м = 7г/см3.
Fi*Hi = {[252*3.14/4 + 162*3.14/4 + 20.5*33 – 11.52*3.14/2 – 102*3.14/2 – 7.52*3.14/2]*25.3 + [(7.52 – 6.52)*3.14]*20.3/2 + [3.14*2.25*32.18 + 3.14*2.25*29.04]*9.8 + 22*.08*27 + [18.2*1.9 + 6.2*1.9]*20.3 + [5*5.5 + 5*5.5 + 3*5.5]*20.3 +[11.5*5.5 + 10*5.5 + 2*3.14*1.52]*34.8}*2 = 46306.084.
Тогда подъемная сила, действующая на верхнюю полуформу равна:
Pф = 46306.084*7 + 208303.576= 532446.164 г.
Масса груза:
Pгр = Pф*K – Qв.п.ф. , (41)
где K – коэффициент запаса, учитывающий явление гидравлического удара при контакте металла с потоком формы, K=1.3 – 1.5, принимаем K=1.4;
Qв.п.ф. – масса верхней полуформы, г,
Qв.п.ф. = Qв.п. + Qсм.в.о., (42)
Qв.п. – масса металла опоки, т.к. масса опоки мала по сравнению с
массой смеси в ней, то Qв.п. = 0;
Qсм.в.о. – масса смеси в верхней полуформе, г,
Qсм.в.о. = (L*B*Hв.о. – Vм.в.)*см, (30)
где см – плотность формовочной смеси, см = 1.5 – 1.8г/см3, принимаем
см = 1.65 г/см3.
Vм.в. – объем модели верха, см3;
Vм.в. = {(252 + 162)*10.7*3.14/4 + 20.5*33*10.7 + 22*0.8*9 + (7.52 – 6.52)*6.5*3.14/2 + 1450.45 + 1308.92 + (18.2*1.9 + 6.2*1.9)*15.7 + (5*5.5 + 5*5.5 +3*5.5)*15.7 +(11.5*5.5 + 10*5.5 – 2*3.14*1.52)*1.2 + 70.4*12}*2 = 41038.59 см3.
Qв.п.ф. = Qсм.в.о. = (100*80*30 – 41038.59)*1.65 = 328286.33г.
Тогда масса груза:
Pгр = 532446.164*1.4 – 328286.33 = 417138.3г.
-
Выбор формовочных и стержневых смесей
Формовочными материалами называют материалы, применяемые для изготовления литейных форм и стержней.
Формовочные материалы в зависимости от условий их применения должны отвечать следующим требованиям:
-
обеспечивать необходимую прочность смеси в сыром и сухом состояниях;
-
предотвращать прилипаемость смеси к модельной оснастке;
-
придавать смеси текучесть, необходимую для воспроизведения контуров модели и стержневого ящика;
-
обладать низкой газотворной способностью;
-
обеспечивать податливость формы или стержня при затвердевании и охлаждении отливки;
-
обладать достаточной огнеупорностью и низкой пригораемостью к отливке;
-
обеспечивать хорошую выбиваемость формы и стержня;
-
обладать низкой стоимостью, быть недефицитными и безвредными для окружающих;
-
иметь низкую гигроскопичность;
-
быть долговечными.
Формовочные пески являются основными наполнителями формовочных и стержневых смесей. В качестве формовочных в большинстве случаев применяют кварцевые пески, состоящие из зерен кремнезема (Si2O) определенной величины и формы. Широкое применение этих песков объясняется тем, что они в высокой степени соответствуют условиям работы литейной формы.
Формовочные глины применяют в качестве минерального связующего в формовочных и стержневых смесях. Формовочными глинами называют горные породы, состоящие из тонкодисперсных частиц водных алюмосиликатов, обладающих связующей способностью и термохимической устойчивостью и способных обеспечить прочные, не пригорающие к поверхности отливок формовочные смеси. При формовке по-сырому отдается предпочтение бентонитовым глинам.
При изготовлении стержневых смесей добавка формовочной глины не обеспечивает получения надлежащей прочности стержней, поэтому в смеси вводят другие связующие добавки, обладающие более высоким значением удельной прочности. Такие добавки называются связующими материалами или крепителями. Связующие материалы должны обладать следующими требованиями:
-
при приготовлении формовочных и стержневых смесей равномерно распределяться по поверхности зерен формовочного песка за определенное время;
-
обеспечивать пластичность смеси;
-
обеспечивать быстрое высыхание стержня и формы;
-
не обладать гигроскопичностью;
-
обладать малой газотворной способностью при сушке и заливке расплава в форму;
-
обеспечивать податливость формы и стержня;
-
не снижать огнеупорность формовочной и стержневой смеси;
-
легко разрушаться при выбивке формы;
-
быть безвредными для окружающих, дешевыми и недефицитными.
В качестве связующих материалов используем крепители Б-2 и Б-3. Эти крепители рекомендуется применять для стержневых смесей, из которых изготавливают стержни IV класса, к которым относятся стержни для данной отливки. К этому классу относят стержни несложной конфигурации, образующие внутренние обрабатываемые полости в отливках или внутренние необрабатываемые поверхности, к которым не предъявляются высоких требований 2, с.67.
Крепители Б-2 (декстрин, пектиновый клей) и Б-3 (патока, сульфидно-спиртовая барда) обладают многими общими технологическими свойствами, что позволяет заменять эти материалы друг другом при незначительном изменении состава смеси.
Стержневые смеси и стержни на крепителях Б-2 и Б-3 отличаются следующими свойствами:
-
После сушки стержни на крепителях Б-2 имеют достаточно высокую прочность.
-
Прочность сухих и сырых стержней резко увеличивается при добавлении в состав смеси глины.
-
Текучесть смесей умеренная.
-
Температура сушки стержней 160С - 180С.
-
Стержни обладают достаточной поверхностной прочностью.
-
Газотворная способность смесей невелика.
-
Стержни для снижения пригораемости подвергают окраске.
-
Выбиваемость стержней удовлетворительная, если в смесях не содержится глины.
Классификация формовочных смесей
Качество и стоимость отливок в значительной степени зависят от правильного выбора состава и технологических свойств формовочной смеси. При выборе состава смеси учитывают:
-
род заливаемого металла, сложность и назначение отливки;
-
наличие необходимых материалов;
-
серийность производства;
-
технологию изготовления и сборки форм;
-
планируемую себестоимость.
По виду заливаемого металла смеси делятся на 3 группы: для стальных, чугунных и отливок из цветных сплавов. Такое деление обусловлено, прежде всего, температурой заливки металла в форму. Для стали, эта температура составляет 1550С 11, с.51.
Независимо от рода металла формовочные смеси делятся:
-
по характеру использования – на единые, облицовочные и наполнительные;
-
по состоянию формы перед заливкой – на смеси для форм, заливаемых в сыром состоянии (формовка по-сырому), и смеси для форм, заливаемых в сухом состоянии (формовка по-сухому).
Если смесь заполняет весь объем формы, то она называется единой. Такие смеси применяют при машинной формовке в цехах серийного и массового производства. Поскольку эти смеси непосредственно воспринимают агрессивное воздействие металла, они должны иметь высокие технологические свойства. Поэтому единые смеси готовят из наиболее огнеупорных и термохимически устойчивых формовочных материалов, которые обеспечивают долговечность смесей.
Применение единых смесей позволяет сократить цикл приготовления формы и тем самым повысить производительность формовочных агрегатов.
Для единых смесей особенно высокие требования предъявляются по газопроницаемости – эти смеси применяются при формовке по-сырому и поэтому обладают высокой газотворной способностью. Отсюда вытекает условие, чтобы требуемая прочность достигалась при минимальном содержании глины, что дает возможность снизить влажность смеси. Поэтому для единых смесей чаще используют бентонитовые глины, имеющие наибольшую связующую способность. В сочетании с добавками крепителей Б-2 и Б-3 бентониты позволяют получить формовочные смеси с влажностью 1.8 – 2.5%. Иногда воду заменяют органическими растворителями (например, этиленгликолем), при этом резко улучшается чистота поверхности и снижается брак отливок.
Формовочные смеси для стального литья
Формовочные смеси для стального литья отличаются от смесей для чугунного литья большей огнеупорностью, так как температура заливки стали превышает 1500С. Высокая температура заливки способствует увеличению химического и термического пригара, поэтому трудности получения оливок с чистой поверхностью увеличиваются.
Для приготовления формовочных смесей применяют в основном обогащенные и кварцевые пески классов 1К и 2К с содержанием кремнезема не менее 95%. Глинистые пески для изготовления форм стального литья не применяют.
При изготовлении форм для отливки малой массы предпочтительно применяют кварцевые пески зернистостью 016А 02А, что обеспечивает низкую шероховатость поверхностей отливок.
Состав смеси 3, с.121:
Песок 1К016А - 8%,
Оборотная смесь –90%,
Сульфитно-дрожжевая бражка – 1%,
Глина – 1%.















