2_1 (682940), страница 3
Текст из файла (страница 3)
где Fn - суммарная площадь сечения питателей, см2;
G – полная масса металла в форме вместе с л.с. и прибылями, кг;
- удельный вес жидкого металла, для стали = 7г/см3 10, с.39;
- коэффициент расхода л.с.;
- время заливки, с;
Hр – средний, расчетный напор, действующий в л.с. во время заливки, см;
g – ускорение силы тяжести, g = 981см/с2.
В случае заливки чугуна и стали формула (11) имеет вид:
Так как данная отливка требует установки прибылей, то металлоемкость отливок определяется по формуле:
где Gотл – масса отливки, кг;
ТВГ – технологический выход годного, для данной отливки ТВГ = 0.65 10, с.40;
Масса отливки определяется по формуле:
Gотл = 2*(Gдет + Gпр.м.о.) (16)
где - Gдет – масса детали, Gдет = 42.5кг;
Gпр.м.о. – масса металла на припуски и механическую обработку, кг;
Припуски на механическую обработку составляют 7 –10% от массы детали, принимаем 9%.
Gпр.м.о.= 0.09*Gдет. = 0.09*42.5 = 3.83кг, (17)
Gотл = 2*(42.5 + 3.83) = 92.66кг
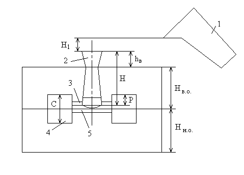
Расчетный напор определяется по формуле Дитерта:
где H – начальный напор, или расстояние от места подвода металла к
отливке до носка ковша, см;
P – расстояние от самой верхней точки отливки до уровня подвода, см;
С – высота отливки по положению при заливке, см.
Чтобы определить Н, нужно знать высоту опок Нв.о. и Нн.о. Их размеры рассчитываются в пункте 1.9.
Рис.1. Схема к определению расчетного напора:
1 – носковый ковш;
2 – приемное устройство (воронка);
3 – питатель;
4 – отливка;
5 – стержень.
По рис.1.:
Н = Нв.о. + hв – b/2, (19)
где Нв.о. – высота верхней опоки, Нв.о.= 15см;
hв – высота уровня металла в воронке, hв =6см (высота воронки Нв = 75 мм) 10, с.44;
b - высота стержня, b = 18.4 см.
Н = 15 + 6 – 18.4/2 = 11.8 см.
Р = hм.в. – b/2, (20)
где hм.в. – высота модели верха, hм.в. = 26.25 см.
Р = 26.25 – 9.2 = 17.05 см.
С = hм.в. + hм.н. (21)
где hм.н. – высота модели низа, hм.н. = 15.5 см.
С = 26.25 + 15.5 = 41.75 см.
Тогда рабочий напор равен:
Коэффициент расхода л.с.:
Для соотношения (10):
Время заливки определяется по формуле Беленького, Дубицкого, Соболева:
где S – коэффициент времени, для стальных отливок S = 1.41.6 10, с.58, принимаем S = 1.5;
- толщина определяющей стенки, = 15мм;
G – масса отливки вместе с л.с., кг.
Тогда Fп равна:
Скорость заливки:
Общая формула для определения площадей сечения остальных элементов л.с.:
Fi = Fп*ki*Pi , (25)
где Fп – площадь одного питателя, см2;
ki – отношение площади i – ого элемента л.с. к суммарной площади питателей, обслуживаемых i-ым элементом;
Pi – число питателей, обслуживаемых i – ым элементом, Pi = 4.
Для питателя:
Для литникового хода:
Fл.х. = 4.21*1.15*4 = 19.36см2.
Для стояка:
Fст = 4.21*1.3*4 = 21.89см2.
Рис.2. Сечения элементов литниковой системы
-
Расчет размеров прибылей и холодильников
Усадочные раковины образуются в отливках вследствие уменьшения объема жидкого металла при охлаждении и, в особенности, при переходе его из жидкого состояния в твердое. Они относятся к числу основных пороков отливок, с которыми литейщикам приходится повседневно работать. Для борьбы с усадочными раковинами применяются литейные прибыли, представляющие собой резервуары жидкого металла, из которых происходит пополнение объемной усадки отдельных частей отливки, расположенных вблизи прибыли.
От эффективности работы прибыли зависит качество отливки и процент выхода годного литья. Установка прибылей способствует выполнению принципа направленной кристаллизации.
Прибыль должна:
-
обеспечить направленное затвердевание отливки к прибыли; поэтому ее надо устанавливать на той части отливки, которая затвердевает последней;
-
иметь достаточное сечение, чтобы затвердеть позже отливки;
-
иметь достаточный объем, чтобы усадочная раковина не вышла за пределы прибыли;
-
иметь конструкцию, обеспечивающую минимальную поверхность.
Холодильники, как правило, применяются для регулирования скорости затвердевания различных частей отливки с целью достижения принципа равномерного или одновременного затвердевания.
Применение верхней л.с. позволяет получить в отливке температурный градиент соответствующий направленному затвердеванию. Таким образом, на верхние по заливке массивные части (разогретые заливаемым металлом) устанавливаем прибыли. В нижние по заливке массивные части попадет холодный металл, поэтому эти части не требуют дополнительного охлаждения, и, соответственно применения холодильников.
Расчет прибылей по методу проф. Андреева
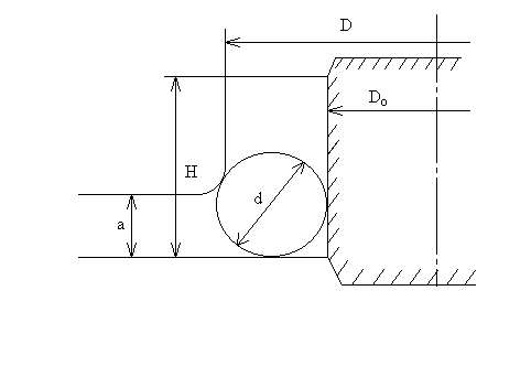
Большинство способов расчета прибылей основаны на "методе вписанных окружностей". Суть его заключается в том, что на листе бумаги в натуральную величину вычерчивается термический узел и в него вписывают окружность так, чтобы она касалась стенок отливки. Окружность диаметром d и есть размер термического узла (рис. 3).
Рис. 3. Термический узел.
Прибыль №1
Диаметр круга, вписанного в узел 12, с.26, см:
где a – толщина боковой стенки, a = 1.5 см;
D – наружный диаметр узла, D = 23 см;
Do – внутренний диаметр узла, Do = 18 см.
Диаметр кольца компенсирующего металла, см:
где Н – высота питаемого узла, Н = 6.5 см.
Диаметр прибыли, см:
Dп = do + d1, (28)
Dп = 1.0 + 3.18 = 4.18см
Высота прибыли, см:
Нп = do + 0.85* Dп, (29)
Нп = 1.0 + 0.85*4.18 = 4.55см
Длина прибыли: Lп1 = 32.18см.
Прибыль №2
Диаметр круга, вписанного в узел 12, с.26, см:
где a – толщина боковой стенки, a = 1.5 см;
D – наружный диаметр узла, D = 20 см;
Do – внутренний диаметр узла, Do = 15 см.
Диаметр кольца компенсирующего металла, см:
где Н – высота питаемого узла, Н = 6.5 см.
Диаметр прибыли, см:
Dп = do + d1,
Dп = 1.0 + 3.18 = 4.18см
Высота прибыли, см:
Нп = do + 0.85* Dп,
Нп = 1.0 + 0.85*4.18 = 4.55см
Длина прибыли: Lп2 = 29.04см.
Объем прибылей
Масса прибылей:
Gпр = (Vпр1 + Vпр2)*ж.ме., (32)
Gпр = 2*(551.59 + 497.77)*7 = 14691.04г.
Выход годного равен:
где Gл.с. – масса л.с., Gл.с. равен 1015% от Gотл, принимаем 12%.
Gл.с. = 0.12*92.66 = 11.12кг
Тогда:
Так как ТВГ значительно больше принятого, то скорректируем объем прибылей для получения принятого ТВГ.
Требуемая масса прибылей равна:
Суммарный объем таких прибылей равен:
Тогда скорректированные параметры прибылей равны:
Dп = 4.5см;
Нп = 10.5см.
Масса этих прибылей:
Gпр = 2*(1450.45 + 1308.92)*7 = 38631.18г.
Тогда конечный ТВГ равен:
- что очень близко к принятому.
-
Обоснование применяемой оснастки
Основную массу фасонных отливок из различных литейных сплавов изготовляют в разовых песчаных формах. Для получения таких форм используют специальную модельно–опочную оснастку, необходимую для получения частей формы, стержней и их сборки. Комплект модельно–опочной оснастки включает: модели и модельные плиты для изготовления по ним частей формы, стержневые ящики для изготовления стержней, вентиляционные плиты для образования вентиляционных каналов в стержнях, плоские и фигурные (драйеры) сушильные плиты для сушки стержней, опоки, приспособления для контроля формы в процессе сборки, а также холодильники, штыри для соединения опок и другой инструмент.
Моделями называют приспособления, предназначенные для получения в литейных формах полостей, конфигурация которых соответствует изготовляемым отливкам.
Для машинной формовки модели монтируют на специальных плитах, которые называют модельными плитами. Для серийного производства данной отливки используем одностороннюю наборную плиту (модель, расположенную только на одной верхней стороне, крепят к плите болтами по ГОСТ 20342-74).
В условиях серийного производства отливок используются металлические модели и плиты. Они имеют следующие преимущества: долговечность, большую точность и более гладкую рабочую поверхность. Их используют при машинной формовке, которая предъявляет определенные требования к конструкции и качеству модельной оснастки. Материалом для модели данной отливки, а также для плиты служит сталь марки Ст 15Л (высокая прочность и износостойкость).
Конструкция модельной плиты (0280-1391/002 ГОСТ 20109-74) зависит главным образом от типа машины, на которой будет изготовляться полуформа, конструкции отливки, получаемой по данному модельному комплекту. Модельная плита по периметру имеет вентиляционные отверстия (венты), необходимые для удаления воздуха при импульсной формовке. Количество вент определяется соотношением
, диаметр венты 56мм.
Для фиксирования опоки на плите они имеют 2 штыря: центрирующий (0290-2506 ГОСТ 20122-74), который предохраняет опоку от смещений в горизонтальном направлении, и направляющий (0290-2556 ГОСТ 20123-74), предохраняющий опоку от смещений относительно поперечной оси плиты.
Конструкция стержневого ящика зависит от формы и размеров стержня и способа его изготовления. По конструкции стержневые ящики подразделяют на неразъемные (вытряхные) и разъемные.















