105239 (682918), страница 5
Текст из файла (страница 5)
Аналогично производиться расчёт второй цилиндрической зубчатой передачи приспособления для лазерного борирования.
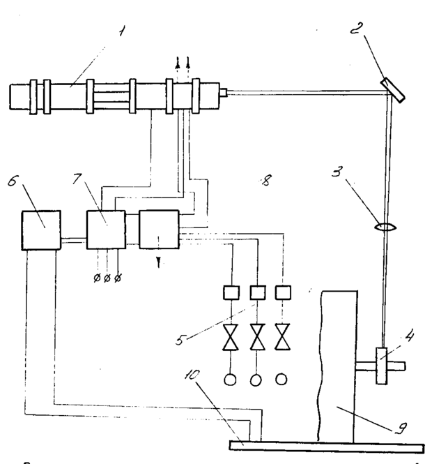
Разработанная нами схема приспособления обеспечивает необходимую частоту вращения обрабатываемой детали, а так же перемещение луча по всей обрабатываемой поверхности.
Применение шагового двигателя в приспособлении позволяет значительно упростить его кинематическую схему.
Универсальность шагового двигателя состоит в том, что при работе его с дискретным разомкнутым приводом, возможно, регулировать скорость методом частичного регулирования скорости до нуля.
Рис. 2.2. Схема приспособления для лазерного борирования
1. Зеркало
2. Линза
3. Кулачёк
4. Ползун
5. Плита
6. Стойка
7. Пружина
8. Редуктор
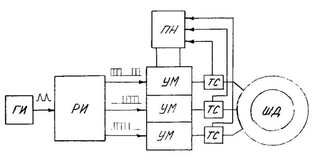
Рис. 2.3. Схема разомкнутого привода с силовым ШД
ГИ – генератор импульсов;
РИ – распределитель импульсов;
УМ – усилитель мощности;
ПН – преобразователь напряжения;
ТС – отрицательная связь по току;
ШД - шаговый двигатель.
На рис 1.8. показана схема разомкнутого привода с силовым шаговым двигателем. Она состоит из задающего генератора импульсов, распределителя импульсов, преобразующего однополярные напряжения в трёх фазные системы, усилителей мощности, питающихся от широтно – импульсного преобразователя напряжения питания ПН с жёсткой отрицательной связью по току ТС.
Такие системы с разомкнутым шаговым приводом имеют самую простую структуру и в настоящие время получили наибольшее распространение. Они используются для управления металлорежущими станками, газорезательными и сварочными автоматами, координатографами, лентопротяжными и регистрирующими устройствами, дистанционными передачами и т.п. В этих системах дискретный входной сигнал поступает на шаговый привод и отрабатывается двигателем в виде углового перемещения.
Перейдём к рассмотрению лазерной установки «Кардамон», предназначенной для поверхностного упрочнения и наплавки металлов и сплавов. Максимальное значение плотности мощности, достигаемой при фокусировке излучения такого лазера составляет 104 – 105 Вт/см2.
Установка «Кардамон» (Рис. 1.9.) состоит из четырёх газоразрядных труб длинной 6,5 м, которые размещены в жёсткой стальной трубе диаметром 53 см, оптически соединяются шестью полностью отражающими зеркалами. Зеркала крепиться в специальных водоохлаждаемых гнёздах. Радиусы кривизны этих зеркал 24 метра. В центральной части труб размещены безразрядные промежутки. Установка работает на смеси газов (углекислого, азота и геля) с медленной прокачкой газовой смеси. Мощность непрерывного излучения 800 Вт.
Внешней оптической системой лазера излучение фокусируется в пятно диаметром от 2 до 4 мм. Высокая локальная плотность энергии потока позволяет производить следующие термические операции на поверхности детали:
1) Закалка поверхностного слоя новых деталей на глубину до 0,5 мм. Режим закалки обеспечивается движением детали со скоростью 5-10 мм/с.
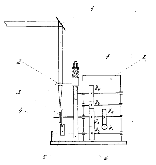
Рис. 2.4. Принципиальная схема установки «Кардамон»
1 – рабочая камера; 2- зеркало; 3- линза; 4 – деталь; 5- газовая система; 6 – пульт управления; 7 - генератор напряжения; 8 – насосная система; 9 – приспособление; 10 – плита.
Устройство подачи детали под луч обеспечивает вращательное и поступательное движение в широком диапазоне скоростей.
2) Легирование поверхности детали бором. Режим легирования обеспечивается при скоростях 5-10 мм/с. Применяется для новых деталей.
3) Оплавление предварительно нанесённого на изменённую деталь порошкового слоя толщиной до 0,5 мм. Режим оплавления обеспечивается при скоростях 4-5 мм/с.
2.4. Технология упрочнения
Для разработки осуществления технологического процесса лазерного борирования необходимо решить следующий комплекс взаимосвязанных задач:
-
Выявить основные и вспомогательные режимы обработки;
-
Выявить взаимосвязь параметров с элементами упрочненной поверхности материалов;
-
Разработать оптимальную схему обработки поверхности;
-
Выбрать оснастку;
-
Разработать схему базирования детали под лучом;
-
Выбрать обмазочные материалы, увеличивающие поглощение лазерного излучения, и средства их нанесения;
-
Обеспечить максимальную производительность процесса путем его механизации и автоматизации.
Технология непрерывного лазерного борирования имеет ряд преимуществ по сравнению с импульсной лазерной обработкой. Во-первых, нет ограничения по длительности лазерного воздействия. Это позволяет увеличить производительность и геометрические размеры упрочненных зон, а также в более широком интервале изменять структуру и свойства зоны обработки, так как возможно осуществление процесса, как с плавлением, так и без плавления поверхности. Во-вторых, по длине упроченных полос нет зон многократного нагрева, и, следовательно, имеется возможность увеличения равномерности свойств по поверхности.
В случае применения непрерывного лазерного воздействия необходимо принимать меры к увеличению поглощения излучения.
К основным параметрам непрерывной лазерной обработки относятся:
- мощность излучения (Вт);
- диаметр пятна нагрева (мм);
- скорость перемещения луча по детали (мм/с).
Высокая эффективность лазерной обработки достигается в случае применения специальных поглощающих покрытий, наносимых на поверхность детали в месте ее обработки.
Данная деталь обрабатывается непрерывно, то есть луч скользит по поверхности постоянно с определенным диаметром пятна. Это обеспечивается тем, что линза находится относительно детали всегда на одном расстоянии, т.к. фокус не меняется.
Заканчивают процесс лазерной обработки восстановлением. Восстановление включает в себя промывку деталей от грязи и масла; механическую обработку изношенной поверхности при помощи шлифовальных машин; напыление порошкового материала; установку детали в приспособление; установку режимов работы и скоростных режимов.
3. ИССЛЕДОВАТЕЛЬСКАЯ ЧАСТЬ
3.1. Лазерная обработка на CO2 - лазере
В качестве способа упрочнения, учитывая вышеизложенный материал и анализируя его предлагается лазерное легирование (борирование) с применением СО2 – лазера.
При лазерном борировании нормализованной стали марки 40Х непрерывным излучением СО2 – лазера в зоне оплавления образуется мелкодисперсный реечный мартенсит с микротвёрдостью 7000 – 8500 МПа.
Зона закалки без оплавления состоит из верхней области, с однородной структурой. В верхней области формируется мартенсит с микротвёрдостью, как в зоне оплавления. В нижней области по глубине не увеличивается неоднородность вследствие и последовательности:
- мартенсит – тростит;
- мартенсит и тростичня сетка;
- тростично – ферритная сетка;
- феррит.
При лазерном борировании используем СО2 – лазер с обрабатывающеё головкой (линзой). Поверхностная обработка осуществляется расфокусированным пучком – двойной переход с перекрывающимися краями. Обработку ведём с помощью сконструированного нами приспособления методом копирования.
3.2. Испытание материала на износ
Испытание материала – сталь 40Х (ГОСТ 1050-88) проводим на машине СМЦ – 2. Машина предназначена для испытания материалов на износ и определения их антифрикционных свойств при трении скольжения и трении качения, при нормальных температурах с парами образцов диск - диск, диск – колодка и втулка – вал.
Машина модели СМЦ состоит из следующих узлов:
-
Каретка – предназначена для проведения испытаний без смазки и СО-смазкой с образцами:
- диск по диску при трении качения с проскальзыванием;
- диск- колодка при трении скольжения.
-
Механизм нагружения предназначен для установки образца и приложения нагрузки.
-
Бабка нижнего образца предназначена для установки образца в каретку.
-
Датчик для измерения крутящего момента (момента трения) на машине. Бесконтактный индуктивный датчик состоит из двух частей вращения ротора и статора (неподвижного).
-
Привод электромеханический со ступенчатым регулированием скоростей.
-
Пульт управления – выполняется отдельным узлом, который можно устанавливать отдельно.
Машина СМЦ может работать по двум схемам:
-
С замкнутым кинематическим контуром при фиксированном значении коэффициента проскальзывания образцов в паре трения диск по диску.
-
С открытым кинематическим контуром, когда один из образцов неподвижен, в частности, по схеме вал – втулка.
Принцип работы в обоих случаях заключается в том, что образцы получают относительное движение при заданной нагрузке. При этом они изнашиваются, а момент трения на валу нижнего образца измеряется и записывается. Машина не обеспечивает непосредственное измерение износа в процессе испытания.
В нашем случае испытания будем проводить с круглыми образцами «диск по диску» без смазки.
Устанавливают верхний и нижний образцы. Нижний образец устанавливают на валу, верхний устанавливают и крепят на другом при оттянутой в рабочее положение каретке. Затяжка образцов должна быть достаточной, чтобы не было проскальзывания при работе.
После установки образцов каретку опускают до их соприкосновения . Одевают нагрузочную скобу на кронштейн.
3.3 Исследование износостойкости покрытия
Образцы подвергались испытанию в течение часа при нагрузке 750 Н, совершая при этом 30 000 оборотов. Материалом для рабочего тела служила сталь ШХ-15, твёрдостью 62...64 НRcэ.
Для проверки процесса изнашивания при внешнем трении применяют величину, называемой интегральной массовой интенсивностью изнашивания.
m - уменьшение массы деталей вследствие изнашивания поверхности;
α – путь трения, на котором произошёл износ;
Аа – номинальная плоскость изнашивания, площадь контакта.
В свою очередь: α = Пdn; Аа = 0,1 (м2); где d = 38 мм; n = 30 000 об; S = 10-5 м2.
Проверим образцы из стали 40Х с разной термообработкой на износостойкость:
-
Сталь марки 40Х закалка + высокий отпуск
m = 0,212 гр = 0,212 * 10-3 кг;
α = Пdn = 3,14 * 38 * 10-3 * 30 000 = 3579,6 м;
Аа = 0,1 * S = 0,1 * 10 * 10-3 * 10-3 = 10-6 м
отсюда J1 = 0,212 * 10-3 / 3579,6 * 10-6 = 0,059 кг/м3
-
Закалка + низкий отпуск
m = 0,102 * 10-3 кг;
J 2 = 0,0285 кг/м3
-
Закалка + высокий отпуск + лазерное борирование
m = 0,057 * 10-3 кг;
J 3 = 0,016 кг/м3
4) Закалка + низкий отпуск + лазерное борирование
m = 0,023 * 10-3 кг;
J 4 = 0,0064 кг/м3
Результаты исследований изобразим графически на схеме износостойкости покрытий и занесём в таблицу 3.1:
Таблица 3.1. Износостойкость покрытия
| № п.п | Термообработка стали 40Х | Масса изношенной поверхности m * 10-3 кг | Интенсивность износа Jg, кг/м3 |
| 1 | Закалка + высокий отпуск | 0,212 | 0,059 |
| 2 | Закалка + низкий отпуск | 0,102 | 0,0285 |
| 3 | Закалка + высокий отпуск + лазерное борирование | 0,057 | 0,016 |
| 4 | Закалка + низкий отпуск + лазерное борирование | 0,023 | 0,0064 |
Вывод
После проверки образцов из стали 40Х с разной термообработкой на износостойкость, получили максимальный результат при закалке с низким отпуском и лазерном борировании, где интенсивность износа составляет Jg = 0,0064 кг/м3.
.
4. ТЕХНОЛОГИЧЕСКАЯ ЧАСТЬ
Введение
Эффективность производства, его технический прогресс, качество выпускаемой продукции во многом зависят от опережающего развития производства нового оборудования, машин, станков, аппаратов, от всемирного внедрения методов технико-экономического развития и анализа, обеспечивающих решение технических вопросов и экономическую эффективность технологических разработок.
Ускорение НТП в машиностроении требует скорейшего внедрения новых методов упрочнения рабочих поверхностей инструмента, технологической оснастки, деталей и механизмов, работающих с большими нагрузками.















