105192 (682863), страница 7
Текст из файла (страница 7)
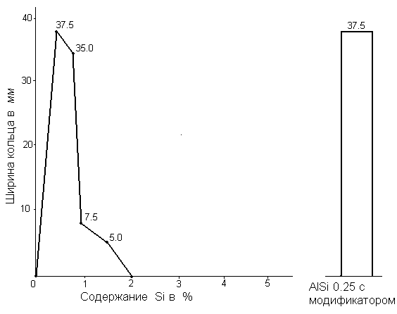
На рисунке 12 представлена кривая изменения горячеломкости сплавов системы Al – Si в зависимости от содержания второго компонента. Видно, что максимум горячеломкости соответствует сплаву, содержащему 0.25% Si. При дальнейшем увеличении концентрации кремния горячеломкость снижается и при содержании более 2% становится равной нулю. Снижение горячеломкости происходит благодаря уменьшению линейной усадки в интервале кристаллизации (вследствие увеличения количества жидкой фазы, кристаллизующейся при постоянной температуре). Увеличение количества эвтектики в сплаве создаёт также благоприятные условия для интердендритного питания и, следовательно, для залечивания возникающих трещин жидкостью эвтектического состава.
Рис.11 Отливка технологической пробы на горячеломкость
Рис.12 Изменение горячеломкости сплавов системы Al – Si
На том же рисунке (12) приведено значение горячеломкости сплава, содержащего 0.25% Si с добавкой модификатора, в качестве которого использовался Zr в количестве 0.1%. Видно, что введение модификатора не оказывает влияния на снижение горячеломкости.
На рисунке 13 представлено изменение горячеломкости сплавов системы Al – Cu в зависимости от содержания меди. Максимальной горячеломкостью обладает сплав, содержащий 0.5% Cu.
Модифицирование сплава данного состава так же, как и в предыдущем случае, не приводит к снижению горячеломкости.
При увеличении содержания меди в этой системе после точки максимальной горячеломкости снижение горячеломкости протекает более умеренно, чем в системе Al – Si. После некоторого снижения, при содержании меди, равном 4%, вновь наблюдается увеличение горячеломкости, и лишь при концентрациях меди выше 4% имеет место заметное снижение горячеломкости. Появление второго максимума горячеломкости объясняется в данном случае развитием обратной ликвации (микроструктурный анализ показал, что в кольцевых пробах сердцевина сильно обеднена медью, а поверхностные слои обогащены ею по сравнению с нормальной структурой сплава).
В тройной системе Al – Si – Cu (рисунок 14) при увеличении концентрации кремния и меди существенное снижение склонности к образованию горячих трещин после достижения максимума горячеломкости (42.5 мм) обуславливается главным образом влиянием кремния (образованием эвтектической составляющей). Уже при содержании обоих легирующих элементов в количествах выше 3%, горячеломкость снижается до такого уровня (15-22.5 мм), который позволяет гарантированно получать свободные от горячих трещин сложные по конфигурации отливки методами литья в постоянные металлические формы.
Эффективный интервал кристаллизации при добавлении к чистому металлу второго компонента возрастает, достигает максимума на концентрационной границе появления эвтектики и затем постепенно уменьшается до нуля в точке совпадения температуры начала линейной усадки с эвтектической горизонталью. Горячеломкость тем больше, чем больше эффективный интервал кристаллизации, и поэтому состав сплава должен совпадать с границей появления эвтектики. Это положение сыграло важную роль в изучении зависимости горячеломкости от состава, так как оно позволило связать сопротивляемость сплавов образованию трещин с диаграммой состояния и, в первом приближении, предсказать область составов наиболее горячеломких сплавов. Появление эвтектики и распределение её по границам кристаллитов в виде тонких прослоек существенно охрупчивает сплав, снижая его механические свойства, и, следовательно, его способность сопротивляться возникающим напряжениям. Кроме того, у сплавов с наибольшим эффективным интервалом кристаллизации линейная усадка в этом интервале получает максимальное
Рис.13 Изменение горячеломкости сплавов системы Al - Cu
Рис.14 Изменение горячеломкости в сплавах системы Al – Si – Cu
развитие и вызывает максимальные напряжения. У исследуемых сплавов максимальной горячеломкостью обладают сплавы следующих составов:
Al – Si 0.25, Al – Cu 0.5, Al – Si 0.25 – Cu 0.25. Величина горячеломкости этих сплавов различается незначительно и находится в пределах 37.5 – 42.5 мм по показаниям используемой кольцевой технологической пробы.
Модифицирование наиболее горячеломких сплавов титаном и цирконием либо не оказывает, либо оказывает незначительное влияние на снижение горячеломкости этих сплавов. Некоторое снижение горячеломкости (сплав тройной системы) можно объяснить тем, что при измельчении зёрен увеличивается количество стыков между ними, а это в свою очередь увеличивает прочность их связи. Кроме того, соединение зёрен между собой происходит при большем количестве твёрдой фазы, следовательно, линейная усадка получает более позднее развитие и к концу кристаллизации достигает меньшей величины, чем у немодифицированного сплава. Тем не менее, эти два фактора, очевидно, не способны в значительной мере компенсировать возникающие высокие по своему значению усадочные напряжения при кристаллизации этих сплавов.
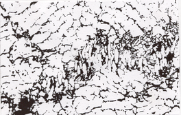
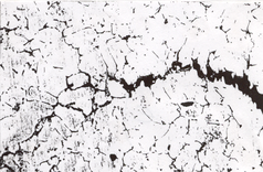
Изучение микроструктуры показало, что характер возникновения и развития горячих трещин всех исследуемых сплавов примерно одинаков, особенно при малых концентрациях легирующих элементов. Горячие трещины развиваются по прослойкам эвтектической составляющей сплава, располагающимся по границам зёрен. При высоком содержании легирующих элементов микроструктура отличается количеством и формой распределения эвтектики. В качестве примера на рисунке 15 приведена микроструктура сплавов системы Al – Si – Cu в местах образования и развития горячих трещин. На рисунке 15 а и 15 б представлена микроструктура сплава Al – Si 0.25 – Cu 0.25 соответственно немодифицированного (а) и модифицированного (б). Структура этих сплавов характеризуется незначительным содержанием легкоплавкой составляющей. Модифицированный сплав имеет более мелкое зерно и более тонкое распределение эвтектики по границам зёрен. Такое распределение эвтектики при небольшом её количестве не может благоприятно сказаться на горячеломкости и является основной причиной незначительного действия модифицирования на снижение горячеломкости. Дальнейшее увеличение содержания кремния и меди в сплаве до 1% не приводит к существенному изменению структуры (рисунки 15 в и 15 г). Однако следует отметить, что с дальнейшим увеличением содержания кремния и меди в сплаве появляется всё больше эвтектической составляющей. Увеличение количества жидкой фазы к концу кристаллизации приводит к затруднённой усадке, что в свою очередь приводит к увеличению пластичности сплава в этом интервале кристаллизации. К тому же, создаются благоприятные условия для залечивания трещин эвтектической жидкостью. На рисунках 15 д и 15 е видны участки частично залеченных трещин, а на рисунке 15 ж - полностью залеченная крупная горячая трещина.
в) г)
ж)
Рис.15 Микроструктура сплавов системы Al – Si – Cu c горячими трещинами: а) Si – 0.25, Cu – 0.25;б) Si – 0.25, Cu – 0.25 с модификатором; в) Si – 0.5, Cu – 0.5;г) Si – 1.0, Cu – 1.0; д) Si – 2.0, Cu – 2.0;е) Si – 3.0, Cu – 3.0; ж) Si – 4.0, Cu – 4.0
2.3. МЕТОДИКА ПРОВЕДЕНИЯ ДИФФЕРЕНЦИАЛЬНОГО ТЕРМИЧЕСКОГО АНАЛИЗА ИССЛЕДУЕМЫХ СПЛАВОВ
Для подтверждения данных, полученных методом исследования опытных сплавов по кольцевой пробе, был использован метод дифференциального термического анализа, который позволяет проанализировать изменение темпа кристаллизации сплавов и связать его с изменением состава сплавов.
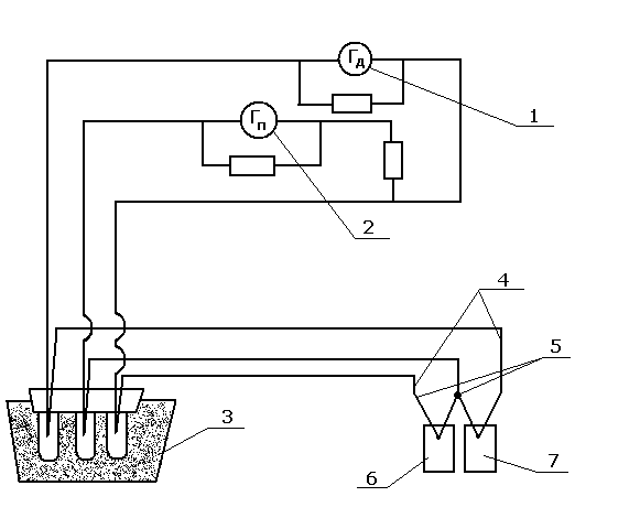
Установка для дифференциального термического анализа (Д Т А) ( рисунок 16) состоит из нагревательной электрической печи с тепловым экраном, обеспечивающим идентичность помещённого в нём образца и эталона. Горячие спаи простой и дифференциальной термопар крепились на образце с помощью прижимного устройства, которое обеспечивало хороший контакт на протяжении всего интервала кристаллизации. Сигнал от термопар поступал на зеркальные гальванометры типа М17. Отклонение зеркальца фиксировалось по записи на фотобумаге светового зайчика. Основное преимущество данной системы – её малая инерционность. Использовались термопары группы ХА, диаметр 0.5 мм, холодные спаи которых были термостатированы в сосуде Дьюара с тающим льдом. Полная идентичность горячих спаев обеспечивалась их изготовлением по общему срезу. Особенностью данной методики ДТА является регулировка чувствительности гальванометров, которая обеспечивала очерчивание дифференциальной кривой единой площади (рисунок 17). Это позволило оценить теплоту плавления образца:
Qпл. = ni=1 Si
и определить температурную зависимость относительной теплоты к моменту достижения температуры:
ti = Q/Qпл.= i1 Si/n1 Si 100%
В качестве эталона использовалась электролитическая медь, не испытывающая фазовых превращений в диапазоне исследуемых температур. Масса эталона (mэт.) рассчитывалась из условия равенства теплосодержащего эталона и образца:
mэт. = mобр. Cобр. /Cэт.
где mобр. – масса образца исследуемого сплава, Собр. и Сэт. – удельная теплоёмкость образца и эталона.
Расчёт относительной теплоты (Q/Qпл.) и темпа плавления (Q/ti) вёлся по площадям дифференциальной кривой термограммы, которые были
Рис. 16 Принципиальная схема пирометра Н.С. Курнакова
1 – дифференциальный гальванометр; 2 – простой гальванометр; 3 – сосуд Дьюара; 4 – дифференциальная термопара; 5 – простая термопара; 6 – образец; 7 – эталон.
















