49742 (666396)
Текст из файла
1. Алгоритм работы блока сложения дробных двоичных чисел в обратном модифицированном коде с фиксированной запятой
Целью данного проектирования является блок сложения двоичных чисел с фиксированной запятой, операнды поступают в блок в прямом коде, в блоке используется обратно модифицированный код. Формат операндов n=10. Блок вырабатывает флаги S,P,Z,OVR. Серия 155.
Рис 1 Общая структура БCДЧфз
1.1 Описание формата данных и результата, применяемых в операции проектируемого блока
Рис 2, Формат чисел А, В, С в прямом коде, десятиразрядный
D0-D8 – разряды числа
D9 – знаковый разряд
Диапазон:
Min = - 1111111112 = -511
Max = + 1111111112 = 511
Рис 3, Формат чисел А, В, С в обр.мод. коде, одиннадцатиразрядный
D0-D8 – разряды числа
D9,D10 – знаковый разряд
Флаги используемые в блоке:
S – флаг знака разряда результата определяется разрядом D9(D10).
S = 0 если в знаковом разряде D9 "0".
S = 1 если в знаковом разряде D9 "1".
Р – флаг паритета (или чётность результата).
Р = 1 если количество "1" числе чётно.
Р = 0 если кол-во "1" в числе не чётно.
Z – флаг нулевого результата.
Z = 1 если все разряды за исключением знакового должны быть равны 0. Z = 0 если есть наличие 1 в одном из разрядов числа, за исключением знакового.
OVR – флаг переполнения. OVR = 1 в случае когда произошло переполнение (ЗН1≠ЗН2). OVR = 0 переполнения нет (ЗН1=ЗН2).
1.2 Словесное описание работы блока Сложения
С шины данных в прямом коде подаются числа А и В формата n=10. Операнд А из прямого кода переводится в обратно модифицированный код, операнд В также переводится из прямого кода в обратно модифицированный. После перевода операнды складываются. После этого начинаются вырабатываться флаги: Z, P, S, OVR .
Операнд С переводится из обратно модифицированного в прямой код и выдается на шину данных.
2. Выбор и обоснование схемы электрической структурной БСДЧфз
Основой для построения схемы электрической является блок-схема алгоритма, в которой каждая микро операция заменяется блоком комбинационной схемы или устройством, представленным в виде прямоугольников, в которых указываются разрядность входа и выхода. Помимо этого в структурной схеме должны быть указаны у тех устройств которые имеют шины приема, сдвига и выдачи числа (регистры, счетчика и др.,) сигналы синхронизации, которые определяют последовательность выполнения микроопераций во времени.
2.1 Описание состава основных узлов и управляющих сигналов проектируемого блока по схеме электрической структурной
Рг.1 и Рг.2 являются параллельными 10-разрядным регистрами, предназначенными для приема и хранения операндов А и В в прямом коде с фиксированной запятой. Сигналы CS1 и CS2 служат для приема операндов А и В прямом коде на RG1 и RG2. Преобразователь кода Пр.К.1 и Пр.К.2 служат для перевода чисел [A] и [B] из прямого кода в обратно модифицированный. См.1 производит сложения десяти разрядных операндов [A] и [B] в обратно модифицированном коде.
Блок 2 служит для определения флага OVR (переполнения). Преобразователь кода 3 служит для перевода результата [C] из обратно модифицированного в прямой код.
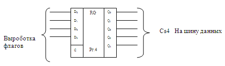
Блок 4 служит для определения флагов S,P,Z.
Регистры Рг.3 служат для хранения и получения десяти разрядного результата [C] и Рг.4 (четырёх разрядный) служит для хранения флагов S,P,Z,OVR (Рг.4).
2.2 Описание принципа работы блока сложения по схеме электрической структурной
В соответствии со схемой электрической структурной (рис. 4) С шины данных поступают числа [А] и [B] в прямом коде, которые записываются по сигналам CS1 и CS2 в регистрах Рг.1 и Рг.2.
После этого число [А] и [B] преобразуются из прямого кода в обратно модифицированный код при помощи логических элементов "исключающих или".
Затем оба числа попадают в сумматор СМ1, где они сложатся и появится результат [С].
Будет произведена проверка на наличие переполнения блоком 2, в случае переполнения на регистр Рг3 поступит уровень логической "1", в противном случае "0".
После чего результат поступит на преобразователь кода и будет преобразована в прямой код.
Произойдёт проверка флагов S, P, и Z, результаты поступят на регистр Рг3.
Затем после выполнения всех операций число будет записано в Рг4 по сигналу CS3 и отправлено на шину данных.
А в Рг5 будут записаны все флаги по сигналу CS4 и затем отправлены на шину данных.
3. Выбор и обоснование схемы электрической функциональной блока сложения двоичных чисел в обратном модифицированном коде
Данная электрическая функциональная схема блока сложения двоичных чисел в обратном модифицированном коде, строится на основе схемы электрической структурной блока сложения двоичных чисел в обратном модифицированном коде.
3.1 Выбор функциональных узлов блока сложения двоичных чисел в обратном модифицированном коде
-
Рг. 1 – параллельный десятиразрядный регистр. Служит для приема числа [А] с шины данных в прямом коде.
-
Рг 2 – параллельный десятиразрядный регистр. Служит для приема числа [В] с шины данных в прямом коде.
-
Рг. 3 – параллельный десятиразрядный регистр. Служит для приема результата [С].
-
Рг 4 – параллельный четырёх разрядный регистр. Служит для приема флагов с блока выработки флагов.
5.См.1- Сумматор. Предназначен для сложения чисел [А] и [В] в обратно модифицированном коде.
3.2 Синтез и анализ комбинационных схем
Блок 2. Определение переполнения. Данный блок построен на элементе "Исключающее или" .
Блок 4. Определение флагов S,P,Z,OVR.
S – служит для определения знака числа, берётся из старшего разряда в знаковой области результата.
Р – Флаг паритета
Z – Служит для определения равенство числа к 0. Строится на элементе "9Или-не"
Преобразователь кода.
Преобразователь кодов из прямого в обратно модифицированный и наоборот (Пр.К.1,Пр.К.2,Пр.К.3) Блок преобразования кода строится на элементе "Исключающий или".
Трёхразрядный ПрК из прямого кода в дополнительный модифицированный.
По аналогии с данным ПрК строятся преобразователи кода на любое количество разрядов.
3.3 Временные диаграммы работы проектируемого блока
Tвып.опер.= t1+t2+t3+t4
CS1 – приём числа [A]пр. на Рг.1 с шины данных.
CS2 – приём числа [B]пр. на Рг.2 с шины данных.
CS3 – приём результата [C]пр. с преобразователя кода.
CS4 – приём флагов S, P, Z, OVR на Рг.4.
t1= Рг.1
t2= Рг.2 +Пр.К+См.1+Пр.К
t3= Рг.3 +Бл2+Бл.3
t4= Рг.4
3.4 Описание принципа работы блока сложения по схеме электрической функциональной
C 10-и разрядной шины данных на входы регистров Рг.1 и Рг.2 с управляющими сигналами Cs1 и CS2 поступают числа [A] и [B] в прямом коде. Затем числа A и B поступают на преобразователи кодов, реализованных на элементах "исключающее или" и преобразуется из прямого в обратно модифицированный код . Затем числа A и B в обратно модифицированном коде поступают на сумматор Сум.1. Полученный результат [C] поступает в преобразователь кода, где преобразуется из обратно модифицированного в прямой код (при переполнении разрядной сетки знакового числа [C], знак результата в прямом коде будет взят из младшего разряда знаковой части результата [C] в обратно модифицированном коде). Происходит заполнение флагов: S, P, Z, OVR . Результат в прямом коде поступает с управляющим сигналом Cs3 и записывается в регистр Рг.3. В регистре Рг.4 записываются все флаги с управляющем сигналом CS4.
4. Выбор и обоснование схемы электрической принципиальной проектируемого блока
Схема электрическая принципиальная БСДЧФЗ строится на основании разработанной функциональной схемы и сери интегральных микросхем 155.
Схема электрическая принципиальная БСДЧФЗ представлена на листе МТКП.4302175.000
4.1 Серия 155 (SN74)
Тип схемотехнической реализации выполняемых функций: ТТЛ.
Типовые параметры:
Время задержки распространения 10нс;
Удельная потребляемая мощность 10мВт/ЛЭ;
Работа переключения 10пДж;
Коэфицент разветвления по выходу 10;
Напряжение питания +5В;
Выпускается в пластмассовых (155, к155), металлокерамических (км155) и стеклокерамических (с155) корпусах с вертикальным расположением выводов типа DIP.
Отклонение напряжения питания от номинального значения ±5%
Диапазон рабочих температур
Для 155, к155 -10 +70оС
Для км155, с155 -45 +85оС
Предельно допустимые значения параметров и режимов эксплуатации ИС к155, км155 в диапазоне рабочих температур кратковременное, в течение 5мс, напряжение питания 7В, максимальное постоянное напряжение питания 5,25В.
4.2 Особенности реализации функциональных узлов и элементов БУДЧФЗ на выбранных элементах и узлах серии 155
Для реализации десяти разрядных регистров Рг.1, Рг.2, Рг.3 используются два регистра: - восьмиразрядный универсальный регистр сдвига 155ИР13, на информационные входы подаётся код числа, S0=S1=1, на вход С подаётся тактовый импульс, DR и DL произвольно, R=1.
Для реализации преобразователя кода из прямого в обратный код и на оборот используется 9 элементов "исключающий или" ЛП5.
Для реализации одиннадцати разрядного сумматора в схеме используются три четырёх разрядных АЛУ 155ИП3, выход С4 первого соединяется со входом С0 следующего, М- вход выбора режима, Е- вход кода операции.
Для реализации "блока 2" (определение переполнения), используется элемент "исключающий или" 155 ЛП5 (см.выше).
| Обозначение узла элемента на схеме Э2 | Название и тип узла элемента в схемах Э2, Э3 | Обозначение узла элемента Э3 | Тип узла элемента в серии | Количество корпусов микросхем шт | Количество элементов в корпусе |
| 1 | 2 | 3 | 4 | 5 | 6 |
| DD1, DD2 | Регистр 10 разрядный | DD1,DD2 DD3,DD4 | К155ИР13 | 4 | 1 |
| DD3,DD4 | Преобразователь кода "искл. или" | DD5-DD7 DD8-DD10 | 155ЛП5 | 6 | 4 |
| DD5 | АЛУ выполняет функцию сумматора | DD11-DD13 | K155ИП3 | 3 | 1 |
| DD6 | Флаг переполнения "искл. или" | DD18 | 155ЛП5 | 1 | 4 |
| DD7 | Преобразователь результата | DD15-DD17 | 155ЛП5 | 3 | 4 |
| DD8 | Флаг равнозначности 0 | DD23 DD24 DD14 | К155ЛЕ4 К155ЛА4 155Лн1 | 1 1 1 | 3 3 6 |
| DD9 | Регистр 10 разрядный | DD19,DD20 | К155ИР13 | 2 | 1 |
| DD10 | Флаг чётности | DD21,DD22 DD14 | 155ЛП5 155Лн1 | 2 1 | 4 6 |
| DD11 | Регистр флагов 4 разрядный | DD25 | К155ИР13 | 1 | 1 |
Характеристики
Тип файла документ
Документы такого типа открываются такими программами, как Microsoft Office Word на компьютерах Windows, Apple Pages на компьютерах Mac, Open Office - бесплатная альтернатива на различных платформах, в том числе Linux. Наиболее простым и современным решением будут Google документы, так как открываются онлайн без скачивания прямо в браузере на любой платформе. Существуют российские качественные аналоги, например от Яндекса.
Будьте внимательны на мобильных устройствах, так как там используются упрощённый функционал даже в официальном приложении от Microsoft, поэтому для просмотра скачивайте PDF-версию. А если нужно редактировать файл, то используйте оригинальный файл.
Файлы такого типа обычно разбиты на страницы, а текст может быть форматированным (жирный, курсив, выбор шрифта, таблицы и т.п.), а также в него можно добавлять изображения. Формат идеально подходит для рефератов, докладов и РПЗ курсовых проектов, которые необходимо распечатать. Кстати перед печатью также сохраняйте файл в PDF, так как принтер может начудить со шрифтами.
















