bakalavr (664628), страница 4
Текст из файла (страница 4)
Таблица 4
| № | Порядок перехода с режима №1 на режим №3 | Порядок перехода с режима №3 на режим №1 |
| 1 | Вывести АВР 1,2 | Включить ОД1 220 кВ |
| 2 | Включить СМВ1 яч.9 | Включить ОД2 220 кВ |
| 3 | Отключить МВ ввода В2 яч.14 | Включить ВВ 220 кВ яч 10 |
| 4 | Отключить ТР2 яч.14 | Включить ТР2 яч.14 |
| 5 | Отключить ШР2 яч.14 | Включить ШР2 яч.14 |
| 6 | Вывести АВР 3,4 | Включить МВ ввода В2 яч.14 |
| 7 | Включить СМВ2 яч.20 | Отключить СМВ1 яч.9 |
| 8 | Отключить МВ ввода В4 яч.31 | Ввести АВР 1,2 |
| 9 | Отключить ТР4 яч.31 | Включить ТР4 яч.31 |
| 10 | Отключить ШР4 яч.31 | Включить ШР4 яч.31 |
| 11 | Отключить. ВВ 220 кВ яч 10 | Включить МВ ввода В4 яч.31 |
| 12 | Отключить ОД1 220 кВ | Отключить СМВ2 яч.20 |
| 13 | Отключить ОД2 220 кВ | Ввести АВР 3,4 |
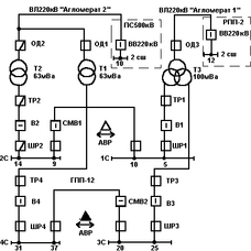
Состояние коммутационных аппаратов должно соответствовать схеме, приведенной на рис. 6.3.
Рис. 6.3. Выведена в ремонт ВЛ 220 кВ «Агломерат 2»
Режим №4. Выведен в ремонт Т1 63 мВа
Для перевода электроустановки в режим №4 и, обратно, в нормальный режим работы, пользователь должен выполнить операции, согласно последовательности, указанной в таблице 5.
Таблица 5
| № | Порядок перехода с режима №1 на режим №4 | Порядок перехода с режима №4 на режим №1 |
| 1 | Вывести АВР 3,4 | Вывести АВР 1,2 |
| 2 | Включить СМВ2 яч. 20 | Включить СМВ1 яч. 9 |
| 3 | Отключить МВ ввода В4 яч. 31 | Отключить МВ ввода В2 яч. 14 |
| 4 | Отключить ТР4 яч. 31 | Отключить ВВ 220 кВ яч 10 |
| 5 | Отключить ШР4 яч. 31 | Включить ОД1 220 кВ |
| 6 | Вывести АВР 1,2 | Включить ВВ 220 кВ яч 10 |
| 7 | Включить СМВ1 яч. 9 | Включить ШР4 яч. 31 |
| 8 | Отключить МВ ввода В2 яч. 14 | Включить ТР4 яч. 31 |
| 9 | Отключить. ВВ 220 кВ яч 10 | Включить МВ ввода В4 яч. 31 |
| 10 | Отключить ОД1 220 кВ | Отключить СМВ2 яч. 20 |
| 11 | Включить. ВВ 220 кВ яч 10 | Ввести АВР 3,4 |
| 12 | Включить МВ ввода В2 яч. 14 | Включить МВ ввода В2 яч. 14 |
| 13 | Отключить СМВ1 яч. 9 | Отключить СМВ1 яч. 9 |
| 14 | Ввести АВР 1,2 | Ввести АВР 1,2 |
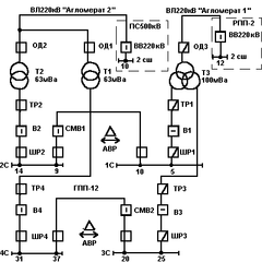
Состояние коммутационных аппаратов должно соответствовать схеме, приведенной на рис. 6.4.
Рис. 6.4. Выведен в ремонт Т1 63 мВа
Режим №5. Выведен в ремонт Т2 63 мВа
Для перевода электроустановки в режим №5 и, обратно, в нормальный режим работы, пользователь должен выполнить операции, согласно последовательности, указанной в таблице 6.
Таблица 6
| № | Порядок перехода с режима №1 на режим №5 | Порядок перехода с режима №5 на режим №1 |
| 1 | Вывести АВР 1,2 | Вывести АВР 3,4 |
| 2 | Включить СМВ1 яч. 9 | Включить СМВ2 яч. 20 |
| 3 | Отключить МВ ввода В2 яч. 14 | Отключить МВ ввода В4 яч. 31 |
| 4 | Отключить ТР2 яч. 14 | Отключить ВВ 220 кВ яч 10 |
| 5 | Отключить ШР2 яч. 14 | Включить ОД2 220 кВ |
| 6 | Вывести АВР 3,4 | Включить ВВ 220 кВ яч 10 |
| 7 | Включить СМВ2 яч. 20 | Включить ШР2 яч. 14 |
| 8 | Отключить МВ ввода В4 яч. 31 | Включить ТР2 яч. 14 |
| 9 | Отключить. ВВ 220 кВ яч 10 | Включить МВ ввода В2 яч. 14 |
| 10 | Отключить ОД2 220 кВ | Отключить СМВ1 яч. 9 |
| 11 | Включить. ВВ 220 кВ яч 10 | Ввести АВР С1,2 |
| 12 | Включить МВ ввода В4 яч. 31 | Включить МВ ввода В4 яч. 31 |
| 13 | Отключить СМВ2 яч. 20 | Отключить СМВ2 яч. 20 |
| 14 | Ввести АВР 3,4 | Ввести АВР 3,4 |
Состояние коммутационных аппаратов должно соответствовать схеме, приведенной на рис. 6.5.
Рис. 6.5. Выведен в ремонт Т2 63 мВа
Режим №6. Выведен в ремонт Т3 100 мВа
Для перевода электроустановки в режим №6 и, обратно, в нормальный режим работы, пользователь должен выполнить операции, согласно последовательности, указанной в таблице 7.
Таблица 7
| № | Порядок перехода с режима №1 на режим №6 | Порядок перехода С режима №6 на режим №1 |
| 1 | Вывести АВР 1,2 | Отключить ВВ 220 кВ яч 12 РПП 2 |
| 2 | Включить СМВ1 яч. 9 | Включить ОД3 220 кВ |
| 3 | Отключить МВ ввода В1 яч. 5 | Включить ВВ 220 кВ яч 12 РПП 2 |
| 4 | Вывести АВР 3,4 | Включить ШР1 яч 5 |
| 5 | Включить СМВ2 яч. 20 | Включить ТР1 яч 5 |
| 6 | Отключить МВ ввода В3 яч. 25 | Включить МВ ввода В1 яч. 5 |
| 7 | Отключить. ВВ 220 кВ яч 12 РПП2 | Отключить СМВ1 яч. 9 |
| 8 | Отключить ОД3 220 Кв | Ввести АВР 1,2 |
| 9 | Отключить ТР1 яч 5 | Включить ШР3 яч 25 |
| 10 | Отключить ШР1 яч 5 | Включить ТР3 яч 2 |
| 11 | Отключить ТР3 яч 25 | Включить МВ ввода В3 яч. 25 |
| 12 | Отключить ШР3 яч 25 | Отключить СМВ2 яч. 20 |
| 13 | Включить ВВ-220 кВ яч. 12 РПП2 | Ввести АВР 3,4 |
Состояние коммутационных аппаратов должно соответствовать схеме, приведенной на рис. 6. 6.
Рис. 5.6. Выведен в ремонт Т3 100 мВа
Приложение Б. Листинг основного модуля программы
unit MainMenu;
interface
uses
Windows, Messages, SysUtils, Classes, Graphics, Controls, Forms, Dialogs,
StdCtrls, ExtCtrls, Gauges, Menus, ComCtrls, User1, Report,
NewScen, ImgList,Report1;
type
TForm1 = class(TForm)
TaskList: TListBox;
RunBtn: TButton;
ExtBtn: TButton;
MainMenu1: TMainMenu;
Menu1: TMenuItem;
Menu4: TMenuItem;
Menu41: TMenuItem;
Menu5: TMenuItem;
Bevel1: TBevel;
StatusBar1: TStatusBar;
Image1: TImage;
ODT2: TImage;
ODT1: TImage;
BB50: TImage;
ODT3: TImage;
PBB2: TImage;
MBB2: TImage;
CMB1: TImage;
MBB1: TImage;
ABR1: TImage;
TRZ2: TImage;
TRZ1: TImage;















