bakalavr (664628), страница 3
Текст из файла (страница 3)
Объем оперативной памяти 3440 кб
2. Условия выполнения программы
Операционная среда Windows 95 или выше
Разрешение экрана (рекомендуется) 800X600 pixels
Свободное место на диске (минимум) 895 кБ для запуска и не менее 1 мБ для создания файлов сценариев.
Никакого дополнительно установленного программного обеспечения и библиотек не требуется.
Модель первичных цепей, реализованная в тренажере, позволяет тренируемому осуществлять операции переключения коммутационных аппаратов. Управление состоянием модели осуществляется с помощью указателя мыши, что позволяет работать с ней неквалифицированному пользователю. Выполнение тренировки может быть досрочно прервано пользователем на любом шаге, если он намерен вернуться к началу выполнения задания. После завершения выполнения задания в режиме тренировки на экран выдаются ее результаты: число обращений к подсказке и число сделанных ошибок. В режиме экзамена выставляется оценка.
Графический интерфейс построен таким образом, чтобы пользователю было, как можно удобнее и понятней работать с программой. Все необходимые функции доступны через главное меню. Главное меню — это специальная панель инструментов, расположенная в верхней части экрана, которая содержит такие пункты меню, как: Файл, Режим работы, Пользователь, Результаты. Через эти меню становятся доступны основные функции программы.
Рис 3. 3. Пользовательский интерфейс программы.
Пользовательский интерфейс программы делится на три области:
Область управления, на которой расположены меню и все элементы необходимые для работы тренажера.
Область, на которой отображается схема.
Область управления задачами.
Алгоритм функционирования основного модуля программы приведен на рис 3. 4.
Рис 3.4. Алгоритм функционирования основного модуля программы
3. 4. Входная информация
Так как программа работает со сценариями решения задач, то входными данными являются файлы, в которые входят тексты вопросов и наборы действий, задающие образцы правильных ответов:
Таблица 1
| Формулировка задачи | Вывод в ремонт ВЛ 220 кВ «Агломерат 1» | ||
| Начальное положение коммутационных аппаратов | Нормальный режим | ||
| Конечное положение коммутационных аппаратов | Режим № 2 | ||
| № операции | Объект схемы | Состояние переключателя | Комментарий |
| 01 | ABR1 | 0 | Вывести АВР 1,2 |
| 02 | CMB1 | 1 | Включить СМВ1 яч.9 |
| 03 | MBB1 | 0 | Отключить МВ ввода В1 яч. 5 |
| 04 | TRZ1 | 0 | Отключить ТР1 яч. 5 |
| 05 | SRZ1 | 0 | Отключить ШР1 яч. 5 |
| 06 | ABR1 | 0 | Вывести АВР 3,4 |
| 07 | CMB1 | 1 | Включить СМВ2 яч.20 |
| 08 | MBB3 | 0 | Отключить МВ ввода В3 яч. 25 |
| 09 | TRZ3 | 0 | Отключить ТР3 яч. 25 |
| 10 | SRZ3 | 0 | Отключить ШР3 яч. 25 |
| 11 | PBB2 | 0 | Отключить ВВ 220 кВ яч 12 |
| 12 | ODT3 | 0 | Отключить ОД 220 кВ Т3 |
3. 5. Постоянная информация
В качестве постоянной информации используется принципиальная схема участка электроснабжения, изображенная на рис. 3.5.
Рис. 3.5. Однолинейная схема электроснабжения
3. 6. Выходная информация
Выходные данные — протокол тренировки либо протокол экзамена.
П Р О Т О К О Л Э К З А М Е Н А
-------------------------------------
Фамилия: Егоров
Имя: Павел
Отчество: Николаевич.
Дата сдачи экзамена: 27.06.2001 г.
ЗАДАЧА : Вывод в ремонт ВЛ «Агломерат 1».
-------------------------------------------------------
АВР 1,2 выведено.
Ошибка, Включить СМВ 1 яч. 9
. . .
Оценка: Удовлетворительно
3. 7. Инструкция для пользователя
1. Вхождение в курс и регистрация обучаемого.
-
Запустите файл Switchman.exe.
-
После запуска файла Switchman.exe введите с клавиатуры Ваши Фамилию, Имя, Отчество и нажмите кнопку "ОК".
-
Выберите режим работы и задачу согласно п. 2.2. и нажмите кнопку "Начать".
2. Решение задачи.
Решение задачи начинается с предъявления обучаемому схемы п/станции. Опираясь на помощь тренажера, пользователь должен перевести коммутационное оборудование в состояние, сформулированное в названии задачи. Правила работы на компьютере при решении задач даны в п.п. 2.1. – 2.3.
2.1. Общее правило по работе с коммутационным оборудованием:
Курсор "мыши" - "стрелка" при подводе к коммутационному аппарату, который можно переключить должен перейти в мишень - "пальчик".
2.2. Выбор задач из списка.
Для выбора задачи, подведите курсор "мыши" к требуемой задаче, и либо нажмите левую клавишу "мыши" и кнопку "Начать", либо дважды щелкните по названию задачи.
2.3. Производство оперативных переключений
Выберите согласно п. 2.1. выберите нужный объект и нажмите левую клавишу "мыши".
3. Результаты.
Выполнив все необходимые действия, т.е. решив задачу - нажмите кнопку "Результаты". и на экране появится сообщение о количестве допущенных Вами ошибок при тренировке, либо полученная Вами оценка при сдаче экзамена за решение задачи. Если Вы хотите просмотреть протокол переключений выберите пункт меню "Результаты" и нажмите кнопку "Протокол переключений". Для выхода из программы нажмите кнопку "Выход".
Протокол переключений хранится в каталоге Info в файле Report.txt
ЗАКЛЮЧЕНИЕ
В результате можно сделать следующие выводы:
Разработанный тренажер прост в освоении. Обучаемый при работе с программой не испытывает никаких затруднений. Запуск программы максимально упрощен. Требования к аппаратному обеспечению минимальны. Наглядное изображение схем электроснабжения, использование всплывающих подсказок, дружественный интерфейс Windows, использование манипулятора "мышь" делают процесс обучения приятной работой.
При решении задач в режиме тренировки у обучаемого формируется умение быстро и точно выполнять операции по переключениям коммутационных аппаратов в электpических сетях. За счет использования возможности обращения к помощи в затруднительной ситуации тренируемый достигает завершения поставленной задачи. На основании анализа действий тренируемого составляется протокол переключений, подтверждающий оценку за выполнение задачи.
СПИСОК ЛИТЕРАТУРЫ
1. Головинский И.А. Диагностика квалификации персонала на тренажере оперативных переключений. - =Вестник ВНИИЭ-99°, М., "ЭНАС", 1999.
2. Головинский И.А. КОРВИН - тренажер оперативных переключений с расчетом потокораспределения. - "Вестник ВНИИЭ-98", М., "ЭНАС", 1998, с. 127-132.
3. Головинский И.А. Понимание электрических схем компьютером. - "Вестник ВНИИЭ-99", М., "ЭНАС", 1999.
4. Коммутационные узлы энергосистем/Под ред. А.В. Шунтова. М.:Энерготомиздат,1997.
5. Культин Н. Delphi 4. Программирование на Object Pascal. BHV, Санкт-Петербург, 1999. – 480 с., ил.
6. Дэн Оузьер и др. Delphi 3. Освой самостоятельно. М.: “Издательство БИНОМ”, 1998 г. – 560 с.: ил.
7. Бондарев В. М., Рублинецкий В. И., Качко Е. Г. Основы программирования. Харьков: Фолио; Ростов н/Д: Феникс, 1998 – 368 с.
8. Справочная система Delphi
9. Фаронов В. В. Delphi 4. Учебный курс. М.: «Нолидж», 1999 – 464 с.:ил.
10. Дарахвелидзе П. Г., Марков Е. П., Котенок О. А. Программирование в Delphi 5. – СПб.:БХВ – Санкт-Петербург, 2000. – 784 с.: ил.
Приложение А. Сценарии решения задач
Разработанная система моделирует оперативные переключения обслуживающего персонала в действующих электроустановках (ДЭУ), переводящие технологическое оборудование из одного режима работы в другой. Рассматриваются следующие режимы работы:
-
Режим №1. Нормальный режим.
-
Режим №2. Выведена в ремонт ВЛ «Агломерат 2».
-
Режим №3. Выведена в ремонт ВЛ «Агломерат 1».
-
Режим №4. Выведен в ремонт Т1 63 мВа.
-
Режим №5. Выведен в ремонт Т2 63 мВа.
-
Режим №6. Выведен в ремонт Т3 100 мВа.
Нормальный режим.
Электроснабжение осуществляется от всех имеющихся источников электроэнергии и введенных в работу устройствах автоматического включения резерва (АВР).
Р
ис. 6.1. Нормальный режим работы электроустановки
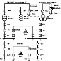
Режим №2. Выведена в ремонт ВЛ 220 кВ «Агломерат 1»
Для перевода электроустановки в режим №2 и, обратно, в нормальный режим работы, пользователь должен выполнить операции согласно последовательности, указанной в таблице 3.
Таблица 3
| № | Порядок перехода с режима №1 на режим №2 | Порядок перехода с режима №2 на режим №1 |
| 1 | Вывести АВР 1,2 | Включить ОД3 220 кВ Т3 |
| 2 | Включить СМВ1 яч.9 | Включить ВВ 220 кВ яч 12 |
| 3 | Отключить МВ ввода В1 яч. 5 | Включить ШР1 яч 5 |
| 4 | Отключить ТР1 яч. 5 | Включить ТР1 яч 5 |
| 5 | Отключить ШР1 яч. 5 | Включить МВ ввода В1 яч 5 |
| 6 | Вывести АВР 3,4 | Отключить СМВ1 яч.9 |
| 7 | Включить СМВ2 яч.20 | Ввести АВР 1,2 |
| 8 | Отключить МВ ввода В3 яч. 25 | Включить ШР3 яч 25 |
| 9 | Отключить ТР3 яч. 25 | Включить ТР3 яч 25 |
| 10 | Отключить ШР3 яч. 25 | Включить МВ ввода В3 яч 25 |
| 11 | Отключить ВВ 220 кВ яч 12 | Отключить СМВ2 яч.20 |
| 12 | Отключить ОД 220 кВ Т3 | Ввести АВР 3,4 |
Состояние коммутационных аппаратов должно соответствовать схеме, приведенной на рис. 6.2.
Рис. 6.2. Выведена в ремонт ВЛ 220 кВ «Агломерат 1»
Режим №3. Выведена в ремонт ВЛ 220 кВ «Агломерат 2»
Для перевода электроустановки в режим №3 и, обратно, в нормальный режим работы, пользователь должен выполнить операции, согласно последовательности, указанной в таблице 4.















