45226 (664406), страница 2
Текст из файла (страница 2)
• Семь источников внешних прерываний
• Программируемый УАПП
• Возможность включения режима пониженного энергопотребления
4.1.1 Аппаратное сопряжение ПК и микроконтроллера
Для решения задачи сопряжения ПК и микроконтроллера было решено использовать интерфейс RS-232C.
Последовательный порт используется в качестве универсального асинхронного приемопередатчика (УАПП) с фиксированной или переменной скоростью последовательного обмена информацией и возможностью дуплексного включения.
Последовательный интерфейс микроконтроллера МК-51 может работать в следующих четырех режимах:
-
Режим 0. Информация передается и принимается через вход RxD приемника (вывод P3.0). Через выход передатчика TxD (вывод P3.1) выдаются импульсы синхронизации, стробирующие каждый передаваемый или принимаемый бит информации. Формат посылки – 8 бит. Частота приема и передачи – тактовая частота микроконтроллера.
-
Режим 1. Информация передается через выход передатчика TxD, а принимается через вход приемника RxD. Формат посылки – 10 бит: старт-бит (ноль), восемь бит данных, программируемый девятый бит и стоп-бит (единица). Частота приема и передачи задается таймером/счетчиком 1.
-
Режим 2. Информация передается через выход передатчика TxD, а принимается через вход приемника RxD. Формат посылки – 11 бит: старт-бит (ноль), восемь бит данных, программируемый девятый бит и 2 стоп-бита (единицы). Передаваемый девятый бит данных принимает значение бита ТВ8 из регистра специальных функций SCON. Бит ТВ8 в регистре SCON может быть программно установлен в «0» или в «1», или в него, к примеру, можно поместить значение бита Р из регистра PSW для повышения достоверности принимаемой информации (контроль по паритету). При приеме девятый бит данных принятой посылки поступает в бит RB8 регистра SCON. Частота приема и передачи в режиме 2 задается программно и может быть равна тактовой частоте микроконтроллера деленной на 32 или на 64.
-
Режим 3. Режим 3 полностью идентичен режиму 2 за исключением частоты приема и передачи, которая в режиме 3 задается таймером/счетчиком 1.
Для реализации обмена информацией между ПК и микроконтроллером наиболее удобным является режим 2, т.к. для работы в этом режиме не требуется таймер/счетчик. Этот режим полностью удовлетворяет предъявленным требованиям.
4.1.2 Выбор кварцевого резонатора
Для работы МП необходим кварцевый резонатор который подключается к выводам XTAL1 и XTAL2 (см. графическую часть курсового проекта, лист 1)
Рабочая частота кварцевого резонатора непосредственно связана со скоростью работы УАПП, мы выбираем из п.1 fрез=11.059 МГц
4.1.3 Выбор скорости приема/передачи по RS-232
Скорость приема/передачи, т.е. частота работы универсального асинхронного приемопередатчика (УАПП) в режиме 2 зависит от значения управляющего бита SMOD в регистре специальных функций.
Частота передачи определяется выражением:
f=(2SMOD/64)fрез.
Иными словами, при SMOD=0 частота передачи равна (1/64)fрез, а при SMOD=1 равна (1/32)fрез.
Исходя из вышеизложенного, выберем частоту приема данных при SMOD=1. Если fрез=11,059 МГц, тогда частота приема данных будет 19,2 КБод.
Другие значения частот кварца могут быть выбраны из таблиц в п.1 и п.2.
4.1.4 Разработка формата принимаемых и передаваемых данных по RS-232
Формат принимаемых и передаваемых данных почти полностью описан режимом 2 работы последовательного интерфейса.
Формат должен состоять из 11 бит:
-
стартовый бит – ноль;
-
восемь бит данных;
-
девятый бит – контроль по паритету, для повышения достоверности принимаемой информации;
-
два стоповых бита – единицы.
4.2 Выбор буфера RS-232
Обмен данными между ПК и микроконтроллером будет производиться по последовательному интерфейсу RS-232. Т.к. стандартный уровень сигналов RS-232 - -12 В и +12 В, а стандартный уровень сигналов асинхронного интерфейса микроконтроллера 89С51 – +5 В необходимо обеспечить согласование уровней между RS-232 и 89С51. Преобразование напряжения будет производить цифровая интегральная микросхема ADM 202E. Выбор данной микросхемы был произведен исходя из ТЗ (техническое задание). Основные характеристики цифровой интегральной микросхемы ADM 202E приведены в табл. 3.
Таблица 3.
Основные характеристики цифровой интегральной микросхемы ADM 202E
| Параметр | Минимальный | Максимальный | Единица измерения |
| Напряжение питания | 4.5 | 5.5 | В |
| Нижний входной лог. порог | 0.8 | В | |
| Высокий входной лог. порог | 2.4 | В | |
| RS-232 приемник | |||
| Входное допустимое напр. | -30 | +30 | В |
| Входной нижний парог | 0.4 | В | |
| Входной высокий парог | 2.4 | В | |
| Продолжение таблицы 3 | |||
| RS-232 передатчик | |||
| Выходной размах напр. | -+5 | В | |
| Сопр. Выхода передатчика | 300 | Ом | |
| Температурный диапазон | -40 | +85 | C |
Функциональная блок-схема интегральной микросхемы ADM 202E представлена на рис.2
Функциональная блок-схема интегральной микросхемы ADM 202E
Рисунок. 2
4.3 Выбор АЦП.
В качестве аналого-цифрового преобразователя послужила интегральная микросхема фирмы Analog Devices – AD7890-2. Выбор данной микросхемы был произведен исходя из ТЗ
Основные характеристики:
• 12-разрядный АЦП, время преобразования 5.9 мкс
• Восемь входных аналоговых каналов
• Входной диапазон :
от 0 В до +2.5 В
• Раздельный доступ к мультиплексору и к АЦП
• Встроенный источник опорного напряжения +2.5 В (возможно подключение внешнего.)
• Высокая скорость, «гибкость», последовательный интерфейс
• Низкая потребляемая мощность (50 мВт максимум)
• Режим пониженного энергопотребления (75 мкВт).
Функциональная блок-схема интегральной микросхемы AD 7890-2 представлена на рис.3
Функциональная блок-схема интегральной микросхемы AD 7890-2
Рисунок 3
4.3.1 Расчет погрешности вносимой АЦП.
Аналого-цифровой преобразователь вносит следующие виды погрешностей:
-
нелинейности (погрешность нелинейности- это максимальное отклонение линеаризованной реальной характеристики преобразования от прямой линии, проходящей через крайние точки этой характеристики преобразования АЦП.);
-
дифференциальной нелинейности(погрешность дифференциальной нелинейности- это отклонение фактической разности уровней (входного сигнала АЦП), соответствующим двум соседним переключениям кода, от идеального значения этой разности, равной 1 МЗР. Для идеального АЦП разница уровней между соседними переключениями кода в точности равна 1 МЗР.);
-
погрешность полной шкалы (погрешность полной шкалы- это отклонение уровня входного сигнала, соответствующего последнему переключению кода от идеального значения, после того как была откорректирована погрешность биполярного нуля.);
В табл. 4 приведены погрешности взятые из каталога, на интегральную микросхему AD7890 фирмы Analog Devices
Таблица 4
Основный погрешности интегральной микросхемы AD7890
| Вид погрешности | Значение | % |
| Интегральная нелинейность | 1 МЗР | 0.0244 |
| Дифференциальная нелинейность | 1 МЗР | 0.0244 |
| Полной шкалы | 2.5 МЗР | 0.061 |
| Общая (АЦП) | 0,1098 |
4.4 Выбор сторожевого таймера.
Т.к. работа системы происходит в автономном режиме и не предусматривает работу оператора с ней, то для случая зависания микро-ЭВМ в схему системы сбора данных добавляется интегральная микросхема MAX690AMJA – сторожевой таймер. Выполняющая две основные функции: выведение МП из состояния зависания и сброс МП при включении питания.
Основные характеристики интегральной микросхемы МАХ690AMJA:
• Время сброса: 200 мС
• Рабочий диапазон напряжения питания: от 1 до 5.5 В
• Ток потребления: 200 мкА
• температурный диапазон эксплуатации: от –55 до +125 C.
4.5 Выбор интегральной микросхемы операционного усилителя
Нормирующий усилитель выполнен на аналоговой микросхеме OP-27А (операционный усилитель), исполненной в восьми контактном DIP-корпусе. Основные хар-ки операционного усилителя OP-27A приведены в табл.5.
Таблица 5
Основные характеристики аналоговой микросхемы ОР-27А
| Напряжение питания (UПИТ)В: | V+ | V- |
| 22 | -22 | |
| Напряжение смещения (UСМ)мкВ: | 25 макс. | |
| Ток смешения (IСМ)нА | ±40 макс. | |
| Ток сдвига (IСДВ)нА | 35 макс. | |
| Коэффициент озлобления синфазного сигнала (КООС) | 501190 макс. (144 Дб) | |
| Коэффициент усиления при разомкнутой обратной связи | 1800000 | |
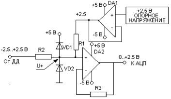
В систему сбора данных входят три линейных и один нелинейный датчики давления. Выходной диапазон напряжения нелинейного датчика давления составляет -2.5..+2.5, в входной диапазон АЦП – 0..+2.5. Согласовать уровни напряжения выхода датчика давления и входа АЦП можно с помощью схемы представленной на рис. 4. Данная схема состоит из: операционного усилителя – DA1, повторителя напряжения – DA2, схемы смещения – R1 и R2, схемы защиты – VD1 и VD2.. Для того чтобы не нагружать источник опорного напряжения1 в состав схемы нормирующего усилителя вводится повторитель напряжения. Данная схема вносит в ССД погрешность.
Нормирующий усилитель
R1,R2 – 40 КОм,
R3 – 20 КОм.
VD1, VD2 – схема защиты
Рисунок 4
4.5.1 Расчет погрешностей нормирующего усилителя
Суммарная погрешность нормирующего усилителя складывается из погрешности напряжения смещения (Uсм), погрешности тока сдвига (Iсдв), погрешности обратного тока диодов (В схеме защиты используются диоды марки 1N914A с обратным током утечки IД ОБР.=25 нА. Рассмотрим худший случай, когда IД ОБР.== 2*IД ОБР.) (Iд обр.), погрешности КООС (КООС), погрешности разброса параметров сопротивлений от номинального значения (R1 R2 MAX).
Оценка погрешности от напряжения смещения (Uсм)
Uсм= Uсм*Ку
где Ку – коэффициент усиления (в нашем случае Ку=1)
Uсм=25 мкВ















