MicForSA (664202), страница 8
Текст из файла (страница 8)
приемника с тем значением, которое было определено тестированием выборок.
Тестирование выборок битов принимаемых символов показано на рис. 13.5.
При поступлении стопового бита необходимо, чтобы не менее двух выборок из трех
подтвердили прием стопового бита (показали высокий уровень). Если же две или более
выборок покажут состояния 0, то при пересылке принятого байта в UDR в регистре
управления и статуса UСSRA устанавливается бит ошибки кадра FE (Framing Error). Для
обнаружения ошибки кадра пользователь перед чтением регистра UDR должен проверять
состояние бита FE. Флаг FE очищается при считывании содержимого регистра данных
UART (UDR).
Вне зависимости от того принят правильный стоповый бит или нет, данные
пересылаются в регистр UDR и устанавливается флаг RXC в регистре управления UCSRA.
Регистр UDR фактически является двумя физически отдельными регистрами, один из
которых служит для передачи данных и другой для приема. При считывании UDR
обращение ведется к регистру приема данных, при записи обращение ведется к регистру
передачи. Если выбран режим обмена 9-разрядными словами данных (установлен бит
CHR9 регистра UCR), при пересылке данных в UDR бит RXB8 регистра UCR загружается из
девятого бита сдвигового регистра передачи. Если после получения символа к регистру
UDR не было обращения, начиная с последнего приема, в регистре UCSRA
устанавливается флаг переполнения OR. Это означает, что новые данные, пересылаемые
в сдвиговый регистр, не могут быть переданы в UDR и потеряны. Бит OR буферирован и
доступен тогда, когда в UDR читается байт достоверных данных. Пользователю, для
обнаружения переполнения, необходимо всегда проверять флаг OR после считывания
содержимого регистра UDR.
При очищенном (сброшенном в логическое состояние 0) бите RXEN регистра UCR
прием запрещен.
24. Таймер-счетчик 0.
8-ми разрядный Т/С 0тактируется сигналом синхронизации процессорного ядра или встроенного предделителя, или от внешнего контакта ТО.
Предназначен для выполнения простейших операций: его содержимое программно доступно процессорному ядру для чтения /записи, а при переполнении счетчика генерируется запрос на прерывание программы.
Регистры управления:
р-р управления TCCR0 - управляет тактовой частотой Т/С0 (биты 0-2)
р-р данных TCNT0 – хранит содержимое счетчика (Read/Write)
р-р флагов прерывания TIFR
р-р маски прерывания TIMSK
р-р состояния МК SREG
22. Подключение клавиатуры и индикация.
Большинство микропроцессорных систем в своей работе предполагают возможность изменения внутренних параметров программы, необходимость отображения для пользователя каких-либо данных. Т.о. возникает необходимость включения в систему средств ввода/вывода. Как правило для этого используются клавиатура и различные индикаторы.
Существует несколько способов подключения клавиатуры к портам ввода/вывода:
Проще всего на каждый вход непосредственно подключать одну клавишу. При этом для обеспечения помехозащищенности ненажатое состояние подключают к напряжению питания, через подтягивающий резистор, а при нажатии вход замыкается на землю.
Однако в первом случае не эффективно используются входы микроконтроллера, как правило находящиеся в дефиците, ведь обычно предполагается одновременное нажатие лишь одной клавиши. Можно подключить клавиатуру через мультиплексор (с инвертирующими входами), тогда на N входов микроконтроллера можно подключить до 2N клавиш.
Кроме того клавиатуру можно организовать в виде матрицы. Тогда в матрице из k столбцов и N строк, все клавиши одной строки подключаются к одному входу микроконтроллера/мультиплексора, а выбор столбца осуществляется подачей сканирующего сигнала на один из k выходов подключенных к столбцам матрицы. В случае, когда в ненажатом состоянии клавиши подтянуты к VCC, в качестве сканирующего сигнала ипользуется 0.
Выбор конкретной реализации зависит от неоходимого количества клавиш, свободных портов микроконтроллера, возможности использовать дополнительные микросхемы (мультиплексоров).
При разработке систем не следует не забывать и о подавлении эффекта «дребезга контактов». Защита от дребезга может осуществляться как программно, так и аппаратно. В последнем случае клавиши подключаются не на прямую, а через T-триггер.
Индикация может осуществляться с использованием: светодиодов сегментных индикаторов
Индикаторы могут быть как светодиодные, так и жидкокристаллические, и иметь различное число сегметов.
Как светодиоды, так и сегментные индикаторы могут подключаться к портам микроконтроллера напрямую, либо через дешифратор/демультиплексор.
Набор символов отображаемых сегментными индикаторами может определяться программно через таблицу декодирования, либо аппаратно логикой внешней микросхемы дешифратора.
Схемы подключения индикаторов к системе могут быть разными:
Простая: один порт – один индикатор
Различные варианты распараллеливания канала данных либо канала выбора индикатора
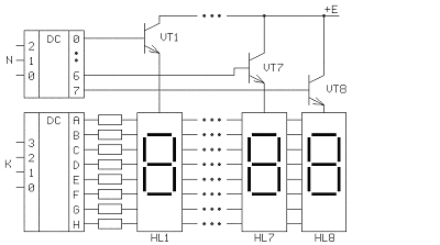
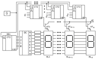
Динамическая индикация (число знаков ограничивается скважностью) Рис. 1
Динамическая индикация методом досчета (скважность постоянная) Рис. 2
|
| |
| Рис. 1 | Рис. 2 |
Б
илет 30. Аналоговые компараторы.
Аналоговые компараторы (АК) осуществляют сравнение двух напряжений. Результатом сравнения является логический сигнал, фиксирующий момент равенства входных сигналов. Выход компаратора может быть использован в качестве запроса на прерывание. При этом пользователь может программировать формирование запроса по переднему или заднему фронту сигнала, либо по любому его изменению.
Схема компаратора микроконтроллера ATmega163.
Аналоговый компаратор сравнивает уровни на положительном (АС+) и отрицательном (АС-) входах. При напряжениии на входе АС+ большем, чем напряжение на входе АС- , выход аналогового компаратора АСО устанавливается в состояние 1.
В микроконтроллере ATmega163 качестве входа АС+ может быть использован внутренний источник напряжения 1,22 В либо вход AIN0(PB2). К АС- подключается AIN1(PB3), либо один из входов PA0..PA7 через мультиплексор.
Компаратор формирует запрос на прерывание если бит ACIE регистра ACSR установлен в 1. Формирование запроса возможно по переднему или заднему фронту сигнала, либо по любому его изменению.
Установка прерывания битами ACIS0/ACIS1.
| ACIS0 | ACIS1 | Режим прерывания |
| 0 | 0 | Прерывание по любому переключению выхода компаратора |
| 0 | 1 | Зарезервировано |
| 1 | 0 | Прерывание по падающему (заднему) фронту на выходе компаратора |
| 1 | 1 | Прерывание по нарастающему (переднему) фронту на выходе компаратора |
При изменении состояния битов ACIS0/ACIS1 прерывание по аналоговому компаратору должно быть запрещено очисткой бита разрешения прерывания (ACIE) в регистре ACSR, иначе при изменении состояния битов может произойти прерывание.
В работе компаратора используются регистры:
ACSR (Analog Comparator Control and Status Register) – управления АК
SFIOR (Special Function Input Output Register) – специальных функций ввода/вывода
ADCSR (ADC Status Register) – состояния аналого-цифрового преобразователя
ADCMUX (ADC Multiplexer) – мультиплексора аналого-цифрового преобразователя
SREG (Status Register) – состояния микроконтролера
| Регистр | Биты | |||||||
| 7 | 6 | 5 | 4 | 3 | 2 | 1 | 0 | |
| ACSR | ADC | ACBG | ACO | ACI | ACIE | ACIC | ACIS1 | ACIS0 |
| SFIOR | ACME | |||||||
| ADCSR | ADEN | |||||||
| ADCMUX | MUX2 | MUX1 | MUX0 | |||||
| SREG | I | |||||||
Подключение отрицательного входа компаратора
| ACME | ADEN | MUX2..0 | Отрицательный вход компаратора |
| 0 | x | xxx | AIN1 |
| 1 | 1 | xxx | AIN1 |
| 1 | 0 | 000 | PA0 |
| 1 | 0 | 001 | PA1 |
| 1 | 0 | 010 | PA2 |
| 1 | 0 | 011 | PA3 |
| 1 | 0 | 100 | PA4 |
| 1 | 0 | 101 | PA5 |
| 1 | 0 | 110 | PA6 |
| 1 | 0 | 111 | PA7 |
Значения битов:
ACD (Analog Comparator Disable) – если установлен в 1, АК отключен. При изменении бита прерывание от компаратора должно быть заблокировано очисткой бита ACIE.
ACBG (Analog Comparator Bandgap) – когда бит установлен и BOD позволяет (fuse‑бит BODEN запрограммирован), фиксированное напряжение 1,22 В поступает на вход АС+ , иначе к АС+ подключается контакт AIN0.
ACO (Analog Comparator Output) – выход аналогового компаратора
ACI (Analog Comparator Interrupt Flag) – устанавливается в 1 при формировании компаратором прерывания. Подпрограмма обработки прерывания будет выполняться при установленных битах ACIE и I(бит глобального прерывания в регистре SREG). Очищается аппаратно при выполнении подпрограммы обработки прерывания либо вручную. Очищается при модификации командами SBI, CBI других битов регистра ACSR.
ACIE (Analog Comparator Interrupt Enable) – установка в 1 разрешает прерывание по аналоговому компаратору (ANA_COM) при установленном бите I в SREG.
ACIC (Analog Comparator Input Capture Enable) – установка в 1 разрешает захват входа таймера/счетчика1 по переключению АК.
ACIS1,ACIS0 (Analog ComparatorInterrupt Mode Select) выбор режима прерывания.
















