MicForSA (664202), страница 10
Текст из файла (страница 10)
Рис. 10.4. Интегрирующий ADC
И
нтегрирующие схемы ADC имеют 8-16 разрядов и могут представлять результат в двоичном или двоично-десятичном коде.
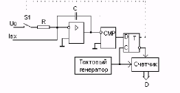
Сигма-дельта преобразователь
Сигма-дельта преобразователи являются разновидностью интегрирующих ADC, в которых входной ток компенсируется коммутируемым зарядом от встроенного источника (рис. 5). Импульсы тока фиксированной длительности на каждом такте могут быть подключены к входу интегратора. В суммирующей точке интегратора поддерживается нулевой средний ток. Счетчик подсчитывает количество импульсов, поступающих в суммирующую точку за фиксированный период времени. Результат счета пропорционален входному напряжению. Рис. 5. Сигма-дельта преобразователь
Управление АЦП микроконтроллера
В состав микроконтроллеров обычно включают 8 - 16-битные многоканальные преобразователи с большим набором встроенных функций. При этом все функции преобразователя программируются и могут быть изменены в процессе работы.
Н
апример, микроконтроллер ATmega163 оснащен 10-разрядным ADC последовательных приближений (рис. 10.6). ADC подсоединен к 10-канальному аналоговому мультиплексору (MUX), позволяющему подать на вход преобразователя любой из восьми входных сигналов со входов ADCO...ADC7, либо эталонное напряжение 1,22В. либо сигнал со входа AGND. Вывод AGND рекомендуется подсоединить к точке с нулевым потенциалом GND (Ground). ADC содержит схему выборки/хранения SHC (Sample&Hold Comparator),удерживающую напряжение входа во время преобразования на неизменном уровне.
Рис. 6. Структура аналого-цифрового преобразователя
Аналого-цифровой преобразователь преобразует напряжение аналогового входного сигнала в 10-разрядное цифровое значение методом последовательных приближений. Минимальное значение входного напряжения равно напряжению на контакте AGND. максимальное значение не должно превышать напряжение на контакте AREF. Результат в виде 10-битного двоичного числа D равен:
где U-входное напряжение, a U0- опорное напряжение преобразователя.
В качестве источника опорного напряжения преобразователя можно использовать внешний сигнал с вывода AREF, внутренний источник 2.56В, либо напряжение питания аналоговой части микроконтроллера с вывода AVCC. Напряжение на выводе AVCC не должно отличаться от напряжения питания Vcc более чем на ±0,3 В.
Например, если аналоговый мультиплексор подключает ко входу ADC эталонное напряжение U =1,22B, а в качестве опорного напряжения использовать источник U0=2,56В, то результат преобразования:D=1,22*1024/2,56=488=$1Е8=0b111101000.
3. Общее понятие микропроцессора
Микропроцессор - программно управляемое устройство для обработки цифровой информации и управления процессом этой обработки кристалл с элементами и программа.
Характеристики: Программный опрос, Обмен через прерывания, Обмен программным доступом к памяти.
Микропроцессорный комплект – совокупность микросхем и других интегральных схем, совместимых по архитектуре, конструктивному исполнению и электрическим параметрам, обеспечивающих возможность совместного применения
Архитектура – функциональные возможности аппаратных средств системы, используемые для представления программных данных и управления процессом вычислений.
Микропроцессоры — один из стремительно развивающихся и, безусловно, перспективных видов техники. Их отличие от обычных БИС состоит в том, что они содержат в своем составе управляющие элементы, позволяющие настроить эти БИС на выполнение любых операций, т. е. на реализацию любой зависимости между последовательностями входных и выходных сигналов. То обстоятельство, что БИС с перестраиваемой логикой способны при соответствующей «настройке» выполнять любые функции, делает их универсальными и полностью снимает противоречие между степенью интеграции и требуемым объемом производства.
Набор управляющих сигналов, настраивающий БИС на выполнение определенной функции, называется микрокомандой. Дальнейшее развитие программно - перестраиваемой логики привело к тому, что БИС стали выполнять не одну, а последовательность микрокоманд, т. е. алгоритм. Возникли БИС с микропрограммным управлением.
Одной из реализаций БИС с микропрограммным управлением и явились микропроцессоры. Всякий микропроцессор воплощает в себе главное свойство упомянутых БИС — на его основе можно построить систему, реализующую любое преобразование последовательности электрических сигналов. Если эти сигналы являются носителями информации, то, очевидно, что создаваемая микропроцессорная система способна перерабатывать любую информацию.
Итак, микропроцессор (МП) — это программно-управляемое устройство, осуществляющее процесс обработки информации и построенное на одной или нескольких больших интегральных схемах.
Первый микропроцессор появился в 1971 г
Возможны два способа решения поставленной задачи: аппаратный и программный.
Аппаратный способ имеет особенности:
для выполнения каждой операции используется индивидуальный операционный блок;
распределение переменных по входам и выходам операционного блока не изменяется в процессе реализации алгоритма;
порядок реализации алгоритма определяется схемой соединения операционных блоков;
число операционных блоков резко увеличивается с ростом сложности алгоритма.
Программный способ реализации алгоритма имеет по сравнению с аппаратным два основных преимущества:
во-первых, с усложнением алгоритма объем оборудования увеличивается незначительно;
во-вторых, путем изменения программы можно на одном оборудовании решать различные задачи.
Микропроцессор представляет собой оптимальное объединение аппаратных и программных средств для решения конкретной задачи.
Целесообразность применения МП в разрабатываемых системах:
Сложные алгоритмы;
Обработка больших массивов информации;
Частое обращение к ЗУ;
Число интегральных схем более 30;
Микропроцессоры могут быть классифицированы по ряду признаков.
По типу архитектуры различаются однокристальные и многокристальные секционные микропроцессоры.
Однокристальные микропроцессоры (КР580, КР581, К588, К1801, КА1808, КМ1810, КН1811) получаются при реализации всех аппаратных средств процессора в виде одной БИС. По мере увеличения степени интеграции элементов в кристалле и числа выводов корпуса параметры однокристальных микропроцессоров улучшаются. Как правило, для расширения функциональных возможностей однокристального микропроцессора его дополняют другими типами микросхем. Однако возможности однокристальных микропроцессоров ограничены аппаратурными ресурсами кристалла и корпуса. Поэтому более распространены многокристальные секционные микропроцессоры.
Многокристальные секционные микропроцессоры (К583, К584, КР587, К589, К1800, КР1802, КМ 1804) получаются в том случае, когда в виде БИС реализуются части (секции) логической структуры процессора. Микропроцессорная секция — это БИС, предназначенная для обработки нескольких разрядов данных или выполнения определенных управляющих операций. Секционность БИС микропроцессора определяет возможность наращивания разрядности обрабатываемых данных или усложнения устройств управления микропроцессором при «параллельном» включении большего числа БИС. Многокристальные секционные микропроцессоры имеют разрядность от 2 ... 4 до 8 ... 16 бит и позволяют создавать высокопроизводительные процессоры ЭВМ.
Микропроцессоры можно классифицировать и по технологии изготовления. Ниже приведены практически все современные технологии:
р - МДП - технология (К1814);
я - МДП - технология (КР580, КР581, К1801, К1809, КМ1810, КН1811, КМ1813, КР1816);
ТТЛДШ - технология (К589, КР1802, КМ1804);
КМДП - технология (К586, К588...);
И2Л-технология (К583, К584, КА1808);
ЭСЛ - технология (К1800).
По назначению различаются универсальные и специализированные микропроцессоры.
Универсальные микропроцессоры можно применять для решения разнообразных задач. Их производительность мало зависит от проблемной специфики решаемых задач.
Специализация МП, т. е. его проблемная ориентация на ускоренное выполнение определенных функций, позволяет резко увеличить производительность при решении только определенных задач.
По виду обрабатываемых входных сигналов микропроцессоры подразделяются на цифровые (1 или 0) и аналоговые.
Сами микропроцессоры — это цифровые устройства, однако могут иметь встроенные аналого-цифровые и цифроаналоговые преобразователи. Поэтому входные аналоговые сигналы передаются в МП через преобразователь в цифровой форме, обрабатываются и после обратного преобразования в аналоговую форму поступают на выход.
По разрядности данных, обрабатываемых микропроцессором, выделим:
двухразрядные (К589);
четырехразрядные (К584, КР587, К1800, КМ1804, К1814);
восьмиразрядные (КР580, К583, КР1802, КМ1813, КР1816);
шестнадцатиразрядные (КР581, К588, К1801, К1809, КМ1810, КН1811).
По характеру временной организации работы различаются синхронные и асинхронные микропроцессоры.
Синхронные микропроцессоры — это микропроцессоры, в которых начало и конец выполнения операций задаются устройством управления (время выполнения операций в этом случае не зависит от вида выполняемых команд и значений операндов).
Асинхронные микропроцессоры позволяют начало каждой следующей операции определить по сигналу фактического окончания выполнения предыдущей операции.
По числу выполняемых программ микропроцессоры делятся на одно- и многопрограммные.
В однопрограммных микропроцессорах выполняется только одна программа. Переход к выполнению другой программы происходит после завершения текущей программы.
В много- или мультипрограммных микропроцессорах одновременно выполняется несколько (обычно несколько десятков) программ. Организация мультипрограммной работы микропроцессорных управляющих систем позволяет осуществлять контроль за их состоянием и управлять большим числом источников или приемников информации.
2. Логическая структура микропроцессорной системы
Для выполнения своих функций микропроцессор должен иметь регистры, сумматоры, логические схемы, дешифраторы и другие элементы, которые соединены между собой с помощью шин — соединительных линий. Схема, которая показывает, из каких блоков состоит микропроцессор, и связь между этими блоками, называется структурной схемой микропроцессора.
Функции, реализуемые микропроцессором, определяются не только его структурой, но и последовательностью управляющих слов (команд). При изменении этой последовательности изменяется и выполняемая микропроцессором функция. Для комплексной характеристики возможностей микропроцессора пользуются понятием «архитектура микропроцессора».
Архитектура микропроцессора — это его логическая организация, определяемая возможностями микропроцессора по аппаратной или программной реализации функций, необходимых для построения микроЭВМ.
Архитектура микропроцессора отражает:
а) структуру микропроцессора;
б) способы обращения ко всем элементам структуры;
в) способы представления и форматы данных;
г) набор операций, выполняемых микропроцессором;
д) способы указания адреса данных;
е) форматы управляющих слов, поступающих извне;
ж) характеристики управляющих сигналов;
з) реакцию микропроцессора на внешние сигналы.
Зная архитектуру микропроцессора и всей микропроцессорной системы, можно составить определенную последовательность команд, называемую программой, которая обеспечит выполнение заданной функции.
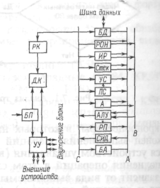
Обобщенную схему микропроцессора можно представить в виде, приведенном на рис. 7.2. В этой структуре используется трехшинная организация работы. Шиной называют группу линий передачи информации, объединенных общим функциональным признаком. Приняты такие условные обозначения:
БА,
БД — буферные регистры адресов и данных;
БП — блок прерывания;
РОН — регистры общего назначения;
ИР — индексные регистры;
СТЕК — блок регистров;
УС — указатель стека;
ПС - программный счетчик;
А — аккумулятор;
АЛУ — арифметическо - логическое устройство;
РП — регистр признаков;
СИД — схема «инкремент-декремент»;
РК — регистр команд;
ДК — дешифратор команд.
Конкретные микропроцессоры, как правило, не содержат всех узлов, показанных на рис. В этих случаях соответствующие функции могут выполняться программно, а в качестве некоторых специальных регистров могут использоваться РОН или ячейки памяти. В ряде микропроцессорных комплексов отдельные функциональные узлы могут выполняться в виде отдельных БИС.
Для управления преобразователем в микроконтроллере используются регистры:
Регистр управления мультиплексором ADMUX (ADC Multiplexer Selection Register);
Регистр управления аналого-цифровым преобразователем ADCSR (ADC Control and Status Register);
Регистры данных ADCL и ADCH (ADC Low и ADC High);
















