CURS (664031)
Текст из файла
М
осковский
ордена Октябрьской Революции и
ордена Трудового Красного Знамени
институт Стали и Сплавов
кафедра электротехники
Курсовая работа
“Микропроцессорная техника. Микроконтроллер в двухпозиционном регуляторе”
Выполнил студент: Денисов А.В.
подпись:
Группа: МПП97-1В
Задание: разработка структурной и электрической схемы микроконтроллера на базе заданных в варианте
микропроцессорных интегральных схем и его программирование для работы с двухпозиционным
регулятором по заданному закону регулирования.
Данные варианта №4:
Карта памяти: Адрес таймера и интерфейса:
| 0000-3FFF | СВОБОДНО | 16К | CT | 74h,75h,76h,77h | |
| 4000-47FF | RAM | 2К | |||
| 4800-F7FF | СВОБОДНО | 44К | IO | C8h,C9h,CAh,CBh | |
| F800-FFFF | ROM | 2К |
ОЗУ 512х8
ПЗУ 1024х8
Закон регулирования
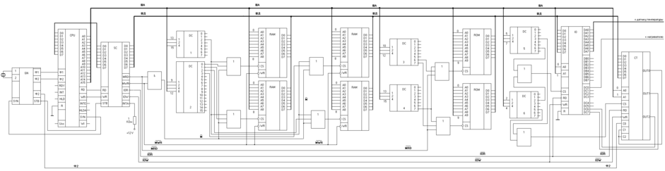
Краткое описание: контроллер выполнен на микропроцессорном комплекте серии К580. Микросхемы, входящие в состав комплекта, образуют полный набор, необходимый для построения несложных программно управляемых микроконтроллеров.
Набор микросхем:
-
КР580ВМ80А - микропроцессор
-
КР580ВК28 - системный контроллер
-
КР580ВВ55А - программируемый контроллер ввода-вывода
-
КР580ВИ53 - программируемый таймер
-
КР580ГФ24 - генератор тактовых импульсов
-
К555ИД3 - дешифратор 4 в 16
-
К555ИД7 - дешифратор 3 в 8
-
К505РЕ3 – динамическое ОЗУ 512х8
-
Микросхемы ПЗУ иностранного производства
Микросхемы ОЗУ и ПЗУ подключены к шине адреса ЦПУ согласно карте памяти, при этом двоичные адреса каждой из
микросхем показаны в таблице 1.
Контроллер ввода-вывода и системный таймер подключены к младшим 8 адресным линиям (0-7), так как пространство ввода-вывода для процессора серии 580 допускает обращение только к 256 устройствам.
Программное обеспечение:
Контроллер управляется программно. Среднее время выполнения команды микропроцессором составляет максимально около 10 тактов (на самых сложных участках), что при частоте тактирующих импульсов 2 МГц даёт около 200000 операций в секунду. При частоте опроса внешних устройств 1000 Гц длина основного цикла программы может составлять до 200 команд. Такое быстродействие, а также объём памяти 2048 байт позволяют строить программу с модульной архитектурой, что значительно облегчает её отладку и сопровождение.
Для компиляции программы применён Borland Turbo Assembler v4.0, команды подмножества Intel 8085 обрабатываются при помощи подключаемого файла макроопределений MACROS80.ASM. Подобный подход позволяет получать исполняемые файлы 8085 на машинах класса IBM PC, наиболее доступных в настоящее время.
В данном исполнении контроллер может поддерживать температуру [0..255] градусов Цельсия с точностью до 1 градуса во временном интервале [1..65,53] секунды при линейном изменении или неограниченно, если температура постоянна. Точность измерения температуры объекта ограничена разрядностью АЦП и сопряжённого с ним порта A контроллера ввода-вывода.
Программа управления приведена ниже.
| ИМС | АДРЕС HEX | АДРЕС BIN, БИТЫ | |||||||||||||||
| 15 | 14 | 13 | 12 | 11 | 10 | 9 | 8 | 7 | 6 | 5 | 4 | 3 | 2 | 1 | 0 | ||
| RAM 1 | 4000 41FF | 0 | 1 | 0 | 0 | 0 | 0 | 0 | 0 | 0 | 0 | 0 | 0 | 0 | 0 | 0 | 0 |
| 0 | 1 | 0 | 0 | 0 | 0 | 0 | 1 | 1 | 1 | 1 | 1 | 1 | 1 | 1 | 1 | ||
| RAM 2 | 4200 43FF | 0 | 1 | 0 | 0 | 0 | 0 | 1 | 0 | 0 | 0 | 0 | 0 | 0 | 0 | 0 | 0 |
| 0 | 1 | 0 | 0 | 0 | 0 | 1 | 1 | 1 | 1 | 1 | 1 | 1 | 1 | 1 | 1 | ||
| RAM 3 | 4400 45FF | 0 | 1 | 0 | 0 | 0 | 1 | 0 | 0 | 0 | 0 | 0 | 0 | 0 | 0 | 0 | 0 |
| 0 | 1 | 0 | 0 | 0 | 1 | 0 | 1 | 1 | 1 | 1 | 1 | 1 | 1 | 1 | 1 | ||
| RAM 4 | 4600 47FF | 0 | 1 | 0 | 0 | 0 | 1 | 1 | 0 | 0 | 0 | 0 | 0 | 0 | 0 | 0 | 0 |
| 0 | 1 | 0 | 0 | 0 | 1 | 1 | 1 | 1 | 1 | 1 | 1 | 1 | 1 | 1 | 1 | ||
| УСТРОЙСТВО НА ШИНЕ | DC1 | DC2 | RAM | ||||||||||||||
| ROM 1 | F800 FBFF | 1 | 1 | 1 | 1 | 1 | 0 | 0 | 0 | 0 | 0 | 0 | 0 | 0 | 0 | 0 | 0 |
| 1 | 1 | 1 | 1 | 1 | 0 | 1 | 1 | 1 | 1 | 1 | 1 | 1 | 1 | 1 | 1 | ||
| ROM 2 | FCFF FFFF | 1 | 1 | 1 | 1 | 1 | 1 | 0 | 0 | 0 | 0 | 0 | 0 | 0 | 0 | 0 | 0 |
| 1 | 1 | 1 | 1 | 1 | 1 | 1 | 1 | 1 | 1 | 1 | 1 | 1 | 1 | 1 | 1 | ||
| УСТРОЙСТВО НА ШИНЕ | DC4 | DC3 | ROM | ||||||||||||||
| IO | C8 C9 CA CB | 0 | 0 | 0 | 0 | 0 | 0 | 0 | 0 | 1 | 1 | 0 | 0 | 1 | 0 | 0 | 0 |
| 0 | 0 | 0 | 0 | 0 | 0 | 0 | 0 | 1 | 1 | 0 | 0 | 1 | 0 | 0 | 1 | ||
| 0 | 0 | 0 | 0 | 0 | 0 | 0 | 0 | 1 | 1 | 0 | 0 | 1 | 0 | 1 | 0 | ||
| 0 | 0 | 0 | 0 | 0 | 0 | 0 | 0 | 1 | 1 | 0 | 0 | 1 | 0 | 1 | 1 | ||
| УСТРОЙСТВО НА ШИНЕ | НЕ ПОДКЛЮЧЕНЫ | DC5 | DC6 | IO | |||||||||||||
| CT | 74 75 76 77 | 0 | 0 | 0 | 0 | 0 | 0 | 0 | 0 | 0 | 1 | 1 | 1 | 0 | 1 | 0 | 0 |
| 0 | 0 | 0 | 0 | 0 | 0 | 0 | 0 | 0 | 1 | 1 | 1 | 0 | 1 | 0 | 1 | ||
| 0 | 0 | 0 | 0 | 0 | 0 | 0 | 0 | 0 | 1 | 1 | 1 | 0 | 1 | 1 | 0 | ||
| 0 | 0 | 0 | 0 | 0 | 0 | 0 | 0 | 0 | 1 | 1 | 1 | 0 | 1 | 1 | 1 | ||
|
табл 1 подключение микросхем к шине адреса в адресном пространстве CPU УСТРОЙСТВО НА ШИНЕ | НЕ ПОДКЛЮЧЕНЫ | DC5 | DC6 | CT | |||||||||||||
рис 1 схема контроллера электрическая принципиальная
Характеристики
Тип файла документ
Документы такого типа открываются такими программами, как Microsoft Office Word на компьютерах Windows, Apple Pages на компьютерах Mac, Open Office - бесплатная альтернатива на различных платформах, в том числе Linux. Наиболее простым и современным решением будут Google документы, так как открываются онлайн без скачивания прямо в браузере на любой платформе. Существуют российские качественные аналоги, например от Яндекса.
Будьте внимательны на мобильных устройствах, так как там используются упрощённый функционал даже в официальном приложении от Microsoft, поэтому для просмотра скачивайте PDF-версию. А если нужно редактировать файл, то используйте оригинальный файл.
Файлы такого типа обычно разбиты на страницы, а текст может быть форматированным (жирный, курсив, выбор шрифта, таблицы и т.п.), а также в него можно добавлять изображения. Формат идеально подходит для рефератов, докладов и РПЗ курсовых проектов, которые необходимо распечатать. Кстати перед печатью также сохраняйте файл в PDF, так как принтер может начудить со шрифтами.
















