44541 (663374), страница 18
Текст из файла (страница 18)
Разрешающая способность по яркостному каналу, линий, не менее -240
Относительный уровень помех в каналах яркости и звукового сопровождения при воспроизведении собственной записи, дБ, не более -40
Время записи или воспроизведения, мин, не менее, видеокассеты:
ВК-180 -180
ВК-120 -120
ВК-30 -30
Время перемотки ленты, мин, не более -7
Размах входного полностью цветового сигнала положительной полярности на нагрузке 75 Ом, В -0,7 - 1,4
Размах цветовой поднесу щей во входном сигнале, мВ -80 - 215
Эффективное напряжение входного сигнала звукового сопровождения, В -0,1 - 0,5
Отношение сигнала синхронизации к полному входному цветовому сигналу, % -25 - 35
Размах выходного полного цветового сигнала положительной полярности на нагрузке 75 Ом, В -0,9 - 1,1
Эффективное напряжение выходного сигнала звукового сопровождения, В -0,1 - 0,3
Полоса воспроизводимых частот сигнала звукового сопровождения, Гц 100 - 8000
Отношение сигнала синхронизации к выходному полному цветовому сигналу, % -20 -35
Потребляемая мощность, Вт, не более -43
Размеры, мм -480367136
Масса, кг, не более -10
Видеомагнитофон питается от сети переменного тока напряжением -220±22 В.
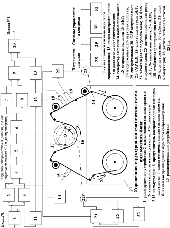
Упрощенная структурно- кинематическая схема аппарата представлена на Рис. 6.1.1. Прежде чем рассказывать о принципе его работы, поясним назначение изображенных на схеме узлов
Рис. 6.1.52
Радиоприемное устройство 1 () выделяет и усиливает принимаемые антенной РЧ сигналы, преобразует их в колебания ПЧ изображения и звукового сопровождения и детектирует последние с целью получения напряжений видео- и звуковой частот телевизионного вещания. В этом устройстве формируются также управляющие напряжения для работы систем автоматической подстройки частоты гетеродина (АПЧГ) и регулировки усиления (АРУ). Далее сигналы изображения и звукового сопровождения обрабатываются в отдельных каналах.
В канале записи сигнала яркости 2 из полного цветового изображения выделяются яркостные колебания, а также восстанавливается их постоянная составляющая. Система АРУ поддерживает постоянный уровень телевизионного сигнала при изменении напряжения на входе устройства.
В этом же канале формируется частотно - модулированный (ЧМ) яркостный телевизионный сигнал и вводятся необходимые частотные предискажения, чем обеспечивается постоянство тока записи в интервале девиации частоты.
Канал записи сигналов цветности 3 из полного цветового телевизионного сигнала отфильтровывает напряжение цветности (его уровень поддерживается постоянным системой АРУ) и автоматически распознает сигналы цветных и черно-белых телевизионных передач. В нем осуществляется также перенос спектра сигналов цветности в область частот 0,3 - 1,1 МГц.
ЧМ сигналы яркости и цветности складываются в сумматоре 4, усиливаются и поступают на коммутатор 5, который, в зависимости от режима работы видеомагнитофона, подключает видеоголовки 17 к началу записи или воспроизведения.
Предусилитель 6 канала воспроизведения усиливает считываемый видеоголовками с магнитной ленты 26 ЧМ сигнал и обеспечивает его частотную коррекцию. В канале воспроизведения сигнала яркости 7 выделяются (после ограничения и детектирования) исходные яркостные колебания, “выпавшие” сигналы строк замещаются сигналами, задержанными на длительность строки (64 мкс), и понижается уровень шумов. Канал воспроизведения сигналов цветности 8 выделяет колебания цветности из воспроизводимого видеоголовками напряжения и переносит их спектр обратно в область частот 3,9 - 4,7 МГц.
В сумматоре 9 сигналы яркости и цветности складываются, образуя полный цветовой телевизионный сигнал.
Канал записи сигналов звукового сопровождения 11 обеспечивает усиление, необходимые частотные предискажения колебаний и поддержание (с помощью системы АРУ) постоянного тока записи в магнитной головке 18, канал воспроизведения 13 усиливает снимаемое с нее напряжение и блокирует его во время паузы, ускоренного и замедленного воспроизведения записи программ. Коммутатор 12 подключает головку к каналу записи или воспроизведения в зависимости от режима работы видеомагнитофона. Токи стирания (в головках 15) и подмагничивания (в головке 18) создает генератор 14. Блок вращающихся головок (БВГ) 16 записывает на ленту и воспроизводит с нее вращающимися видеоголовками 17 сигналы новой видеоинформации.
Радиопередающее устройство 10 преобразует поступающие на него видео- и звуковые сигналы в колебаниях РЧ шестого или седьмого канала.
Система автоматического регулирования (САР) 20 поддерживает необходимые частоту и фазу вращения ведущего вала, а, следовательно, и скорость движения магнитной ленты в режимах записи и воспроизведения в зависимости от частоты и фазы образцовых колебаний. Ими служат кадровые синхроимпульсы, выделяемые при записи из принимаемого сигнала и записываемые синхроголовкой 19 или считываемые ею при воспроизведении. Информация о частоте и фазе вращения ведущего вала снимается с тахогенератора 23, механически связанного с блоком ведущего вала 24. Блок ведущего вала обеспечивает нормальное, ускоренное и замедленное движение магнитной ленты при подаче соответствующих команд с блока коммутации 31.
САР БВГ 21 регулируют частоту вращения видеоголовок в определенной фазе с образцовыми колебаниями - кадровыми синхроимпульсами принимаемого сигнала в режиме записи и напряжением кварцевого генератора канала записи сигнала яркости 2 в режиме воспроизведения. Информация о работе электродвигателя 22, вращающего блок видеоголовок 16, снимается с датчика положением ротора 25 и датчика 32 сигнала частотой 25 Гц.
Лентопротяжный механизм (ЛПМ) 27 обеспечивает автоматическую заправку магнитной ленты 26, ее транспортирование и коммутацию режимов работы видеомагнитофона.
Стабилизатор напряжений питания 28 преобразует поступающие с сетевого трансформатора переменные напряжения в стабилизированные постоянные напряжения.
Блок автоматики 29 управляет переключением режимов работы видеомагнитофона по командам блока коммутации 31 и контролирует их выполнение по сигналам датчиков. Таймер 30 автоматически включает и выключает аппарат в заданное время и индицирует текущее время на вакуумном люминесцентном индикаторе. Блок коммутации 31 включает видеомагнитофон в необходимый режим работы и индицирует его.
Принцип работы аппарата основан на наклонно-строчной записи видеоинформации двумя вращающимися видеоголовками 17. Расположены они в диаметрально противоположных частях вращающегося барабана диаметром 62 мм (угол между осевыми линиями рабочих зазоров видеоголовок - 180). Период его вращения (по направлению движения магнитной ленты) равен периоду полного кадра телевизионного сигнала (частота вращения - 1500 мин -1). Барабан с видеоголовками размещен над неподвижной частью БВГ 16, на наружной стороне которой выточен уступ (направляющая) для магнитной ленты 26. Видеоголовки контактируют с нею через прорези в барабане. Подвижные направляющие стойки механизма заправки и натяжения ленты обеспечивают охват ею барабана по дуге около 186, а положение БВГ и его направляющая – такое движение ленты, при котором ее базовый край и траектория перемещения зазоров магнитных головок образуют угол около 6 (точнее –558).
При движении ленты в ЛПМ 27 видеоголовки последовательно, одна за другой, оставляют на ней наклонные намагниченные строки (видеодорожки). Каждая видеоголовка соприкасается с лентой по дуге более 180, поэтому, кроме одного полукадра телевизионного сигнала, она записывает или воспроизводит еще и часть следующего.
Одновременно с видеоинформацией блоком магнитных головок 18 и 19 на ленту записываются сигналы звукового сопровождения и управления. Способ записи сигналов звукового сопровождения - обычный (продольный), звуковые дорожки располагаются у верхнего края магнитной лены. На отдельной дорожке у нижнего (базового) края ленты записываются импульсы управления с частотой следования 25 Гц, “привязанные” к кадровым синхроимпульсам принимаемого телевизионного сигнала. При воспроизведении эти импульсы управляют работой САР ведущего вала, обеспечивая совпадение траектории вращения видеоголовок с записанными наклонными видеодорожками.
Рис. 6.1.53. Видеофонограмма, используемая в “Электронике ВМ - 12” формата VHS.
Размеры, указанные на нем общепринятыми буквенными символами, имеют следующие значения (в миллиметрах): A=12,65±0,01; B=10,6; W=10,07; L=6,2; P=0,049; T=0,049; C=0,75±0,1; R=1±0,1; D=0,35±0,05; E=0,35±0,05; F=11,65±0,05; h=0,3±0,05; X=79,244. Угол наклона рабочего зазора магнитной видеоголовки относительно перпендикуляра к видеодорожке составляет =6.
Основное достоинство видеомагнитофона–высокая плотность записи: при относительно низкой скорости движения магнитной ленты (2,339 см/с) ширина видеодорожек равна 49 мкм. Защитные полосы между ними отсутствуют, а так как длина рабочего зазора видеоголовок несколько превышает ширину видеодорожек, то при записи каждая из них перекрывает край предыдущей. Для устранения взаимного влияния сигналов соседних строк при воспроизведении рабочий зазор одной видеоголовки повернут относительно перпендикуляра к видеодорожке на угол =+6, а другой – на угол =-6. В результате при записи соседние строки имеют различные направления намагничивания, а при воспроизведении каждая видеоголовка считывает сигналы той видеодорожки, которая соответствует ориентации ее рабочего зазора, сигналы же другой строки оказываются очень слабыми из-за больших потерь.
Примененные в магнитофоне видеоголовки при ширине рабочего зазора 0,4 мкм и скорости их движения относительно ленты 4,84 м/с (скорость записи–воспроизведения) обеспечивают запись сигналов с максимальной частотой 5МГц. Однако присущие магнитной записи искажения не позволяют перенести непосредственно на магнитную ленту широкий спектр частот телевизионного сигнала, показанный на рисунке 3,а. Поэтому при записи использована частотная модуляция. С целью сужения полосы частот ЧМ колебаний несущая частота (3,8МГц) выбрана близкой к верхней модулирующей частоте. Яркостный сигнал модулирует несущую частоту так, что вершинам синхроимпульсов соответствует частота 3,8 МГц, уровню белого–4,8 МГц. Быстрым изменениям яркостного напряжения соответствуют боковые полосы ЧМ сигнала. Верхняя боковая полоса вследствие спада АЧХ пары видеоголовка - лента почти полностью подавляется, а нижняя занимает интервал частот от 1,2 МГц до несущей. Так записывают на магнитную ленту телевизионные сигналы частотой до 2,8 МГц.
Рис. 6.1.54. Спектральные диаграммы преобразования видеосигнала для записи на магнитную ленту
Как видно, бытовой видеомагнитофон – относительно узкополосное устройство, и на нем невозможно записать и воспроизвести полный цветовой телевизионный сигнал без предварительной обработки. Последняя заключается в том, что полоса частот ЧМ сигналов цветности сужается до 0,8 МГц, для чего они выделяются фильтром из полного телевизионного сигнала (Рис. 6.1 .54, а) только в интервале 3,9 - 4,7 МГц (Рис. 6.1 .54, б) и частотным преобразованием (частота гетеродина fг=5,06 МГц) переносятся в интервал 0,3 - 1,1 МГц (Рис. 6.1 .54, в). Одновременно спектр яркостного сигнала ограничивается частотой около 3 МГц (Рис. 6.1 .54, б) и используется затем для частотной модуляции несущей. Наконец яркостный ЧМ сигнал складывается с ЧМ сигналами цветности (Рис. 6.1 .54, г), и оба они записываются на магнитную ленту (это возможно благодаря тому, что в яркостном ЧМ сигнале интервал частот от 0 до 1,2 МГц оказывается свободным).
При воспроизведении сигналы, записанные на магнитную ленту, считываются видеоголовками, усиливаются и разделяются фильтрами на яркостный ЧМ сигнал и преобразованные сигналы цветности. Первый из них ограничивается и детектируется, в результате чего выделяется яркостное напряжение. Если считываемое видеоголовками напряжение по какой - либо причине (например, из - за дефектов магнитной ленты) уменьшается в 12 раз по сравнению с номинальным уровнем, в нем обеспечивается замещение четырех - пяти телевизионных строк задержанным сигналом.
Усиленные сигналы цветности частотным преобразованием переносятся в интервал 3,9 - 4,7 МГц, после чего складываются с яркостным сигналом, образуя полный цветовой телевизионный сигнал. Параллельно с этим в канале звука воспроизводится сигнал звукового сопровождения.
















