30419-1 (663153)
Текст из файла
Разработка устройства логического управления (контроллера) промышленного назначения
Введение.
В данном курсовом проекте поставлена задача разработать некий промышленный контроллер для работы в условиях производства. Задача может быть выполнена на микропроцессоре с гибкой программируемой логикой, а также на дискретных элементах с жесткой логикой.
Реализация на микропроцессоре обладает весомыми преимуществами. Гибкая логика, возможность легкой модернизации контроллера, перспективность.
Программируемая логика реализована на микропроцессоре типа МК-51 фирмы ATMEL – AT89C51, который благодаря встроенной FLASH памяти, обладает возможностью электрического перепрограммирования, а значит быстрой модернизации управляющей программы.
Наличие микропроцессора в современных контроллерах позволяет создавать сложные, гибкие, компактные и надежные системы управления с централизованным управлением и диагностикой.
Структурный синтез цифрового автомата
Обозначим структуру проектируемого микроконтроллера.
Управляющий логический блок на основе микропроцессора.
Блок сбора информации и преобразования ее в вид, требуемый для обработки микропроцессором.
Блок гальванической развязки входных сигналов и сигналов, поступающих на микропроцессор.
Блок связи с исполнительными устройствами (включающий гальваническую развязку) для преобразования выходных сигналов микропроцессора в мощные сигналы управления.
Блок начального сброса микропроцессора.
Блок индикации входных и выходных сигналов.
Блок электропитания контроллера.
2. Разработка принципиальной схемы.
1. Управляющий логический блок.
В качестве основы для контроллера выбран популярный микропроцессор типа MK-51 от фирмы Atmel – AT89C51.
Его основные преимущества перед подобными процессорами иных фирм:
Полностью совместим с семейством МК-51.
4 кб встроенной перепрограммируемой Flash памяти (включая перепрограммирование непосредственно на плате по протоколу SPI) при не менее 103 циклов перезаписи.
Работа на частотах от 0 до 40 МГц.
128х8 бит ОЗУ.
32 программируемых линии портов ввода/вывода.
Два 16-битных таймера счетчика
Шесть источников прерываний
Программируемый последовательный канал совместимый с RS-232-S.
2. Блок сбора информации и преобразования ее в вид, пригодный для обработки микропроцессором.
Входная информация и выходная информация проходит через внешний разъем типа РШ2Н-2-16.
В таблице 1 приведен список и условное обозначение входных и выходных сигналов из задания.
Табл. 1.
| Наименование сигнала по заданию | Присвоенное название |
| Входные сигналы | |
| S1 - контактный датчик | S1 |
| S2 – контактный датчик | S2 |
| S3 – контактный датчик | S3 |
| Ua - Аналоговый сигнал напряжения в диапазоне 0..10В | UA |
| Ev – датчик освещенности 0..200лк | EV |
| Выходные сигналы | |
| Электромагнит Y1 | Y1 |
| Электромагнит Y2 | Y2 |
| Тр. Модуль – VT1 | Y3 |
| Тр. Модуль – VT2 | Y4 |
| Условия переходов автомата | |
| S1 U < 7 B | X1 |
| EV < 40 лк | X2 |
| (S1 S2) U > 1 B | X3 |
| S3 ^ EV < 50 лк | X4 |
| S2 ^ U < 3 B | X5 |
| EV > 100 лк | X6 |
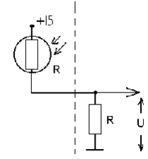
Сигнал с датчика освещенности (фоторезистора СФ2-1) снимаем по такой схеме:
Далее сигнал поступает на делительный мост из резисторов, формирующий нужный уровень сигнала, подаваемый на схему из двух компараторов. На не инвертирующий вход компаратора подается измеряемая величина напряжения, а на инвертирующий – величина опорного напряжения, при достижении которой значение логического сигнала на выходе компаратора меняется на противоположное. Срабатывание при нужном значении освещенности регулируется подстроечными резисторы марки РП1 – 48 10КОм10%.
Компаратор LM29000.
Его электрические характеристики:
Максимальный потребляемый ток 2 мА.
Напряжение смещения 1 мВ.
Корпус DIP-14.
Для организации высокостабильного опорного напряжения выбраны специализированная микросхема LM4130 фирмы National Semiconductor.
Выходное опорное напряжение 4.096 В
Погрешность выходного напряжения 0.05%
Температурный коэффициент нестабильности 3*10-6/оС
Минимальное входное напряжение 5 В
Потребляемый ток 1 мА
Максимальный выходной ток 30-50 мА
Изменение выходного напряжения (при Iвых=30..50 мА) 0.05%
По такой же схеме организован прием и формирование логических сигналов UA на микропроцессор.
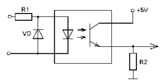
3. Блок гальванической развязки входных сигналов и сигналов, поступающих на микропроцессор.
Входные величины поступают из внешней (для контроллера) среды, что говорит о возможном наличии помех различных типов. Так же необходимо предусмотреть возможность неправильной полярности подключения датчиков. Поэтому возникла необходимость в гальванической развязке сигналов.
Для того, чтобы развязать входные уровни микропроцессора и входных сигналов от датчиков применены три оптопары К249КН4П. Характеристики, по которым они были выбраны:
Uмахком=60 В;
Iвхmin=10 мА;
Iвхmax=25 мА;
Iком=8 мА.
Резисторы R1 и R2 рассчитываются из условий максимального входного и коммутируемого токов. Диод обеспечивает защиту от неправильной полярности включения.
Резисторы:
R1 C2 – 23 0.25Вт 1600 Ом0.25%
R2 C2 – 23 0.125Вт 270 Ком0.1%
Диод КД521А(Д220А):
Uпр=1В, Uобр=75В, Iпр.ср=50мА, Iобр=1мкА.
Обработка выходных величин: Электромагнит.
В данной работе автомат генерирует выходной сигнал управления электромагнитом (=24В, 10Вт). Данная мощность явно не позволяет подключать электромагнит непосредственно к выходу микропроцессора, поэтому здесь целесообразно применить мощные твердотельные оптоэлектронные реле. Мощность на выходе которых может достигать достаточно больших значений. В оптопаре одновременно реализуется гальваническая развязка силовой и управляющей цепей, а также усиление по мощности сигнала.
Схема подключений оптоэлектронного реле:
Твердотельное реле для цепей постоянного тока 5П19А1:
Напряжение коммутации -60..+60В
Ток коммутации -3..3А
Входной ток 10 – 25мА
Входное напряжение в выключенном состоянии -3.5..0.8 В
Рассеиваемая мощность 1000мВт
Температура окр. среды -45..+85
Корпус SIP12
Резистор:
R C2 – 23 0.125Вт 360 Ом0.1%
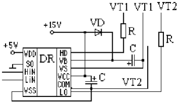
Транзисторный модуль
Транзисторный модуль М2ТКИ-50-12 управляется специализированным драйвером - драйвер транзисторных модулей такого типа - IR2112 фирмы International Rectifier. Драйвер способен выдерживать напряжения до 600 вольт. Схема включения приведена ниже:
Symbol Description
VDD Logic supply
HIN Logic input for high side gate driver output (HO), in phase
SD Logic input for shutdown
LIN Logic input for low side gate driver output (LO), in phase
V SS Logic ground
VB High side floating supply
HO High side gate drive output
V S High side floating supply return
VCC Low side supply
LO Low side gate drive output
COM Low side return
Диод VD должен выдержать обратное напряжение 600В.
Диод КД105Г(КД209В):
Uпр=1В
Iср.пр=300мА
Iср.обр=0.1мА
Uобр=800В
Драйвер IR2112:
Параметры драйвера:
VOFFSET 600V max.
IO+/- 200 mA / 420 mA
VOUT 10 - 20V
ton/off (typ.) 125 & 105 ns
Delay Matching 30 ns
Корпус DIP14.
Резисторы:
R C2 – 29 0.5 10 Ом0.25%
Конденсатор:
C К73 – 17 630В 0.1мкФ10%
Начальный сброс микропроцессора
Для системы, построенной на базе микропроцессора необходима схема начального сброса и система предохранения от зависания. Так как из-за сильной электромагнитной помехи может исказиться часть информации, обрабатываемой микропроцессором в данный момент, что чревато сбоем в алгоритме управляющей программы, а так же зацикливанием работы процессора или его “зависанием”. Все это приводит к отказу в работе контроллера.
Как правило, такие сильные и фатальные помехи случаются очень редко, но если контроллер выполняет часть операций в отлаженном техническом процессе, то такой его отказ приводит к возникновению незапланированного простоя в работе и большими экономическими убытками.
Работоспособность контроллера можно восстановить, подав на процессор команду сброса (reset). Такие функции выполняет WatchDog Taimer. В данной работе эта система не реализована. Сброс микроконтроллера можно будет произвести кратковременным сбросом питающего напряжения или кнопкой Reset, расположенной на передней панели.
Конденсатор:
C К50-16-50В-1 мкФ
Индикация
Возможны несколько способов реализации индикации:
на светодиодах,
на ЖК элементах,
на цифровых или символьных индикаторах и др.
Для обеспечения визуального наблюдения за функционированием контроллера введен блок индикации сигналов. Его реализация является программной.
Подпрограмма опрашивает состояния входов и выходов и выводит эти значения в порт P0 микропроцессора МК51.
Непосредственно на эти выходы подключены светодиоды, которые визуально отображают состояние входов и выходов.
Для того, чтобы светодиоды можно было подключить напрямую к порту, они должны потреблять как можно меньше тока, но при этом обеспечивать достаточную яркость свечения.
Этим запросам полностью удовлетворяют выбранные светодиоды КИПД02Б-1К. Ниже в таблице приведены их основные параметры.
| Тип прибора | Цвет свечения | Значения параметров при Т=25°С | Iпр.мах. mA | Uобр (Uобр.и) B | |||||
| Iv. мккд (L, кд/м2) | Uпр. B | Iпр.ном. mA | мах. mkM | ||||||
| КИПД02Б-1К | Красный | 900 | 1,8 | 5 | 0,7 | 20 | 3.0 | ||
При напряжении питания и токе светодиода 5 мА токоограничивающий резистор принимаем равным R=1кОм
Резисторы:
R C2 – 23 0.125Вт 1КОм0.1%
Питание элементов схемы
На вход контроллера поступает питающее напряжение 24В, а в состав контроллера входят устройства, питающиеся от 5В, а также 15В. Проблема питания может быть решена с помощью специализированной интегральной схемы импульсного преобразователя постоянного напряжения. Примером такого преобразователя может служить интегральный преобразователь DCP. На вход этого преобразователя поступает постоянное напряжение, и на выходе тоже имеется постоянное напряжение, но другого уровня. При этом осуществляется полная гальваническая развязка между входом и выходом с помощью встроенного трансформатора. Микросхема заключена в корпус DIP14, компактна и удобна в использовании. В данной работе будет использоваться микросхема (DCP022405P(на выходе 5В)). Выходная мощность микросхем составляет 2Вт.
ТЕХНИЧЕСКИЕ ХАРАКТЕРИСТИКИ DC/DC серии DCP02
Характеристики
Тип файла документ
Документы такого типа открываются такими программами, как Microsoft Office Word на компьютерах Windows, Apple Pages на компьютерах Mac, Open Office - бесплатная альтернатива на различных платформах, в том числе Linux. Наиболее простым и современным решением будут Google документы, так как открываются онлайн без скачивания прямо в браузере на любой платформе. Существуют российские качественные аналоги, например от Яндекса.
Будьте внимательны на мобильных устройствах, так как там используются упрощённый функционал даже в официальном приложении от Microsoft, поэтому для просмотра скачивайте PDF-версию. А если нужно редактировать файл, то используйте оригинальный файл.
Файлы такого типа обычно разбиты на страницы, а текст может быть форматированным (жирный, курсив, выбор шрифта, таблицы и т.п.), а также в него можно добавлять изображения. Формат идеально подходит для рефератов, докладов и РПЗ курсовых проектов, которые необходимо распечатать. Кстати перед печатью также сохраняйте файл в PDF, так как принтер может начудить со шрифтами.
















