24673-1 (661451)
Текст из файла
Завдання типу “Чорної скриньки” як засіб формування у студентів навиків стилю наукового дослідження
У державному стандарті фізичної освіти особлива увага звертається на розвиток наукового мислення і творчих здібностей молоді. На сучасному етапі проблема розвитку творчого мислення набуває особливого значення. Україні потрібні інтелектуально розвинені, творчо обдаровані особистості. Реалізувати цей аспект навчання студентів можна лише за умови їхньої активної розумової діяльності у процесі здобуття знань та формувань практичних умінь та навичок.
Значною мірою цьому сприяє розв’язування фізичних задач, особливо експериментальних, які є усвідомленою інтерпретацією наукових методів пізнання. Робота з експериментальними задачами вимагає від студентів неординарного, творчого мислення, наближає їх на прикладі реальної ситуації задачі до творчої уяви, самостійної постановки методів і шляхів розв’язання проблеми, до стилю наукового дослідження.
Члени науково-методичного гуртка протягом кількох років займаються вирішенням названої проблеми шляхом розробки і виготовлення експериментальних завдань типу “чорної скриньки”. Спостереження свідчать, що учням і студентам подобаються завдання такого типу, вони збуджують інтерес до вивчення фізики, змушують їх проявити свою індивідуальність, стимулюють самостійну активність, моделюють дослідницькі методи наукового пізнання фізики, формують навички наукової праці. Нами розроблено і виготовлено десятки різноманітних завдань типу “чорної скриньки”, які успішно демонструються вчителям фізики на обласних семінарах, і досліджують їх систематично переможці обласної фізичної олімпіади при підготовці до участі у всеукраїнській олімпіаді. Над цими завданнями з цікавістю працюють студенти нашого факультету на заняттях фізпрактикуму та при написанні курсових робіт з методики фізики.
Завдання типу “чорної скриньки” за змістом можуть бути різноманітні: з механіки, електрики, магнетизму, оптики та інші. Наприклад, при вивчені магнітних явищ у 8 класі можна використовувати “чорні скриньки” у формі кубиків, всередині яких закріплено керамічні магніти з довільною орієнтацією магнітних полюсів. За допомогою індикатора – магнітної стрілки або компаса потрібно дослідити розміщення магнітів у ящику.
Ще більшу цікавість викликає дія “чорної скриньки” на піднесену до неї учнівську ручку: загоряється сигнальна лампочка і дзвонить електродзвінок. Виявляється, що в учнівську ручку вмонтовано циліндричний магніт, який при піднесені до “чорної скриньки” своїм магнітним полем діє на геркон, що замикає просте електричне коло електродзвінка і лампочки.
Найчастіше завдання типу “чорної скриньки” використовують при розв’язуванні задач на розрахунок електричних кіл. Така скринька має вигляд непрозорої коробки, в якій містяться електричні елементи (резистори, конденсатори, діоди та інші), певним чином з’єднані між собою. На коробці встановлюються затискачі, з’єднані з вузловими точками схеми. Користуючись джерелом струму і відповідними вимірювальними приладами, пропонується визначити характер використаних елементів та зобразити можливий варіант схеми їх з’єднання.
Отже, “чорна скринька” – це закрита система, яка має “вхід” і “вихід”, внутрішній вміст якої потрібно визначити. Для цього на вхід “чорної скриньки” подається певний сигнал від джерела постійної або змінної напруги, звукового генератора та ін., а на виході знімається певна інформація за допомогою вимірювальних приладів, а тоді на основі дослідження отриманих результатів необхідно “відкрити” вміст “чорної скриньки”. Таким чином, у розв’язуванні завдань типу “чорної скриньки” формуються елементи наукового дослідження: на основі інформаційних фактів висувається гіпотеза структури “чорної скриньки”, яка перевіряється дослідно і підтверджується або відкидається.
Д
ля прикладу розглянемо методику дослідження “чорної скриньки”.
Задача 1. За допомогою омметра дослідити, які елементи електричного кола є в “чорній скриньці”. Накреслити схему з’єднань цих елементів. “Чорна скринька” має чотири клеми, позначені цифрами 1, 2, 3, 4.
Розв’язання
Дослідження вмісту “чорної скриньки” в цій задачі зводиться до того, щоб за допомогою омметра знайти опір між кожною парою клем “чорної скриньки” і результати записати у відповідну таблицю. Нехай одержимо такі дані:
Аналіз
| Серії дослідів | І серія | ІІ серія | ІІІ серія | IV серія |
| Вимірювання опорів між клемами | 1-2 1-3 1- 4 | 2-3 2- 4 2-1 | 3-4 3-1 3-2 | 4-1 4-2 4-3 |
| Результати вимірювань | R1 R3100 300 0 | R2 R1 R1200 100 100 | R3 R3 R2300 300 200 | R1 R30 100 300 |
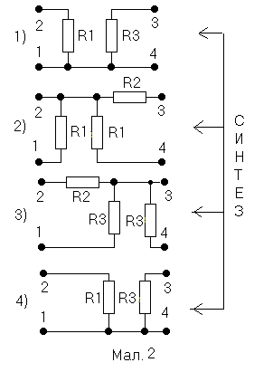
Порівняємо результати вимірювань опорів у прямому і зворотному напрямках, тобто варіанти дослідів 1-2; 2-1; 1-3; 3-1; 1-4; 4-1; 2-3; 3-2; 2-4; 4-2; 3-4; 4-3. Ці опори мають відповідно однакові значення. Отже, в колі відсутні діоди, а сталість показів омметра доводить, що конденсатори також відсутні. У “чорній скриньці”, очевидно, є лише резистори. Накреслимо можливі варіанти з’єднання резисторів (Мал.2).
На основі результатів вимірювань, порівнюючи одержані схеми, синтезуємо їх в одну. Схеми І і ІV серій тотожні, а тому вивчають тільки серії І, ІІ і ІІІ. З 1 схеми видно, що клеми 1 і 4 з’єднані між собою, а тому резистор R1 між 2 і 4 клемами в схемі 2, а також резистор R3 між клемами 1 і 3 в схемі 3 зайві. З першої й другої схем видно, що між клемами 1 і 2 увімкнено резистор R1, а зі схем 2 і 3 з’ясовуємо, що між клемами 2 і 3 увімкнено резистор R2. Зі схеми 3 випливає, що ніякого резистора R3 не існує, а він, очевидно, є результатом з
’єднання резисторів R1 та R2. Отже, можна на основі синтезу всіх схем припустити (висунути гіпотезу), що в “чорній скриньці” є два резистори опорами R1 та R2, які з’єднані за схемою малюнка 3.
Перевірка за результатами вимірювань опо-рів омметром на основі таблиці та за схемами 1 – 4 підтверджують достовірність нашого припу-щення.
Проаналізуємо ще один приклад застосу-вання елементів наукового дослідження при розв’язуванні задачі типу “чорної скриньки”.
Задача 2. Дано “чорна скринька” з клемами А і В. За допомогою джерела струму (гальваніч-ний елемент з = 1,5 В) і амперметра визначити, яке електричне коло міститься в середині “чорної скриньки”.
Розв’язання
Щ
об отримати факти, на основі яких можна було б висунути припущення (гіпотезу) про вміст “чорної скриньки”, потрібно спочатку запланува-ти різні варіанти експериментального досліджен-ня, враховуючи умову задачі, що дано лише амперметр і джерело струму.
Очевидно, після обдумування тут можливі такі варіанти дослідження:
1. Приєднати послідовно амперметр і джерело струму до клем АВ “чорної скриньки” і виміряти силу струму.
2. Поміняти полярність джерела струму і знову виміряти силу струму.
3. Оскільки в умові задачі відсутні будь-які застереження, то можна лише один амперметр приєднати до клем “чорної скриньки”, щоб виявити, чи є джерело струму всередині скриньки. Залежно від конструкції скриньки можливі різні випадки результатів вимірювань. Дослідимо два з них:
1. Нехай при зміні полярності джерел струму амперметр показав зменшення сили струму в 2 рази (І1=1А ; І2=0,5А), напрям струму не змінився.
У цьому випадку зрозуміло, що в “чорній скриньці” має бути джерело струму з х> (інакше при перемиканні полярності зовнішнього джерела струму напрям струму має змінитися на протилежний). Найпростіше можливе коло в цьому випадку складатиметься: батарейка з х і послідовно з нею резистор Rx. Тоді за першими двома дослідженнями маємо:
де х – електрорушійна сила батарейки; – електрорушійна сила зовнішнього джерела.
Розв’яжемо отриману систему рівнянь шляхом ділення лівих і правих частин:
2x – 2 = x+ ;
x = 3, отже х = 4,5В
До Rx може належати і внутрішній опір батарейки. Перевірити достовірність отриманого результату розв’язку можна експериментально, приєднавши до клем “чорної скриньки” амперметр. Він повинен наближено показати силу струму
І = 0,75А.
2. Нехай при зміні полярності джерела струму сила струму зменшується вдвічі (І1=1А; І2=0,5А) і напрям струму змінюється на протилежний. Очевидно, в цьому випадку можливі різні схеми елементів у “чорній скриньці”:
а) Якщо всередині “чорної скриньки” є батарейка, то її електрорушійна сила повинна бути меншою від електрорушійної сили джерела, х < .
;
2 – 2х = + х;
x=1/3; отже x= 0,5В,
RX = 2 Ом.
Д
ля перевірки при підключенні до клем “чорної скриньки” амперметра сила струму наближено повинна дорівнювати:
І1 = 0,25А.
Мал. 5
б) Результат вимірювань буде однаковий, якщо в “чорній скриньці” вміщено резистори і діоди, простіші схеми з’єднання яких показано на малюнку.
У першій схемі лівий ряд відкритий, а правий закритий, сила струму
, звідки
, Rx = 3Ом.
Якщо полярність зовнішнього джерела змінити, то лівий діод закриється, а правий відкриється, і сила струму:
,
тобто сила струму зменшиться в 2 рази, і напрям струму зміниться на протилежний.
У схемі 2 діод відкритий і обидва опори ввімкнено паралельно, тоді сила струму:
; звідки
Rx = 3Ом.
Якщо полярність зовнішнього джерела струму змінити, то діод закриється і струм буде проходити лише по одному правому резистору Rх: І2=/Rx; І2=0,5А, тобто сила струму зменшиться в 2 рази, але напрям струму зміниться на протилежний.
Якщо до клем “чорної скриньки” безпосередньо підключити амперметр, то він струму не покаже, отже, це свідчить про відсутність батарейки в “чорній скриньці”.
Отже, з розв’язку цієї задачі можна зробити висновок, що в процесі дослідження структури “чорної скриньки” використовуються елементи наукового дослідження: від достовірних фактів, що дають вимірювальні прилади, до висунення різних гіпотез (схем вмісту “чорної скриньки”), а потім до наслідків, які перевіряються експериментально. Це сприяє розвитку в студентів навиків наукового дослідження.
Наведемо приклади набору задач типу “чорної скриньки”, розроблені і виготовлені членами науково-методичного гуртка, які можна рекомендувати для творчої праці з учнями та студентами.
З
адача 3. За допомогою омметра дослідити “чорну скриньку”, яка має дві вхідні клеми і перемикач на три положення.
З
адача 4. Дослідити “чорну скриньку” за допомогою батарейки для кишенькового ліхтарика та шкільного вольтметра.
Задача 5. Застосовуючи вольтметр визначити, які елементи електричного кола є в “чорній скриньці”. Намалювати можливі варіанти схеми кола.
Задача 6. За допомогою омметра дослідити “чорну скриньку”. Накреслити можливі варіанти схеми кола.
З
адача 7. Вивчити “чорну скриньку”, застосувавши джерело живлення постійної напруги, яке можна приєднувати лише до будь-яких двох клем різного кольору.
Задача 8. Дослідити “чорну скриньку” за допомогою батарейки для кишенькового ліхтарика та шкільного амперметра, з’єднавши їх послідовно між собою і будь-якими двома клемами досліджуваної скриньки. Накреслити можливі варіанти схеми кола.
З
адача 9. Дослідити схему з’єднання електричних лампочок, застосовуючи джерело живлення постійної напруги.
Характеристики
Тип файла документ
Документы такого типа открываются такими программами, как Microsoft Office Word на компьютерах Windows, Apple Pages на компьютерах Mac, Open Office - бесплатная альтернатива на различных платформах, в том числе Linux. Наиболее простым и современным решением будут Google документы, так как открываются онлайн без скачивания прямо в браузере на любой платформе. Существуют российские качественные аналоги, например от Яндекса.
Будьте внимательны на мобильных устройствах, так как там используются упрощённый функционал даже в официальном приложении от Microsoft, поэтому для просмотра скачивайте PDF-версию. А если нужно редактировать файл, то используйте оригинальный файл.
Файлы такого типа обычно разбиты на страницы, а текст может быть форматированным (жирный, курсив, выбор шрифта, таблицы и т.п.), а также в него можно добавлять изображения. Формат идеально подходит для рефератов, докладов и РПЗ курсовых проектов, которые необходимо распечатать. Кстати перед печатью также сохраняйте файл в PDF, так как принтер может начудить со шрифтами.















