24673-1 (661451), страница 2
Текст из файла (страница 2)
З
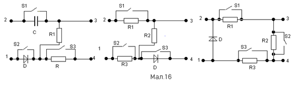
адача 10. Вивчити “чорну скриньку” за допомогою джерела постійної напруги, яке можна приєднати лише до клеми 1 і будь-якої іншої.
Задача 11. Дослідити багатоваріантну “чорну скриньку – комплекс” за допомогою омметра.
Р
озглянуті конструкції “чорних скриньок” і методику їх розв’язування можна успішно застосовувати в школі і вузі для активізації пізнавальної діяльності учнів та студентів, що сприятиме розвитку їх творчого мислення, стилю наукового дослідження.
В
иготовляти їх можна власними силами із широкодоступних, дешевих матеріалів, зовнішній вигляд може бути довільний згідно фантазії, а наведені схеми вмісту також можна змінювати і ускладнювати.
Література
-
Савинцев В.Н. Экспериментальные задачи с элементами исследования при изучении электри-ческих цепей // Физика в школе. – 1979. – №6 – С. 62 – 64.
-
Черкавский Н.И. Способ формирования навыков научного исследования // Физика в школе. – 1985. – №6. – С. 44 – 45.
-
Калапуша Л.Р., Жила О.І., Давидюк Г.Є., Ольхович Є.О. Формування творчої активності учнів у навчальному процесі з фізики. – Луцьк, 1988.
-
Фізика: Всеукраїнські олімпіади: Завдання та їх розв’язування / Авт.-упоряд. С.І.Гончаренко. – К.: Либідь, 1997. – 176 с.














