geodez (654181), страница 2
Текст из файла (страница 2)
7 1
-------- --------
12000 1700
Для обеспечения необходимой точности в установке конструкции разбивочные работы следует производить не грубее mr= 0.2, где - предельное отклонение конструкции. Следовательно, для разбираемого случая измерение линий потребуется выполнять с относительной ошибкой 1: 3500 – 1: 4000. Этого можно достигнуть при разбивке створа теодолитом или хорошо натянутой стальной проволокой с последующим замером стальной рулеткой.
Само собой разумеется, что работа по выносу проекта в натуру независимо от ее точности, должна быть всегда организована так, а для этого необходим полноценный контроль всех вычислительных и измерительных действий.
Из требований точности подбираются необходимые инструменты и приборы:
-
Теодолит.
-
Рулетка стальная.
-
Колышки деревянные – 5-6 шт.
-
Мерная лента со шпильками.
-
Вехи – 3 шт.
-
Гвозди 5-7 мм – 5-6 шт.
-
Проволоки 1-2 мм 25 и 60 метровые.
-
Инвентарная обноска.
Состав работы
-
Объяснение задания.
-
Аналитический расчет выносимых в натуру элементов.
-
Рекогносцировка участка.
-
Разбивка основной оси.
-
Объяснение задания.
На планах по указанию руководителя практики запроектировать красную линию (ось улицы) и жилой дом, габариты которого взять из альбома типового проекта.
4 КЖ
ис. 3Красными линиями называют проектные линии, по которых будут вестись новая застройка. Красные линии могут совпадать с линиями существующей застройки улицы, если улица имеет достаточную ширину и не предусмотрено её расширение.
Если проектом планировки предусмотрено расширение улицы или пробивки новой улицы, красные линии не совпадают с линией существующей застройки (обычно подлежащей под снос). На уровне земли подземные детали не должны выступать за красную линию в сторону улицы, поэтому при разбивке с красной линией совмещают цоколь здания.
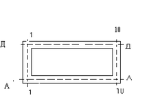
А
– А и Д – Д - продольные или фасадные оси фундамента;
1 –1 и 10 – 10 – поперечные или торцовые оси фундамента.
Рис. 4
-
Аналитический расчет выносимых в натуру элементов.
План красных линий и проектируемых зданий и сооружений разрабатывается на топографических планах масштабов 1:2000 – 1: 500 и является документом, на основе которого рассчитывается и красные линии и положении проектируемых сооружений.
Аналитический расчет состоит в установлении аналитической связи между определяемыми (проектными) точками и существующими на местности точками геодезической основы.
Аналитические расчеты (геодезическая подготовка) для разбивочных работ осуществимы следующими способами: аналитическим, графическим и графоаналитическим. Подробно об этих способах см. «Методические указания к изучению курса инженерной геодезии в строительстве. Автор Лобов М.И. » или Практикум по инженерной геодезии. Б.С. Хейфиц, Б.Б. Данилевич, 1973, § 80 и др.
-
Рекогносцировка участка.
По завершению аналитических расчетов и составления схемы выноса проекта в натуру приступают к полевым работам по разбивке выносимых элементов. Для этого на местности находят пункты геодезической сети. Устанавливают ориентированные линии и направления выносимых элементов. Все это вместе взятое составляет изучение площадки, на которой будут производится разбивочные работы и называется рекогносцировкой. При этом необходимо следить за тем , что бы не ошибиться в ориентировке здания на 180 , то есть не повернуть его зеркально.
-
Разбивка основной оси.
Наиболее распространенными методами построения проектной точки на местности является: полярных, прямоугольных координат, засечек и т.д.
При разбивке зданий и сооружений работу начинают с выноса в натуру двух крайних точек , определяющих положение наиболее длинной продольной оси. Точки привязывают к ближайшим пунктам геодезической основы.
С
пособ полярных координат
Рис.5
Средняя квадратическая погрешность выноса в натуру проектной точки вычисляется по формуле:
m c = m2 исх + ( S2 / 2 )* m 2 + m 2ф =
= (m 2 / 2 ) * S + (ms / S)* S2 + m 2ф
при m 2 = 30" , ms / S = 1 / 2000 , mф = 1 мм , s = 100 м
m c = (30 2 * 100000 2 )/ 206265 2 + (1 * 100000 2 )/ 2000 2 + 1 2 = 53 мм
при m 2 = 5" , ms / S = 1 / 5000 , mф = 1 мм , mс = 20,2 мм
Способ прямоугольных координат
m c = (ms / S)2 * (S 1 + S 2 )2 +(m " / " ) 2* S)2 + m 2ф
Пример. При выносе в натуру точки способом прямоугольных координат перпендикулярно строим теодолитом Т-30 одним полным приемом. Проектные отрезки S1 и S2 строим на ровной горизантальной плоскости . точки закрепляем колышками, на верней части которых прочерчивали карандашем линии. Вычислить погрешность выноса в натуру точки А , если расстояние S1= Y1 и S 2 = X2 , S1= S 2 = 20 м.
При m = 30" , ms / S = 1/9000 , и mф = 1 мм
m c = (1/ 9000)2 (20000 + 20000)2 +(30/206265) 2 *20000 2 + 1 2 = 5,4 мм
Способ угловой засечки
Р
ис. 5
mА = (m12 / "2 )* S12 + (m22 / "2 )* S22 + m2ф + m2ц. ст
При m1 = m2 - формула имеет вид
mА = (2m2/ "2 )* S2 + m2ф + m2ц. ст
Если углы прямой угловой засечки строили полным приемом, теодолитом Т-30. Точку на местности закрепляли металлическим штырем
m2ц. ст – выноса в натуру точки с центрального столика ( если эта операция выполнялась)
При S1 = S2 = 25 м, m = 30" , mф = 1,5 мм и m ц.ст = 2,5 мм, тогда
mА = (2 * 30 2 / 2062652 )* 250002 + 1,52ф + 2,52= 17 мм
5. Детальная разбивка осей в плане и по высоте. Закрепление осей на обноске и створными знаками.
Детальная разбивка выполняется от перенесенных в натуру основных осей. Допустим, имеется здание, ось фундамента которого А/1 – А/10 разбита в натуре. От этой оси разбивают оси внешнего контура здания 1-1, Д-Д, и 10-10, для чего теодолитом и мерной лентой (рулеткой) строят прямоугольник А/1 – Д/1 + Д/10 – А/10. Принимая во внимание то, что торцевые оси имеют, как правило, не большие длины, то прямые углы достаточно построить теодолитом Т-30 при двух положениях круга.
Контролем построения может служить равенство диагоналей, величину которых находят из теоремы Пифагора. Из-за ошибок угловых и линейных измерений расхождения диагоналей между собой и в сравнении с вычисленной не должны отличатся более чем на 2-3 см. вершины прямоугольника закрепляют кольями, в верхние срезы которых забивают гвозди.
После разбивки прямоугольника на расстояние 4-5 м параллельно сторонам его провешивают линии. По этим линиям через 2,5 – 3 м устанавливают столбы диаметром 12-14 см и высотой 1,5 –3,0 м. Столбы не должны попадать на оси здания . С внешней стороны к столбам прибиваются обрезные доски толщиной 25-40 мм так, чтобы верхние кромки их располагались горизонтально. Это достигается при помощи нивелира. Построенное таким образом ограждение называется обноской.
Иногда обноски делают не сплошные , а в виде отдельных скамеек , расположенных в необходимых местах, т.е. по углам здания на створах продольных и поперечных осей.
Для вынесения главных осей на обноску с теодолитом становятся в одну из вершин прямоугольника, например в точку А/1 (рис. 8), центрируют инструмент, устанавливают алидаду на отсчет 0 по лимбу, трубу наводят на точку А/10 и лимб закрепляют.
Р
ис. 8
Поднимают зрительную трубу до верха доски обноски и в визирной плоскости забивают гвоздь а 2 . Затем установить на лимбе отчет 180, таким же путем намечают на обноске точку и забивают в нее гвоздь.
Повернув алидаду , наводят трубу на точку Д/1 и забивают гвозди на обноске в точках m 1 и m 2 , при этом отсчеты на лимбе должны соответствовать 90 и 270, таким образом оси А-А и 1-1 будут вынесены на обноску
Затем устанавливают теодолит в точке Д/10 и анологичным путем выносят две другие оси (Д-Д и 10-10) .
Основные разбивочные работы завершают закреплением осей за пределами будущего котлована, так как при его разработке все габаритные точки будут уничтожены. Для этого в створе основных осей закладывают специальные осевые знаки 1 и теодолитом, установленным в точках А/1 и Д/10 или а/10 и д/1, передают основные оси на знаки, где их фиксируют на металлической пластине крестообразной насечкой. Знаки закладываются в местах, где будет обеспечена их сохранность (конструкция знаков приведена в СниПе 3.01.03-84).
Оси закрепляют по обе стороны от габаритов сооружения не менее, чем двумя знаками (рис.9). Знаки привязывают промерами к местным предметам.
Рис.9
Детальная разбивка по высоте осуществляется от главной высотной основы, составляющей знаки , абсолютные высоты которых определяют проложением нивелирных ходов ІІс , ІІІс и ІVс классов. От этой основы на строительную площадку передают в виде нивелирного хода трех высотных реперов. Проектные в район строящегося здания передаются от указанных выше реперов как ранее рассмотренная задача «Вынос точки с заданной отметкой». Величину выносимой отметки задает преподаватель.
-
4.КОНТРОЛЬ ГЕОМЕТРИЧЕСКИХ ПАРАМЕТРОВ
-
КОНСТРУКЦИЙ.
Выполняется при изготовлении конструкции при поступлении их на строителый объект с целью установления их фактических размеров и имеющих место отклонений. Для измерений используются металлические рулетки, линейки, угольники , теодолит, нивелир, нивелирная рейка.
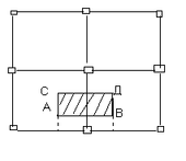
При контроле геометрических параметров плоских железобетонных конструкций –панелeй, измеряют длину l , ширину(высоту) h , толщину p, длины диагоналий d. При размерах конструкции не привышающих 2 х 6 м плоскостность конструкции определяется относительно вертикальной и горизонтальной плоскостей в 5 точках. В первом случае с помощью теодолита методом бокового нивелирования , во втором с помощью нивелира – геометрическим нивелированием. Определение изгибов проводится предварительно намеченных карандашом точках (рис. 10).
Рис. 10
а) определение изгибов конструкций , установленных вертикально (или с небольшим наклоном).
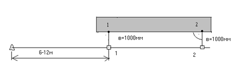
Производится на стенде, монтажной площадке или после монтажа. Вдоль конструкции разбивается линия параллельная боковой грани в нижней части. Для этого неперпендикулярно низу конструкции в точках 1 и 2 (рис. 11) с помощью нивелирной рейки откладываются и закрепляются на колышках гвоздями отрезки равные b=500 или 1000 мм.
Р
ис. 11
На расстоянии 6-12 метров от точки 1 (или 2) в створе линии устанавливает теодолит и центрируется над продолжением данной линии. Продолжение линии от точки Т разбивается с помощью теодолита, установленного над точкой 2 и ориентированного натянутой на точку 1 или с помощью струны, натянутой от точки 2 через точку 1 и закрепленной в точке Т. после закрепления створа в точке Т устанавливают теодолит, последовательно центрируют и приводят в рабочее положение (способ приближений). Наводят пересечение сетки на точку 2. Изменяя фокусировку трубы проверяют, что бы пересечение сетки находилось на точке 1. Если теодолит центрирован в точке Т с ошибкой , то смещение точки 1 и створа составит /2. Допускается нестворность не более 1 мм. Если это условие выполняется, устанавливаем рейку перпендикулярно створу (поверхность плиты) в точках 1, 2, 3, 4, 5 и последовательно берем отсчеты пол методике бокового нивелирования ( а і ).
Для контроля отсчеты берут при КЛ и КП теодолита. За окончательное принимают среднее значение из двух отсчетов. Затем вычисляют полусуммы (а 4 + а 5 )/2 и (а 2 + а 4 )/2. Если изгиб отсутствует должно соблюдатся равенство
















