20683 (651868), страница 2
Текст из файла (страница 2)
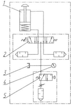
Рис.1. Принципиальная схема дыхательного аппарата АИР-98МИ (вариант исполнения с одним баллоном)
При открытии вентиля (вентилей) 1 воздух под высоким давлением поступает из баллона (баллонов) 2 в коллектор 3 (при его наличии) и фильтр 4 редуктора 5, в полость высокого давления А и после редуцирования в полость редуцированного давления Б. Редуктор поддерживает редуцированное давление в полости Б независимо от изменения давления на выходе.
В случае нарушения работы редуктора и повышения редуцированного давления срабатывает предохранительный клапан 6.
Из полости Б редуктора воздух поступает по шлангу 7 в легочный автомат 11 или в адаптер 8 (при его наличии) и далее по шлангу 10 в легочный автомат 11. Через клапан 9 подсоединяется спасательное устройство.
Легочный автомат обеспечивает поддержание заданного избыточного давления в полости Д. при вдохе воздух из полости Д легочного автомата попадает в полость В маски 13. Воздух, обдувая стекло 14, препятствует его запотеванию. Далее через клапан вдоха 15 воздух поступает в полость Г для дыхания.
При выдохе клапаны вдоха закрываются, препятствуя попаданию выдыхаемого воздуха на стекло. Для выдоха воздуха в атмосферу открывается клапан выдоха 16,расположенный в клапанной коробке 17. Клапан выдоха с пружиной позволяет поддерживать в подмасочном пространстве заданное избыточное давление.
Для контроля за запасом воздуха в баллоне воздух из полости высокого давления А поступает по капиллярной трубке высокого давления 18 в манометр 19,а из полости низкого давления Б по шлангу 20 к свистку 21 сигнального устройства 22. При исчерпании рабочего запаса воздуха в баллоне включается свисток, предупреждающий звуковым сигналом о необходимости немедленного выхода в безопасную зону.
Назначение, устройство и правила работы с системой контроля дыхательных аппаратов СКАД-1
Система контроля дыхательных аппаратов СКАД-1
Система предназначена для стационарного использования на контрольных постах и базах ГДЗС, а также для работы на месте пожара. Система позволяет проводить следующие виды проверок: герметичности дыхательного аппарата с лицевой частью; вакуумметрического давления открытия легочных автоматов без избыточною давления спасательного устройства;
-
редуцированного давления дыхательных аппаратов;
-
избыточного давления воздуха в подмасочном пространстве лицевой части при нулевом расходе воздуха;
-
герметичности воздуховодной системы спасательного устройства без избыточного давления под лицевой частью;
-
собственной герметичности системы при избыточном и вакуумметричсс- ком давлении воздуха;
-
собственной герметичности системы с муляжом головы или проверочным диском.
| Наименование основных параметров системы СКАД-1 | Значение |
| Диапазон измерения низкого давления, Па | ±1000 |
| Верхний предел измерения редуцированного давления, МПа. не менее | 1,5 |
| Диапазон измерения времени, с | 0...3600 |
| Полезный объем насоса, дм1 не менее | 0.5 |
| Габаритные размеры, мм не более | 420x260x220 |
| Масса системы с комплектом переходников, кг не более | 7 |
| Масса муляжа головы человека СКАД.50.000. кг не более | 1,8 |
| Масса проверочного диска ДИП.88.00.000, кг не более | 4,0 |
| Срок службы системы, не менее, лет | 10 |
Наименование основных параметров системы СКАД-1
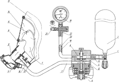
Система (рис. 1) состоит из контрольно- измерительного блока размещенного в переносном пластиковом корпусе 1. Корпус закрывается крышкой 2, имеет ручку для переноса 3, замок крышки 4, проушину для транспортной пломбы 5, отсек для переходников 6 и кнопку-фиксатор 7. : Кроме того, в состав системы входит муляж головы г человека 8 или проверочный диск 9 с трубкой 10
Внешний вид системы
дыхательный аппатат дымокамера газокамера
. В корпусе размещен контрольно-измерительный блок. Органы управления блоком, контрольно-измерительные приборы и устройства подключения к блоку (муфта присоединительная и быстроразъемное соединение) вынесены на панель управления (рис. 2).
Панель управления
На панели размещены: присоединительная муфта 1 (резьба . М45'3) с уплотнительным кольцом 2 и заглушкой 3, кнопка сброса избыточного или вакуум- метрического давления 4, рычаг переключения "избыток-вакуум" 5, мановакуумметр 6, фиксатор рукоятки насоса 7, рукоятка насоса 8, кнопка сброса редуцированного давления 9, быстроразъемное соединение (БРС) 10, манометр редуцированного давления11, секундомер 12.
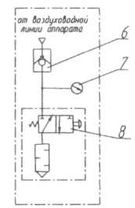
Контрольно-измерительный блок системы состоит из двух автономных блоков:
Блок низкого давления
Блок низкого давления. Источником давления в блоке служит ручной поршневой насос 1 с пружиной возврата штока насоса в рабочее (крайнее верхнее) положение. При нажатии на рукоятку насоса воздух под давлением поступает к пневмораспределителю 2, переключение которого в одно из его положений определяет создание в блоке вакуумметрического или избы точного давления. От пневмораспрсделителя избыточное (вакуумметрическое) давление поступает к муфте 3, предназначенной для присоединения проверяемого узла аппарата или переходника; мановакуумметру 4, предназначенному для контроля давления в блоке и пневмораспределителю 5 с регулируемым дросселем, предназначенному для сброса давления в блоке.
Блок редуцированного давления
Блок редуцированного давления. Редуцированное давление от воздуховодной линии дыхательного аппарата поступает в блок через быстроразъемное соединение 6. Значение редуцированного давления контролируется манометром 7. Сброс давления в блоке осуществляется пневмораспределителем 8.
Проверку работоспособности дыхательных аппаратов проводят и соответствии с методикой, приведенной в инструкции по эксплуатации на данную систему. Размещено на Allbest.ru
















