5337 (643645)
Текст из файла
Размещено на http://www.allbest.ru/
РЕФЕРАТ
з дисципліни
«Охорона праці»
Тема: «Оздоровлення повітряного середовища»
План
1. Дія на організм людини шкідливих газів, пари і пилу
2. ГДК шкідливих речовин в повітрі
3. Методи визначення шкідливостей в повітрі
4. Заходи боротьби із забрудненістю повітря пилом, парами і газами
5. Метеоумови на виробництві
6. Природна вентиляція, принцип розрахунку
7. Механічна вентиляція
8. Місцева вентиляція
9. Типи вентиляторів
10. Способи визначення повітрообміну
11. Вибір вентилятора для здійснення повітрообміну
12. Засоби індивідуального захисту
1. Дія на організм людини шкідливих газів, пари і пилу
Основними шляхами проникнення в організм токсичних речовин з повітря приміщень є дихальні шляхи. При цьому відбувається захворювання крові, різноманітних внутрішніх органів.
Всі шкідливі речовини за ступенем дії на організм людини підрозділяються на 4 класи (ГОСТ 12.1.007-76):
- надзвичайно небезпечні – ртуть, фосген, озон і ін.;
- високо небезпечні – йод, бензол, марганець, мідь, хлор і ін.;
- помірно небезпечні – сода кальцинована, метиловий спирт і ін.;
- малонебезпечні – ацетон, бензин, аміак, етиловий спирт і ін.
У промисловій санітарії шкідливі речовини прийнято поділяти на хімічні речовини і виробничий пил.
За характером дії на людину хімічні речовини підрозділяються на наступні підгрупи:
- загальнотоксичні, такі, що викликають отруєння всього організму (окис вуглецю, ціаністі поєднання, свинець, ртуть, бензол і ін.);
- подразнюючи, такі, що викликають подразнення дихального тракту і слизистих оболонок (хлор, аміак, озон, ацетон і ін.);
- сенсибілізуючі, діють як алергени (формальдегід, розчинники і лаки);
- канцерогенні, такі, що викликають ракові захворювання (нікель і його поєднання, оксиди хрому, азбест і ін.);
- мутагенні, такі, що призводять до змін спадковій інформації (свинець, марганець, радіоактивні речовини);
- репродуктивні, що впливають на дітородну функцію (ртуть, свинець, марганець, радіоактивні речовини).
2. ГДК шкідливих речовин в повітрі
По ГОСТ 12.1.005-88 встановлені граничнодопустимі концентрації (ГДК) шкідливих речовин (мг/м³) в повітрі робочої зони виробничих приміщень.
ГДК – це концентрації, які при щоденній (окрім вихідних) 8 годинній роботі або при іншій тривалості (але не більше 40 годин на тиждень) протягом всього робочого стажу не викликають захворювань або відхилень у стані здоров'я. ГДК шкідливих речовин є вихідною базою при проектуванні нових машин і механізмів, технологічних ліній, промислових споруд і підприємств, при розрахунках вентиляції, кондиціонерів, приладів контролю і систем сигналізації.
3. Методи визначення шкідливостей в повітрі
Для контролю вмісту шкідливих речовин в повітрі застосовуються наступні методи: лабораторні, експресні і автоматичні.
Лабораторні методи забезпечують високу точність, але вимагають високої кваліфікації і часу.
Експресні методи прості і оперативні, але не дуже точні. Здійснюються спеціальними приладами – газоаналізаторами – УГ-2, УГ-3, ГХ-4 і ін. Їх принцип роботи заснований на зміні довжини забарвлюваній частині індикаторного порошку.
Автоматичні методи здійснюються переносними або стаціонарними газоаналізаторами, які подають сигнал при досягненні певного рівня загазованості.
Для визначення запиленості повітря користуються фотоелектричним, ваговим і розрахунковим методами.
4. Заходи боротьби із забрудненістю повітря пилом, парами і газами
Заходи боротьби із забрудненістю повітря повинні вестися в наступних напрямках: видалення шкідливих речовин; поліпшення технологічних процесів; герметизація апаратури; заміна сухих виробництв мокрими; впровадження вентиляції; застосування спецодягу і індивідуальних засобів захисту; санітарно-технічна пропаганда і навчання безпечним методам роботи.
5. Метеоумови на виробництві
Мікроклімат виробничих приміщень нормується залежно від теплових характеристик виробничого приміщення, категорії робіт по тяжкості і періоду року. Основні нормативні документи, в яких наведені норми мікроклімату, - це санітарні норми ДСН 3.3.6.042-99. При нормуванні мікроклімату календарний рік підрозділяється на два періоди:
- холодний період – коли середньодобова температура на відкритому повітрі нижче +10 С;
- теплий період – коли середньодобова температура зовні приміщення +10 С і вище.
Згідно ДСН 3.3.6.042-99 класифікація робіт по тяжкості розділяються на наступні категорії: Iа, IIа, IIб, III.
6. Природна вентиляція, принцип розрахунку
Вентиляцією називається організований і регульований повітрообмін, що забезпечує видалення з приміщення забрудненого повітря і подачу на місце видаленого свіжого, чистого повітря. Вентиляція буває природна, механічна і змішана. Механічна вентиляція буває припливною, витяжною або припливно-витяжною. За місцем дії вентиляція буває загальнообмінна і місцева. Природна вентиляція виробничих приміщень може бути неорганізованою і організованою. При неорганізованій вентиляції надходження і видалення повітря відбувається через нещільність зовнішніх обгороджувань, через вікна, кватирки, спеціальні отвори (провітрювання). Організована (піддається регулюванню) природна вентиляція виробничих приміщень здійснюється аерацією і дефлекторами.
Природна вентиляція в будівлі відбувається за рахунок різниці щільності повітря зовні і усередині приміщення (рис. 1.). У приміщенні температура
вище ніж
зовні, а отже щільність повітря усередині приміщення
менше щільності зовнішнього повітря
. Приймемо площину рівних тисків приблизно на середині висоти приміщення цеху. Умовно приймемо, що тиск на рівні площини рівних тисків і в довколишній атмосфері дорівнює нулю. Тоді вага стовпа повітря заввишки
, від центру відкритих отворів до площини рівних тисків рівний
, а в довкіллі
. Отже, на осі нижніх отворів створюється тиск
. На осі верхніх отворів, відповідно
.
Рис. 1. Розподіл тиску повітря в приміщенні при природній вентиляції
Таким чином, під впливом різниці тисків в приміщенні виникає повітрообмін з надходженням повітря через нижні отвори і видаленням через ліхтарі.
Загальний тиск носить назву теплового натиску:
(1)
Швидкість руху повітря в отворі визначимо за формулою
. (2)
де
- різниця тисків усередині будівлі і поза нею;
- щільність повітря, кг/м³.
Об'єм повітря, що проходить через отвір визначимо за формулою
, м3/ч, (3)
де
- площа отвору, м2;
- коефіцієнт витрати, залежить від конструкції стулок,
.
Вентиляція за допомогою дефлекторів.
Дефлектори (рис. 2.), це спеціальні насадки, що встановлюються на витяжних повітроводах і використовують енергію вітру. Вони застосовуються для видалення забрудненого або перегрітого повітря з приміщень невеликого об'єму, а також для місцевої вентиляції.
Рис. 2. Дефлектор
7. Механічна вентиляція
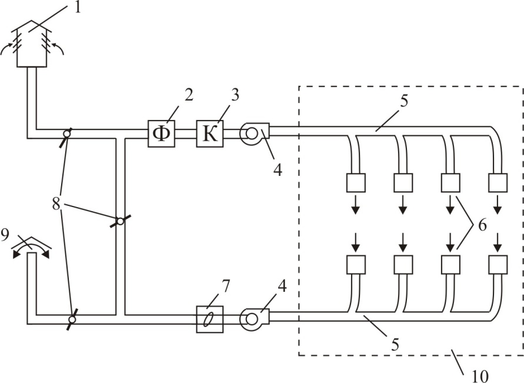
У системах механічної вентиляції рух повітря здійснюється вентиляторами і в деяких випадках ежекторами.
Основними частинами механічної вентиляції (рис. 3.) є: повітрозабірна шахта 1, фільтр для очищення повітря від пилу 2, калорифер 3, вентилятор 4, повітроводи 5, припливні і витяжні отвори 6, пиловідділяючий пристрій 7, клапани 8, витяжна шахта 9. При механічній вентиляції повітря підлягає обробці: підігріванню або охолоджуванню, сушці або зволоженню, очищенню від пилу і газів.
повітря газ повітрообмін
Рис. 3. Механічна вентиляція
1 - повітрозабірна шахта; 2 - фільтр для очищення повітря від пилу; 3 – калорифер; 4 – вентилятор; 5 – повітроводи; 6 - припливні і витяжні отвори; 7 - пиловідділяючий пристрій; 8 - клапани; 9 - витяжна шахта; 10 – приміщення
Для очищення від пилу служать різні пиловіддільники і фільтри. На рис. 2.4. представлена пилоосаджувальна камера для крупного і важкого пилу. Пиловіддільники є пристроями, в яких для осадження пилу з повітря використовується сила тяжіння порошинок (рис. 4.) або за рахунок відцентрової сили (у циклонах) (рис. 5.), або за рахунок раптової зміни напряму руху повітря за допомогою жалюзійного пиловловлювача (рис. 6.).
Рис. 4. Пилоосаджувальна камера для крупного і важкого пилу
1 - вхідний патрубок; 2 - корпус; 3 - вихідний патрубок; 4 - бункер
Рис. 5. Схема пиловіддільника типа “циклон”
1 - вхідний патрубок; 2 - циліндрична камера; 3 - конічна камера; 4 – пилоосаджувальна камера; 5 - вихлопна труба Рис. 6. Жалюзійний пиловловлювач
Тонше очищення повітря відбувається у фільтрах (електричних, ультразвукових, гідрофільтрах, паперових, матерчатих, масляних і ін.). В якості фільтруючих матеріалів використовують скловату, гравій, кокс, металеву стружку, пористий папір, тканину, картон, ниткоподібні матеріали.
Кондиціонування повітря – найсучасніший вигляд вентиляції. Кондиціонер – установка, яка за допомогою автоматичного регулювання може незалежно від зовнішніх умов підтримувати усередині приміщення сувор постійні умови повітряного середовища. Розрізняють два види кондиціонерів: установки повного кондиціонування (озонування, іонізація, дезодорація повітря) і неповного кондиціонування.
8. Місцева вентиляція
Місцева вентиляція служить для створення необхідних умов повітряного середовища в обмеженій зоні виробничого приміщення. Сюди відносяться повітряні душі, оазиси, завіси, витяжні шафи, витяжні парасольки, всмоктуючи панелі, бортові відсмоктування і ін.
9. Типи вентиляторів
Вентилятори – це повітродувні машини, які служать для переміщення повітря при втратах тиску у вентиляційній мережі не більш 150МПа. За принципом дії вентилятори бувають осьові і відцентрові. Перевага осьових вентиляторів – простота конструкції, можливість економного регулювання продуктивності в широких межах за допомогою повороту лопаток, велика продуктивність. До недоліків слід віднести малу величину тиску, підвищений шум.
Залежно від тиску, що розвивається, відцентрові вентилятори поділяються на наступні групи: низького тиску – до 10 МПа; середнього тиску від 10 до 30 МПа і високого тиску від 30 до 120 МПа.
Залежно від складу переміщуваного повітря вентилятори виготовляють з певних матеріалів і різноманітної конструкції: звичайного виконання, антикорозійного виконання, вибухобезпечні і пилові.
Вентилятори виготовляють різноманітних розмірів, і кожному з вентиляторів відповідає певний номер, що показує величину діаметра робочого колеса в дециметрах.
10. Способи визначення повітрообміну
Згідно вимогам санітарних будівельних норм всі виробничі приміщення повинні вентилюватися. У виробничих приміщеннях з об'ємом на одного працюючого до 20 м3 необхідно забезпечити подачу свіжого повітря не менше 30 м3/год на одного працюючого, з об'ємом 20 – 40 м3 - не менше 20 м3/год, у приміщеннях без природної вентиляції не менше 60 м3/год на одного працюючого.
Існують наступні методи розрахунку необхідної кількості повітря по домінуючому чиннику: по вологовиділенню; по газовиділенню; по пиловиділенню; по надлишковому теплу; по кратності повітрообміну.
Характеристики
Тип файла документ
Документы такого типа открываются такими программами, как Microsoft Office Word на компьютерах Windows, Apple Pages на компьютерах Mac, Open Office - бесплатная альтернатива на различных платформах, в том числе Linux. Наиболее простым и современным решением будут Google документы, так как открываются онлайн без скачивания прямо в браузере на любой платформе. Существуют российские качественные аналоги, например от Яндекса.
Будьте внимательны на мобильных устройствах, так как там используются упрощённый функционал даже в официальном приложении от Microsoft, поэтому для просмотра скачивайте PDF-версию. А если нужно редактировать файл, то используйте оригинальный файл.
Файлы такого типа обычно разбиты на страницы, а текст может быть форматированным (жирный, курсив, выбор шрифта, таблицы и т.п.), а также в него можно добавлять изображения. Формат идеально подходит для рефератов, докладов и РПЗ курсовых проектов, которые необходимо распечатать. Кстати перед печатью также сохраняйте файл в PDF, так как принтер может начудить со шрифтами.
















