5026 (643429), страница 6
Текст из файла (страница 6)
По способу включения реле различают первичные, включаемые непосредственно в схему защищаемого элемента цепи, и вторичные, присоединяемые к защищаемому элементу через трансформаторы тока напряжения. По способу воздействия исполнительного органа на выключатель цепи – реле прямого и косвенного действия. Электрические реле имеют орган, воспринимающий изменение контролируемой величины (как правило, катушка реле), и орган исполнительный, отключающий выключатели, подающий предупредительный сигнал или замыкающий цепи других реле (как правило, якорь электромагнита и контакты). Некоторые реле имеют орган замедления (выдержки времени). По принципу воздействия на управляемую цепь реле делятся на контактные и бесконтактные полупроводниковые. По характеру изменения контролируемой величины реле разделяют на максимальные, срабатывающие при превышении заданного уровня контролируемой величины; минимальные – при уменьшении ниже заданного уровня контролируемой величины и дифференциальные, орган замера которых реагирует на разность измеряемых электрических величин.
Защита силовых трансформаторов. Выбор защиты трансформаторов зависит от мощности, назначения, места установки и эксплуатационного режима трансформаторов.
Для защиты трансформаторов при их повреждении и сигнализации о нарушениях нормальных режимов работы могут применяться следующие типы защит: ДТЗ, МТЗ, ТО, газовая защита, защита предохранителями.
В качестве основной защиты от повреждений на выводах и внутренних повреждений трансформатора при его мощности 6300 кВ‑А и выше, как правило, применяется ДТЗ.
В схеме ДТЗ коэффициент чувствительности долженбыть не менее 1,5. Если это требование не удовлетворяется, то для защиты силовых трансформаторов вместодифференциальных реле РНТ‑565 и РНТ‑566 применяетсядифференциальная токовая защита (ДТЗ) с торможением.
В данном курсовом проекте релейная защита трансформатора предусматривается высоковольтным предохранителем типа ПК.
Высоковольтные предохранители при установке на них соответствующих плавких вставок обеспечивают защиту трансформатора от внутренних повреждений и межфазных коротких замыканиях на выводах.
Защиту от однофазных замыканий на землю осуществляют автоматическим выключателем с максимальным расцепителем, установленным на стороне низкого напряжения или трансформатора тока ТА на нулевом проводе при прямом присоединении трансформатора с глухозаземленной нейтралью к шинопроводу.
2.10 Учет и контроль электроэнергии
Расчетным учетом электроэнергии называется учет выработанной, а также отпущенной потребителям электроэнергии для денежного расчета за нее. Счетчики, устанавливаемые для расчетного учета, называются расчетными счетчиками (класса 2), с классом точности измерительных трансформаторов – 0,5.
Техническим (контрольным) учетом электроэнергии называется учет для контроля расхода электроэнергии электростанций, подстанций, предприятий, зданий. Счетчики, устанавливаемые для технического учета, называются контрольными счетчиками (класса 2,5) с классом точности измерительных трансформаторов – 1.
При определении активной энергии необходимо учитывать энергию: выработанную генераторами электростанций; потребленную на собственные нужды электростанций и подстанций; выданную электростанциями в распределительные сети; переданную в другие энергосистемы или полученную от них; отпущенную потребителям и подлежащую оплате.
Расчетные счетчики активной электроэнергии на подстанции энергосистемы должны устанавливаться:
1) для каждой отходящей линии электропередачи, принадлежащей потребителям;
2) для межсистемных линий электропередачи–по два счетчика со стопорами, учитывающих полученную и отпущенную электроэнергии;
3) на трансформаторах собственных нужд;
4) для линий хозяйственных нужд или посторонних потребителей (поселок и т. п.), присоединенных к шинам собственных нужд.
Расчетные счетчики активной электроэнергии на подстанциях потребителей должны устанавливаться:
1) на вводе (приемном конце) линии электропередачи в подстанцию;
2) на стороне ВН трансформаторов при наличии электрической связи с другой подстанцией энергосистемы;
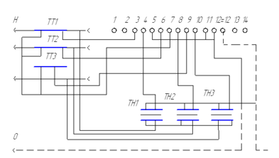
Схема подключения счетчиков типа ПСЧ‑4 к трехфазной сети.
Рисунок 2,4 Подключение счетчиков к трехфазной сети с помощью трех трансформаторов тока и трех трансформаторов напряжения (пунктиром показано цепь «0» для четырехпроводной сети.)
Счетчик электрической энергии статический, трехфазной, трехтрансформаторный, универсальный ПСЧ‑4. Предназначен для учета прихода и расхода активной энергии в трех- и четырехпроводных сетях переменного тока номинальной частоты 50Гц, а также для передачи по линиям связи информационных данных на центральный пункт сбора информации энергосистемы.
Счетчик обеспечивает высокую точность измерения энергии в сетях со значительными отклонениями тока и напряжения.
При подаче сетевого напряжения и помещениях нагрузки, световой индуктор режима работы счетчика должен менять показания пропорционально величине потребляемой электрической энергии.
В курсовом проекте предполагается коммерческий учет активной энергии. Счетчик ПСЧ‑4 устанавливают на линии отходящих от трансформаторной подстанции напряжением 0,38 кВ и питающей отдельные участки цеха.
2.11 Расчет защитного заземления
Защитное заземление – заземление частей электроустановки с целью обеспечения электробезопасности.
Зона растекания – область земли, в пределах (зоны растекания) который возникает заметный градиент потенциала при стекание тока с заземлителя.
Изолированный нейтраль – нейтраль, трансформатора или гениратора, не присоединенная к заземлению устройству или присоединенная к нему через приборы сигнализации и других устройства, имеющие большое сопротивление.
Искусственное заземление – заземлитель, специально выполненный для цепей заземления.
Магистральная заземления или зануления – заземляющей или зануляющий нулевой защитный проводник с двумя ответвлениями или более.
Нулевой защитный провод в электроустановках до 1000 В-проводник, соединяющий или глухозаземленными выводами источников однофазного или постоянного тока.
Нулевой рабочий проводник в электроустановках до 1000 В проводник, использующий для питания электроприемников или глухозаземленными выводами источников однофазного или постоянного тока. В указанных электроустановках нулевой рабочий провод может выполнять функции нулевого защитного проводника.
Рабочее заземление сети – соединение с землей некоторых точек сети со следующей целью: снижение уровня изоляции элементов электроустановки, эффективная защита сети разрядниками от атмосферных перенапряжений, снижение коммутационных перенапряжений, упрощение релейной защиты от однофазных коротких замыканий, возможность удержания поврежденной линии в работе.
В качестве искусственных заземлителей применяют вертикально забитые в землю отрезки угловой стали длиной 2,5–3 м и горизонтально проложенные круглые и прямоугольные стальные полосы, которые служат для связи вертикальных заземлителей. Использование стальных труб не рекомендуется.
В качестве естественных заземлителей используют: проложенные в земле стальные водопроводные трубы, соединенные в стыках газо- или электросваркой; трубы артезианских скважин, стальная броня силовых кабелей, проложенных в земле, при числе их не менее двух; металличе-кие конструкции и фундаменты зданий и сооружений, имеющие надежное соединение с землей; различного рода трубопроводы, проложенные под землей; свинцовые оболочки кабелей, проложенных в земле.
Рабочее заземление осуществляется непосредственно или через специальные аппараты: пробивные предохранители, разрядники и резисторы.
Электроустановки переменного тока напряжением до 1000 В. допускаются к применению как с глухозаземленной, так и с изолированной нейтралью, а – тока – с глухозаземленной или изолированной средней точкой. В четырехпроводных сетях трехфазного тока и трехпроводных сетях – тока обязательное глухое заземление нейтрали или средней точки.
В электрических установках напряжением до 1000 В, с изолированной от земли нейтралью, используемой для заземления электрического оборудования, сопротивление заземляющего устройства не должно быть более 4 Ома.
В электрических установках напряжением до 1000 В. с глухозаземленной нейтралью сопротивление заземляющего устройства, к которым присоединяются нейтрали генераторов или трансформаторов, должно быть не более 2, 4, 8 Ом.
Отклонение электрических установок при однофазных замыканиях на землю может осуществляться при помощи защитного отключения, которое выполняется в дополнение к заземлению или занулению.
Если невозможно выполнить заземление, или зануление, и обеспечить защитное отключение электрической установки, то допускается обслуживание электрического оборудования с изолирующих площадок. При этом должна быть исключена возможность одновременного прикосновения к незаземленным частям электрического оборудования и частям зданий или оборудованию имеющем соединение с землей.
В электроустановках напряжением выше 1000 В с изолированной нейтралью с малыми токами замыкания на землю сопротивления должно удовлетворять условию:
(2,51)
где – Uз=250 В, если заземляющее устройство используется только для установок напряжения выше 1000 В
Uз=125 В, если заземляющее устройство одновременно используется и для установок до 1000 В.
Iз – расчетный так замыкания на землю, А.
Емкостной ток замыкания на землю определяется по формуле:
(2,52)
где U – линейное напряжение сети, кВ
lкаб и lв – суммарная длина электрически связанных между соьой кабельных и воздушных линий, км.
В данном курсовом проекте внешний контур защитного заземления выполнен электродами, в количестве 13 штук. Электроды соединены между собой в общий контур полосовой стальной шиной по периметру на сварке. Соединение внешним контура с внутренним контуром выполняется полосовой сталью на сварке, выход полосы через стену в асбестоцементной трубе. Защищение электрических приемников выполняется гибким проводником на сваке.
1. Выбираем прутковые электроды;
2. Рассчитываем удельное сопротивление грунта
:
(2,53)
Выбираем грунт – глина.
[1, с. 257, табл. 7,1]
[1, с. 260, табл. 7,3]
3.
(2,54)
4. Определяем ток однофазного замыкания на землю:
5. Определяем сопротивление заземляющего устройства.
(2,55)
.
Так как по ПОЭ для сетей 0,4 кВ Rз=4 Ом, то Rз=83,33 Ом не рассматриваем и принимаем Rз=4 Ом.
6. Определяем количество электродов n:
, (2,56)
где
- коэффициент экранирования. [1, с. 257, табл 7,2]
.
Заключение
Курсовой проект выполнен на тему «электроснабжение комплекса томатного сока».
В процессе выполнения проекта производился расчет электрических нагрузок комплекса томатного сока, с полученной при расчёте полной максимальной мощности Sмах= 80,51 кВА, и с компенсацией реактивной мощности Qмах= 8,57 кВАр КЭ1–0,38–20–2У1 ЗУ1 на основании которого выбран силовой трансформатор ТСЗ 160/10.
Также произведен расчёт токов короткого замыкания, с учётом которого выбрано высоковольтное электрооборудование. По расчётам на высокой стороне выбраны шины 25х3 мм, разъединитель РВЗ‑10/400 IУЗ, высоковольтный предохранитель ПКТ‑101–10–31,5 – УЗ, трансформатор тока типа ТПЛК‑10 и, трансформатор напряжения TV НОМ‑10–66‑У2, на низкой стороне выбран автоматический выключатель серии ВА51–33. По потребляемым токам произведён расчёт питающей линии, распределительные шинопроводы ШРА73‑У3, магистральные шинопроводы ШМА‑1600, и распределительные пункты 0,4 кВт. На низкой стороне установлен распределительный пункты типа ПР‑85, к которому выбран автоматический выключатель типа ВА51–31, прокладываемые к распределительным пунктам кабеля марки ААБ 25 мм2. К электроприёмникам выбраны автоматы серии ВА51–31, и подводимые к электроприёмникам провода АПРН 10х3+1х6. Также в схеме на низкой стороне показан способ включения компенсирующего устройства к шинам 0,4 кВт.
В курсовом проекте рассмотрены также вопросы релейной защиты, расчёт защитного заземления с количеством электродов заземления 13 штук, учёт и контроль электроэнергии в котором выбрана схема 3‑х фазного счётчика типа ПСЧ‑4 для измерения активной электроэнергии в 3‑х проводной сети напряжением выше 1 кВт. В графической части представлены схемы электроснабжения и типы расположения электрооборудования комплекса томатного сока
Благодаря этому курсовому проекту я научился использовать технологической литературы; рассчитывать и выбрать по ним необходимые электрооборудования.
Список используемой литературы
1. Липкин Б.Ю. Электроснабжение промышленных предприятий и установок. М., Высшая школа, 1990.
2. Неклепаев Б.Н. Электрическая часть электростанций и подстанций. М., Энергоатомиздат, 1989.
3. Шеховцов В.П. Расчет и проектирование схем электроснабжения. М, Форум Инфра‑М, 2004.
4. Коновалова Л.Л., Рожкова Л.Д. Электроснабжение промышленных предприятий и установок – М.: Энергоатомиздат, 1989.
5. Конюхова Е.А. Электроснабжение объектов – М.: Издательство «Мастерство»; Высшая школа, 2001.
6. Федоров А.А., Старкова Л.Е. Учебное пособие для курсового и дипломного проектирования по электроснабжению промышленных предприятий. ‑ М.: Энергоатомиздат, 1987.
7. Дорошев К.И., Комплектные распределительные устройства 6–35 кВ. ‑ М.: Энергоиздат, 1982.















