RAMA (642004)
Текст из файла
Сбор нагрузок
I.Постоянные нагрузки:
Нагрузка от веса покрытия:
Собственный вес | Нормативная нагрузка кн./м² | Коэфф. надёжности по нагрузке | Расчётная нагрузка кн./м² |
| Ж/Б ребристых плит покрытия 36м с учётом заливки швов. | 175 | 11 | 1925 |
| Пароизоляции | 01 | 13 | 013 |
| Утеплителя (готовые плиты) | 04 | 12 | 048 |
| Асфальтовой стяжки t=2см | 035 | 13 | 0455 |
| Рулонного ковра | 015 | 13 | 0195 |
| ИТОГО: | 275 | - | 3185 |
Расчётная нагрузка от веса подкрановой балки:
(06·012+02·088)·595·25·11=40579кн
Расчётная нагрузка от веса колонн
- надкрановая часть: (038·04·38)·25·11=15884кн
- подкрановая часть: (04·08·59+04·09·105)·25·11=62315кн
Расчётное опорное давление фермы
- от покрытия: 3185·6·24/2=22932кн
- от фермы: (120/2)·11=66кн
Расчётная нагрузка от веса покрытия с учётом коэффициента надёжности по назначению здания <095 на колонну F=(22932+66)·095=2895кн
II.Временные нагрузки:
г.Пермь – V снеговой район
вес снегового покрова земли 2кн/м²
Расчётная нагрузка на стойку будет: Рсн=26·24/2·14·095=19152кн
III.Крановые нагрузки:
1
) Вертикальные нагрузки от кранов: Pmax=220кн,Pmin=58кн,Gтел=52кн
Dmax=Pmax·f·i·yi=220·11·085·(027+1+068)=401115кн
Dmin=58·11·085·(027+1+068)=10575кн
2) Горизонтальные нагрузки от кранов:
Hmax=(Q+Gn)·05·f·n/20=(200+52)·05·11·095/20=658кн
H=Hmax·i·yi=658·085·195=1091кн
IV.Ветровая нагрузка:
1.Участок - от 0.00м до низа стропильных конструкций 9.60м: Н1=9600м
2.Участок - высота стропильной конструкции: H2=2950м
Находим средний коэффициент Kсрij:
Kср11=Кн11+(Н11/2)·tg1=K5=05
Kср12=K5+(46/2)·003=0569
Kср21=064+(295/2)·002=067
Kср1=(05·5+0569·46)/96=053
Kср2=067
Расчётное значение ветровой нагрузки на первом участке:
Wнав1=f·ce·Kср1·W0=14·08·053·03=018кн/м²
Wпод1=f·ce·Kср1·W0=14·06·053·03=013кн/м²
Расчётное значение ветровой нагрузки на втором участке:
Wнав2=f·ce·Kср2·W0=14·08·067·03=022кн/м²
Wпод2=f·ce·Kср2·W0=14·06·067·03=017кн/м²
Ветровая нагрузка, действующая на шатёр, приводится к узловой нагрузке, приложенной на уровне низа ригеля рамы.
Интенсивность нагрузки:
Wнав=Wнав1·Bk=018·6=108кн/мп
Wпод=Wпод1·Bk=013·6=078кн/мп
Грузовая площадь шатра: A1=Bk·h2=6·295=177м²
Pнав=Wнав2·A1=022·177=39кн
Pпод=Wпод2·A1=017·177=30кн
Статический расчёт рамы
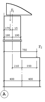
Определение геометрических характеристик стойки по оси А:
Моменты инерции сечений колонн составляют:
-
надкрановой части I1=bh³верх/12=04·038³/12=00018м
-
подкрановой части I2=04·08³/12=0017м
Отношение высоты надкрановой части колонны к её полной высоте: =Нв/Н=38/106=036
Определение усилий в стойках от отдельных видов загружений:
1)Постоянная нагрузка.
Продольная сила F1=2805кн действует на колонну с эксцентриситетом e0=0015м
В подкрановой части колонны действуют: расчётная нагрузка от подкрановых балок F=40579кн c e=035м; расчётная нагрузка от надкрановой части колонны F=15884кн e0=021м.
| Усилие | Постоянная нагрузка | Временные нагрузки | I сочетание | II сочетание | |||||||||
| Снеговая | Dmax | H | Ветер слева | Ветер справа | Mmax Nсоотв | Mmin Nсоотв | Nmax Mсоотв | Mmax Nсоотв | Mmin Nсоотв | Nmax Mсоотв | |||
| 1 | 2 | 3 | 4 | 5 | 6 | 7 | 8 | 9 | 10 | 11 | 12 | 13 | 14 |
| 1-1 | M | -376 | -287 | 0 | 0 | 0 | 0 | ||||||
| N | 25046 | 19152 | 0 | 0 | 0 | 0 | |||||||
| 2-2 | M | 1645 | 1575 | -4347 | 874 | 1919 | 2045 | 3-8 | 3-5-6 | 3-4 | 3-4-8 | 3-5-6 | 3-4 |
| 369 | -3576 | 322 | 5265 | -3576 | 322 | ||||||||
| N | 26634 | 19152 | 0 | 0 | 0 | 0 | 26634 | 26634 | 45786 | 45786 | 26634 | 45786 | |
| 3-3 | M | -2528 | -2447 | 9691 | 874 | 1919 | 2045 | 3-4 | 3-5-6 | 3-5-6 | 3-4 | 3-5-6 | 3-4-5-6 |
| 4975 | 837 | 8037 | 4975 | 8037 | 559 | ||||||||
| N | 30692 | 19152 | 4011 | 0 | 0 | 0 | 49844 | 708 | 708 | 49844 | 708 | 708 | |
| 4-4 | M | 636 | 492 | 2827 | 2552 | 8126 | 7567 | 3-7 | 3-4 | 3-5-6 | 3-4-5-6-7 | 3-5-6 | 3-4-5-6 |
| 8762 | 1128 | 6015 | 14633 | 911 | 6507 | ||||||||
| N | 36923 | 19152 | 4011 | 0 | 0 | 0 | 36923 | 56075 | 77033 | 96185 | 770 | 96185 | |
| Q | 532 | 49 | -1144 | 571 | 1154 | 1154 | 1686 | 1022 | -1183 | 461 | 1183 | -693 | |
З
агружение 1(снеговая нагрузка):
Загружение 2(постоянная нагрузка):
Загружение 3(ветровая нагрузка):
Загружение 4(вертикальная нагрузка от мостовых кранов):
Загружение 5(горизонтальная крановая нагрузка):
Расчёт колонны
Бетон тяжёлый: B15, подвергнутый тепловой обработке при атмосферном давлении
Rb=85(Мпа); Rbt=075(Мпа); Eb=205·10³(Мпа); арматура А-,d>10(мм)
Rs=Rsc=365(Мпа); Es=200·10³(Мпа)
I.Надкрановая часть:
B·h=40·38(см) (а=а=4см)
h0=h-a=38-4=34(см)
расчётная длина над крановой части: l0=2·Hверх=2·38=76(м)
Комбинации расчётных усилий:
| Комбинации | Первая | Вторая | Третья |
| Усилия | Мmax, Nсоотв | Mmin, Nсоотв | Nmax, Mсоотв |
| М,Кн·м | 5265 | -3576 | 322 |
| N,Кн | 45786 | 26634 | 45786 |
Так как 0>14, то необходимо учесть влияние прогиба элемента на его прочность.
еа – случайный эксцентриситет. Принимаем еа=13(см)
Р
асчётный эксцентриситет e=e0+ea=11+13=123(см)
Принимаем е=032(см)
Для тяжёлого бетона =1
Предварительно принимаем =0005, тогда при =Es/Eb=200·10³/205·10³=98
Площадь арматуры As=As назначаем по сортаменту:
Принимаем 2Ø14 A- c As=308(см²)
Для второй комбинации:
П
лощадь арматуры As=As назначаем по сортаменту:
Принимаем 2Ø8 A- c As=101(см²)
Для третьей комбинации:
Площадь арматуры As=As назначаем по конструктивным соображениям:
As=0002·b·h0=0002·40·34=272(см²)
Принимаем 2Ø14 A- c As=308(см²)
Окончательно принимаем 2Ø14 A- c As=308(см²)
Горизонтальная арматура устанавливается конструктивно: шаг 300, Ø6 А-I
II Подкрановая часть:
b×h=40×80(см) (a=a’=4см)
h0=80-4=76(см)
Расчётная длина подкрановой части колонны: l0=15·H1=15·6=9(м)
Комбинации расчётных усилий:
| Комбинации | Первая | Вторая | Третья |
| Усилия | Мmax, Nсоотв | Mmin, Nсоотв | Nmax, Mсоотв |
| М,Кн·м | 14633 | 911 | 6507 |
| N,Кн | 96185 | 770 | 96185 |
| Q,Кн | 461 | 1183 | -693 |
Так как 0>14, то необходимо учесть влияние прогиба элемента на его прочность.
еа – случайный эксцентриситет. Принимаем еа=267(см)
Р
асчётный эксцентриситет e=e0+ea=152+267=179(см)
Принимаем е=0294(см)
Для тяжёлого бетона =1
Предварительно принимаем =0005, тогда при =Es/Eb=200·10³/205·10³=98
Площадь арматуры As=As назначаем по конструктивным соображениям:
A
s=0002·b·h0=0002·40·76=61(см²)
Принимаем 2Ø20 A- c As=628(см²)
Для второй комбинации:
Площадь арматуры As=As назначаем по конструктивным соображениям:
As=0002·b·h0=0002·40·76=61(см²)
Принимаем 2Ø20 A- c As=628(см²)
Для третьей комбинации:
П
лощадь арматуры As=As назначаем по конструктивным соображениям:
As=0002·b·h0=0002·40·76=61(см²)
Принимаем 2Ø20 A- c As=628(см²)
Проверим необходимость расчёта подкрановой части колонны в плоскости, перпендикулярной к плоскости изгиба:
Р
асчёт необходим Так как l0/i=4174>14, необходимо учесть влияние прогиба элемента на его прочность
Следовательно принятого количества арматуры достаточно
Окончательно принимаем 2Ø20 A- c As=628(см²)
Р
асчёт колонны на транспортные нагрузки.
Расчёт арматуры верхней части колонны:
Р
асчёт арматуры нижней части колонны:
Расчёт трещиностойкости:
Принятого количества арматуры достаточно.
Характеристики
Тип файла документ
Документы такого типа открываются такими программами, как Microsoft Office Word на компьютерах Windows, Apple Pages на компьютерах Mac, Open Office - бесплатная альтернатива на различных платформах, в том числе Linux. Наиболее простым и современным решением будут Google документы, так как открываются онлайн без скачивания прямо в браузере на любой платформе. Существуют российские качественные аналоги, например от Яндекса.
Будьте внимательны на мобильных устройствах, так как там используются упрощённый функционал даже в официальном приложении от Microsoft, поэтому для просмотра скачивайте PDF-версию. А если нужно редактировать файл, то используйте оригинальный файл.
Файлы такого типа обычно разбиты на страницы, а текст может быть форматированным (жирный, курсив, выбор шрифта, таблицы и т.п.), а также в него можно добавлять изображения. Формат идеально подходит для рефератов, докладов и РПЗ курсовых проектов, которые необходимо распечатать. Кстати перед печатью также сохраняйте файл в PDF, так как принтер может начудить со шрифтами.
















