151136 (631536)
Текст из файла
БИЛЕТ №3
3–1 Полупроводниковый прибор: Тиристор. Вольтамперная характеристика, разновидности, условное обозначение, применение
Тиристоры
Тиристор (от греч. thyra – дверь) является переключающим прибором. Тиристор – полупроводниковый прибор с четырехслойной p-n-p-n-структурой с тремя последовательными p-n-переходами, характеризующийся двумя устойчивыми состояниями в прямом направлении и запирающими свойствами в обратном направлении. Структура диодного тиристора показана на рисунке 1.
Рис. 1 Структура диодного тиристора
Крайние области структуры зовытся p- и n-эмиттеры, а области, примыкающие к среднему переходу – p- и n-базы. Эмиттерные переходы являются силовыми и называются катодом и анодом. Переход П1 является эмиттерным или катодным, П2 – коллекторным, П3 – эмиттерным или анодным. Структуру тиристора можно представить в виде схемы замещения (рис. 2), состоящей из транзисторов Т1 и Т2 типа n-p-n и p-n-p.
База и коллектор транзистора Т1 соединены соответственно с базой и коллектором транзистора Т2, образуя цепь внутренней положительной обратной связи. Если к аноду тиристора подключить плюс источника питания, а к катоду – минус, то переходы П1 и П3 будут смещены в прямом, а П2 – в обратном направлении. Таким образом напряжение источника питания окажется приложенным к переходу П2 и будет определяться выражением I=Iк0 / [1 – (α1+α2)], где Iк0 – обратный ток перехода П2, α1 и α2 – коэффициенты усиления. Из выражения следует, что ток I зависит от α1 и α2 и резко возрастает, когда их сумма приближается к единице. Коэффициенты α1+α2 зависят от тока эмиттера, напряжения на коллекторном переходе и ряда других факторов.
Посмотрим на вольтамперную характеристику тиристора.
Рис. 3 Вольтамперная характеристика диодного тиристора
На характеристике участок ОА соответствует выключенному (закрытому) состоянию тиристора. На этом участке через тиристор протекает ток утечки Iзкр и сопротивление тиристора очень велико (порядка мегаом). При повышении напряжения до определенного значения Uвкл (на характеристике точка А) ток через тиристор резко возрастает (скачком). Дифференциальное сопротивление тиристора в точке А равно нулю. На участке AB дифференциальное сопротивление тиристора отрицательное. Этот участок соответствует неустойчивому состоянию тиристора. При включении последовательно с тиристором сопротивления нагрузки рабочая точка смещается на участок BC, соответствующий включенному состоянию тиристора. На этом участке сопротивление тиристора опять положительное. Для того, чтобы поддерживать тиристор в открытом состоянии через него должен протекать ток не менее Iуд. Снижая напряжение на тиристоре, можно уменьшить ток до значения, меньшего Iуд и перевести тиристор в выключенное состояние.
Диодный тиристор чаще называют динистором.
Если к одной из базовых областей прилепить вывод, то получится управляемый переключающий прибор, который зовут триодный тиристор или просто тринистор. Подавая через этот вывод прямое (управляющее) напряжение на переход, работающий в прямом направлении, можно регулировать значение Uвкл. Чем больше ток через управляющий переход, тем меньше Uвкл. Вольтамперная характеристика такого тиристора аналогична ВАХ динистора, только при различных Uвкл (например, при меньших его значениях) точка А (рис. 3) смещается влево, ближе к оси тока. Другими словами, рост тока управляющего электрода приводит к смещению вольтамперной характеристики в сторону меньшего напряжения включения. При достаточно большом токе управляющего электрода, называемом током спрямления, ВАХ триодного тиристора вырождается в ВАХ обычного диода, теряя участок отрицательного сопротивления. Для выключения триодного тиристора необходимо, снижая напряжения на нем, уменьшать ток через тиристор до значения, меньшего, чем Iуд.
Запираемые триодные тиристоры в отличие от обычных тиристоров способны запираться при подаче сигнала отрицательной полярности на управляющий электрод. Структура запираемого тринистора аналогична структуре обычного тринистора.
Симметричные тиристоры (семисторы) имеют пятислойную структуру и обладают отрицательным сопротивлением на прямой и обратной ветвях вольтамперной характеристики. Включают семистор подачей сигналов управления, выключают – снятием разности потенциалов между силовыми электродами или изменением их полярности.
Условное графическое обозначение всяких тиристоров ниже.
Рис. 4 Условное графическое обозначение тиристоров: а) диодный тиристор (динистор); б) диодный симметричный тиристор; в) триодный незапираемый тиристор с управлением по аноду; г) триодный незапираемый тиристор с управлением по катоду; д) запираемый тринистор с управлением по аноду; е) запираемый тринистор с управлением по катоду; ж) триодный симметричный незапираемый тиристор с управлением по аноду
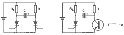
Рис. 5. Типичная схема запуска тиристора
Отключение тиристора
Тиристор перейдет в закрытое состояние, если к управляющему электроду открытого тиристора не приложен никакой сигнал, а его рабочий ток спадет до некоторого значения, называемого током удержания (гипостатическим током).
Отключение тиристора произойдет, в частности, если была разомкнута цепь нагрузки (рис. 6а) или напряжение, приложенное к внешней цепи, поменяло полярность (это случается в конце каждого полупериода переменного напряжения питания).
Рис. 6. Способы отключения тиристора
Когда тиристор работает при постоянном токе, отключение может быть произведено с помощью механического выключателя.
Включенный последовательно с нагрузкой этот ключ используется для отключения рабочей цепи.
Включенный параллельно основным электродам тиристора (рис. 6б) ключ шунтирует анодный ток, и тиристор при этом переходит в закрытое состояние. Некоторые тиристоры повторно включаются после размыкания ключа. Это объясняется тем, что при размыкании ключа заряжается паразитная емкость р-n перехода тиристора, вызывая помехи.
Поэтому предпочитают размещать ключ между управляющим электродом и катодом тиристора (рис. 1.6в), что гарантирует правильное отключение посредством отсечения удерживающего тока. Одновременно смещается в обратном направлении переход р-n, соответствующий диоду D2 из схемы замещения тиристора тремя диодами (рис. 2).
На рис. 6а-д представлены различные варианты схем отключения тиристора, среди них и ранее упоминавшиеся. Другие, как правило, применяются, когда требуется отключать тиристор с помощью дополнительной цепи. В этих случаях механический выключатель можно заменить вспомогательным тиристором или ключевым транзистором, как показано на рис. 7.
Рис. 7. Классические схемы отключения тиристора с помощью дополнительной цепи
Симистор
Симиcmop – полупроводниковый прибор, который широко используется в системах, питающихся переменным напряжением. Упрощенно он может рассматриваться как управляемый выключатель. В закрытом состоянии он ведет себя как разомкнутый выключатель. Напротив, подача управляющего тока на управляющий электрод симис-тора ведет к переходу его в проводящее состояние. В это время симистор подобен замкнутому выключателю.
При отсутствии управляющего тока симистор во время любого полупериода переменного напряжения питания неизбежно переходит из состояния проводимости в закрытое состояние.
Кроме работы в релейном режиме в термостате или светочувствительном выключателе, разработаны и широко используются системы регулирования, функционирующие по принципу фазового управления напряжением нагрузки, или, другими словами, плавные регуляторы.
3–2 Автотрансформатор: Назначение, устройство и принцип работы, достоинство и недостатки, область применения
Автотрансформатором называется такой трансформатор, у которого имеется только одна обмотка, часть которой принадлежит одновременно вторичной и первичной цепям. Схема однофазного трансформатора изображена на рис. 10.9.
Режим холостого хода автотрансформатора, когда I2 = 0, ничем не отличается от режима холостого хода обычного трансформатора.
Подводимое к трансформатору напряжение U1 = UAB равномерно распределяется между витками первичной обмотки.
Вторичное напряжение
где
коэффициент трансформации.
Автотрансформаторы выгодно использовать в тех случаях, когда коэффициент трансформации близок к единице.
Многообмоточные (одна первичная и несколько вторичных) трансформаторы используются в радиотехнических схемах для получения нескольких напряжений.
В режиме холостого хода работа таких трансформаторов не отличается от двухобмоточных.
В трехфазной сети переменного тока преобразование напряжений осуществляется с помощью трехфазного трансформатора с общим для трех фаз сердечником. В трехфазном трансформаторе с общим магнитопроводом магнитный поток любой из фаз может замыкаться через стержни, на которых расположены обмотки двух других фаз. Затраты стали на трехфазный трансформатор значительно меньше, чем на три однофазных трансформатора.
3–3 Техническое обслуживание эл. машин: осмотр, необходимые электрические измерения, испытание машин, устранение неисправностей
Обслуживание и ремонт электрических двигателей
Для поддержания длительной работоспособности электрических двигателей большое значение имеет их техническое обслуживание в межремонтные периоды. К техническому обслуживанию допускается дежурный персонал цеха, участка, в обязанности которого входит следить за температурным режимом двигателя, состоянием его щеточного контакта, коллектора и контактных колец, вибрацией, состоянием подшипников и их смазки. Приостановке оборудования для профилактических работ дежурный персонал продувает машины сжатым воздухом, осматривает состояние муфт, проверяет крепление болтов, наличие смазки в подшипниках, зачищает коллектор и контактные кольца, проверяет работу щеткодержателей, состояние изоляции и осматривает заземляющие устройства, устанавливает щетки в нейтральное положение и прочищает вентиляционные каналы.
Электрические двигатели в зависимости от класса изоляционного материала имеют различные предельно допустимые превышения температуры (от 60º до 90º), при температуре окружающей среды 40ºС. Перегрев электрического двигателя опасен в первую очередь для обмоток, что приводит к сокращению их срока службы, а иногда и к аварии машины.
Нагрев электрической машины зависит от нагрузки и режима работы. Основной причиной перегрева является перегрузка электрического двигателя по току, которая при длительном режиме определяется контрольным замером тока в цепи статора для эл./двигателей переменного тока и в цепи якоря в эл./двигателях постоянного тока. Двигатели которые работают в повторно-кратковременном режиме, имеют постоянно изменяющийся ток, поэтому оценить их загрузку по щитовым приборам невозможно. В этом случае проводят осцилографирование тока на специальных приборах, определяя эквивалентное значение тока за цикл работы механизма. Перегрев двигателя при его нормальной загрузке возможен из-за ухудшения охлаждения или при увеличении температуры окружающей среды выше 40ºС.
Нагрев двигателя определяют термометром или специальными встроенными приборами, устанавливаемых на двигателях мощностью более 100кВт. При отсутствии таких приборов нагрев двигателей проверяют на ощупь рукой. Если очень горячо, измеряют переносным термометром, лучше спиртовым, не имеющим погрешностей в магнитном поле. Активную часть термометра плотно обертывают алюминиевой фольгой и прижимают к месту измерения на поверхности двигателя, а сверху место изоляции накрывают теплоизоляционной ватой.
Характеристики
Тип файла документ
Документы такого типа открываются такими программами, как Microsoft Office Word на компьютерах Windows, Apple Pages на компьютерах Mac, Open Office - бесплатная альтернатива на различных платформах, в том числе Linux. Наиболее простым и современным решением будут Google документы, так как открываются онлайн без скачивания прямо в браузере на любой платформе. Существуют российские качественные аналоги, например от Яндекса.
Будьте внимательны на мобильных устройствах, так как там используются упрощённый функционал даже в официальном приложении от Microsoft, поэтому для просмотра скачивайте PDF-версию. А если нужно редактировать файл, то используйте оригинальный файл.
Файлы такого типа обычно разбиты на страницы, а текст может быть форматированным (жирный, курсив, выбор шрифта, таблицы и т.п.), а также в него можно добавлять изображения. Формат идеально подходит для рефератов, докладов и РПЗ курсовых проектов, которые необходимо распечатать. Кстати перед печатью также сохраняйте файл в PDF, так как принтер может начудить со шрифтами.
















