150900 (631534), страница 2
Текст из файла (страница 2)
Полупроводниковый диод.
Полупроводниковый диод – прибор, в котором используется один p-nпереход. Бывает точечным и плоскостным. Диод – представитель нелинейных проводников.
Транзистор.
Транзистор – полупроводниковый прибор, в котором использовано два p-nперехода. Бывает точечным и плоскостным. Их можно использовать для усиления электрических сигналов.
6–2 Устройство синхронной машины и конструктивные особенности. Принцип действия синхронной машины в режиме двигателя и генератора. V-образные характеристики
Синхронные двигатели. Конструкция, принцип действия
В отличие от асинхронного двигателя частота вращения синхронного двигателя постоянная при различных нагрузках. Синхронные двигатели находят применение для привода машин постоянной скорости (насосы, компрессоры, вентиляторы).
В статоре синхронного электродвигателя размещается обмотка, подключаемая к сети трехфазного тока и образующая вращающееся магнитное поле. Ротор двигателя состоит из сердечника с обмоткой возбуждения. Обмотка возбуждения через контактные кольца подключается к источнику постоянного тока. Ток обмотки возбуждения создает магнитное поле, намагничивающее ротор.
Роторы синхронных машин могут быть явнополюсными (с явновыраженными полюсами) и неявнополюсными (с неявновыраженными полюсами). На рис. 12.10а изображен сердечник 1 явнополюсного ротора с выступающими полюсами. На полюсах размещены катушки возбуждения 2. На рисунке 12.10б изображен неявнополюсной ротор, представляющий собой ферромагнитный цилиндр 1. На поверхности ротора в осевом направлении фрезеруют пазы, в которые укладывают обмотку возбуждения 2.
Рис. 12.10
Рассмотрим принцип работы синхронного двигателя на модели (рис. 12.11).
| Рис. 12.11 | Вращающееся магнитное поле статора представим в виде магнита 1. Намагниченный ротор изобразим в виде магнита 2. Повернем магнит 1 на угол α. Северный магнитный полюс магнита 1 притянет южный полюс магнита 2, а южный полюс магнита 1 – северный полюс магнита 2. Магнит 2 повернется на такой же угол α. Будем вращать магнит 1. Магнит 2 будет вращаться вместе с магнитом 1, причем частоты вращения обоих магнитов будут одинаковыми, синхронными, |
Синхронный двигатель, на роторе которого отсутствует обмотка возбуждения, называется синхронным реактивным двигателем.
Ротор синхронного реактивного двигателя изготавливается из ферромагнитного материала и должен иметь явновыраженные полюсы. Вращающееся магнитное поле статора намагничивает ротор. Явнополюсный ротор имеет неодинаковые магнитные сопротивления по продольной и поперечной осям полюса. Силовые линии магнитного поля статора изгибаются, стремясь пройти по пути с меньшим магнитным сопротивлением. Деформация магнитного поля вызовет, вследствие упругих свойств силовых линий, реактивный момент, вращающий ротор синхронно с полем статора.
Если к вращающемуся ротору приложить тормозной момент, ось магнитного поля ротора повернется на угол θ относительно оси магнитного поля статора.
С увеличением нагрузки этот угол возрастает. Если нагрузка превысит некоторое допустимое значение, двигатель остановится, выпадет из синхронизма.
У синхронных двигателей отсутствует пусковой момент. Это объясняется тем, что электромагнитный вращающий момент, воздействующий на неподвижный ротор, меняет свое направление два раза за период Т переменного тока. Из-за своей инерционности, ротор не успевает тронуться с места и развить необходимое число оборотов.
В настоящее время применяется асинхронный пуск синхронного двигателя. В пазах полюсов ротора укладывается дополнительная короткозамкнутая обмотка.
Вращающее магнитное поле статора индуктирует в короткозамкнутой пусковой обмотке вихревые токи. При взаимодействии этих токов с магнитным полем статора образуется асинхронный электромагнитный момент, приводящий ротор во вращение. Когда частота вращения ротора приближается к частоте вращения статорного поля, двигатель втягивается в синхронизм и вращается с синхронной скоростью. Короткозамкнутая обмотка не перемещается относительно поля, вихревые токи в ней не индуктируются, асинхронный пусковой момент становится равным нулю.
Синхронные двигатели
В синхронном двигателе (СД) ротор вращается со скоростью вращения магнитного поля, т.е. д=Ф или S=0. Механическая характеристика СД горизонтальна (=). СД практически не используются в САР, т. к. регулирование скорости возможно только частотным методом. Кроме того, многие СД не имеют собственного пускового момента.
Обмотки статора СД создают вращающееся магнитное поле и по конструкции принципиально не отличаются от таковых в АСД. В зависимости от конструкции ротора, устройство и материал которого в значительной мере определяют природу возникновения электромагнитного момента и рабочие характеристики, СД подразделяются на три типа: с активным ротором (постоянными магнитами); реактивные; гистерезисные. Особую группу составляют двигатели дискретного действия – шаговые двигатели, которые в силу слежения ротора за магнитным полем следует отнести к синхронным двигателям.
Синхронные двигатели с активным ротором
Ротор таких СД состоит из двух основных частей: а) постоянных магнитов, создающих магнитный поток возбуждения ротора и обеспечивающих возникновение электромагнитного момента в синхронном режиме; б) короткозамкнутой обмотки типа «беличья клетка», обеспечивающей возникновение электромагнитного момента в процессе асинхронного пуска.
Электромагнитный момент создается в результате взаимодействия вращающегося поля статора с полем возбуждения ротора, которые вращаются с одинаковой скоростью.
Электромагнитный момент СД в синхронном режиме в случае симметричной магнитной цепи и при незначительном активном сопротивлении обмотки статора определяется уравнением, известным из общей теории синхронных машин активного типа [2]:
(3.1)
где m – число фаз статора; U – фазное напряжение на обмотке статора; Eо – э.д.с., наводимая магнитным потоком ротора в обмотке фазы статора; с – синхронная угловая скорость; Xс – индуктивное сопротивление обмотки статора; – сдвиг по фазе между векторами U и Eо.
У
Рис. 3.1.
гол в синхронном режиме зависит от момента нагрузки на валу двигателя. Угловая характеристика, соответствующая уравнению (3.1), изображена на рис. 3.1. сплошной линией.В реальных СД с постоянными магнитами магнитная система несимметрична. Активное сопротивление обмотки статора СД небольшой мощности, обычно используемых в САУ, соизмеримо с индуктивными сопротивлениями. Поэтому существенная часть потребляемой мощности теряется на активном сопротивлении обмотки статора.
Оба указанных фактора влияют на значение электромагнитного момента Mс и его зависимость от угла . Эта зависимость приведена на рис. 3.1. пунктиром.
У СД с постоянными магнитами применяют асинхронный метод пуска. Вращающееся магнитное поле статора во взаимодействии с токами, наведенными в короткозамкнутой обмотке ротора, создает асинхронный момент Mа. Особенность пуска таких двигателей заключается в том., что поток от постоянных магнитов ротора при вращении ротора наводит в обмотках статора э.д.с., частота которой не равна частоте напряжения питания. Под действием э.д.с. в цепи обмоток статора проходят токи, которые во взаимодействии с вызвавшим их потоком ротора создают тормозной момент Mт. Для уменьшения тормозного момента Mт необходимо снижать поток постоянных магнитов ротора.
Оптимальной является такая степень возбуждения ротора, которая обеспечивает наилучшие характеристики в синхронном режиме при заданных пусковых характеристиках.
В мощных СД может использоваться электромагнитное возбуждение ротора. На обмотку ротора через коллектор подается постоянное напряжение, создающее магнитное поле возбуждения ротора. При пуске постоянное напряжение отключается от обмотки ротора, которая на время пуска подключается к сопротивлению. Пусковой момент создается обмоткой типа «беличья клетка».
Такие СД имеют наиболее оптимальные рабочие и пусковые характеристики. Однако они практически не применяются в САУ, где энергетические характеристики не являются решающими. Основные причины этого заключаются в следующем:
1) для работы двигателя необходимы два источника питания: переменного и постоянного тока;
2) скользящий контакт кольца-щетки снижает надежность двигателя и усложняет его конструкцию;
3) требуется специальная пусковая схема, отключающая на период разгона обмотку ротора от источника постоянного тока и подключающая ее к внешнему сопротивлению.
Реактивные синхронные двигатели
Ротор реактивных СД является невозбужденным, но его магнитное сопротивление непостоянно вдоль окружности воздушного зазора.
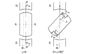
Принцип действия реактивного СД рассмотрим на статической модели, представленной на рис. 3.2. Вращающееся магнитное поле статора Фd заменим полем постоянного магнита. Угол между продольной осью ротора d и осью магнитного потока Фd обозначим .
В том случае, когда =0 (рис. 3.2, а), магнитные силовые линии проходят по пути наименьшего сопротивления и не деформируются. Реактивный вращающий момент Mр=0. Ротор находится в положении устойчивого равновесия. Если принудительно повернуть на угол по часовой стрелке (рис. 3.2, б), то магнитные силовые линии изогнутся. Деформация магнитного поля вследствие упругих свойств силовых линий вызовет реактивный вращающий момент, стремящийся повернуть ротор против часовой стрелки. Очевидно, что при наличии внешнего момента Mн, ротор установится в такое положение, когда Mр= Mн.
В реальных реактивных СД обмотки статора создают вращающееся магнитное поле, а ротор увлекается реактивным моментом вслед за полем и вращается с угловой скоростью поля.
Важной характеристикой реактивного СД является удельный реактивный момент, который определяется как
при =0.
Величина удельного момента зависит от формы ротора и величины потока возбуждения в квадрате.
Реактивный СД не имеет собственного пускового момента, поэтому у таких двигателей применяется асинхронный метод пуска. В качестве пусковой обмотки на роторе служит либо обмотка типа «беличья клетка», либо алюминиевые части ротора. Когда скорость д достигает величины, близкой к синхронной (0,95с), явнополюсный ротор взаимодействует с полем и втягивается в синхронизм. Ток коротко замкнутой обмотки падает до 0.
Х
Рис. 3.3.
арактерной особенностью реактивных СД является нестабильность вращения ротора при постоянстве средней скорости вращения. Мгновенная угловая скорость ротора может колебаться в пределах одного оборота относительно средней скорости (рис. 3.3). Это явление присуще и другим СД и называется качанием ротора. Оно нежелательно, т. к. дает ошибку в положении ротора относительно расчетного, что недопустимо при использовании СД в точных системах передачи угловых перемещений.Причиной этого явления является нестабильность реактивного момента и момента нагрузки. Существуют внешние и внутренние (конструктивные) причины, приводящие к нестабильности моментов: эллиптичность вращающегося магнитного поля; неравномерность магнитной проводимости по различным осям двигателя; неточная балансировка ротора; тормозные моменты в подшипниках; колебания и несинусоидальность напряжения питания; неравномерность нагрузки на валу двигателя.
















