178588 (627865), страница 4
Текст из файла (страница 4)
Таким образом, актуальность разработки заключается в том, что по технологии получения ВНВ из имеющегося клинкера можно получать в 1,5-2 раза больше вяжущего материала нормального качества и значительно экономить энергозатраты на его производство (80 кг. условного топлива против 210 кг.).
Вяжущие низкой водопотребности ВНВ получают путем совместной обработки цементного клинкера (или портландцемента) и специального модификатора, а также при необходимости активной минеральной добавки (золы-уноса, пуццоланы, шлака и т. п.) и/или наполнителя, а также гипсового камня (гипса) в помольных агрегатах.
Проведем оценку основных характеристик разработки, обеспечивающих конкурентоспособность:
1. Научно-технический уровень:
1.1. По отношению к лучшим отечественным образцам:
ВНВ по сравнению с портландцементом обеспечивает повышение гидравлической активности, в среднем, на 50 МПа в 28-суточном возрасте. Марки ВНВ по прочности достигают 800-1100. Достоинства: экономия клинкера – до 60%; тепловых и энергетических ресурсов на 35-45%
1.2. По отношению к лучшим мировым образцам:
Анализ мировой практики и литературных источников показывает, что аналог ВНВ отсутствует.
2. Экологичность:
Предлагаемая технология способствует решению экологических проблем, т.к. предполагает использование отходов металлургической, энергетической и горнорудной отраслей промышленности (зол, шлаков и т.д.).
3. Наличие конкретных потребителей:
Строительная отрасль России, предприятия топливно-энергетического комплекса.
Использование на практике принципов механохимической активации позволило получить вяжущие, качество которых при содержании в них 50-70 процентов минеральных добавок не уступает качеству цементов марок 500-600 (класса 45 по EN). При замене гипса в ВНВ на химические регуляторы схватывания и твердения, а также с применением специальных добавок, понижающих точку замерзания воды в бетоне, получена широкая гамма вяжущих для ведения бетонных работ при отрицательных температурах. Одно то, что бетоны на основе ВНВ имеют в 1,5 раза большую, чем обычные бетоны, морозостойкость (200-300 циклов) делает их куда более эффективными для изготовления наружных стеновых и цокольных панелей. Вяжущие низкой водопотребности (ВНВ) применяются в строительстве при возведении монолитных зданий и сооружений, при производстве сборных бетонных и железобетонных изделий и там, где требуются безвибрационные технологии и беспропарочные режимы твердения изделий.
Вяжущие низкой водопотребности декоративные (ВНВД) - гидравлическое вяжущее вещество, получаемое совместной механохимической обработкой белого, цветного или серого (обычного) портландцемента, красителей, сухого модификатора и, при необходимости, минеральных добавок. Вяжущие низкой водопотребности декоративные (ВНВД) применяются в строительстве при производстве белых и цветных бетонных плит, камней, блоков и других архитектурных строительных изделий, а также при изготовление белых и цветных декоративных сухих смесей, растворов, бетонов, покрытий и фактурных слоев. Применение ВНВД позволяет получать декоративные материалы и изделия, обладающие высокой прочностью, морозостойкостью, водонепроницаемостью, низкой истираемостью при высокой точности копирования формообразующей поверхности.
При этом использование цветных цементов и сухих минеральных красителей широкой цветовой гаммы, в сочетании с повышенной способностью бетонных смесей на ВНВ копировать рельефные рисунки любой сложности, позволит значительно упростить и удешевить изготовление декоративных облицовочных, повысить их художественно-архитектурную выразительность. Вследствие того, что бетонные смеси на ВНВ не требуют еще и тепловой обработки, широкое применение в производстве декоративных элементов для фасадов, интерьеров и малых архитектурных форм, могут найти матрицы и вкладыши из каучукосодержащих материалов - тиокола или виксинта, что кроме всего прочего, еще существенно снизит затраты труда на их изготовление и стоимость самих изделий.
Применение ВНВ позволяет потенциально увеличить реальную активность цемента в 2-2,8 раза, и соответственно, прочность бетона в 1,5-2 раза. Дальнейшее повышение прочности ограничивается свойствами и характеристиками заполнителей. Ясно, что такой прирост прочности может быть реализован в виде существенных технологических преимуществ.
Потенциальные возможности увеличения прочности бетона могут быть преобразованы в различные превышенные другие его характеристики и особенно технологические его свойства. Внедрение ВНВ с этой точки зрения обеспечивает возможности расширения этих свойств, которые позволяют говорить о принципиально новых технологических возможностях бетонных смесей.
Необходимо отметить, что использование ВНВ вместо цемента с различными добавками, вводимыми в бетономешалку, значительно (в 2-3 раза) увеличивает время начала и окончания схватывания бетонной смеси, что позволяет перевозить ее на значительно большие расстояния. Это в свою очередь приведет к тому, что в целом по каждому району строительства можно будет обходиться меньшим количеством бетонных заводов.
Применение ВНВ позволяет сократить в зимних условиях ухода за бетонной смесью, а также уменьшить продолжительность технологических перерывов, назначаемых обычно для набора прочности бетона. Может быть сокращено так же время ухода за свежеуложенным бетоном в жаркое время года и, естественно, снижены затраты труда, расход воды и т. д.
В целом же применение ВНВ в условиях стройплощадки, расширяя технологические и физико-механические свойства бетона и условия его применения не требует каких-либо существенных изменений в технологии бетонных работ.
Организационный аспект
Изготовление ВНВ может производиться полунепрерывным (поточным) или периодическим способами производства. Организация производственного процесса основывается на следующих принципах:
Прямоточность – горизонтальная, прямолинейная – сырьё, полупродукты перемещаются к рабочим постам периодически конвейерными механизмами.
Ритмичность – повторяемость каждой операции и всего технологического процесса в целом через строго установленные промежутки времени.
Непрерывность – каждая последующая операция процесса выполняется после окончания предыдущей операции, оборудование и обслуживающий персонал не простаивают.
Для изготовления вяжущего необходим комплект оборудования, состоящий из бункеров для исходных материалов (минеральных наполнителей, клинкера или цемента, модификаторов), помольного устройства, емкости для хранения ВНВ. Оборудование размещается на площадке 18х54 м. Обеспечение энергоносителем в 400 кВт.
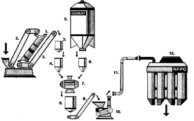
На рис. 2 приведена технологическая схема производства ВНВ с помощью автоматизированного комплекса для производства тонкомолотых вяжущих и специальных цементов Поток-12.
Рисунок 2. Технологическая схема производства вяжущих низкой водопотребности
Условные обозначения:
1. Печь
2. Нория (шнековый транспортер)
3. Приемный бункер
4. Дозатор песка (сыпучих добавок и т.п.)
5. Цементная емкость
6. Дозатор цемента
7. Смеситель
8. Приемный бункер
9. Шнековый транспортер
10. Помольная установка (совместный помол цемента и песка)
11. Пневмопровод
12. Цементные силоса
Экономический аспект
Для изготовления вяжущих низкой водопотребности необходим комплект оборудования, состоящий из бункеров для исходных материалов (минеральных наполнителей, клинкера или цемента, модификаторов), помольного устройства, емкости для хранения вяжущих низкой водопотребности.
Производительность установки – 20 тыс. т. в год. Оборудование размещается на площадке 18х54 м2. Обеспечение энергоносителем в 400 кВт.
На изготовление и строительство промышленной линии производительностью 20 тыс. т. в год необходимо взять кредит в банке, равный 23640 тыс. руб. Потенциальный объем продаж вяжущих должен составить около 168 млн. руб.
Для производства вяжущих у предприятия возникает потребность в дополнительном персонале. При работе в 3 смены необходимо привлечь 5 человек рабочих и 1 мастера (в смену). Таким образом, общая потребность в персонале составит 18 человек. Для работы на новом оборудовании персоналу обязательно необходимо пройти обучение и сдать квалификационный экзамен.
Мероприятия по охране труда в ОАО "Бетон" по производству вяжущих низкой водопотребности должны проводиться в соответствии с «Гигиеническими требованиями к предприятиям производства строительных материалов и конструкций» от 11.06.2003. (гл. XX. Производство вяжущих материалов: цемента, гипса, алебастра, извести, гаджи и др.)
Основные технологические процессы следует комплексно автоматизировать, иметь дистанционное управление с пультов, располагающихся в изолированных помещениях с допустимыми условиями труда.
Все бетоны на основе вяжущих низкой водопотребности отличаются значительно меньшей энергоемкостью, а с экологической точки зрения новая технология позволяет почти вдвое сократить выбросы промышленных газов в цементной промышленности и вовлечь в производство огромное количество разнообразных техногенных отходов. Воздух, удаляемый из печей при производстве вяжущих, предварительно очищается в осадочной шахте, в циклонах и окончательно в рукавных фильтрах и электрофильтрах. Проект B как раз и подразумевает внедрение электрофильтра.
Проект B. Организация внедрения электрофильтра
Необходимость замены фильтра в ОАО "Бетон" вызвана тем, что он был установлен в 1991 году. Несмотря на неоднократно проводившиеся капитальные ремонты, эффективность пылеулавливающего оборудования резко снизилась. Реализация данного проекта позволит существенно улучшить экологическую обстановку на предприятии.
Технический аспект
После установки нового электрофильтра на исследуемом предприятии пылевыбросы на вращающейся печи №1 должны сократиться на 94%.
Вертикальный электрофильтр-труба будет рассчитан в соответствии с исходными данными, предоставленными в технических требованиях на разработку проектно-конструкторской документации (табл. 2).
Таблица 2.
Исходные данные для расчета
| Наименование параметра | Значение |
| Общий объем пылегазовоздушной смеси, поступающей на электрофильтр, м3/ч (с учетом ковшового транспортера) | 50 000 (80 000) |
| Температура пылегазовоздушной смеси перед электрофильтром, С◦ | 120…170 |
| Запыленность пылегазовоздушной смеси перед циклонами, г/м3 | 50 |
| Требуемая запыленность пылегазовоздушной смеси после электрофильтра, г/м3 | 0,05 |
Технические показатели электрофильтра сведены в таблицу 3.
Таблица 3.
Технические характеристики электрофильтра
| Параметр | ЭВУ 28-15-9-7WS640-400 |
| Производительность по очищенному газу, м3/ч | 70000 |
| Запыленность газа на выходе, г/м3 | 0,05 |
| Температура очищаемого газа, С° | 120...170 |
| Количество газовых проходов, шт. | 15 |
| Площадь активного сечения, м2 | 28 |
| Скорость газов в активном сечении, м/с | 0,7 |
| Межэлектродное расстояние, мм | 400 |
| Количество осадительных электродов, шт. | 16 |
| Количество элементов в осадительном электроде, шт. | 7 |
| Ширина элемента осадительного электрода, мм | 640 |
| Высота осадительного электрода, мм | 9100 |
| Количество коронирующих электродов, шт. | 15 |
| Расчетная площадь осаждения осадительных электродов, м2 | 1400 |
| Активная длинна полей, м | 9,1 |
| Время пребывания частиц в активной зоне, с | 13 |
| Удельная площадь осаждения, м2/м3/с | 75 |
| Габариты, мм длина ширина высота | 5800 6600 19000 |
Организационный аспект















