170169 (625492), страница 3
Текст из файла (страница 3)
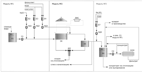
ЭК - электрофлотодеструктор
ВАК - выпрямитель постоянного тока
ФМ - мешочный фильтр
Е5 - емкость для отстаивания
Ф2 - сетчатый фильтр
Е6 - емкость модуля обратноосмотического обессоливания
Е7 - емкость для раствора пиросульфита (или сульфита) натрия
ООМ - обратноосмотический мембранный модуль
Рис.6: Схема опытно-промышленной установки очистки фенолсодержащих сточных вод
Электрофлотодеструктор – это аппарат с расположенным внутри электродным блоком с нерастворимыми анодами. Сверху над поверхностью воды было смонтировано устройство для снятия флотошлама. Через карман флотошлам стекает в мешочный фильтр ФМ. Осветленная вода по мере накопления сливалась в емкость Е5. Для интенсификации хлопьеобразования и быстрейшего осветления очищенной воды в трубопровод подачи из емкости Е4 насосом НД3 дозировался раствор флокулянта. Очищенная вода по качественному составу отвечала требованиям предприятия на слив в ХЗК, но имела повышенное солесодержание. Для организации замкнутого водооборота в состав опытно-промышленной установки был введен модуль обратноосмотического обессоливания №3.
3. Модуль обратноосмотического обессоливания. Осветленная вода после отстаивания в емкости Е5 самотеком подавалась через фильтр сетчатый Ф2 в емкость Е6 узла обратноосмотической очистки. В целях защиты мембраны от воздействия остаточного активного хлора, образующегося на узле электрофлотодеструкции, проводилась операция дехлорирования воды. С этой целью из емкости Е7 дозирующим насосом НД4 в трубопровод подавался 2% раствор пиросульфита (или сульфита) натрия. Из емкости Е6 осветленные и очищенные от фенола сточные воды насосом.Н2 подавались на обратноосмотический мембранный модуль ООМ, укомплектованный высокоселективным обратноосмотическим мембранным элементом. Очищенная вода возвращалась в производство. Концентрат поступал в емкость Е6 и по окончании концентрирования (достижения заданной концентрации солей, контроль по ручному солемеру типа DIST) он подлежал утилизации или выпариванию с получением твердых кристаллов солей. На линии фильтрата и концентрата были установлены расходомеры F2, F3 соответственно. На линии выхода концентрата из мембранного модуля был установлен манометр Р для контроля рабочего давления.
Условия испытания опытно-промышленной установки
Передвижная опытно-промышленная установка была доставлена на предприятие, смонтирована и прошла испытания в течение 32 часов при 2-х сменном режиме эксплуатации. Производительность установки -100 2 л/час.
Эксплуатационные характеристики работы основных узлов опытно-промышленной установки приведены ниже.
Модуль электрохимической обработки:
Анодная плотность тока 0,3 - 0,5 А /дм2;
Напряжение 4 В;
Время пребывания в аппарате 20 - 25 мин;
Модуль обратноосмотического обессоливания:
Давление на входе 12,5 атм.,
Давление на выходе 10 атм.;
Степень концентрирования 4 - 6.
В ходе отработки режимов установлено, что концентрат узла обратного осмоса может быть возвращен в рецикл процесса - в емкость Е1, поскольку в нем содержатся сконцентрированные примеси хлорид-ионов в таком количестве, что отпадает необходимость в постоянной дозировке раствора поваренной соли на входе в электрофлотодеструктор или требуется существенное сокращение расходных норм реагента.
Во время работы опытно-промышленной установки осуществлялся аналитический контроль процесса очистки по содержанию фенола в отбираемых пробах. Анализы проводились специалистами разных организаций: химиком-аналитиком из ЗАО "БМТ", аналитиком из центральной заводской лаборатории НХЗ и независимым аналитиком из НИЦ по единой методике НХЗ "Вода сточная. Методика выполнения измерений массовой концентрации фенола фотометрическим методом".
Концентрацию фенола в аналитической лаборатории ЗАО "БМТ" определяли по международному стандарту ИСО 6439. Полученные данные анализов по обеим методикам показали хорошую сходимость. Как видно из табл.4, в процессе испытания опытно-промышленной установки производительностью 100 л/ч были подтверждены результаты лабораторных исследований по очистке сточных фенолсодержащих вод, а также показаны работоспособность и надежность предлагаемой комплексной технологии.
Глава 3. Очистка сточных вод от фенола электрохимическим окислением
поллютант фенол сток электрокоагуляция
Одна из важнейших проблем современности — охрана биосферы от биогенных органических загрязнителей. Один из наиболее токсичных компонентов природных и сточных вод — фенол. Многообразие систем, содержащих фенолы, затрудняет подбор оптимальных способов их обезвреживания и утилизации. Это связано с тем, что, во-первых, технология полной очистки воды, как правило, диктует соблюдение особых условий, которые трудно выполнимы на практике. Во-вторых, многие эффективные способы глубокой очистки фенолсодержащих вод сопряжены с большими экономическими и ресурсными затратами, использованием дефицитных реагентов с последующей их регенерацией, утилизацией или захоронением отходов. Поиск новых эффективных способов очистки промышленных сточных вод — актуальная задача.
В настоящее время для удаления фенола из сточных и природных вод применяют экстракцию, адсорбцию, электрохимические способы, химическое и радиационное окисление, биологическую очистку.
Электрохимические способы — одни из наиболее перспективных для очистки от органических примесей различного состава, так как при этом, как правило, не изменяется солевой состав очищенной воды, осадок не образуется или образуется в небольшом количестве. Установки характеризуются высокой производительностью, достаточно компактны, процессы управления автоматизированы.
Ниже приведены результаты, полученные при изучении влияния материала анода и давления кислорода на очистку сточных вод от фенола электрохимическим окислением (Пат. 2162822 РФ).
Исследования проводили в бездиафрагменном электролизере с анодами из графита и платины, катодом из свинца. Концентрация фенола в модельном растворе Сф = 100 мг/л, серной кислоты — 9,8 г/л. После электролиза отбиралась проба и анализировалась на содержание фенола фотоколориметрическим методом, основанным на образовании окрашенного комплекса фенола с 4-аминоантипирином. Электролиз проводился без подачи кислорода и при избыточном давлении кислорода. Полученные экспериментальные данные представлены в табл. 1.
Степень очистки на аноде из платины незначительно выше, чем на аноде из графита. Это объясняется тем что, несмотря на высокую пористость графита и низкую истинную плотность тока на электроде, скорость восстановления кислорода и образования активных кислородсодержащих частиц гораздо ниже, чем при использовании электрода из платины.
С повышением давления кислорода степень очистки фенолсодержащих вод увеличивается при использовании и платинового, и графитового анодов. Под давлением кислорода фенол окисляется в объеме раствора образующимся при восстановлении кислорода пероксидом водорода на катоде и на аноде.
Можно предположить, что при окислении фенола протекают следующие реакции:
По мере роста избыточного давления кислорода наблюдается снижение напряжения на электролизере (рис. 1).
Из экспериментальных данных видно, что с увеличением давления до 0,8 МПа напряжение заметно снижается, дальнейший его рост незначительно влияет на напряжение на электролизере.
Энергетические затраты на очистку фенолсодержащих вод приведены в табл. 2.
При проведении электролиза под давлением кислорода затраты электроэнергии снижаются за счет окисления фенола на обоих электродах и частично в объеме электролизера.
Для проведения электролиза можно использовать установку, представленную на рис. 2.
Сточные воды поступают в усреднитель, затем — в автоклав-электролизер, где происходит электрохимическое окисление. Начальное давление кислорода создается при подаче из баллона высокого давления, затем давление поддерживается выделяющимися при электролизе газами. Процесс проводят при плотности тока 100 — 200А/м2 с использованием анодов из графита или платины под давлением кислорода 0,8 — 1,0 МПа. Расход электроэнергии составляет 0,015 - 0,018 кВтч/г.
Литература
-
Гейтс Б.К. Химия каталитических процессов. М., 1981
-
Боресков Г.К. Катализ. Вопросы теории и практики. Новосибирск, 1987.
-
Ганкин В.Ю., Ганкин Ю.В. Новая общая теория катализа. Л., 1991
-
Токабе К. Катализаторы и каталитические процессы. М., 1993.
-
Матрос Ю.Ш., Носков А.С., Чумаченко В.А. Каталитическое обезвреживание отходящих газов промышленных производств. Новосибирск: Наука, 1991.
-
Исмагилов З.Р., Хайрулин СР., Керженцев М.А. н др. Реактор с кипящим слоем катализатора для процесса прямого окисления сероводорода в элементарную серу. Создание опытно-промыптленной установки на Бавли-нской УСО // Катализ в промышленности. 2004, специальный выпуск.
-
Кленов О.П., Гогин ЛЛ., Носков А.С. Каталитический метод производства тешюэнергии из низкоконцентрированных газов. Теплоэнергетика. 2000. № 1.
-
Овчинникова Б.В., Чумаченко В.А., Пирютко Л.В. и др. Двухстадийная каталитическая очистка нитрозных газов в производстве адипиновой кислоты // Катализ в промышленности. 2008 (в печати).
-
Dobrynkin N.M., Batygina M.V., Noskov A.S. Solid Catalysts for Wet Oxidation of Nitrogen-Containing Organic Compounds // Catalysis Today. 1998. V. 45. №. 1 - 4.
Размещено на Allbest.ru















