166089 (624936), страница 3
Текст из файла (страница 3)
З наведених даних видно, що мінеральною з 5 зразків можна вважати тільки воду “Астахівську”.
За результатами аналізу зразок відповідає катіонному складу, що наведено на етикетці:
“Астахівська” мінерально-столова газована вода
Свердловина К-3331Г гідрокарбонатно-сульфатна складного катіонного складу.
Термін зберігання 6 міс.
ДСТУ 878-93
Хімічний склад, мг/дм3
сульфати 700-15000
гідрокарбонати 300-600
магній 50-150
кальцій 150-250
мінералізація 1,6-3,8 г/дм3
Таким чином, дотримання виробником Державного стандарту – надійна запорука отримання якісного товару.
Аналогічний підхід застосовували для контролю аніонного складу зразків фасованої мінеральної води (табл.4).
Таблиця 4. Аніони в зразках фасованої мінеральної води
| Зразок | Фторид, г/дм3 | Хлорид, г/дм3 | Сульфат, г/дм3 |
| Юр’ївська | <0,5 | 12 | 5 |
| Боржоми | 1,0 | 438 | 8 |
| Альпика | <0,5 | 1 | 1 |
| Азау | <0,5 | <0,5 | 1 |
З хроматограми (рис.3) видно, що з 4 зразків тільки один зразок “Боржоми” можна вважати мінеральною водою. Аніонний склад задовольняє заявленому на етикетці (Додаток А).
Рис.3 Аналіз мінеральної води “Боржоми”
2.2 Експрес – аналіз фасованої води кондуктометричним методом
Питома електропровідність розчину χ характеризує загальну мінералізацію так само, як і «сухий залишок». Проте цей метод має великі переваги порівняно з гравіметричним методом визначення маси сухого залишку, бо при застосуванні сучасного приладу – кондуктометру аналіз триває не більше 5 хвилин і не потребує спеціального лабораторного обладнання (аналітичних терезів для зважування сухого залишку, сушильної шафи тощо).
Електропровідність зразків мінеральної води вимірювали кондуктометром HI-3877 фірми Hanna Instruments (додаток С). Для цього при температурі 20±2ºС занурюють вимірювальний електрод у розчин, що аналізується (зразок), вибираємо діапазон вимірювань, та отримуємо результат. Вимірювання повторюється тричі, обчислюється середнє значення електропровідності (табл.5).
Таблиця 5 Інтегральний показник електропровідності
| Зразок | Електропровідність χ, μЅ/см, | Висновок |
| Альпика | 0,3 | Вода оброблена за технологією зворотного осмосу |
| Азау | 2,1 | |
| Юрське джерело | 5,6 | |
| Водолей | 12 | |
| Льдинка | 45 | Вода пом’якшена за допомогою іонообмінної смоли та змішана з осмотичною водою |
| Юр’ївська | 88 | |
| Роса Святогір’я | 130 | |
| Лазурная ледниковая | 468 | |
| Астахівська | 2570 | Мінеральна вода |
| Боржоми | 5980 |
ВИСНОВКИ
В роботі досліджуються сучасні вимоги до якості мінеральної води та проблеми впровадження міжнародних стандартів в Україні. В цілому якість мінеральної води в пляшках гарантується дотриманням виробниками Державних стандартів.
Розглянуто класифікації мінеральних вод, їх переваги та недоліки. За іонним складом розрізняють 15 класів – за аніонами і 15 підкласів – за катіонами. Групи мінеральних вод, виділяють за мінералізацією, вмістом специфічного компоненту.
З’ясовано, що загальна тенденція дослідження лікувальних властивостей мінеральних вод – вивчення їх хімічного зокрема іонного складу.
Перспективним інтегральним показником якості мінеральної води є електропровідність. Цей показник вивчали експериментально методами іонної хроматографії та кондуктометричного аналізу.
Застосовані методи рекомендовані для експрес – аналізу мінеральної води для визначення її походження, способу її обробляння, виявлення фальсифікації мінеральної води.
Література
-
Н.В. Фоменко Рекреаційні ресурси та курортологія. – К.: Центр навчальної літератури, 2007. – 312 с.
-
А.Ю. Боярин. Закони раціонального використання водних ресурсів України. – К.: 2001 – 152 с.
-
ДСТУ 878-1993 Води мінеральні питні. Технічні умови. – 90 с.
-
ДСТУ 878:2006 Води мінеральні природні фасовані. – 16 с.
-
Нові ДСТУ 878:2006 «Води мінеральні природні фасовані». Проблеми їх впровадження // Харчовик. – 2007. – №7.
-
В.И. Федоренко. И. Кирякин Бутилирование питьевой воды // Пиво и напитки. – 2002. – №6. – С.38-39.
-
Г.Ф. Фомин Контроль химической, бактериальной и радиационной безопасности воды по международным стандартам. – М.: Протектор 2000 – 848 с.
-
ГОСТ 23268.0-23268-18 Воды минеральные питьевые, лечебные, лечебно - столовые и природные столовые. Правила приемки и методы анализа. 1978. – 97 с.
-
ГОСТ 23268.1-91 Воды минеральные питьевые лечебные, лечебно-столовые и природные столовые. Методы определения органолептических показателей и объема воды в бутылках. 1991. – 4 с.
ДОДАТКИ
Додаток А
Етикетка мінеральної води , що розлита в скляні пляшки
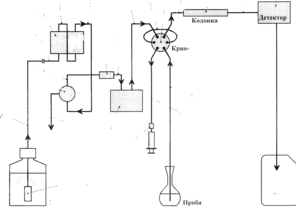
Додаток Б
Принципова схема іонного хроматографу
Додаток В
Портативний кондуктометр
0>0>0>0>












