151906 (622018), страница 2
Текст из файла (страница 2)
, [1] таблица П-1.7.
5.7 Рассчитаем коэффициент насыщения зубцовой зоны kz:
(5.10)
5.8 Найдём длину средней магнитной линии ярма статора La:
(5.11)
5.9 Определим напряженность поля Ha при индукции Вa по кривой намагничивания для ярма принятой марки стали 2013 [1] таблица П-1.6. При
,
.
5.10 Найдём магнитное напряжение ярма статора Fa:
(5.12)
5.11 Определим длину средней магнитной линии потока в ярме ротора Lj:
, (5.13)
где hj высота спинки ротора, находится по формуле:
, (5.14)
5.12 Напряжённость поля Hj при индукции
определим по кривой намагничивания ярма для принятой марки стали [1] таблица П-1.6. При
,
.
Определим магнитное напряжение ярма ротора Fj:
(5.15)
5.13 Рассчитаем суммарное магнитное напряжение магнитной цепи машины (на пару полюсов) Fц:
(5.16)
5.14 Коэффициент насыщения магнитной цепи
:
(5.17)
5.15 Намагничивающий ток
:
(5.18)
Относительное значение намагничивающего тока
:
(5.19)
6. Параметры рабочего режима
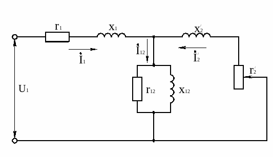
Параметрами асинхронной машины называют активные и индуктивные сопротивления обмоток статора х1, r1, ротора r2, x2, сопротивление взаимной индуктивности х12 (или xм),и расчетное сопротивление r12 (или rм), введением которого учитывают влияние потерь в стали статора на характеристики двигателя.
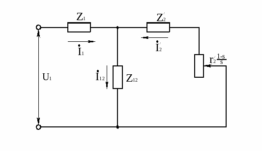
Схемы замещения фазы асинхронной машины, основанные на приведении процессов во вращающейся машине к неподвижной, приведены на рисунке 6.1. Физические процессы в асинхронной машине более наглядно отражает схема, изображенная на рисунке 6.1. Но для расчета удобнее преобразовать ее в схему, показанную на рисунке 6.2.
Рисунок 6.1. Схема замещения фазы обмотки приведенной асинхронной машины
Рисунок 6.2. Преобразованная схема замещения фазы обмотки приведенной асинхронной машины
6.1 Активное сопротивление фазы обмотки статора
расчитаем по формуле:
, (6.1)
где L1 общая длина эффективных проводников фазы обмотки, м;
а число параллельных ветвей обмотки;
с115 удельное сопротивление материала обмотки (меди для статора) при расчетной температуре. Для меди
;
kr коэффициент увеличения активного сопротивления фазы обмотки от действия эффекта вытеснения тока.
В проводниках обмотки статора асинхронных машин эффект вытеснения тока проявляется незначительно из-за малых размеров элементарных проводников. Поэтому в расчетах нормальных машин, как правило, принимают kr =1.
6.2 Общую длину проводников фазы обмотки L1 расcчитаем по формуле:
, (6.2)
где lср средняя длина витка обмотки, м.
6.3 Среднюю длину витка lср находят как сумму прямолинейных пазовых и изогнутых лобовых частей катушки:
, (6.3)
где lП длина пазовой части, равна конструктивной длине сердечников машины.
;
lл длина лобовой части.
6.4 Длина лобовой части катушки всыпной обмотки статора определяется по формуле:
, (6.4)
где Кл коэффициент, значение которого зависит от числа пар полюсов, для
[1] таблица 9.23
;
bКТ средняя ширина катушки, м, определяемая по дуге окружности, проходящей по серединам высоты пазов:
, (6.5)
где 1 относительное укорочение шага обмотки статора. Обычно принимают
.
Коэффициент
для всыпной обмотки, укладываемой в пазы до запрессовки сердечника в корпус.
Средняя длина:
Общая длина эффективных проводников фазы обмотки:
Активное сопротивление фазы обмотки статора:
6.5 Определим длину вылета по лобовой части:
, (6.6)
где Квыл коэффициент, определяемый по[1] таблице 9.23.
при
.
6.6 Определим относительное значение сопротивления фазы обмотки статора
:
(6.7)
6.7 Определим активное сопротивление фазы обмотки ротора r2:
, (6.8)
где rс сопротивление стержня;
rкл сопротивление кольца.
6.8 Сопротивление стержня рассчитаем по формуле:
(6.9)
6.9 Рассчитаем сопротивление кольца:
(6.10)
Тогда активное сопротивление ротора:
6.10 Приведём r2 к числу витков обмотки статора, определим
:
(6.11)
6.11 Относительное значение сопротивления фазы обмотки ротора.
(6.12)
6.12 Индуктивное сопротивление фаз обмотки ротора:
, (6.13)
где п – коэффициент магнитной проводимости пазового ротора.
Исходя из рисунка 9.50, e п определим по формуле из [1] таблицы 9.26:
, (6.14)
где
,
,
,
,
(проводники закреплены пазовой крышкой).
, (6.15)
Коэффициент магнитной проводимости лобового рассеяния:
(6.16)
Коэффициент магнитной проводимости дифференциального рассеяния, определим по формуле:
, (6.17)
где
,
где
определяется графически, при
,
[1] рисунок 9.51, д,
.
По формуле (6.13) рассчитаем индуктивное сопротивление обмотки статора:
6.13 Определим относительное значение индуктивного сопротивления обмотки статора
:
(6.18)
6.14 Произведём расчёт индуктивного сопротивления фазы обмотки ротора по формуле:
, (6.19)
где п2 – коэффициент магнитной проводимости паза ротора;
л2 – коэффициент магнитной проводимости лобовой части ротора;
д2 – коэффициент магнитной проводимости дифференциального рассеяния ротора.
Коэффициент магнитной проводимости паза ротора рассчитаем по формуле, исходя из [1] таблица 9.27:
, (6.20)
где
,
.
, (6.21)
6.15 Коэффициент магнитной проводимости лобовой части ротора определим по формуле:
,
(6.22)
6.16 Коэффициент магнитной проводимости дифференциального рассеяния ротора определим по формуле:
, (6.23)
где
.
6.17 Найдём значение индуктивного сопротивления по формуле (6.19):
Приведём x2 к числу витков статора:
(6.24)
Относительное значение,
:
(6.25)
7. Расчёт потерь
7.1 Рассчитаем основные потери в стали статора асинхронной машины по формуле:
, (7.1)
где
– удельные потери,
[1] таблица 9.28;
– показатель степени, для марки стали 2013
;
kда и kдz – коэффициенты, учитывающие влияние на потери в стали, для стали марки 2013
,
;
ma – масса ярма, считается по формуле:
,
, (7.2)
где
– удельная масса стали.
Масса зубцов статора:
, (7.3)
7.2 Рассчитаем полные поверхностные потери в роторе:
, (7.4)
где pпов2 – удельные поверхностные потери, определим по формуле:
, (7.5)
где
– коэффициент, учитывающий влияние обработки поверхности головок зубцов ротора на удельные потери;
В02 – амплитуда пульсации индукции в воздушном зазоре, определим по формуле:
, (7.6)
где
определяется графически при
[1] рисунок 9.53, б.
7.3 Рассчитаем удельные поверхностные потери по формуле (7.5):
,
7.4 Рассчитаем пульсационные потери в зубцах ротора:
, (7.7)
где mz2 – масса стали зубцов ротора;
Впул2 – амплитуда магнитной пульсации в роторе.
, (7.8)
, (7.9)
7.5 Определим сумму добавочных потерь в стали:
(7.10)
7.6 Полные потери в стали:
(7.11)
7.7 Определим механические потери:
, (7.12)
где
, при
по таблице 9.29 [1].
7.8 Рассчитаем добавочные потери при номинальном режиме:
(7.13)
7.9 Ток холостого хода двигателя:
, (7.14)
где Iх.х.а. – активная составляющая тока холостого хода, её определим по формуле:
, (7.15)
где Рэ.1 х.х. – электрические потери в статоре при холостом ходе:
, (7.16)
7.10 Определим коэффициент мощности при холостом ходе:
(7.17)
8. Расчёт рабочих характеристик
8.1 Определим действительную часть сопротивления:
(8.1)
8.2 Мнимая часть сопротивления:
(8.2)
8.3 Постоянная электродвигателя:
, (8.3)
(8.4)
8.4 Определим активную составляющую тока:
(8.5)
8.5 Определим величины:
,
, (8.6)
, (8.7)
(8.8)
8.6 Потери, не меняющиеся при изменении скольжения:
(8.9)
Принимаем
и рассчитаем рабочие характеристики, при скольжении равном: 0,005; 0,01; 0,015; 0,02; 0,0201. Результаты расчёта запишем в таблицу 8.1.
Р2н=110кВт; U1н=220/380 В; 2p=10 I0a=2,74 A; I0p=I=61,99 A;
Pcт + Pмех=1985,25 Вт; r1=0,0256 Oм; r2=0,0205 Oм; с1=1,039;
а=1,0795; а=0,0266 Ом; b=0; b=0,26 Ом
Таблица 8.1
Рабочие характеристики асинхронного двигателя
| Расчётная формула | С. И. | Скольжение s | ||||||
| 0,005 | 0,01 | 0,015 | 0,02 | 0,0201 | ||||
| | Ом | 4,43 | 2,21 | 1,48 | 1,11 | 1,1 | ||
| | Ом | 0 | 0 | 0 | 0 | 0 | ||
| | Ом | 4,46 | 2,24 | 1,51 | 1,14 | 1,13 | ||
| | Ом | 0,26 | 0,26 | 0,26 | 0,26 | 0,26 | ||
| | Ом | 4,47 | 2,26 | 1,53 | 1,17 | 1,16 | ||
| | А | 49,22 | 97,35 | 143,79 | 188,03 | 189,66 | ||
| | - | 0,998 | 0,991 | 0,987 | 0,974 | 0,974 | ||
| | - | 0,058 | 0,115 | 0,169 | 0,222 | 0,224 | ||
| | А | 51,86 | 99,21 | 144,66 | 185,88 | 187,47 | ||
| | А | 64,84 | 73,19 | 86,29 | 103,73 | 104,47 | ||
| | А | 83,03 | 123,29 | 168,44 | 212,86 | 214,61 | ||
| | А | 51,14 | 101,15 | 149,4 | 195,36 | 197,06 | ||
| | кВт | 34,23 | 65,48 | 95,48 | 122,68 | 123,73 | ||
| | кВт | 0,529 | 1,167 | 2,179 | 3,479 | 3,537 | ||
| | кВт | 0,161 | 0,629 | 1,372 | 2,347 | 2,388 | ||
| | кВт | 0,171 | 0,327 | 0,477 | 0,613 | 0,619 | ||
| | кВт | 2,846 | 4,106 | 6,011 | 8,421 | 8,527 | ||
| | кВт | 31,38 | 61,37 | 89,47 | 114,26 | 115,2 | ||
| | - | 0,917 | 0,937 | 0,937 | 0,931 | 0,931 | ||
| | - | 0,625 | 0,805 | 0,859 | 0,873 | 0,874 | ||
















