151906 (622018)
Текст из файла
МИНИСТЕРСТВО ОБРАЗОВАНИЯ И НАУКИ
РЕСПУБЛИКИ КАЗАХСТАН
Северо-Казахстанский государственный университет им. М. Козыбаева
Факультет энергетики и машиностроения
Кафедра энергетики и приборостроения
КУРСОВАЯ РАБОТА
На тему: «Проектирование асинхронного двигателя с короткозамкнутым ротором»
по дисциплине – «Электрические машины»
Выполнил Калантырев
Научный руководитель
д.т.н., проф. Н.В. Шатковская
Петропавловск 2010
Содержание
Введение
1. Выбор главных размеров
2. Определение числа пазов статора, витков в фазе обмотки сечения провода обмотки статора
3. Расчёт размеров зубцовой зоны статора и воздушного зазора
4. Расчёт ротора
5. Расчёт магнитной цепи
6. Параметры рабочего режима
7. Расчёт потерь
8. Расчёт рабочих характеристик
9. Тепловой расчёт
10. Расчёт рабочих характеристик по круговой диаграмме
Приложение А
Заключение
Список литературы
Введение
Асинхронные двигатели являются основными преобразователями электрической энергии в механическую и составляют основу электропривода большинства механизмов. Серия 4А охватывает диапазон номинальных мощностей от 0,06 до 400 кВт и имеет 17 высот оси вращения от 50 до 355 мм.
В данном курсовом проекте рассматривается следующий двигатель:
- исполнение по степени защиты: IP23;
- способ охлаждения: IС0141.
Конструктивное исполнение по способу монтажа: IM1081 – по первой цифре – двигатель на лапах, с подшипниковыми щитами; по второй и третьей цифрам – с горизонтальным расположением вала и нижним расположением лап; по четвертой цифре – с одним цилиндрическим концом вала.
Климатические условия работы: У3 – по букве – для умеренного климата; по цифре – для размещения в закрытых помещениях с естественной вентиляцией без искусственно регулируемых климатических условий, где колебания температуры и влажности воздуха, воздействия песка и пыли, солнечной радиации существенно меньше, чем на открытом воздухе каменные, бетонные, деревянные и другие, не отапливаемые помещения.
1. Выбор главных размеров
1.1 Определим число пар полюсов:
(1.1)
Тогда число полюсов
.
1.2 Определим высоту оси вращения графически: [1] по рисунку 9.18, б
, в соответствии с
, по [1] таблице 9.8 определим соответствующий оси вращения наружный диаметр
.
1.3 Внутренний диаметр статора
, вычислим по формуле:
, (1.2)
где
– коэффициент определяемый по [1] таблице 9.9.
При
лежит в промежутке:
.
Выберем значение
, тогда
1.4 Определим полюсное деление
:
(1.3)
1.5 Определим расчётную мощность
, Вт:
, (1.4)
где
– мощность на валу двигателя, Вт;
– отношение ЭДС обмотки статора к номинальному напряжению, которое может быть приближенно определено [1] по рисунку 9.20. При
и
,
.
Приближенные значения
и
возьмём по кривым, построенным по данным двигателей серии 4А. [1] рисунок 9.21, в. При
кВт и
,
, а
1.6 Электромагнитные нагрузки А и В определим графически по кривым [1] рисунок 9.23, б. При
кВт и
,
,
Тл.
1.7 Обмоточный коэффициент
. Для двухслойных обмоток при 2р>2 следует принимать
=0,91–0,92. Примем
.
1.8 Определим синхронную угловую скорость вала двигателя :
, (1.5)
где
– синхронная частота вращения.
1.9 Рассчитаем длину воздушного зазора
:
, (1.6)
где
– коэффициент формы поля.
.
1.10 Критерием правильности выбора главных размеров D и
служит отношение
, которое должно находиться в допустимых пределах [1] рисунок 9.25, б.
. Значение лежит в рекомендуемых пределах, значит главные размеры определены верно.
2. Определение числа пазов статора, витков в фазе обмотки и сечения провода обмотки статора
2.1 Определим предельные значения: t1max и t1min [1] рисунок 9.26. При
и
,
,
.
2.2 Число пазов статора:
, (2.1)
(2.2)
Окончательно число пазов должно быть кратным значению числа пазов на полюс и фазу: q. Примем
, тогда
, (2.3)
где m число фаз.
2.3 Окончательно определяем зубцовое деление статора:
(2.4)
2.4 Предварительный ток обмотки статора
(2.5)
2.5 Число эффективных проводников в пазу ( при условии
):
(2.6)
2.6 Принимаем число параллельных ветвей
, тогда
(2.7)
2.7 Окончательное число витков в фазе обмотки и магнитный поток
:
, (2.8)
(2.9)
2.8 Определим значения электрических и магнитных нагрузок:
, (2.10)
(2.11)
Значения электрической и магнитных нагрузок незначительно отличаются от выбранных графически.
2.9 Выбор допустимой плотности тока производится с учётом линейной нагрузки двигателя:
, (2.12)
где
нагрев пазовой части обмотки статора, определим графически [1] рисунок 9.27, д. При
.
2.10 Рассчитаем площадь сечения эфективных проводников:
(2.13)
Принимаем
, тогда [1] таблица П-3.1
,
,
.
2.11 Окончательно определим плотность тока в обмотке статора:
(2.14)
3. Расчёт размеров зубцовой зоны статора и воздушного зазора
3.1 Предварительно выберем электромагнитные индукции в ярме статора BZ1 и в зубцах статора Ba. При
[1] таблица 9.12
, а
.
3.2 Выберем марку стали 2013 [1] таблица 9.13 и коэффициент заполнения сталью магнитопроводов статора и ротора
.
3.3 По выбранным индукциям определим высоту ярма статора
и минимальную ширину зубца
, (3.1)
(3.2)
3.4 Подберём высоту шлица
и ширину шлица
полузакрытого паза. Для двигателей с высотой оси
,
мм. Ширину шлица выберем из таблицы 9.16 [1]. При
и
,
.
3.5 Определим размеры паза:
высоту паза:
, (3.3)
размеры паза в штампе
и
:
Выберем
, тогда
, (3.4)
, (3.5)
высоту клиновой части паза
:
(3.6)
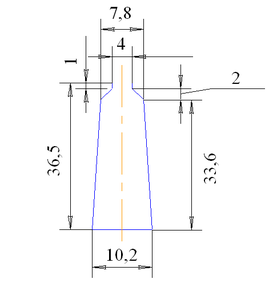
Рисунок 3.1. Паз спроектированного двигателя с короткозамкнутым ротором
3.6 Определим размеры паза в свету с учётом припусков на шихтовку и сборку сердечников:
и
, таблица 9.14 [1]:
ширину,
и
:
, (3.7)
, (3.8)
и высоту
:
(3.9)
Определим площадь поперечного сечения корпусной изоляции в пазу:
, (3.10)
где
односторонняя толщина изоляции в пазу,
.
Расчитаем площадь поперечного сечения прокладок к пазу:
(3.11)
Определим площадь поперечного сечения паза для размещения проводников:
(3.12)
3.7 Критерием правильности выбранных размеров служит коэффициент заполнения паза
, который приближённо равен
.
, (3.13)
таким образом выбранные значения верны.
4. Расчёт ротора
4.1 Выберем высоту воздушного зазора графически по [1] рисунок 9.31. При
и
,
.
4.2 Внешний диаметр короткозамкнутого ротора:
(4.1)
4.3 Длина ротора равна длине воздушного зазора:
,
.
4.4 Число пазов выберем из таблицы 9.18 [1],
.
4.5 Определяем величину зубцового деления ротора:
(4.2)
4.6 Значение коэффициента kB для расчёта диаметра вала определим из таблицы 9.19 [1]. При
и
,
.
Внутренний диаметр ротора равен:
(4.3)
4.7 Определим ток в стержне ротора:
, (4.4)
где ki коэффициент, учитывающий влияние тока намагничивания и сопротивления обмоток на отношение
, определим графически при
;
;
коэффициент приведения токов, определим по формуле:
(4.5)
Тогда искомый ток в стержне ротора:
4.8 Определим площадь поперечного сечения стержня:
, (4.6)
где
допустимая плотность тока; в нашем случае
.
4.9 Паз ротора определяем по рисунку 9.40, б [1]. Принимаем
,
,
.
Магнитную индукцию в зубце ротора
выберем из промежутка
[1] таблица 9.12. Примем
.
Определим допустимую ширину зубца:
(4.7)
Расчитаем размеры паза:
ширинуb1 и b2:
, (4.8)
, (4.9)
высоту h1:
(4.10)
Рассчитаем полную высоту паза ротора hП2:
(4.11)
Уточним площадь сечения стержня
:
(4.12)
4.10 Определим плотность тока в стержне J2:
(4.13)
Рисунок 4.1. Паз спроектированного двигателя с короткозамкнутым ротором
4.11 Рассчитаем площадь сечения короткозамыкающих колец qкл:
, (4.14)
где
ток в кольце, определим по формуле:
, (4.15)
где
,
тогда
,
, (4.16)
4.12 Рассчитаем рамеры замыкающих колец
,
и средний диаметр кольца
:
, (4.17)
(4.18)
Уточним площадь сечения кольца:
, (4.19)
(4.20)
5. Расчёт намагничивающего тока
5.1 Значение индукций в зубцах ротора и статора:
, (5.1)
(5.2)
5.2 Расчитаем индукцию в ярме статора Ba:
(5.3)
5.3 Определим индукцию в ярме ротора Bj:
, (5.4)
где h'j — расчетная высота ярма ротора, м.
Для двигателей с 2р≥4 с посадкой сердечника ротора на втулку или на оребренный вал h'j определяют по формуле:
, (5.5)
5.4 Магнитное напряжение воздушного зазора F :
, (5.6)
где kд коэффициент воздушного зазора, определим по формуле:
, (5.7)
где
Магнитное напряжение воздушного зазора:
5.5 Магнитное напряжение зубцовых зон статора Fz1:
Fz1=2hz1Hz1, (5.8)
где 2hz1 — расчетная высота зубца статора, м.
Hz1 определим по [1] таблице П-1.7. При
,
.
5.6 Магнитное напряжение зубцовых зон ротора Fz2:
, (5.9)
где
;
Характеристики
Тип файла документ
Документы такого типа открываются такими программами, как Microsoft Office Word на компьютерах Windows, Apple Pages на компьютерах Mac, Open Office - бесплатная альтернатива на различных платформах, в том числе Linux. Наиболее простым и современным решением будут Google документы, так как открываются онлайн без скачивания прямо в браузере на любой платформе. Существуют российские качественные аналоги, например от Яндекса.
Будьте внимательны на мобильных устройствах, так как там используются упрощённый функционал даже в официальном приложении от Microsoft, поэтому для просмотра скачивайте PDF-версию. А если нужно редактировать файл, то используйте оригинальный файл.
Файлы такого типа обычно разбиты на страницы, а текст может быть форматированным (жирный, курсив, выбор шрифта, таблицы и т.п.), а также в него можно добавлять изображения. Формат идеально подходит для рефератов, докладов и РПЗ курсовых проектов, которые необходимо распечатать. Кстати перед печатью также сохраняйте файл в PDF, так как принтер может начудить со шрифтами.
















