151882 (622007), страница 2
Текст из файла (страница 2)
Рис.3 Будова вібраційних частотомірів
1.4 Аналогові частотоміри
Аналогові частотоміри можуть бути:
-
електродинамічними;
-
феродинамічними;
-
електромагнітними;
-
випрямними;
-
електронними.
Електродинамічні частотоміри - це прилади зі стрілковим покажчиком, виконані на основі електродинамічного логометра. Вони вирізняються відносно високим класом точності, зручністю в користуванні, бо дають можливість робити відлік за положенням стрілки на шкалі, градуйованій безпосередньо у герцах.
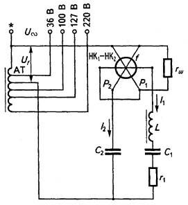
Схему одного з переносних частотомірів, що виробляються в Україні, зображено на рис.4. На схемі позначено: Р1 і Р2 - обмотки рухомих рамок приладу, жорстко закріплених на осі рухомої системи під прямим кутом одна до одної; НК1 і НК2 - обмотки нерухомих котушок; L - котушка індуктивності з феромагнітним осердям, що має невеликий повітряний проміжок; С1 - конденсатор, який створює резонансний контур з котушкою L; r1 - додатковий опір, rш - підгінний опір; С2 - конденсатор, реактивний опір якого обмежує величину струму, що проходить через обмотку рамки Р2; AT - автотрансформатор, що дає можливість при величинах номінальних напруг контрольованої частотоміром мережі 36, 100, 127 або 220 В подавати на вимірювальний механізм певну величину напруги, на якій проводилось градуювання приладу. Зауважимо, що відхилення величини напруги мережі у межах ±10 % від її номінальної величини викликає лише невелику додаткову похибку у показаннях, яка не виходить за межі, допустимі для класу приладу. Частотоміри за наведеною схемою виробляють у декількох модифікаціях. Всі пі прилади здатні вимірювати частоти від 45 до 1650 Гц. Діапазон вимірювань частоти кожним з цих приладів відповідає ±10 % від значення середньої частоти, вимірюваної даним приладом, тобто від 45.55 до 1350.1650 Гц.
Клас точності цих приладів - 0,2, тобто їхня основна похибка не перевищує ±0,2 % від середньої частоти, вимірюваної приладом.
У цих приладах зі зміною величини частоти змінюються також величина і фаза струму у нерухомих котушках HK1 і НК2 і у рухомій котушці-рамці Р1. Так, якщо за частоти, що відповідає показанню посередині шкали приладу, величина реактивного індуктивного опору вітки, за якою проходить струм І1, дорівнюватиме величині ємнісного реактивного опору конденсатора С1 тоді через наявність резонансу напруг струм І1 буде найбільшим і перебуватиме у фазі з напругою Uf.
електровимірювальний прилад частота напруга
Рис.4 Схема електродинамічного частотоміра
Рамка Р1 під дією обертового моменту, створеного взаємодією струму в рамці з магнітним потоком нерухомих котушок НК1 і НК2, перебуватиме у положенні, де площини цієї рамки і нерухомих котушок збігатимуться. Дією рамки Р2 можна знехтувати, бо через неї проходить струм І2, зсунутий відносно напруги Uf майже на 90°. Якщо ж величина частоти напруги Uf буде відмінна від частоти резонансу fр, то фаза струму І1 відносно напруги Uf вже не збігатиметься з напругою, і кут зсуву по фазі струму І1, відносно струму І2 буде відмінним від 90°. Тоді магнітний потік нерухомих котушок, взаємодіючи зі струмом І2, створить обертовий момент, що буде врівноважений моментом, створюваним рамкою Р1 при повороті рухомої частини приладу на кут, відповідний вимірюваній частоті напруги Uf. Зі схеми видно, що величина напруги Uf не впливає на кут відхилення рухомої частини, бо зміна величини напруги однаково вплине як на величину струму І1, так і на величину струму І2. Це призведе до однакової зміни величин обертових моментів, створюваних рамками Р1 і Р2, котрі протидіють один одному, тобто не змінить рівноваги між ними за даного положення рухомої частини приладу.
У цьому приладі, як і у всякому логометрі, відсутні спіральні пружини, а струм підводиться до рамок за допомогою трьох тонких "безмоментних" струмопідводів.
Феродинамічні частотоміри, побудовані на основі феродинамічних логометрів, можуть бути виконані на основі електричних схем, аналогічних схемам електродинамічних частотомірів.
Різниця між ними лише в тому, що споживана потужність у феродинамічного приладу може бути суттєво меншою, ніж у електродинамічного. Часто феродинамічні частотоміри виконують на основі найпростіших однорамочних логометрів, у котрих як діючий, так і протидіючий моменти створюються однією рамкою, через яку водночас проходять два струми: один (що створює момент протидії) викликаний ЕРС взаємоіндукції від дії струму, що є у обмотці нерухомої котушки, другий (той, що створює діючий момент) викликаний напругою мережі, частота якої вимірюється. Ця напруга прикладена до ємнісно-індуктивного кола приладу.
Як і у частотоміра електродинамічної системи, так і у феродинамічного для підводу струму до рамки використано "безмоментні" струмопідводи, але їх всього два. Електромагнітний частотомір виконано на основі двокотушкового електромагнітного логометра, котрий має на своїй рухомій частині два феромагнітних осердя, кожне з яких взаємодіє з одною із нерухомих котушок. Обертові моменти електромагнітних систем, до яких входять згадані котушки і осердя, спрямовані зустрічно. Кожну з обмоток котушок ввімкнено послідовно з дроселем і конденсатором, які налаштовано в резонанс на відмінні величини частот. Одна - нижче за найменшу вимірювану частоту, друга - вища за найбільшу вимірювану частоту. Завдяки цьому рівність обертових моментів, що діють протилежно, в згаданих раніше системах буде одержано при різних величинах вимірюваної частоти у певних положеннях покажчика приладу на шкалі. Рухома частина цього приладу не має ні моментних пружин, ні безмоментних струмопідводів.
Випрямні частотоміри, створені на основі магнітоелектричних логометрів, діють аналогічно тому, як діє електромагнітний частотомір. Тобто вони мають два резонансні контури: резонансна частота одного нижча за найменшу вимірювану, а іншого - вища за найбільшу вимірювану. Але змінні струми, що протікають у вказаних контурах, випрямлюються двопівперіодними випрямлячами і надсилаються до рамок рухомої частини магнітоелектричного логометра, кут повороту якої залежить від відношення цих струмів. Згідно з цим, положення стрілки на шкалі логометра визначатиме величину частоти напруги. У електронного частотоміра приладом, що показує частоту, є магнітоелектричний міліамперметр, увімкнутий у коло вихідного каскаду електронного підсилювача. Вхідне коло підсилювача приєднане до частотно залежного ланцюга, струм якого мало залежить від величини напруги, частота котрої вимірюється. Завдяки наявності електронного підсилювача, потужність, споживана з вимірювального кола, у електронного частотоміра значно менша, ніж у всіх розглянутих вище частотомірів.
1.5 Електромеханічні частотоміри
Для вимірювання частоти у вузькому діапазоні (45.55Гц) з невисокою точністю (одиниці процентів) застосовуються електродинамічні й електромагнітні частотоміри. В електродинамічних частотомірах застосовують логометричний вимірювальний механізм, який складається з двох рухомих котушок, закріплених на одній осі під деяким кутом одна до одної, яка може вільно обертатися у магнітному полі нерухомої котушки (рис.5). Параметри рухомої котушки та елементів R2, L2, С2 добирають так, щоб резонансна частота
припадала на середину вимірюваного діапазону частот.
Рис.5
У разі відхилення вимірюваної частоти від середини діапазону змінюються опори реактивних елементів ХС1=l/2πfxC1, ХС2= l/2πfxC2, XL2=l/2πfxL2 і співвідношення між струмами в котушках, унаслідок чого стрілка відхиляється на кут, пропорційний вимірюваній частоті fx. Аналогічно працює й електромагнітний частотомір.
1.6 Вимірювальний перетворювач частоти в струм
В аналогових електронних частотомірах застосовується попереднє перетворення частоти в напругу. Принцип дії вимірювального перетворювача частоти в напругу ґрунтується на формуванні імпульсів, частота яких дорівнює вимірюваній частоті, а електричний заряд імпульсів є постійним. Середнє значення струму таких імпульсів пропорційне вимірюваній частоті.
Вимірювальний перетворювач частоти в напругу становить основу так званого конденсаторного частотоміра, спрощену схему якого наведено на рисунку 6. Періодичний сигнал із частотою fx надходить на вхід формувача прямокутних імпульсів, частота яких дорівнює вимірюваній частоті. Прямокутні імпульси діють на перемикач, який з'єднує конденсатор із джерелом стабільної напруги. Упродовж часу тривалості імпульсу Ті конденсатор заряджається до напруги U0. Заряд, який накопичився за цей час на обкладках конденсатора, становитиме: Q=U0C.
Рис.6
Після закінчення дії імпульсу перемикач повертається у початковий стан і з'єднує конденсатор із резистором R. Конденсатор розряджається, і через резистор проходить струм розряду, середнє значення якого прямо пропорційне вимірюваній частоті:
Напруга на резисторі R прямо пропорційна струму, тому середнє значення напруги на резисторі Ux=RQ0fx виділяється фільтром низької частоти і вимірюється вольтметром магнітоелектричної системи.
1.7 Гетеродинний вимірювальний перетворювач частоти
Перетворення частоти сигналу широко застосовується в різних радіотехнічних пристроях. Суть частотного перетворення сигналу полягає у тому, що синусоїдний сигнал ux (t) =Uх√2sin (2πfxt+Ψx) з вимірюваною частотою fx перемножується із зразковим сигналом u0 (t) = U0√2sin (2πf0t+Ψ0) з відомою частотою f0:
Як відомо з тригонометрії, добуток двох синусоїдних функцій виражається через різницю синусоїдних функцій:
Застосовуючи тригонометричну тотожність (2) до добутку (1), отримаємо
Отже, на виході перемножувача буде сума двох коливань: одне з коливань має частоту fx-f0, а друге - частоту fx+f0. Пристрій, за допомогою якого здійснюється перемножування двох синусоїдних сигналів, називається "амплітудним модулятором", "змішувачем", "перемножувачем". За допомогою електронних фільтрів можна виділити із суми двох коливань одне. Здебільшого на практиці виділяють коливання з різницевою частотою fx-f0. Якщо плавно змінювати частоту f0 зразкового генератора, то частота fx-f0 наближатиметься до нуля. Це можна зафіксувати за допомогою осцилографа або на слух за допомогою головних телефонів за висотою тону.
1.8 Частотомір із перетворенням похибки квантування в інтервал часу
Основною похибкою, яка обмежує точність частотомірів, є похибка квантування. Перетворенням похибки квантування Δt в електричний заряд q, а заряду в інтервал часу ΔT (у десятки разів більший за Δt) і наступним вимірюванням інтервалу ΔT можна в десятки разів підвищити точність вимірювання частоти. Цей спосіб застосовується у цифровому універсальному частотомірі 43-64, генератор квантувальних імпульсів якого має частоту 100 МГц. На першому етапі вимірювання вимірюваний інтервал часу Тх квантується імпульсами з періодом Т0=1·10-8 с. При цьому виникають похибки Δt1 і Δt2. Сумарна похибка перетворюється в заряд конденсатора. Впродовж інтервалу Δt1 відбувається заряджання, а протягом інтервалу Δt2 - розряджання конденсатора струмом 1·10-6 А. Далі конденсатор розряджається струмом 1·10-7 А. Тривалість розряджання дорівнює ΔТ=10·Δt=10· (Δt1-Δt2). Потім ΔT квантується імпульсами з періодом Т0=1·10-8 с. Таким чином, похибка зменшується з 1·10-8 с до 1·10-9 с.
ІІ. Механічна частина
2.1 Вимірювання частоти електричної напруги
На підприємствах енергетичного профілю частоту найчастіше вимірюють за допомогою частотомірів, використання яких не викликає ніяких труднощів. Більшість частотомірів приєднують безпосередньо до мережі, частоту котрої необхідно виміряти, або до окремого джерела живлення змінного струму, частоту напруги якого слід контролювати. Необхідно лише впевнитись, що номінальна величина напруги мережі чи окремого джерела збігається з номінальною величиною напруги частотоміра, а також у тому, чи довіряти показанням частотоміра зразу ж після вмикання під напругу, чи лише після певного часу його роботи. Цей час може бути необхідний, щоб частини частотоміра, що містяться всередині його корпуса, нагрілися власним теплом, яке виникає в обмотках та осердях частотоміра, до належної температури.
Крім того, ще до встановлення і приєднання частотоміра необхідно впевнитись у відповідності умов у помешканні, де намічено встановити частотомір, тим умовам, які передбачені технічним описом приладу.
















