151828 (621976)
Текст из файла
Курсовая работа
«Расчет переходных процессов в электрических цепях.
Формы и спектры сигналов при нелинейных преобразованиях»
Федеральное агентство по образованию Российской Федерации
ЗАДАНИЕ НА КУРСОВУЮ РАБОТУ
Дисциплина: Теоретические основы электротехники
Тема: Расчёт переходных процессов в электрических цепях
Срок представления работы к защите 2010 г.
Исходные данные для проектирования
1)E= 70В, R1= 2 кОм, R2= 3 кОм, L= 2 мГн
2) E=70В, L=2мГн, С=9мкФ, R=ρ/4
3) U0=0,5 В, U1=1 В, Um=1,5 В, S=16 мА/В, T=11 мкс
Содержание пояснительной записки курсовой работы.
1.Задание на курсовую работу.
2. Расчёт переходных процессов в цепи первого порядка.
3. Расчёт переходных процессов в цепях второго порядка.
4. Расчёт процессов в нелинейной цепи.
5. Список использованной литературы.
6. Перечень графического материала.
Для п. 4.2: заданная схема для расчёта, схема для определения начальных условий, схема для определения характеристического сопротивления, схема для нахождения принужденной составляющей, временные диаграммы токов и напряжений в электрической цепи.
Для п.4.3: заданная схема для расчёта, схема для определения начальных условий, схема для определения характеристического сопротивления, схема для нахождения принужденной составляющей, временные диаграммы токов и напряжений в электрической цепи.
Для п.4.4: схема цепи, ВАХ нелинейного элемента с наложенным входным воздействием, диаграммы напряжения и тока, спектр тока.
Руководитель работы: Борисовский Андрей Петрович
Задание выполнил: студент гр. 825 Королёв Владимир Валерьевич
Переходные процессы в линейных цепях первого порядка
Переходными называются процессы, возникающие в электрических цепях при переходе из одного установившегося режима в другой. В установившемся режиме токи и напряжения в цепи не изменяют своего характера. Если в цепи действует постоянная э.д.с., тогда в установившемся режиме токи и напряжения во всех участках цепи также постоянные. Переход от одного установившегося режима к другому при наличии в цепи реактивных элементов L и C не происходит скачкообразно, так как магнитная WL=I2L/2 и электрическая WE = U2C/2 энергии индуктивности и емкости не могут изменяться мгновенно. Из непрерывности изменения магнитного поля катушки индуктивности и электрического поля конденсатора вытекают два закона коммутации.
-
Ток через индуктивность в момент времени t=0– до коммутации равен току в момент времени t = 0+ после коммутации:
.
-
Напряжения на емкости до коммутации и после коммутации равны:
.
Значения токов в индуктивности iL(0+) и напряжение на емкости Uc(0+) образуют независимые начальные условия.
Классический метод расчетов переходных процессов заключается в составлении интегро-дифференциальных уравнений на основе соотношений для мгновенных значений токов и напряжений в R, L, C элементах
.
П
орядок n дифференциального уравнения определяется числом независимых реактивных элементов. Линейные цепи первого порядка содержат однотипные реактивные элементы (либо С, либо L).
Рис. 1. Схемы RC и RL цепей 1-го порядка: а, в – дифференцирующие цепи; б, г, – интегрирующие
Примеры RC и RL цепей первого порядка показаны на рис. 1. Изменения токов и напряжений X(t) в элементах цепи находятся из решения дифференциального уравнения вида
. (1)
где W(t) - внешнее воздействие. Общее решение X(t) дифференциального уравнения находится как сумма общего решения Xсв(t) однородного дифференциального уравнения (без правой части) и частного решения Xпр(t) неоднородного уравнения:
X(t) = Xпр(t) + Xсв(t).
Свободное решение Xсв(t) протекает в цепи без участия внешнего источника W(t), а принужденная составляющая Xпр(t) протекает в установившемся режиме под действием W(t). Свободная составляющая уравнения (1) находится в виде
Xсв(t) = Аеpt,
где р =b0/b1 является корнем характеристического уравнения
b1p + b0 = 0,
Постоянная интегрирования А находится из начальных условий.
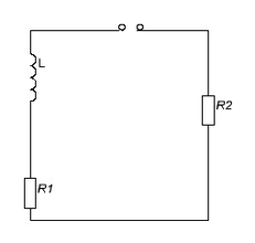
Переходные процессы в линейных цепях первого порядка
E= 70 В
R1= 2 кОм
R2= 3 кОм
L= 2 мГн
Определение независимой переменной.
IL – независимая переменная
Составляем дифференциальное уравнение для переходного процесса в электрической цепи и записываем его в общее решение
IL(t) = iсв (t) + iпр
Определяем начальные условия
E=R1*iL iL = E/R1
iL = 70В/2 кОм = 35мА
Записываем решение дифференциального уравнения для свободной составляющей в виде
Iсв(t)= A*e p*t
Zp= 0
p = -(R1+R2)/L p=-25*105
τ = 1/|p| τ = 4*10-7(c)
Определяется принуждённая составляющая при t=∞
iпр=0
Определяется постоянная интегрирования А
IL (-0)= A*ept =A*e0*t =A
Ток через индуктивность равен:
IL (t)=35*10-3 * e-2500000t
Напряжение на индуктивности равно:
UL(t)=-L (du/dt) = -AL*p*(E/R1) * e pt
UL(t)=175 *e-2500000t
Напряжение на R1 равно:
UR1(t)=70*e-2500000t
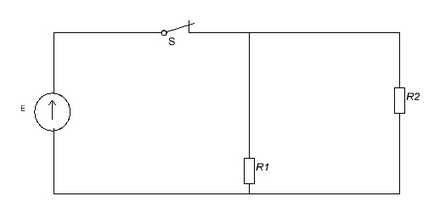
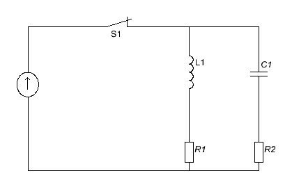
Переходные процессы в RLC цепях
Линейные цепи 2-го порядка содержат два разнотипных реактивных элемента L и C. Примерами таких цепей являются последовательный и параллельный резонансные контуры (рис.1).
а б
Рис. 1. Линейные цепи второго порядка: а – последовательный резонансный контур; б – параллельный резонансный контур
Переходные процессы в колебательных контурах описываются дифференциальными уравнениями 2-го порядка. Рассмотрим случай разряда емкости на RL цепь (рис.2). Составим уравнение цепи по первому закону Кирхгофа:
, (1)
где
После дифференцирования (1) получим
. (2)
Р
ис. 2. Включение RLC цепи на постоянное напряжение
Решение Uс(t) уравнения (2) находим как сумму свободной Uсв(t) и принужденной Uпр составляющих
Uс=Uсв+Uпр. (3)
Uпр зависит от Е, а Uсв(t) определяется решением однородного дифференциального уравнения вида
. (4)
Характеристическое уравнение для (4) имеет вид
LCp² + RCp + 1 = 0, (5)
Корни характеристического уравнения
.
Величину R/2L = α называют коэффициентом затухания,
– резонансной частотой контура. При этом
.
Характер переходных процессов в контуре зависит от вида корней p1 и p2. Они могут быть:
1) вещественные, различные при R > 2ρ, Q < 0,5;
2) вещественные и равные при R = 2ρ, Q = 0,5;
3) комплексно-сопряженные при R < 2ρ, Q > 0,5.
Здесь
– характеристическое сопротивление, Q = ρ/R – добротность контура.
В схеме рис. 2 до коммутации при t<0 емкость заряжена до напряжения Uc(0-) = E. После коммутации емкость начинает разряжаться и в контуре возникает переходный процесс. В случае 1 при Q < 0,5 решение уравнения (2) имеет вид
(6)
Для нахождения постоянных интегрирования А1 и А2 запишем выражение для тока в цепи
.
Используя начальные условия Uc(0-) = E и i(0-) = 0, получаем систему уравнений
(7)
Из решения системы имеем
.
В результате для тока и напряжений в контуре получим
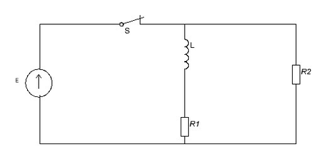
Переходные процессы в цепях второго порядка
E=70В
L=2мГн
С=9мкФ
R=ρ/4
Определение независимой переменной.
IL – независимая переменная
Составляем дифференциальное уравнение для переходного процесса в цепи и записываем общее решение.
IL(t)=iсв(t)+iпр
Определим начальные условия.
t=0
IL(0)=E/R=19.799А
Запишем решение дифф. уравнения для свободной составляющей.
iсв(t)=A*eαt*sin(wt+θ)
Zвх=2R+jwL+1/jwC
2R+pL+1/pC=0
LCp2+2RCP+1=0
p=-883.833-7.016i*103
τ=1/|α|=1.131*10-3
T=2π/w=8.956*10-4
Определим принужденные составляющие при t=∞
iпр=0
Определим постоянный интегрирования Aи θ
UL(t)=LAαweαt *sin(wt+θ)
iL(t)=Aeαt*sin(wt+θ)
LAα*sin θ+ LAw*cosθ =0
Asinθ=19.799
-
Acos θ=2.494
tg θ=19.799/Acos θ=7.938
θ=1.455
A=19.955
Спектральное представление периодических процессов в электрических цепях
Во многих случаях в установившемся режиме кривые периодических э.д.с., напряжений и токов в электрических цепях могут отличаться от синусоидальных. При этом непосредственное применение символического метода для расчета цепей переменного тока становится невозможным. Для линейных электрических цепей задача расчета может быть решена на основе метода суперпозиции с использованием спектрального разложения несинусоидальных напряжений и токов в ряд Фурье. В общем случае ряд Фурье содержит постоянную составляющую, первую гармонику, частота которой совпадает с частотой ω1=2π/T периодического с периодом T тока или напряжения, и набор высших гармоник с частотами ωn=nω1, кратными основной частоте ω1. Для большинства периодических функций ряд Фурье содержит бесконечное число членов. На практике ограничиваются конечным числом членов ряда. При этом исходная периодическая функция будет представлена с помощью ряда Фурье с некоторой погрешностью.
Пусть имеется периодическая с периодом Т э.д.с. е(t)=e(t±nT), удовлетворяющая условиям Дирихле (функция на интервале Т имеет конечное число разрывов и экстремумов). Такая функция может быть представлена суммой гармонических составляющих с различными амплитудами Еn, частотами ωn=nω1 и начальными фазами φn в виде ряда Фурье
Ряд Фурье можно представить в другой форме:
Постоянная составляющая Е0 и коэффициенты ряда Фурье Вn и Сn рассчитываются по формулам
Для нечетных функций е(t) коэффициенты Сn=0, а для четных Bn=0, Связь между коэффициентами Bn, Cn и амплитудами Еn и фазами φn гармоник определяется соотношениями
.
Диаграмма, на которой изображают зависимость амплитуды гармоник En от частоты ωn=nω1, называют спектром.
Используя метод суперпозиции и спектральное представление периодической э.д.с. в виде ряда Фурье электрическую цепь можно рассчитать по следующей методике:
-
Несинусоидальная периодическая э.д.с. е(t) раскладывается в ряд Фурье и определяются амплитуды En и фазы φn всех гармоник э.д.с.
-
В интересующей ветви рассчитываются токи i0, i1,...in, создаваемые каждой гармоникой э.д.с.
-
Искомый ток в ветви находится как сумма токов
.
Так как составляющие тока i(t) либо постоянная величина i0, либо синусоидальные токи in, то для их определения применяют известные методы расчета цепей постоянного и переменного синусоидального токов.
Рассчитать формы и спектры сигналов при нелинейных преобразованиях
Исходные данные:
U0=0,5 В,
U1=1 В,
Um=1,5 В,
S=16 мА/В,
T=11 мкс
-
Рассчитаем угол отсечки θ в радианах и градусах
cos θ= (U1-U0)/Um
θ=arcos(cos θ)=1.231 радиан θ=70.529 градусов
2. Рассчитаем амплитуду тока диода
Im=S*Um(1-cosθ)=16мА
3. Запишем выражение для мгновенного значения тока
Выражение для мгновенного значения напряжения
Найдем один из нулей функции напряжения
Найдем одну из точек, в которых функция принимает значения принужденного составляющего напряжения
Найдем две точки, в которых функция принимает значения отпирающего напряжения
Разность между двумя такими точками
стало быть,
4.Вычислим постоянную составляющую тока
мА
5.Изобразить временные диаграммы напряжения U(t) и тока i(t)
6. Вычислить амплитуду первой гармоники
мА
7.Используя общее выражение для n-ой гармоники тока рассчитать амплитуды второй, третьей, четвёртой и пятой гармоник тока
Im2=4.536 мА
Im3=1.734 мА
Im4=-0.122 мА
Im5=-0.555 мА
8.По полученным данным построить диаграмму спектра тока нелинейного элемента
9.Используя вычислительные возможности программы Mathcad, построить временную диаграмму тока для первых пяти гармоник
i(t)=I0+Im1 cosω1t+Im2 cosω2t+Im3 cosω3t+ Im4 cos ω4t + Im5 cos ω5t
0>
Характеристики
Тип файла документ
Документы такого типа открываются такими программами, как Microsoft Office Word на компьютерах Windows, Apple Pages на компьютерах Mac, Open Office - бесплатная альтернатива на различных платформах, в том числе Linux. Наиболее простым и современным решением будут Google документы, так как открываются онлайн без скачивания прямо в браузере на любой платформе. Существуют российские качественные аналоги, например от Яндекса.
Будьте внимательны на мобильных устройствах, так как там используются упрощённый функционал даже в официальном приложении от Microsoft, поэтому для просмотра скачивайте PDF-версию. А если нужно редактировать файл, то используйте оригинальный файл.
Файлы такого типа обычно разбиты на страницы, а текст может быть форматированным (жирный, курсив, выбор шрифта, таблицы и т.п.), а также в него можно добавлять изображения. Формат идеально подходит для рефератов, докладов и РПЗ курсовых проектов, которые необходимо распечатать. Кстати перед печатью также сохраняйте файл в PDF, так как принтер может начудить со шрифтами.
















