151608 (621833), страница 2
Текст из файла (страница 2)
Восстанавливающая сила
- это сила упругости пружины 6 (см. рис.6.). Ее значение определяют по предварительной затяжке пружины, осуществляемой трактористом с помощью рычага подачи топлива. При данной предварительной затяжке пружины значение
определяется положением муфты регулятора, т.е.
.
Поддерживающая сила
- это приведенная к муфте центробежная сила грузов 2. Она определяется угловой скоростью
их вращения;
- коэффициент поддерживающей силы, зависящий от положения муфты регулятора,
Таким образом, на муфту регулятора действуют две противоположно направленные силы, которые и определяют ее статическое равновесие (при
)
,(8)
где
- угловая скорость вала регулятора.
При нарушении скоростного режима или предварительной затяжки пружины статическое равновесие нарушается. При изменении угловой скорости поддерживающая сила получает приращение
, вызывающее перемещение
муфты. В результате этого деформируется пружина и возникает приращение восстанавливающей силы
. Вследствие нарушения статического равновесного режима возникают инерционные силы
от массы грузов и связанных с муфтой деталей регулятора и топливного насоса.
Кроме перечисленных сил в процессе движения муфты регулятора действуют силы жидкостного трения. Силами трения без смазки обычно пренебрегают.
Известно, что сила жидкостного трения пропорциональна скорости перемещения
. Если принять в качестве коэффициента пропорциональности фактор торможения
, значения которого зависят от параметров смазки и числа сопрягающихся поверхностей, то сила жидкостного трения или демпфирования может быть выражена в качестве произведения
.
Таким образом, известны все составляющие баланса сил, действующих на муфту регулятора при нарушении ее равновесного состояния. С учетом этих составляющих уравнение движения муфты регулятора в полных координатах примет вид
.(9)
Зависимость восстанавливающей силы
и инерционного коэффициента
от хода муфты регулятора строится на основании статического расчета по конструктивным характеристикам регулятора. Такие характеристики для регулятора типа НД-22/6 двигателя СМД-60 показаны соответственно на рис.7. и рис.8.
Рис.7. Зависимость восстанавливающей силы
регулятора от перемещения муфты
топливного насоса НД-22/6.
Рис.8. Зависимость коэффициента инерционности грузов
регулятора от перемещения муфты
.
График восстанавливающей силы
аппроксимируют уравнениями2:
(10)
где
и
- значения восстанавливающей силы на регуляторном и корректорном участках при
;
и
- коэффициенты уравнения равные тангенсам угла наклона графиков восстанавливающей силы к оси абсцисс соответственно на регуляторном и корректорном участках.
Графическую зависимость инерционного коэффициента
от хода муфты регулятора
аппроксимируют выражением:
,(11)
где
- значения инерционного коэффициента при
;
- коэффициент уравнения равный тангенсу угла наклона графика инерционного коэффициента к оси абсцисс.
Положение дозирующего органа
определяют положением муфты регулятора
. Конструктивно в регуляторе типа НД-22/6 ход муфты регулятора z равен ходу дозатора
, т. е.
.
Значение фактора демпфирования
для регулятора типа НД-22/6 по данным ЦНИИТА принято постоянным, не зависящим от положения дозатора (
). Масса движущихся частей регулятора и топливного насоса двигателя СМД-60 по данным ЦНИИТА
.
Таким образом, для регулятора типа НД-22/6 исходное уравнение (9) с учетом выше приведенных зависимостей (10) и (11) после аппроксимации для регуляторного и корректорного участка имеет вид:
(12)
Таблица 3 «Расчет коэффициентов уравнения регулятора»
| N, Нс/м | 120 | N/m | 1290,3 |
| A, Нс2 | 0,001 | A/m | 0,0107527 |
| Ep, Н | 29,477 | Ep/m | 316,957 |
| Ek, Н | 100 | Ek/m | 1075,27 |
| Cp, Н/м | 8330 | Cp/m | 89570 |
| Ck, Н/м | 60120,8 | Ck/m | 646460 |
| Ca, Нс/м | 0,05870 | Ca/m | 0,6312 |
Таблица 4 «Зависимость положения рейки от угловой скорости»
| w | h |
| 0 | |
| 20 | 0,001670624 |
| 40 | 0,001692575 |
| 60 | 0,001729275 |
| 80 | 0,001780898 |
| 100 | 0,00184769 |
| 120 | 0,00192997 |
| 140 | 0,00202814 |
| 160 | 0,002142683 |
| 180 | 0,002274174 |
| 200 | 0,002423284 |
| 209,4395102 | 0,0025 |
| 209,4395102 | 0,0025 |
| 210 | 0,002546956 |
| 215 | 0,00298186 |
| 220 | 0,003447467 |
| 225 | 0,003946736 |
| 230 | 0,004483033 |
Рис.9. Зависимость положения рейки от угловой скорости.
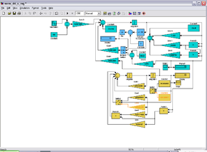
На основе полученных математических моделей, промоделируем в пакете Simulink.
Рис.10. Модель двигателя с регулятором при неизвестной нагрузке.
Рис.11. График перемещения рейки регулятора.
Рис.12а. График изменения оборотов двигателя на разгонном участке.
Рис.12б. График изменения оборотов двигателя.
1.3 Исследование влияния нелинейности на характеристики системы
При оборотах >150 скоростная характеристика двигателя представляет собой нелинейность, описываемую полиномом 3 порядка. Это делает невозможным использование аналитических методов для исследования системы. Необходимо пользоваться численными методами для решения дифференциальных уравнений.
Попробуем избавиться от нелинейности. Перейдём от непрерывной функции 3 степени к кусочно-непрерывным функциям, которые описываются полиномами 1 порядка.
Рис.13. Скоростная характеристика двигателя с кусочно-непрерывными функциями.
Получим 3 участка, каждый из которых описан следующими уравнениями.
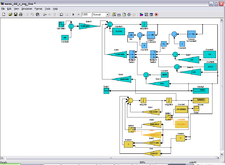
Промоделируем систему с данным видом нелинейности.
Рис.14. Модель двигателя с регулятором при неизвестной нагрузке.
Рис.15 График зависимости оборотов двигателя на разгонном участке.
Рис.16а. График изменения оборотов двигателя.
Рис.16б. График перемещения рейки регулятора.
Проведем сравнение с нелинейной характеристикой, полученной ранее.
Рис.17а. График ошибки изменения оборотов двигателя.
Рис.17б. График ошибки перемещения рейки регулятора.
Анализируя полученные результаты моделирования, можно сделать вывод о том, что переходя от нелинейности, которая описывается полиномом 3го порядка, к кусочно-непрерывным линейным функциям, качество системы практически не изменяется.
2. Шаговый двигатель
2.1 Описание шагового двигателя
Штатный регулятор совмещает в себе регулирующее устройство и исполняющий элемент. В качестве альтернативы предлагается использовать сервопривод, управляемый шаговым двигателем. Необходимость сервопривода обусловлена тем, что мощности шагового двигателя недостаточно для перемещения рейки, отвечающей за подачу топлива. Поэтому шаговый двигатель будет выполнять функции регулирующего устройства, а сервопривод – исполняющего. В связи с этим, структурная схема САР примет вид:
Рис.18. Модифицированная структурная схема САР двигателя.
Таблица 5 «Величина хода штока электродвигателя»
| Положение штока | Число шагов электродвигателя | Величина хода штока электродвигателя, мм |
| 1- «минимальный вылет» | 0 | 0,0 |
| 2- «рабочий ход» | 264 | 11,000±0,066 |
| 3- «максимальный вылет» | 312 | 13,00 ±0,08 |
| Примечание - Величина хода штока при выдвижении и втягивании на 1 мм соответствует 24 шагам электродвигателя | ||
Параметры импульсов управления
Временные диаграммы импульсов управления электродвигателем (скорость вращения ротора двигателя 168 шаг/с - скорость перемещения штока 7 мм/с).
Рис.20. Втягивание штока.
Рис.21. Выдвижение штока.
















