151594 (621819), страница 5
Текст из файла (страница 5)
Для их очистки применяются раствор пожаробезопасного моющего препарата МЛ-72, ТУ-84-348-73, который приготавливается в специальной установке. Установка передвижная, имеет точки подключения к электросети при передвижении по машинному залу. Раствор вспрыскивается через форсунку, которая вставляется во втулку, расположенную на трубопроводе сжатого воздуха. Форсунка соединяется с установкой гибким шлангом. Контроль за состоянием трубопроводов производится через катушки или арматуру. Промывку трубопроводов необходимо производить в нерабочее время последовательно каждый агрегат при отключенных задвижках у концевых холодильников остальных компрессоров.
-
-
5.2.9Промывка ячеек фильтров
Для промывки ячеек фильтров в здании компрессорной станции выгорожено помещение, в котором установлены: две ванны для промывки чистой водой и водой с содовым раствором, два стола для отстоя и ванна для зарядки ячеек фильтров.
Загрязненные ячейки фильтров промываются в горячем (70÷80
С) щелочном растворе концентрацией 5÷10%, затем моются чистой горячей водой (70÷80
С), укладывается на стол для стока воды и просушиваются.
Затем опускаются в ванну с подогретым висциновым или веретенным маслом, и укладывается на стол для стекания излишков масла. К ваннам для промывки и зарядки подводится пар для разогрева воды, щелочного раствора и масла.
Время работы по промывке и зарядке ячеек фильтров составляет около 4 часов в месяц.
-
-
5.2.10Глушители шума
Для глушения шума от всасывающих и стравливающих воздухопроводов проектом предусмотрены глушители шума.
Глушитель шума всасывания (ГЩВ) представляет собой металлический корпус, покрытый звукопоглощающим материалом, в который вставлены звукопоглощающие кассеты.
Глушитель шума стравливания (ГШС) – трубчатый. Эффективность глушителей шума представлена в таблице 4.
Таблица 4
| λ, Гц | 63 | 125 | 250 | 500 | 1000 | 2000 | 4000 | 8000 |
| ГШВ | 12,5 | 35,5 | 40 | 50 | 50 | 50 | 50 | 40 |
| ГШС | 11 | 20 | 60 | 64 | 72 | 75 | 57 | 39 |
-
-
6.Схемы теплотехнических измерений и автоматизация работы компрессорных установок
-
-
6.1.Схемы теплотехнических измерений
-
В компрессорных станциях с большим количеством компрессорных установок и измерительных приборов трудно контролировать работу каждой компрессорной установки по показаниям местных приборов. Для сокращения штатов и удобства наблюдения целесообразно сосредотачивать контрольно-измерительные приборы в определенных пунктах контроля и управления, размещая их на специальных теплотехнических щитах.
Применяются индивидуальные, групповые, блочные и центральные теплотехнические щиты.
Индивидуальные, групповые и блочные теплотехнические щиты контроля и управления должны устанавливаться в машинном зале компрессорной станции в пунктах пребывания дежурного персонала.
В крупных компрессорных станциях устанавливаются центральные щиты, на которых сосредотачиваются приборы контроля за работой всех компрессорных установок.
По своему устройству теплотехнические щиты бывают шкафными (закрытыми) и панельными (открытыми). Щиты устанавливаются на полу (полногабаритные) или крепятся на стене (малогабаритные). Малогабаритные щиты приспособлены только для индивидуальных компрессорных установок.
Щиты изготовляются из листовой стали толщиной 3-4 мм.
Схема теплотехнического контроля выполняется обычно на базе принципиальной технологической схемы, на которой посредством общепринятых условных обозначений указывается размещение необходимых контрольных и измерительных приборов, а также устройств сигнализации.
На схемах теплотехнического контроля работы компрессорной установки указываются: количество и расположение мест измерения; род измеряемых величин (давление, температура, расход), количество и тип вторичных измерительных приборов и датчиков; пункты установки вторичных приборов и датчиков; параметры или пределы измерения приборов; количество и местонахождение (на щите или пульте) переключателей и кранов для соединения измерительных приборов; размещение аппаратуры технологической сигнализации и т.п.
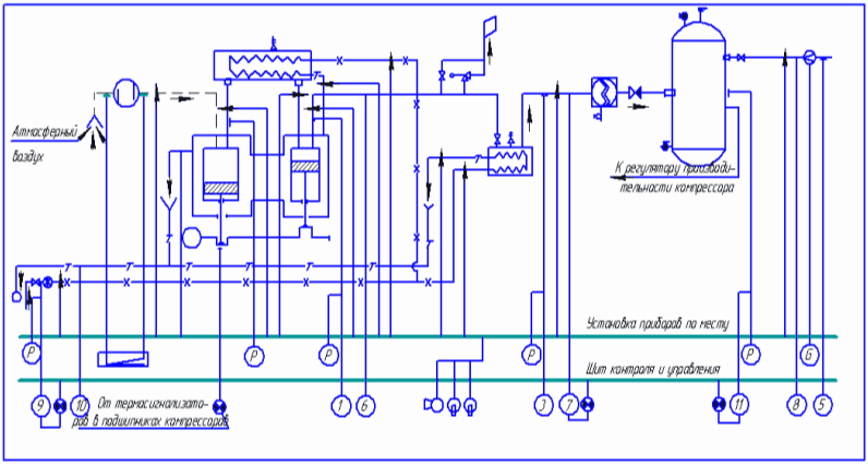
Часть приборов устанавливается по месту, т.е. непосредственно на оборудовании, а часть выносится на щит контроля управления. Расположение контрольно-измерительных приборов на щите показано на рис.2.
B компрессорных станциях, где применяются схемы автоматики расстановка контрольно-измерительных приборов, должна быть увязана с приборами автоматики.
Все установленные на станции контрольно-измерительные приборы можно разделить на указывающие (милливольтметры, логометры, амперметры и вольтметры, указывающие и сигнализирующие электроконтактные манометры, манометрические термометры) и контрольно-релейные (температурные реле и реле давления), а также самопишущие (манометры, расходомеры).
Для привлечения внимания дежурного персонала к ненормальностям в состоянии оборудования или технологических параметров служит предупреждающая и аварийная сигнализация.
Предупреждающая сигнализация подается продолжительным звонком и включением соответствующей лампы на сигнальном табло при:
1) нагреве коренных подшипников свыше 60-65°;
2) снижении давления масла в циркуляционных системах смазки до величины менее 0,5-1 кГ/см2;
3) давлении воздуха в промежуточном охладителе при установившемся режиме работы ниже 1,2 или выше 2,8 кГ/см2;
4) исчезновении напряжения на панелях автоматики;
-
автоматическом вводе резервного насоса;
-
отклонении уровня воды в бассейнах градирен на 200 мм выше или ниже заданной величины.
Аварийная сигнализация подается прерывистым звонком во всех случаях аварийного отключения компрессоров. Звуковые сигналы выключаются централизованным нажатием специальной кнопки. Световые сигналы остаются до устранения причины, вызвавшей их появление.
Принципиальная технологическая схема теплотехнического контроля и сигнализации для одной компрессорной установки приведена на рис.3 где:
1-давление воздуха за второй ступенью компрессора; 2-сила тока электродвигателя компрессора; 3-давление воздуха за конечным охладителем; 4-табло технологической сигнализации; 5-давление воздуха в магистральном трубопроводе; 6-температура воздуха за второй ступенью компрессора; 7-температура воздуха за конечным охладителем; 8-температура воздуха в магистральном трубопроводе; 9-давление охлаждающей воды у входа в компрессорную станцию; 10-температура охлаждающей воды на сливе из охладителя; 11-давление воздуха в воздухосборнике; 12-ключ и кнопки опробывания и съема сигнализации; 13-ключ управления двигателем компрессора; 14-переключатель съёма зашиты.
Рис.2.Расположение контрольно-измерительных приборов на щите типа ЩП-ПД для контроля и управления одной компрессорной установкой с компрессором марки 160 В-20/8
Рис.3. Принципиальная технологическая схема теплотехнического контроля и сигнализации компрессорной установки.
-
6.2 Автоматизация оборудования компрессорной станции
Автоматизация оборудования компрессорной станции резко повышает КПД. оборудования, обеспечивает надежность его работы и улучшает условия труда обслуживающего персонала станции. При помощи средств автоматизации осуществляют:
1) автоматическое регулирование производительности компрессора;
2) автоматическую защиту оборудования компрессорной станции при случайном самовключении машин и приборов, при аварии установки получения сжатого воздуха, а также при ненормальных режимах работы систем водоснабжения и смазки;
-
автоматическое регулирование расхода воды для охлаждения цилиндров компрессора и охлаждения воздуха в охладителе;
-
автоматическое и дистанционное управление регулирующими и запорными устройствами агрегатов, механизмов и коммуникаций;
-
автоматический пуск или остановку вспомогательного и резервного оборудования компрессорной станции. В небольших компрессорных станциях применяют частичную автоматизацию, при помощи которой осуществляют:
а) автоматическое включение и выключение двигателей компрессоров с автоматическим вводом и выводом пусковых реостатов в зависимости от величины давления сжатого воздуха в воздухосборниках;
6) автоматическое отключение компрессоров при повышении температуры сжатого воздуха, охлаждающей воды, масла, повышении уровня масла в картере компрессора или понижении давления масла и при перегрузке электродвигателя компрессора или повреждении одной из фаз электродвигателя;
в) автоматическую продувку маслоотделителей.
-
-
-
6.2.1 Автоматическое регулирование производительности компрессора
Количество воздуха, подаваемого компрессором в воздушную сеть, регулируют при помощи автоматического регулятора производительности.
В качестве автоматических регуляторов производительности на компрессорах применяют двухпозиционные регуляторы, многопозиционные регуляторы или группы двухпозиционных регуляторов и автоматические регуляторы непрямого действия.
Двухпозиционные регуляторы служат для регулирования отклонения всасывания, отжима всасывающих клапанов и для всех видов прерывистого регулирования.
На рис 4 показан электрический двухпозиционный регулятор типа контактного манометра. Такие регуляторы применяют в системе прерывистого регулирования, осуществляемого остановкой электродвигателя компрессора.
Многопозиционные регуляторы или группы двухпозиционных регуляторов применяют для ступенчатого регулирования производительности компрессора.
Регуляторами непрямого действия осуществляют плавное регулирование производительности компрессора.
Если в воздушную сеть подают сжатый воздух несколько компрессоров, то применяют такое автоматическое регулирование производительности, при котором:
1) компрессоры должны последовательно отключаться или включаться по мере уменьшения или увеличения нагрузки на компрессорную станцию на величину производительности каждого компрессора;
2) незначительные и кратковременные изменения нагрузки на компрессорную станцию будут восприниматься регулятором работающего компрессора, не затрагивая систему автоматизации компрессорной станции.
Рис 4 Электрический двухпозиционный регулятор
1- диафрагма; 2-наружний подвод; 3- коробка; 4-пружина; 5-винт; 6стрелка; 7-рычаг; 8-подвижной контакт; 9-неподвижный контакт; 10-магнит; 11-крышка.
-
-
6.2.2Автоматическая защита оборудования
Автоматическая защита срабатывает: при повышении температуры и давления воздуха, воды и масла свыше допустимой величины; при прекращении поступления воды и масла в компрессор; при выходе из строя какого-нибудь механизма компрессорной установки, влияющего на нормальную работу смежных установок.
Всесоюзным научно-исследовательским (ВНИИТБ) разработан компрессорный автомат, при помощи которого при повышении давления и температуры сжатого воздуха после второй и третьей ступени компрессора выше установленных величин отключается электродвигатель компрессора и подается звуковой сигнал при падении давления в магистрали, охлаждающей воды.
Основными элементами автомата являются температурный датчик типа ТГ-278 и датчик давления сжатого воздуха, в качестве которых применяют электроконтактные манометры, устанавливаемые после второй и третьей ступеней компрессора.
Защита электродвигателя осуществляется с помощью тепловых реле в цепи электродвигателя.
-
-
6.2.3Автоматическое регулирование расхода воды
Для уменьшения расхода воды на охлаждение цилиндров в компрессорах применяют устройства с электрическим или пневматическим управлением, автоматически выключающие подачу охлаждающей воды.
Устройство с электрическим управлением показано на рис 5. При пуске электродвигателя замыкается цепь соленоида 1, и связанный с его сердечником перекладной клапан 2 поднимается и садится на верхнее седло, сообщая полость над диафрагмой 3 с водонапорной магистралью. Под действием напора воды в магистрали открывается клапан 4.
При остановке электродвигателя цепь соленоида размыкается, перекладной клапан 2 опускается на нижнее седло и сообщает полость над диафрагмой 3 со сливной трубкой, а пружина 5 закрывает клапан 4, прекращая доступ воды в компрессор.
Рис 5 Устройство для автоматического выключения охлаждающей воды с электрическим управлением
На рис 6 показан клапан пневматического действия для автоматического выключения охлаждающей воды. Доступ охлаждающей воды к компрессору прекращается в результате давления на диафрагму сжатого газа, подводимого к клапану и к регулирующему органу для осуществления холостого хода компрессора.














