151594 (621819), страница 3
Текст из файла (страница 3)
На участке А2В2 находится колено и вентиль. По номограмме 3 [1] получаем соответственно и
м, для данного участка.
Общее потери давления на участке А2В2:
, где
,
Минимальная необходимая толщина стенки трубы рассчитывается по формуле:
, где
Рср – среднее абсолютное давление в трубопроводе, кгс/см2;
k=1,7 – коэффициент запаса;
– предел текучести материала.
Выбранная толщина стенки
ГОСТст=2 мм больше, чем минимально необходимая
ст=0,337 мм, поэтому уточнение наружного диаметра не требуется.
Конечное давление в точке В2:
кгс/м2.
Аналогичным образом рассчитываются остальные участки и ответвления. Конечное давление каждого участка определяется с учётом давления на предыдущем. Сопротивление для колена учитывается только на участке А1B1, на всех остальных участках для определения эквивалентной длины учитываются сопротивления вентиля и тройника. В остальном методика сохраняется. Результаты расчета приведены в таблице 2.
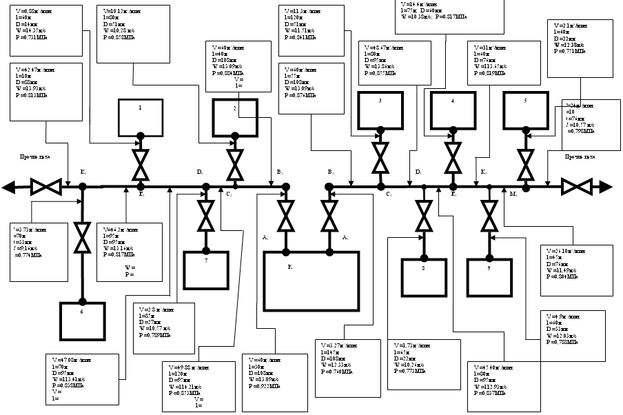
На рис. 2 приведена схема воздухоснабжения предприятия с указанием длин участков, расходов воздуха и внутренних диаметров трубопроводов.
В результате проведенных расчетов мы определили, что система воздухоснабжения, отпускающая сжатый воздух с избыточным давлением 0,9 МПа, обеспечит для каждого цеха потребление воздуха с необходимым давлением Р=0,3-0,8 МПа. Для этого необходимы трубы следующих сортаментов: 108х2,0 длиной 180м; 95х2,0 длиной 440м; 88х1,6 длиной 10м; 76х1.4 длиной 60м; 70х1.4 длиной 45 метров; 60х1,4 длиной 75м; 51х1,4 длиной 120м; 48х1,4 длиной 80м; 33х1 длиной 60 метров; 27х1 длиной 145м;26х1 длиной 85м; 30х1 длиной 70м;22х1 длиной 60м; 14х1 длиной 60м.
Прочностной расчет показал, что расчетная толщина стенки трубопроводов не превышает толщин стенок труб, выбранных по ГОСТ для всех участков воздухопровода, и условия прочности обеспечены.
Таблица 2. Сводная таблица результатов аэродинамического и прочностного расчётов
| Участок | l , м | | Vp ,м3/ мин | | d, мм |
| lэкв, м | lр , м | | Dгост мм | | Pконеч кгс/ см2 |
| |
| ГОСТ | Рас. | |||||||||||||
| A1B1 A2B2 B1C1 B2C2 C1D1 C2D2 D1E1 D2E2 E1K1 E2K2 K1M1 l1 l2 l3 l4 l5 l6 l7 l8 l9 Проч цеха: K2 M1 | 60 30 55 40 80 120 80 70 60 95 45 60 80 120 75 60 70 85 145 60 10 10 | 15 15 15 15 15 15 15 15 15 15 15 10 10 10 10 10 10 10 10 10 15 15 | 60 60 60 60 48,67 49.88 45,40 47,08 31,00 46,20 26,10 0,88 10,12 11,33 14,40 2,10 3,73 2,80 3,27 4,90 42,47 24,00 | 1,8 1,8 1,8 1,8 2,4 2,5 2,2 2,0 2,8 2,1 3,2 17 3,0 2,8 2,5 8,7 6,0 7,3 6,5 5,0 2,3 3,5 | 106.5 106.5 106,5 106,5 94,5 94,5 91,1 92,5 74,5 92,1 70 14 47,2 49,5 57,5 22,0 29,0 25,5 27,0 32,5 87,0 65,0 | 3,23 3,23 1 1 1 1 1 1 1 1 1 2,9 2,9 2,9 2,9 2,9 2,9 2,9 2,9 2,9 2,9 2,9 | 13 13 4,5 4,5 4.0 4.0 3.6 3,5 2,9 3,7 2,6 1,0 4,5 4,8 5,9 1,6 2,3 1,9 2,3 2,6 10,0 6,9 | 73,0 43,0 59,5 44,5 84,0 124,0 83,6 73,5 62,9 98,7 47,6 61,0 84,5 124,8 80,9 61,6 72,3 86,9 147,3 62,6 20,0 16,9 | 13,14 7,74 10,71 8,01 20,16 31,00 18,39 14,70 17,61 20,72 15,23 106,7 25,35 34,94 20,22 53,59 43,38 63,43 95,74 31,30 4,60 5,91 | 108 108 108 108 95 95 95 95 76 95 76 14 51 51 60 22 33 27 27 33 88 76 | 13,09 13,09 13,09 13,09 13,86 14,21 12,93 13,41 13,65 13,16 11,49 14,35 10,28 11,51 10,38 12,38 9,16 10,57 12,33 12,03 13,93 10,57 | 8,86 8,92 8,76 8,84 8,55 8,53 8,37 8,38 8,19 8,17 8,04 7,31 8,58 8,41 8,17 7,51 7,74 7,89 7,60 788 8,13 7,98 | 2,0 2,0 2,0 2,0 2,0 2,0 2,0 2,0 1,4 2,0 1,4 1,0 1,4 1,4 1,4 1,0 1,0 1,0 1,0 1,0 1,6 1,4 | 0,35 0,35 0,35 0,35 0,31 0,31 0,31 0,31 0,25 0,31 0,25 0,04 0,17 0,17 0,20 0,07 0,11 0,09 0,09 0,11 0,25 0,23 |
-
4.Компьютерный расчет системы воздухоснабжения
Как альтернатива, и в то же время для проверки расчетов, был произведен компьютерный расчет по программе "Расчёт трубопроводов", адаптированной для сетей сжатого воздуха. Исходными данными для такого расчета являются:
- тип энергоносителя (в нашем случае воздух);
- длины участков и ответвлений магистралей в метрах;
- расход энергоносителя, необходимый потребителям в
.
Такой расчет был произведен отдельно для левой и правой магистралей системы воздухоснабжения. Результаты расчета сведены в таблицы 3 и 4.















