151591 (621815)
Текст из файла
Министерство общего и профессионального образования РФ
Московский государственный технический университет
Кафедра РЭИС
Пояснительная записка к курсовой работе
По "Основам теории цепей"
Тема: Расчет и анализ фильтров лестничной структуры
Москва 2008
Содержание
Введение
1. Фильтры и их свойства. Классификация фильтров по типу частотных характеристик
Этапы проектирования фильтра
2. Расчетная часть
2.1 Нормировка параметров
2.2 Выбор порядка фильтра
2.3 Параметры нормированного прототипа ФНЧ
2.4 Преобразование ФНЧФВЧ
2.5 АЧХ и ФЧХ фильтра
Заключение
Список использованной литературы
Реферат
Курсовая работа содержит краткие сведения о характеристиках и классификации аналоговых электрических фильтров, а также этапах их проектирования. Излагается методика расчета и особенности пассивных LC-фильтров лестничной структуры, в частности ФВЧ Кауэра. Приведены основные свойства и характеристики данного фильтра, произведен его расчет, обоснованы и описаны схемы, а также выражения для АЧХ и ФЧХ.
Перечень условных обозначений:
fS - самая низкая частота в верхней части характеристики фильтра Кауэра при которой затухание равно As, кГц,
fC - частота среза фильтра, кГц,
S - нормированная частота соответствующая частоте fS,
KL - коэффициент нормирования индуктивности,
KC - коэффициент нормирования емкости,
- коэффициент отражения по модулю в%,
R - сопротивление нагрузки, Ом,
AS - затухание в полосе задерживания, дБ,
А - неравномерность частотной характеристики в полосе пропускания, дБ,
L – индуктивность,
С – емкость,
Задание на курсовую работу.
Рассчитать и проанализировать пассивный фильтр лестничной структуры. Тип фильтра - ФВЧ Кауэра (эллиптический).
Надо спроектировать фильтр в виде реактивного четырехполюсника лестничной структуры с нагрузкой на входе и выходе, удовлетворяющий нижеперечисленным требованиям.
Привести полную схему фильтра и рассчитать АЧХ и ФЧХ фильтра в диапазоне (03) fс.
Исследовать влияние на АЧХ и ФЧХ разброса параметров индуктивностей и емкостей в пределах L% и C% относительно номинального значения.
Значения параметров:
fс = 375 кГц
fs = 325 кГц
А = 25 дБ
= 7%
R = 150 Ом
L =0,5%
С =0,5%
Введение
В современной радиотехнике под фильтрацией сигналов на фоне помех понимают любое выделение параметров случайных процессов, отражающих полезную информацию (сообщение). Вместе с тем сохраняется и традиционное, более узкое представление о фильтрации, связанное с частотной селекцией сигналов.
Под электрическим фильтром понимается в традиционном смысле цепь, обладающая избирательностью реакции на внешнее воздействие. Характеристики фильтра могут задаваться во временной или в частотной областях, в последнем случае требования к фильтру обычно подразумевают определенную избирательность в заданном диапазоне частот. Электрические фильтры можно классифицировать по различным признакам. По способу построения и используемой элементной базе различаются следующие типы фильтров: Фильтры на сосредоточенных элементах (LC - фильтры), кварцевые и керамические, электромеханические фильтры, фильтры на отрезках длинных линий (СВЧ - фильтры), активные RC - фильтры на сосредоточенных и распределенных элементах, коммутируемые и цифровые фильтры, фильтры на поверхностных акустических волнах.
1. Фильтры и их свойства. Классификация фильтров по типу частотных характеристик
Диапазон частот, в котором затухание фильтра минимально (для идеального фильтра - равно нулю), называется полосой пропускания. Обычно это диапазон частот, занимаемый преимущественно полезным сигналом.
Диапазон частот, в котором затухание фильтра максимально (для идеального фильтра - равно бесконечности), называется полосой подавления (задерживания). Обычно это диапазон частот, занимаемый преимущественно помехой.
Диапазон частот, лежащий между полосой пропускания и полосой подавления, называют переходной полосой.
В зависимости от взаимного расположения полос подавления и пропускания различают следующие типы фильтров:
1. Фильтр нижних частот (ФНЧ) - фильтр с полосой пропускания от 0 до частоты в и с полосой подавления от 0 до s (s< в)
2. Фильтр верхних частот (ФВЧ) - фильтр с полосой пропускания от частоты в до бесконечности и с полосой подавления от 0 до s (s< в).
3. Полосовой фильтр (ПФ) - обе границы полосы пропускания представляют собой ненулевые частоты сн, сс а с каждой из сторон от полосы пропускания имеется по одной полосе подавления (от 0 до sн и от sв до ).
4. Режекторный (заграждающий) фильтр (РФ) - фильтр с двумя полосами пропускания (от 0 до сн и от sв до ) и одной полосой подавления
5. Гребенчатый фильтр (ГФ) - фильтр с несколькими полосами подавления и несколькими полосами пропускания
6. Всепропускающий или фильтр постоянного затухания (ФПЗ) - фильтр с единичной (постоянной передачей для всех частот, т.е. с полосой пропускания от 0 до ). Используется для обеспечения требуемой фазовой коррекции и фазового сдвига. Требования к амплитудно-частотной характеристике фильтра, в первую очередь включают параметры полосы подавления, полосы пропускания и переходной полосы. В идеальном случае затухание фильтра должно быть равным нулю в полосе пропускания и стремиться к бесконечности в полосе подавления. В теории цепей на основе так называемого критерия Пали - Винера доказывается, что фильтры с прямоугольной АЧХ физически нереализуемы. Поэтому первая задача построения фильтра - аппроксимация идеальной прямоугольной характеристики функцией цепи, удовлетворяющей условиям физической реализуемости. Эта задача имеет многочисленные решения, доведенные до ряда стандартных функциональных построений, основанных на различных способах аппроксимации. Наиболее употребительными являются следующие типы фильтров, отличающиеся видом аппроксимирующей функции:
Фильтр Баттерворта, имеющий максимально плоскую АЧХ в полосе пропускания и монотонно возрастающее затухание в полосе задерживания
Фильтр Чебышева с равноволновой АЧХ в полосе пропускания и монотонно возрастающим затуханием в полосе задерживания
Инверсный фильтр Чебышева с монотонно возрастающим в полосе пропускания затуханием и равноволновой АЧХ в полосе подавления
Эллиптический фильтр (фильтр Золотарева-Кауэра) с равноволновой как в полосе пропускания, так и в полосе подавления АЧХ
Фильтр Бесселя (фильтр с максимально плоской характеристикой группового времени запаздывания) с аппроксимацией ФЧХ рядом Тейлора.
Фильтры с характеристиками указанных типов могут быть реализованы как пассивными LC - цепями, так и активными RC - цепями, а также цифровыми методами.
Этапы проектирования фильтра
Проектирование фильтра начинается с задания технических характеристик фильтра, которые обычно формируются в виде требований к АЧХ в полосе пропускания и полосе подавления, ширине переходной полосы, требований к ФЧХ или характеристике группового времени запаздывания, а также к другим параметрам, например к сопротивлению нагрузки, внутреннему сопротивлению источника, уровню сигнала и т.п.
На втором этапе решается задача нахождения подходящей передаточной функции, удовлетворяющей заданным требованиям. Эта задача сводится к выбору аппроксимирующей функции, т.е. к выбору фильтра соответствующего типа.
Третий этап - схемная реализация выбранной на втором этапе передаточной функции. Решение этой задачи для основных типов фильтров (Баттерворта, Чебышева, эллиптических), реализуемых как в виде пассивных LC - схем, так и в виде активных четырехполюсников на базе операционных усилителей (ОУ), схваченных обратной связью, доведено до обширных таблиц и графиков. Тем самым в инженерных приложениях второй и третий этапы сводятся к выбору типа фильтра (вида аппроксимирующей функции) и определению по таблицам и графикам соответствующих коэффициентов передаточной функции, определяющих в конечном итоге параметры элементов фильтра.
Четвертый этап - анализ фильтра, то есть исследование его характеристик на соответствие требуемым допускам, чувствительности к изменению параметров схемы, возможностям настройки и т.п.
Сначала такой анализ выполняется при номинальных значениях параметров, чтобы проверить правильность расчетов, произведенных на втором и третьем этапах. Затем учитываются погрешности элементов. Необходимость этого объясняется следующими причинами. При изготовлении спроектированного фильтра невозможно абсолютно точно подобрать его элементы. Разброс параметров реальных резисторов, конденсаторов и катушек индуктивности обычно находится в пределах нескольких процентов. В связи с этим анализ должен дать ответ на вопрос о допустимом разбросе параметров элементов фильтра, при котором еще выполняется техническое задание на проектирование
Кроме того, в процессе эксплуатации неизбежно изменение параметров элементов фильтра за счет старения, изменения климатических условий и т.п. Анализ позволяет учесть и этот фактор и принять соответствующие меры лоя стабилизации характеристик фильтра.
При достаточно большом числе элементов фильтра такой анализ выполнить вручную весьма сложно, а порой и просто невозможно (например, при попытках учесть случайный характер ухода параметров элементов). Поэтому эти расчеты и моделирование выполняют на ЦВМ.
На следующей стадии проектирования осуществляется сравнение технических требований с характеристиками, рассчитанными на этапе анализа. Если требование не выполняется, необходимо изменить параметры фильтра, выбрать другой, или снизить требования к характеристикам и повторить расчеты
После получения удовлетворительных характеристик переходят к этапу экспериментальных работ.
2. Расчетная часть
2.1 Нормировка параметров
,
, A= - 10 lg (1-2) =0,021332737
2.2 Выбор порядка фильтра*
По графику выбираем порядок фильтра: n=6
2.3 Параметры нормированного прототипа ФНЧ
Аs = 25,6 дб; s = 1,145175005
Так выглядит схема фильтра низких частот:
2.4 Преобразование ФНЧФВЧ
Т.е. получаем:
(емкости выражены в пФ, а индуктивности в мкГн)
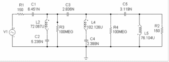
Ниже приведена схема исследования полученного фильтра верхних частот (схема в программе Micro-Cap Evaluation 6.0):
2.5 АЧХ и ФЧХ фильтра
Расчет АЧХ и ФЧХ фильтра проводился при помощи программы Micro-Cap Evaluation 6.0. К ветвям цепи, содержащим индуктивности, параллельно были подключены высокоомные резисторы (100 МОм). Зависимости представлены в порядке: АЧХ, затем ФЧХ.
Изменяя емкости в интервале С=0,5%, получим:
Изменяя индуктивности в интервале L=0,5%, получим:
Заключение
В результате проведенного анализа можно сделать вывод, что полученная нами схема ФВЧ сохраняет необходимые свойства (гарантированное затухание в полосе подавления (А=25 дБ)) при неизменных параметрах (индуктивностей и емкостей) схемы и в пределах их разброса на 0.5%. При данном изменении параметров незначительно меняются значения затухания при некоторых частотах и происходят несущественные сдвиги по частоте. В итоге работы были приобретены навыки и умения в расчете и анализе фильтров лестничной структуры, а так же знакомство с программой Micro-Cap Evaluation 6.0, позволяющая легко производить подобный анализ.
Список использованной литературы
-
Зааль Р. Справочник по расчету фильтров: Пер. с нем. - М.: Радио и связь, 1983. -752с., ил.
-
Ханзел Г.Е. Справочник по расчету фильтров. США, 1969. Пер. с англ., под ред. А.Е. Знаменского. М., "Сов. радио", 1974.
-
Медичка по Micro-Cap Evaluation 6.0.
*Все измерения, в том числе и выбор порядка фильтра, производились по: Зааль Р. Справочник по расчету фильтров: Пер. с нем. – М.: Радио и связь, 1983. –752с.,ил. Диаграмма для оценки порядка эллиптических фильтров нижних частот – стр.25.
Параметры нормированного ФНЧ прототипа взяты из таблицы С0608с на стр. 259.
Характеристики
Тип файла документ
Документы такого типа открываются такими программами, как Microsoft Office Word на компьютерах Windows, Apple Pages на компьютерах Mac, Open Office - бесплатная альтернатива на различных платформах, в том числе Linux. Наиболее простым и современным решением будут Google документы, так как открываются онлайн без скачивания прямо в браузере на любой платформе. Существуют российские качественные аналоги, например от Яндекса.
Будьте внимательны на мобильных устройствах, так как там используются упрощённый функционал даже в официальном приложении от Microsoft, поэтому для просмотра скачивайте PDF-версию. А если нужно редактировать файл, то используйте оригинальный файл.
Файлы такого типа обычно разбиты на страницы, а текст может быть форматированным (жирный, курсив, выбор шрифта, таблицы и т.п.), а также в него можно добавлять изображения. Формат идеально подходит для рефератов, докладов и РПЗ курсовых проектов, которые необходимо распечатать. Кстати перед печатью также сохраняйте файл в PDF, так как принтер может начудить со шрифтами.
















