151540 (621775)
Текст из файла
Біполярні транзистори
Зміст
Вступ
Теоретична частина
1.Загальні відомості
2. Принцип дії n–p–n транзистора
3. Підсилення за допомогою транзистора
3.1 Схеми включення транзисторів (СБ, СК, СЕ)
3.2 Схема із спільним емітером (СЕ)
3.3 Схема із спільною базою (СБ)
3.4 Схема із суспільним колектором (СК)
4. h-параметри
5. Вплив температури на роботу біполярного транзистора
Вступ
У 1958 р. американські учені Дж. Бардін і В. Браттейн створили напівпровідниковий тріод, або транзистор. Ця подія мала величезне значення для розвитку напівпровідникової електроніки. Транзистори можуть працювати при значно меншій напрузі, чим лампові тріод, і не є простими замінниками останніх: їх можна використовувати не лише для посилення і генерації змінного струму, але і як ключові елементи. Визначення "біполярний" вказує на те, що робота транзистора пов'язана з процесами, в яких беруть участь носії заряду двох сортів (електрони і дірки). Визначення "біполярний" вказує на те, що робота транзистора пов'язана з процесами, в яких беруть участь носії заряду двох сортів (електрони і дірки).
1. Загальні відомості
Транзистори – це напівпровідникові прилади, придатні для посилення потужності, що мають три виводи, або більше. У транзисторах може бути різне число переходів між областями з різною електропровідністю. Найбільш поширені транзистори з двома n–p–переходами, звані біполярними, оскільки їх робота заснована на використанні носіїв заряду обох знаків. Перші транзистори були точковими, але вони працювали недостатньо стійко. В даний час виготовляються і застосовуються виключно площинні транзистори.
Будова площинного біполярного транзистора показаний схематично на мал.1
Мал.1 Будова площинного біполярного транзистора
Транзистор являє собою пластину германію, або кремнію, або іншого напівпровідника, в якій створено три області з різною електропровідністю. Для прикладу узятий транзистор типа n–p–n , що має середню область з дірковою, а дві крайні області – з електронною електропровідністю. Розповсюджені також транзистори типу p–n–p , у яких дірковою електропровідністю володіють дві крайні області, а середня має електронну електропровідність.
Середня область транзистора називається базою, одна крайня область – емітером, інша – колектором.
Таким чином, в транзисторі є два n–p–переходи: емітерний – між емітером і базою і колекторний – між базою і колектором. Відстань між ними має бути дуже малою, не більш за одиниці мікрометрів, тобто область бази має бути дуже тонкою. Це є умовою хорошої роботи транзистора. Крім того, концентрація домішок в базі завжди значно менше, ніж в колекторі і емітері. Від бази, емітера і колектора зроблені виводи.
Для величин, що відносяться до бази, емітера і колектора, застосовують як індекси букви “б”, “е” і “к”. Струми в дротах бази, емітера і колектора позначають відповідно iб, iэ, iк. Напруга між електродами позначають подвійними індексами, наприклад напруга між базою і емітером Uб-э , між колектором і базою Uк-б . На умовному графічному позначенні (мал.2) транзисторів p–n–p і n–p–n стрілка показує умовний (від плюса до мінуса) напрям струму в дроті емітера при прямій напрузі на емітерному переході.
Мал.2 Умовне графічне позначення транзисторів
Залежно від того, в яких станах знаходяться переходи транзистора, розрізняють режими його роботи. Оскільки в транзисторі є два переходи (емітерний і колекторний), і кожен з них може знаходитися в двох станах (відкритому і закритому), розрізняють чотири режими роботи транзистора. Основним режимом є активний режим, при якому емітерний перехід знаходиться у відкритому стані, а колекторний - у закритому. Транзистори, що працюють в активному режимі, використовуються в підсилювальних схемах. Окрім активного, виділяють інверсний режим, при якому емітерний перехід закритий, а колекторний - відкритий, режим насичення, при якому обоє переходи відкрито, і режим відсічення, при якому обоє переходу закрито.Основним є активний режим. Він використовується в більшості підсилювачів і генераторів. Режими відсічення і насичення характерні для імпульсної роботи транзистора.
У схемах з транзисторами зазвичай утворюються два ланцюги: вхідний (керуючий) – в нього включають джерело підсилювальних сигналів і вихідний (керованаий) – в нього включається навантаження.
2. Принцип дії n–p–n транзистора
Розглянемо принцип роботи транзистора, на прикладі n–p–n транзистора в режимі без навантаження, коли включені лише джерела постійної живлячої напруги E1 і E2 (мал. 3)
Мал.3 Схема включення n–p–n транзистора без навантаження
Полярність їх така, що на емітерному переході напруга пряма, а на колекторному – зворотне. Тому опір емітерного переходу малий і для здобуття нормального струму в цьому переході досить напруги Е1 у десяті долі вольта. Опір колекторного переходу великий, і напруга E2 зазвичай складає одиниці або десятки вольт. З схеми на мал. 3 видно, що напруги між електродами транзистора зв'язані простою залежністю
.
При роботі транзистора в активному режимі зазвичай завжди Uб-э< і, отже, Uк-э»Uк-б.
Вольт-амперна характеристика емітерного переходу являє собою характеристику напівпровідникового діоду при прямому струмі, а вольт-амперна характеристика колекторного переходу подібна до характеристики діода при зворотному струмі.
Принцип роботи транзистора полягає в тому, що пряма напруга емітерного переходу, тобто ділянки база – емітер (Uб-э), істотно впливає на струми емітера і колектора. Чим більше ця напруга, тим більше струми емітера і колектора. При цьому зміни струму колектора лише незначно менше змін струму емітера. Таким чином, напруга Uб-э, тобто вхідна напруга, керує струмом колектора. Посилення електричних коливань за допомогою транзистора засноване саме на цьому явищі.
Фізичні процеси в транзисторі відбуваються таким чином. При збільшенні прямої вхідної напруги Uб-е знижується потенційний бар'єр в емітерному переході і відповідно зростає струм через цей перехід – струм емітера iе. Електрони цього струму інжектуються з емітера в базу і завдяки дифузії проникають крізь базу в колекторний перехід, збільшуючи струм колектора. Оскільки колекторний перехід працює при зворотній напрузі, то в цьому переході виникають об'ємні заряди, показані на малюнку колами із знаками «+» і «–». Між ними виникає електричне поле. Воно сприяє просуванню (екстракції) через колекторний перехід електронів, що перейшли з емітера, тобто втягують електрони в область колекторного переходу.
Якщо товщина бази досить мала і концентрація дірок в ній невелика, то більшість електронів, пройшовши через базу, не встигають рекомбінувати з дірками бази і досягає колекторного переходу. Лише невелика частина електронів рекомбінує в базі з дірками. В результаті рекомбінації виникає струм бази. У сталому режимі число дірок в базі має бути незмінним. Унаслідок рекомбінації кожну секунду деяка кількись дірок зникає, але стільки ж нових дірок виникає за рахунок того, що з бази вирушає у напрямі до плюса джерела E1 таке ж число електронів. Інакше кажучи, в базі не може накопичуватися багато електронів. Якщо деяке число інжектованих в базу з емітера електронів не доходить до колектора, а залишається в базі, рекомбінуючи з дірками, то таке саме число електронів повинне вирушати з бази у вигляді струму iб. Оскільки струм колектора виходить менше струму емітера, то відповідно до першого закону Кирхгофа завжди існує наступне співвідношення між струмами:
Струм бази є даремним і навіть шкідливим. Бажано, аби він був якомога менше. Зазвичай iб складає малу долю (відсотки) струму емітера, тобто
, а отже, струм колектора лише незначно менше струму емітера і можна вважати
. Саме для того, щоб струм iб був якомога менше, базу роблять дуже тонкою і зменшують в ній концентрацію домішок, яка визначає концентрацію дірок. Тоді менше число електронів рекомбінуватиме в базі з дірками.
Якби база мала значну товщину і концентрація дірок в ній була великою, то велика частина електронів емітерного струму, дифундуючи через базу, рекомбінувала б з дірками і не дійшла б до колекторного переходу. Струм колектора майже не збільшувався б за рахунок електронів емітера, а спостерігалося б лише збільшення струму бази.
Коли до емітерного переходу напруга не прикладена, то практично можна вважати, що в цьому переході немає струму. В цьому випадку область колекторного переходу має великий опір постійному струму, оскільки основні носії зарядів віддаляються від цього переходу і по обоє сторони від кордону створюються області, збіднені цими носіями. Через колекторний перехід протікає лише дуже невеликий зворотний струм, викликаний переміщенням назустріч один одному неосновних носіїв, тобто електронів з p-області і дірок з n–області.
Важлива властивість транзистора – приблизно лінійна залежність між його струмами, тобто всі три струми транзистора змінюються майже пропорційно один одному.
Подібні ж процеси відбуваються в транзисторі типа p–n–p, але в нього міняються ролями електрони і дірки, а також змінюються полярності напруги і напряму струмів(мал. 3). У транзисторі типа p–n–p з емітера в базу інжектуются не електрони, а дірки, які є для бази неосновними носіями. Із збільшенням струму емітера більше таких дірок проникає через базу до колекторного переходу. Це викликає зменшення його опору і зростання струму колектора.
Роботу транзистора можна наочно представити за допомогою потенційної діаграми, яка приведена на мал. 4 для транзистора типу n–p–n. Потенціал емітера прийнятий за нульовий. У емітерному переході є невеликий потенційний бар'єр. Чим більше напруга Uб-э,, тим нижче цей бар'єр. Колекторний перехід має значну різницю потенціалів, прискорюючу електрони.
Мал.4 Потенційна діаграма роботи n–p–n транзисторa
Окрім розглянутих основних фізичних процесів в транзисторах доводиться враховувати ще ряд явищ.
Істотно впливає на роботу транзисторів опір бази rб0, тобто опір, який база надає струму бази iб (нуль в індексі тут означає, що дана величина відноситься до постійного струму). Цей струм протікає до виведення бази в напрямі, перпендикулярному напряму еміттер–коллектор. Оскільки база дуже тонка, то в напрямі від емітера до колектора, тобто для струму iк її опір дуже малий і не береться до уваги. А у напрямі до виведення бази опір бази rб0 (його називають поперечним) досягає сотень ом, оскільки в цьому напрямі база аналогічна дуже тонкому провідникові. Напруга на емітерному переході завжди менша, ніж напруга Uб‑э між виводами бази і емітера, оскільки частина напруги, що підводиться, втрачається на опорі бази. З врахуванням опору rби 0 можна змалювати еквівалентну схему транзистора для постійного струму (мал. 5).
Мал. 5 Еквівалентна схема транзистора для постійного струму
На мал. 5, rэ0 – опір емітера, в який входять опір емітерного переходу і емітерної області. Значення rэ0 в малопотужних транзисторів досягає десятків ом, оскільки напруга на емітерному переході не перевищує десятих доль вольта, а струм емітера в таких транзисторах складає одиниці міліампер. В потужніших транзисторів більше і iэ0 відповідно менше. Опір rб0 визначається формулою (у омах)
ду струм iэ виражається в міліамперах.
Опір колектора rко є практично опором колекторного переходу і складає одиниці і десятки кілоом. У нього входить також опір колекторної області, але воно порівняльно мало і їм можна нехтувати.
Розглянута еквівалентна схема є наближеною, оскільки насправді емітер, база і колектор мають між собою контакт не в одній точці, а в безлічі точок за всією площею переходів. Проте, ця схема може застосовуватися для розгляду багатьох процесів в транзисторі.
При підвищенні напруги на колекторному переході в нім відбувається лавинне розмноження носіїв заряду, через ударну іонізацію. Це явище і тунельний ефект здатні викликати електричний пробій, який при зростанні струму може перейти в тепловий пробій переходу. Електричний і тепловий пробій колекторного переходу в транзисторі відбувається в основному так само, як і в діоді. Але в транзисторі при надмірному колекторному струмі може виникати тепловий пробій без попереднього електричного пробою, тобто без підвищення напруги на колекторному переході до пробивного. Це явище, пов'язане з перегрівом колекторного переходу називається вторинним пробоєм.
Зміна напруги на колекторному і емітерному переходах супроводиться зміною товщини цих переходів. В результаті змінюється товщина бази. Таке явище називають модуляцією товщини бази. Його особливо треба враховувати при підвищенні напруги коллектор–база, оскільки тоді товщина колекторного переходу зростає, а товщина бази зменшується.
При дуже тонкій базі може статися ефект зімкнення («прокол» бази) – з'єднання колекторного переходу з емітерним. В цьому випадку область бази зникає і транзистор перестає нормально працювати.
При збільшенні інжекції носіїв з емітера в базу відбувається накопичення неосновних носіїв заряду в базі, тобто збільшення концентрації і сумарного заряду цих носіїв. І навпаки, при зменшенні інжекції відбувається зменшення концентрації і сумарного заряду неосновних носіїв в базі. Цей процес називають розсмоктуванням неосновних носіїв заряду в базі.
Розглянемо співвідношення між струмами в транзисторі. Струм емітера управляється напругою на емітерному переході, але до колектора доходить декілька менший струм, який можна назвати керованим колекторним струмом iк. упр.. Частина інжектованих з емітера в базу носіїв рекомбінує, тому
де a–коеффіциент передачі струму емітера, що є основним параметром транзистора. При нормальних струмах він може мати значення від 0,950 до 0,998. Чим слабкіше рекомбінація інжектованих носіїв в базі, тим ближче а до 1.
Через колекторний перехід завжди проходить дуже невеликий (не більш за одиниці мікроампер) некеруємий зворотний струм iк0 (мал. 6). Цей струм називають ще початковим струмом колектора. Він некеруємий тому, що не проходить через емітерний перехід. Таким чином, повний колекторний струм
(1)
Мал. 6 Напрями струмів в транзисторі
У багатьох випадках
і тому можна вважати, що
.
Перетворимо формулу (1)
Виразимо:
Позначимо
і
тоді
; (2)
тут
– коефіцієнт передачі струму бази і складає декілька десятків.
Наприулад, якщо a=0,95,
а якщо a=0,99, то
Тобто при збільшенні a на 0,04, b збільшився в п'ять разів.
Виразимо a через b:
Слід зауважити, що коефіцієнт a, не є строго постійним. Він залежить від режиму роботи транзистора, зокрема від струму емітера. При малих і великих струмах a зменшується, а при деякому середньому значенні струму досягає максимуму. В межах робочих значень струму емітера змінюється порівняно мало.
Коефіцієнт b змінюється залежно від режиму роботи транзистора значно більше, ніж коефіцієнт a. При деякому середньому значенні струму емітера коефіцієнт b максимальний, а при менших і більших струмах він знижується, причому інколи у декілька разів.
Струм iк-э0 називають початковим крізним струмом, оскільки він протікає крізь весь транзистор (через три його області і через обоє n–p–перехода) в тому випадку, якщо iб=0, тобто обірваний дріт бази. З (2) при iб=0 отримуємо iк=iк-э0. Крізний струм складає десятки або сотні мікроампер і значно перевершує початковий струм колектора iк0.
або
а оскільки
, то
Порівняно великий струм iк-э0 пояснюється тим, що деяка частина напруги Uк-э, прикладена до емітерного переходу як пряма напруга. Внаслідок цього зростає струм емітера, а він в даному випадку і є крізним струмом.
При значному підвищенні напруги Uк-э, струм iк-э0 різко зростає і відбувається електричний пробій.
3. Підсилення за допомогою транзистора
Розглянемо схему підсилювального каскаду з транзистором n–p–n типу (мал. 7). Ця схема називається схемою із загальним емітером (ОЕ), оскільки емітер є загальною точкою для входу і виходу схеми.
Мал. 7. Схема включення транзистора з ОЕ
Вхідна напруга, яку необхідно підсилити, подається від джерела коливань ІК на ділянку база – емітер. На базу поданий також позитивний зсув від джерела E1, яке є прямою напругою для емітерного переходу. Ланцюг колектора (вихідний ланцюг) живиться від джерела E2. Для здобуття підсиленної вихідної напруги в цей ланцюг включено навантаження Rн.
C1 – конденсатор великої ємкості необхідний для того, щоб не відбувалася втрата частини вхідної змінної напруги на внутрішньому опорі джерела E1. C2 – необхідний для того, щоб не було втрати частини вихідної посиленої напруги на внутрішньому опорі джерела E2.
Розглянемо еквівалентну схему колекторного ланцюга (мал. 8).
Мал. 8. Еквівалентна схема колекторного ланцюга при включенні транзистора з ОЕ
Робота підсилювального каскаду з транзистором відбувається таким чином. Напруга джерела E2 ділиться між опором навантаження і внутрішнім опором транзистора r0, яке він надає постійному струму колектора. Цей опір приблизно дорівнює опору колекторного переходу rк0 для постійного струму. Насправді до опору rк0 ще додаються невеликі опори емітерного переходу, а також n– і p–областей, але ці опори можна не брати до уваги.
Якщо у вхідний ланцюг включається джерело коливань, то при зміні його напруги змінюється струм емітера, а отже, опір колекторного переходу rк0 . Тоді напруга джерела E2 перерозподілятиметься між Rн і rк0. При цьому змінна напруга на peзиcтopі навантаження Rн може бути отримане в десятки разів більшим, ніж вхідна змінна напруга. Зміни струму колектора майже дорівнюють змінам струму емітера і у багато разів більше змін струму бази. Тому в даній схемі виходить значне посилення струму і дуже велике посилення потужності.
Для більшої наочності розглянемо роботу підсилювального каскаду з транзистором на числовому прикладі. Хай живляча напруга E1 = 0,2 В і E2 = 12 В, опір резистора навантаження Rн = 4 кОм і опір транзистора r0 за відсутності коливань на вході також рівне 4 кОм, тобто повний опір колекторному ланцюгу рівний 8 кОм. Тоді струм колектора, який можна приблизно вважати рівним струму емітера, складає
Напруга E2 розділиться навпіл, напруга на Rн і на r0 буде по 6 В.
Хай від джерела коливань на вхід поступає змінна напруга з амплітудою 0,1 В. Максимальна напруга на ділянці база – емітер при позитивній півхвилі стає рівним 0,3 В. Передбачимо, що під впливом цієї напруги струм емітера зростає до 2,5 мА. Таким же практично стане і струм колектора. Він створить на резисторі навантаження падіння напруги 2,5 •4=10 В, а падіння напруги на опорі r0 транзистора зменшиться до 12 –10 = 2 В. Отже, цей опір зменшиться до 2:2,5 = 0,8 кОм.
Через півперіода, коли джерело коливань дасть напругу, рівну, – 0,1 В, станеться зворотне явище. Мінімальна напруга база – емітер стане 0,2 –0,1=0,1 В. Струми емітера і колектора зменшаться до 0,5 мА. На резисторі Rн падіння напруги зменшиться до 0,5 •4=2 В, а на опорі r0 воно зросте до 10 В. Отже, цей опір збільшиться до 10:0,5=20 кОм.
Таким чином, подача на вхід транзистора змінної напруги з амплітудою 0,1 В викликає зміну опору від 0,8 до 20 кОм. При цьому напруги на резисторі навантаження і на транзисторі змінюються на 4 В в ту і іншу сторону (від 10 до 2 В). Отже, вихідна напруга має амплітуду коливань 4 В, тобто воно в 40 разів більше вхідної напруги. Цей числовий приклад є наближеним, оскільки насправді залежність між струмом колектора і вхідною напругою нелінійна.
Наступні рівняння:
вхідна напруга
;
напруга на ділянці база – емітер
де
;
струм колектора
напруга на навантаженні
де
і
напруга на виході
де
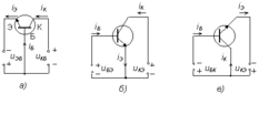
3.1. Схеми включення транзисторів (СБ, СК, СЕ)
Застосовують три основні схеми включення транзисторів в підсилювальні або інші каскади. У цих схемах один з електродів транзистора є суспільною точкою входу і виходу каскаду. Щоб уникнути помилок при цьому треба пам'ятати, що під входом (виходом) розуміють крапки, між якими діє вхідна (вихідна) змінна напруга. Не слід розглядати вхід і вихід по постійній напрузі.
Основні схеми включення транзисторів називаються відповідно схемами із суспільним емітером (СЕ), суспільною базою (СБ) і суспільним колектором (СК). Принцип посилення коливань у всіх цих каскадах однаковий, але властивості схем різні.
мал.9 Схеми включення транзисторів
3.2 Схема із суспільним емітером (СЕ)
Ця схема змальована на мал. 9(б) і є найбільш поширеною, оскільки вона дає найбільше посилення по потужності.
Коефіцієнт підсилення по струму ki – це відношення амплітуд (або значень, що діють) вихідного і вхідного змінного струму, тобто змінних складових струмів колектора і бази:
Підсилювальні властивості транзистора при включенні його за схемою СЕ характеризує один з головних його параметрів – статичний коефіцієнт підсилення по струму (або коефіцієнт передачі струму) для схеми СЕ, що позначається b. Оскільки він повинен характеризувати лише сам транзистор, то його визначають в режимі без навантаження (
), тобто при постійній напрузі ділянки коллектор-еміттер:
, при uк-э=const.
Коефіцієнт підсилення каскаду по напрузі дорівнює відношенню амплітудних або діючих значень вихідної і вхідної змінної напруги. Вхідною є змінна напруга база - емітер Uб-е, а вихідним - змінна напруга на резисторі навантаження
, що відповідає напрузі між колектором і емітером Uк-е:
Коефіцієнт підсилення каскаду по потужності
є відношенням вихідної потужності до вхідної. Кожна з цих потужностей визначається половиною множення амплітуд відповідних струмів і напруги:
;
,
Тому
Важливою величиною для транзистора є його, який визначається за законом Ома. Для схеми з СЕ
Каскад за схемою СЕ при посиленні перевертає фазу напруги, тобто між вихідним і вхідною напругою є фазовий зсув 180°.
Перевага схеми СЕ – зручність живлення її від одного джерела, оскільки на колектор і базу подається живляча напруга одного знаку.
Недоліки даної схеми – гірші в порівнянні з схемою з СБ частотні і температурні властивості. З підвищенням частоти посилення в схемі з СЕ знижується в значно більшій мірі, ніж в схемі СБ. Режим роботи схеми з СЕ сильно залежить від температури.
3.3 Схема із суспільною базою (СБ)
Схема з СБ показана на мал. 9(а). Ця схема дає значно менше посилення пo потужності і має ще менший вхідний опір, ніж схема СЕ, все ж її інколи застосовують, оскільки по своїх частотних і температурних властивостях вона значно краща за схему СЕ.
Коефіцієнт підсилення по струму каскаду СБ завжди декілька менше одиниці:
струм колектора завжди лише трохи менше струму емітера.
Статичний коефіцієнт підсилення по струму (коефіцієнт передачі струму), для схеми СБ позначається a. Він визначається для режиму без навантаження (Rн=0), тобто при постійній напрузі коллектор-база:
, при uк-б=const.
Чим ближче a до 1, тим краще транзистор. Коефіцієнт підсилення по струму
, для каскаду СБ завжди трохи менше а, оскільки при включенні
струм колектора зменшується.
Коефіцієнт підсилення по напрузі визначається формулою:
Коефіцієнт підсилення по потужності kp=ki · ku. Оскільки,
то
Вхідний опір для схеми СБ:
Вхідний опір виходить в десятки разів меншим, ніж в схемі з СЕ, оскільки напруга Umб-э дорівнює напрузі Umэ-б, а струм Imэ в десятки разів більше струму Imб.
Для схеми СБ фазовий зсув між вихідним і вхідною напругою відсутній, тобто фаза напруги при підсиленні не перевертається.
Перевага даної схеми включення в тому, що каскад за схемою СБ вносить при підсиленні менші спотворення, ніж каскад за схемою СЕ.
3.4 Схема із суспільним колектором (СК)
Схема з СК показана на мал. 9(в). Особливість цієї схеми в тому, що вхідна напруга повністю передається назад на вхід, тобто дуже сильний негативний зворотний зв'язок.
Вхідна напруга дорівнює сумі змінної напруги база-еміттер uб-э і вихідної напруги:
Коефіцієнт підсилення по струму каскаду СК визначається по формулі:
і має майже таке значення, як і в схемі з ЗЕ.
Відношення
– є коефіцієнт підсилення по струму для схеми з СЕ.
Коефіцієнт підсилення по напрузі близький до одиниці, причому завжди менше її:
Коефіцієнт посилення по потужності
Фазового зсуву між
і
немає, оскільки вихідна напруга збігається по фазі з вхідним і майже дорівнює йому. Дана схема включення транзистора називається емітерним повторювачем. Емітерним тому, що резистор навантаження включений в дріт емітера і вихідна напруга знімається з емітера (відносно корпусу).
Вхідний опір каскаду за схемою СК визначається по формулі:
Важливою перевагою даної схеми включення є високий вхідний опір.
4. h-параметри
Система h – параметрів набула широкого поширення, тому що при вимірі цих параметрів потрібне відтворення холостого ходу на вході (I_1=0) або короткого замикання на виході (U_2=0), що легко виконувати. У цій системі параметрів рівняння чотириполюсника записується у вигляді:
Всі h – параметри мають певний фізичний зміст:
– вхідний опір транзистора при короткозамкненому виході.
(
);
– коефіцієнт зворотного зв'язку по напрузі при розімкнутому по змінному струмі вході.
(
);
– коефіцієнт передачі струму при короткозамкненому виході (
);
– вихідна провідність при розімкнутому по змінному струмі вході (
).
Зазвичай h - параметри вимірюють при включеннях транзисторів з СБ або СЕ. Зв'язок між h - параметрами для різних схем включення визначається формулами:
;
/(1+
);
;
-
/(1+
);
;
;
Для найбільше часто використовуваних параметрів (коефіцієнт передачі струму при включенні із СБ і СЕ) уведені додаткові позначення:
=-α;
. Залежність між α і β визначається рівнянням β=α/(1-α). Тому що мало-сигнальні параметри вимірюють на низькій частоті (в основному 270 і 1000 Гц), їх можна вважати дійсними величинами.
H - параметри широко використовуються для аналізу транзисторних схем в режимі малого сигналу, оскільки дозволяють застосовувати готові формули теорії лінійних чотириполюсників.
5. Вплив температури на роботу біполярного транзистора
Вплив температури на роботу біполярного транзистора обумовлений трьома фізичними чинниками: зменшенням потенційних бар'єрів в переходах, збільшенням теплових струмів переходів і збільшенням коефіцієнтів передачі струмів із зростанням температури. Зменшення потенційного бар'єру j К із зростанням температури також, як і в ізольованому переході, наводить до посилення інжекції, внаслідок чого збільшується вхідний струм транзистора. Збільшення вхідного струму із зростанням температури еквівалентно зсуву характеристики у бік меншої вхідної напруги. Цей зсув описується температурним коефіцієнтом напруги
який складає для кремнієвих транзисторів e = - 3 мВ/град.
Збільшення теплових струмів переходів із зростанням температури, описується температурними залежностями струмів, що наводяться в довідниках Iкбо, Iебо.Типові залежності струмів Iкбо і Iебо від температури для кремнієвого малопотужного транзистора.
Характеристики
Тип файла документ
Документы такого типа открываются такими программами, как Microsoft Office Word на компьютерах Windows, Apple Pages на компьютерах Mac, Open Office - бесплатная альтернатива на различных платформах, в том числе Linux. Наиболее простым и современным решением будут Google документы, так как открываются онлайн без скачивания прямо в браузере на любой платформе. Существуют российские качественные аналоги, например от Яндекса.
Будьте внимательны на мобильных устройствах, так как там используются упрощённый функционал даже в официальном приложении от Microsoft, поэтому для просмотра скачивайте PDF-версию. А если нужно редактировать файл, то используйте оригинальный файл.
Файлы такого типа обычно разбиты на страницы, а текст может быть форматированным (жирный, курсив, выбор шрифта, таблицы и т.п.), а также в него можно добавлять изображения. Формат идеально подходит для рефератов, докладов и РПЗ курсовых проектов, которые необходимо распечатать. Кстати перед печатью также сохраняйте файл в PDF, так как принтер может начудить со шрифтами.
















