151481 (621736), страница 3
Текст из файла (страница 3)
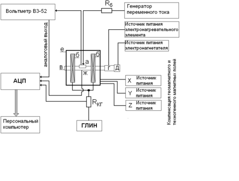
С целью минимизации внешних электрических наводок дюралюминиевый воздуховод соединен с шиной заземления.
Управление и передача данных с анализатора импеданса, а также с источников питания колец Гельмгольца и электронагревательного элемента осуществляется персональным компьютером по интерфейсу GPIB. Сигнал с термопар преобразуется в цифровой вид и передается в персональный компьютер с помощью АЦП L-791 фирмы L-Card.
Также частью установки является программа для ПК, осуществляющая управление приборами, сбор и сохранение результатов измерений. Программа написана на Visual Basic 6.0 и использует библиотеки функций компании Agilent. Программа, управляя источниками питания, устанавливает согласно заданному алгоритму температуру образца и внешнее магнитное поле, после чего запрашивает результаты измерений с анализатора импеданса и сохраняет их на жесткий диск. В ходе проведения измерений программа отслеживает стабильность температуры образца и при необходимости производит ее корректировку. Программа позволяет устанавливать такие параметры эксперимента, как скорость нагрева, максимальная температура, шаг изменений температуры, величина и направление внешнего магнитного поля. Алгоритм проведения эксперимента заключается в последовательном изменении величины магнитного поля в заданных пределах и запросе результатов измерений импеданса с анализатора. Результаты серии измерений сохраняются в виде удобной для обработки в математических пакетах матрицы в текстовом файле.
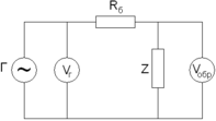
Раньше для измерения импеданса образца использовалась другая методика. Согласна этой методике образец подключается к генератору синусоидальной ЭДС последовательно с балластным резистором Rб, сопротивление которого на три порядка больше, чем измеряемые значения импеданса образцов Z. Поэтому действующее значение тока в цепи можно считать определяемым только величиной балластного сопротивления и выходным напряжением на генераторе Uг:
I=Uг/Rб.(8)
Тогда модуль полного сопротивления образца можно рассчитать по формуле:
Z=Uобр/I,(9)
где Uобр – падение напряжения на образце (рис. 12, 13).
В качестве источника переменного тока использовался генератор IFR 2023А, который с помощью коаксиального кабеля подключен к измерительной ячейке. Частота переменного тока изменялась в диапазоне от 500кГц до 10МГц. Выходное напряжение генератора контролировалось вольтметром В7-35. Действующее значение силы тока, протекающего по образцу, в большинстве экспериментов составляло 30мА. Падение напряжения на образце измерялось с помощью высокочастотного вольтметра ВЗ-52. Щуп вольтметра с помощью переходника был подключен к соответствующему разъему измерительной ячейки.
Кольца Гельмгольца были подсоединены к генератору линейно изменяющихся напряжений (ГЛИН), что позволяло создавать изменяющееся во времени магнитное поле. Напряженность магнитного поля, создаваемого кольцами Гельмгольца, определялась по падению напряжения на образцовом резисторе Rкг. Резистор был включен последовательно с кольцами Гельмгольца. Его сопротивление было выбрано таким, чтобы падение напряжения на нем численно соответствовало напряженности магнитного поля в Эрстедах. Резистор был выполнен из манганинового сплава и приведен в тепловой контакт с массивными радиатором для минимизации температурного дрейфа.
Рис. 12 Принципиальная схема измерения импеданса: Г – генератор ВЧ тока; Vr – вольтметр, измеряющий выходное напряжение генератора; Rб – балластное сопротивление; Z – образец; Vобр – вольтметр, измеряющий напряжение на образце.
Рис. 13 Блок-схема экспериментальной установки: а – измерительная ячейка; б – кольца Гельмгольца; в – воздуховод; г – электронагревательный элемент; д – электронагнетатель; е – компенсационный куб; ж – термопара.
Для питания электронагревателя использовался источник тока Agilent 5770A. Воздушный нагнетатель питался от источника SHENZEN MASTECH HY3020E. Оба источника работали в режиме стабилизации по току. Сбор экспериментальных данных осуществлялся с помощью платы аналого-цифрового преобразователя (АЦП) LCard L 791. К плате были подключены:
-
Аналоговый выход вольтметра ВЗ-52, измеряющего падение напряжения на образце;
-
Выводы резистора Rкг для определения напряженности магнитного поля;
-
Концы термопары, измеряющие температуру тока.
Если провести сравнение данных методик измерения МИ, то предпочтительней первая, более современная, которая намного упрощает задачу исследователя. Экспериментатору требуется лишь подготовить образец, поместить его в измерительную ячейку, закрепить саму ячейку, а также установить параметры измерений. Получив результаты в виде матриц, построить необходимые зависимости.
3. Практическое применение магнитного импеданса
3.1 Введение
Аморфные ферромагнитные сплавы являются удобным объектом для исследования физических свойств магнитомягких ферромагнетиков ввиду их способности приобретать заданные магнитные свойства под влиянием термической и термомагнитной обработки. Различные физические эффекты в ферромагнитных материалах известны уже давно и нашли самое широкое применение в науке и технике, в том числе при разработке и создании разнообразных датчиков и преобразователей физических величин.
По некоторым магнитным параметрам к аморфным сплавам приближаются нанокристаллические ферромагнитные сплавы, которые могут иметь значительно большую, чем аморфные сплавы, рабочую температуру.
Применение аморфных и нанокристаллических ферромагнетиков позволяет не только улучшить существующие датчики магнитных величин, но и создавать принципиально новые измерительные датчики и преобразователи.
Разработка и создание более совершенных датчиков и преобразователей магнитного поля остается важной задачей современной науки. Автоматизация процессов производства, развитие технической базы научных исследований, создание современных технологий требуют более совершенных методов контроля и измерения различных параметров, в том числе магнитных и механических. В геофизике, для обнаружения и измерения слабых магнитных полей естественного и искусственного происхождения, требуются высокочувствительные датчики магнитного поля, способные измерять одновременно три компоненты магнитного поля и работать в широком интервале температур. В низкочастотной радиосвязи существует проблема создания малогабаритных параметрических антенн с узкой диаграммой направленности. В биологии и медицине требуются миниатюрные датчики сверхслабых магнитных полей, длительное время работающие при нормальных условиях.
Уникальные магнитные и механические характеристики ферромагнетиков позволяют создавать на их основе высокочувствительные датчики и преобразователи слабого магнитного поля, а также разнообразные датчики механических величин.
Высокая магнитная проницаемость и малые потери на перемагничивание позволяют с помощью различных методов преобразования получить экстремально низкий порог чувствительности датчиков магнитного поля, выполненных на основе аморфных ферромагнитных сплавов, расширить диапазон частот измеряемого магнитного поля. На основе применения аморфных ферромагнетиков возможно улучшение параметров аппаратуры считывания информации с магнитных носителей, позволяющее в несколько раз увеличить разрешающую способность и количество записываемой информации.
Механические датчики на основе магнитоимпедансного эффекта в аморфных и нанокристаллических сплавах отличаются более высокой чувствительностью и долговечностью.
Миниатюрные магнитные датчики магнитного поля на основе магнитоимпедансного эффекта в аморфных ферромагнитных сплавах могут служить базовым элементом для создания приборов магнитной дефектоскопии и различных устройств автоматики и робототехники. Как и датчики Холла, они могут иметь размеры около 1мм и не содержат катушек индуктивности. При соответствующем выборе аморфного сплава и при его термомагнитной или термомеханической обработке перекрываемый с помощью магнитоимпедансного датчика диапазон постоянного или низкочастотного магнитного поля может достигать 100Э.
В то же время магнитоимпедансный датчик магнитного поля выгодно отличается от датчика Холла высокой температурной стабильностью, поэтому приборы на его основе не требуют никаких схем температурной компенсации или стабилизации. Более того, магнитоимпедансный датчик имеет всего два контакта и его подключение к электрической схеме прибора осуществляется всего двумя проводами, а не четырьмя, как в датчике Холла, что значительно проще и надежнее в случае исполнения выносного варианта датчика.
Более подробно остановимся на принципе действия датчиков на основе магнитного импеданса.
3.2 Датчики магнитного поля и механических величин на основе магнитоимпедансного эффекта [4]
3.2.1 Датчики магнитного поля на основе магнитного импеданса
Значительное падение напряжения на аморфных и нанокристаллических проводниках под действием магнитного поля при прохождении по проводнику переменного или импульсного электрического тока позволяет применить магнитоимпедансный эффект в разнообразных датчиках магнитного поля.
При работе в качестве датчиков магнитного поля целесообразно выводить начальную рабочую точку на середину линейного участка характеристики, для чего требуется продольное магнитное поле смещения. Оно может быть создано как катушкой или постоянным магнитом, так и созданием магнитного поля анизотропии при изготовлении или термомеханической обработке аморфного сердечника датчика, или при приложении к нему механического напряжения. Когда аморфный ферромагнетик выводится на участок максимального импеданса при помощи механического растягивающего напряжения, внешнее магнитное поле уменьшает импеданс на участке с отрицательной крутизной. При этом вернуться на участок с положительной крутизной с помощью внешнего постоянного магнитного поля не удается.
Дифференциальный коэффициент преобразования лучших магнитоимпедансных датчиков составляет 0,5-2,0 мкВ/нТл на узком участке возрастающей ветви характеристики при подходе к максимуму изменения импеданса. На спадающей ветви характеристики чувствительности значительно, на один-два порядка, ниже. Чувствительность на участке возрастания импеданса зависит от размеров датчика.
К недостаткам датчика магнитного поля на основе магнитоимпедансного эффекта относятся: чувствительность к механическим воздействиям, большая величина гистерезиса, необходимость в магнитном поле смещения или соответствующем механическом напряжении.
К положительным моментам можно отнести возможность создания датчика без использования катушек индуктивности, относительную простоту датчика. Магнитоимпедансные датчики магнитного поля могут найти достойное применение в различных технических устройства при работе в диапазоне средних магнитных полей от 0,2Э до 200Э.
3.2.2 Датчики механических величин на основе магнитоимпедансного эффекта в аморфных ферромагнитных сплавах
Сильная зависимость импеданса проводника из аморфного ферромагнитного сплава от приложенного к этому проводнику механического напряжения позволяет создать малогабаритные датчики механических величин, которые не содержат катушек индуктивности (рис. 14). Отсутствие кристаллической решетки в аморфных ферромагнетиках делает их более чувствительными к внешним факторам, в том числе механическим, так как величина энергии анизотропии, которую необходимо преодолеть с помощью внешнего воздействия, значительно ниже, чем в кристаллических ферромагнетиках.
Рис. 14 Простейшие конструкции механических датчиков на основе магнитоимпедансного эффекта в аморфных ферромагнитных сплавах: А.Ф.П. – аморфный ферромагнитный проводник; К1 и К2 – контакты.
Магнитоимпедансные датчики имеют выходной сигнал в виде амплитуды переменного напряжения высокой частоты и поэтому могут иметь плоскую амплитудно-частотную характеристику в диапазоне частот от 0 до единиц МГц. Серьезным преимуществом механических датчиков на основе магнитоимпедансного эффекта является их высокая термостабильность. Такие датчики имеют высокую чувствительность, так как в них максимум изменения сигнала ΔU/U, соответствующий Δl/l или Δσ/σ, имеет место на начальном участке характеристики магнитоимпедансного эффекта, когда Δl/l в результате продольной магнитострикции составляет всего лишь сотые доли от величины магнитострикции насыщения.
На основе магнитоимпедансного эффекта возможно создание приемо-передающих высокочастотных акустических устройств.
В магнитоимпедансных датчиках прием и возбуждение осуществляется по току, а не по напряжению. Поэтому магнитоимпедансные датчики являются низкоомными широкополостными элементами, что во многих случаях может оказаться удобным при согласовании с акустической нагрузкой и с применением электронной схемой. На базе магнитоимпедансного акустического приемо-передающего устройства, выполненного на основе аморфных ферромагнитных лент или пленок, могут быть созданы адаптивные высокочастотные приемо-излучатели упругих волн с управляемой диаграммой направленности и хорошим согласованием с акустической средой.















